Download PDF
ads:
LEANDRO AUGUSTO HILGERT
ADESÃO À DENTINA:
INFLUÊNCIA DA OCLUSÃO TUBULAR E DA
DESPROTEINIZAÇÃO
Florianópolis
2006
ads:
Livros Grátis
http://www.livrosgratis.com.br
Milhares de livros grátis para download.
2
LEANDRO AUGUSTO HILGERT
ADESÃO À DENTINA:
INFLUÊNCIA DA OCLUSÃO TUBULAR E DA
DESPROTEINIZAÇÃO
Dissertação apresentada ao Programa de Pós-
Graduação em Odontologia da Universidade
Federal de Santa
Catarina como requisito para
a obtenção do título de Mestre em
Odontologia, área de concentração em
D
entística.
Orientador: Prof. Dr. Sylvio Monteiro Junior
Co-orientador: Prof. Dr. Luiz Narciso Baratie
ri
Florianópolis
2006
ads:
3
LEANDRO AUGUSTO HILGERT
ADESÃO À DENTINA: INFLUÊNCIA DA OCLUSÃO TUBULAR
E DA DESPROTEINIZAÇÃO
Esta dissertação foi julgada adequada para obtenção do título de
MESTRE EM ODONTOLOGIA ÁREA DE CONCENTRAÇÃO DENTÍSTICA
e
aprovada em sua forma final pelo Programa de Pós-Graduação em
Odontologia.
Florianópolis, 06 de fevereiro de 2006.
Prof. Dr. Ricardo de Souza Vieira
Coordenador do Programa de Pós-Graduação em Odontologia
BANCA EXAMINADORA
Prof. Dr. Sylvio Monteiro Junior
Orientador
Prof. Dr. Luiz Narciso Baratieri
Membro
Prof. Dr. Alessandro Dourado Loguercio
Membro
4
Dedico esta dissertação aos meus pais,
TÂNIA BEATRIZ
e
JOSÉ GASTON HILGERT
.
Cada palavra dessa dissertação é um
agradecimento pelo amor, carinho, dedicação,
preocupação, confiança, educação e tantos
outros gestos por vocês realizados durante
todos os dias de minha vida.
Obrigado, em especial, pelo seu
sacrifício e apoio incondicional que
possibilitaram minha formação acadêmica e
criaram condições para a realização desse
curso.
5
AGRADECIMENTOS
“O mestre que caminha à sombra do templo,
entre os discípulos, não reparte da sua sabedoria,
mas antes da sua fé e do seu amor.
Se for verdadeiramente sábio,
não vos convidará a entrar na casa da sabedoria,
mas levar-vos-á aos umbrais do vosso próprio espírito.
O astrônomo pode falar-vos da sua compreensão do espaço,
mas não pode dar-vos a sua compreensão.
O músico pode cantar para vós a melodia que enche todo o espaço,
mas não pode dar-vos o ouvido que aprende o ritmo
nem a voz que lhe devolve o eco.
E o que é versado na ciência dos números,
pode falar nas relações dos pesos e medidas,
mas não pode levar-vos até lá.
Porque a visão de um homem
não pode emprestar as suas asas
a outro homem.”
Gibran Khalil Gibran
Aos meus professores orientadores,...
Prof. Dr.
SYLVIO MONTEIRO JUNIOR
, que com sua amizade, calma,
otimismo e imensurável conhecimento guiou meus passos nos últimos dois
anos. A integralidade de suas atitudes como professor (e amigo) é um exemplo
a ser seguido;
Prof. Dr.
LUIZ NARCISO BARATIERI
, pelo constante incentivo e
confiança depositada. Sua capacidade de estimular a “realização de sonhos”
emana garra, vontade e entusiasmo, despertando pessoas muito melhores na
essência de cada um de seus alunos.
...obrigado pelo estímulo ao estudo, ao trabalho, ao amor pela profissão
e à valorização da amizade e do respeito. Com certeza os ensinamentos
provindos do convívio dos últimos anos vão muito além do âmbito da
Dentística.
6
Ao Prof. Dr.
ÉLITO ARAÚJO
pela sua competência na docência, pelo
exemplo de organização, pela amizade e incentivo.
Ao Prof. Dr.
LUIZ CLÓVIS CARDOSO VIEIRA
pelos ensinamentos e pelo
seu constante jeito brincalhão e bem-humorado de ser.
Ao Prof. Dr.
MAURO AMARAL CALDEIRA DE ANDRADA
por sua
competência e eficiência profissional e administrativa, pelas inúmeras conversas
e pela imensa hospitalidade nas recepções em sua casa para a sopa de tatuíra
e as deliciosas tainhadas.
Ao Prof. Dr.
GUILHERME CARPENA LOPES
pela grande amizade, pela
parceria nas partidas de tênis, pelo incentivo à pesquisa, pelas palavras de
estímulo e por todos os ensinamentos.
Ao Prof. Dr.
ÉDSON MEDEIROS DE ARAÚJO JR.
pelo convívio amistoso,
pelos auxílios e dicas clínicas e pela amizade.
Ao Prof. Dr.
GILBERTO MÜLLER ARCARI
pelas aulas de fotografia, pelas
inúmeras conversas sobre adesão e pelo ótimo convívio.
Aos Profs. C
CÉZAR ALVES DE ANDRADE, JOÃO ROBERTO STANFORD
LINS, CLÉO NUNES DE SOUSA e LUIS ANTÔNIO MIGUEL
pelo convívio
durante o estágio docência.
Aos Profs. A
ANTÔNIO CARLOS CARDOSO, JOSÉ CLÁUDIO DE MELO
FILHO, VINÍCIUS ZENDRON, SAULO GERALDELLI, JORGE PERDIGÃO, PAULO
KANO
e demais professores que ministraram aulas durante esse curso de
Mestrado.
Ao P
Programa de Pós-Graduação em Odontologia da UFSC.
7
À A
ANA FRANDALOZO
, secretária do Programa de Pós-Graduação em
Odontologia da UFSC, pela presteza apresentada.
Aos funcionários M
MARILÉA DE SOUZA, TALITA CALDEIRA DE SENA e
RICHARD WASHINGTON SILVA
pelo empenho, bom humor e competência na
execução de seu trabalho.
Aos operadores no Microscópio Eletrônico de Varredura, R
RAFAEL e
MISLEINE
pela competência de seu auxílio técnico.
Aos amigos do curso de Doutorado em Dentística I
ISANA, PAULA,
RENATA, MARY, CLÁUDIA, LIZETTE, FABIANO MARSON, FABIANO ARAÚJO,
LUIS, SAULO, NAUDY e
RGIO
pela ótima convivência no ambiente da
“salinha” e fora dele, pela amizade e pela troca de conhecimentos.
Aos colegas do curso de Mestrado, meus grandes amigos F
FLÁVIA,
MÔNICA, JUSSARA, KAZUZA, TIAGO, GUSTAVO, LUIS, FERNANDO e
LESSANDRO
pela companhia no dia-a-dia dos últimos dois anos, pela amizade,
pelo auxílio e pelas inesquecíveis lembranças dessa época de nossas vidas.
Aos demais amigos envolvidos no curso Pós-Graduação em
Odontologia: F
FÁBIO, BEATRIZ, KARIN, MEIRE, MIRIAM, CÉSAR, EDUARDO,
ALINE, CLEIDE, MÁRCIA, LAURO, FABIANE, JOÃO ADOLFO e outros
pelo
coleguismo nas disciplinas de domínio conexo e pela ótima convivência nos
encontros quase diários pelos corredores e laboratórios da UFSC.
Ao grande amigo D
DANILO TEIXEIRA
pela amizade, pela confiança e pela
tranqüilidade transmitida.
A todos meus amigos da época de graduação, em especial ao D
DANIEL,
GLAUTON, VINÍCIUS GRAFF, VINÍCIUS POSSAMAI, LUCIANO, MARCELO,
8
NELSON, AUGUSTO, LIZANDRA, DANIELE, RAFAELA, CAMILE,
ALESSANDRA e tantos outros
pelo apoio, torcida e contínua amizade.
Aos professores S
SIMONE BEATRIZ ALBERTON DA SILVA, ÁLVARO
DELLA BONA, ZAR AUGUSTO GARBIN, JOSÉ ROBERTO VANNI, CARLOS
ALBERTO KOCHENBORGER, ARMANDO JOÃO ANTONIO, MARISA DAL ZOT
FLORES e outros
pelo incentivo à iniciação científica, amizade e exemplo de
competência docente e profissional.
Aos amigos a
alunos do curso de graduação da UFSC
, pelo excelente
convívio durante o estágio docência.
À C
CARLA MIRANDA
pelo carinho, pelo companheirismo, pelo apoio e
compreensão nos momentos estressantes e pelo imenso auxílio em algumas
das etapas laboratoriais dessa pesquisa.
A todos meus T
TIOS, TIAS, PRIMOS E PRIMAS
.
À minha avó N
NIRLEY LITTLE KNAPP
e aos meus saudosos avós A
AMÁLIA
CATARINA DEWES HILGERT, PEDRO LINO HILGERT e JACOB AUGUSTO
KNAPP
, pela simplicidade, pelos exemplos de vida e por todo carinho.
À M
MARIANA CRISTINE HILGERT,
minha irmã, pela companhia, pela
compreensão e pela amizade e carinho no dia-a-dia.
AD
DEUS
, pelo dom da vida.
A todos que, de alguma forma, colaboraram para a concretização desse
sonho.
9
10
HILGERT, Leandro Augusto.
Adesão à Dentina:
influência da oclusão tubular e
da desproteinização. 2006. Dissertação (Mestrado em Odontologia – opção:
Dentística) – Programa de Pós-Graduação em Odontologia, Universidade
Federal de Santa Catarina, Florianópolis.
RESUMO
O objetivo deste estudo in vitro foi avaliar a influência da oclusão tubular e da
desproteinização dentinária na adesão entre dentina e resina composta. As
metodologias utilizadas foram: análise em microscopia eletrônica de varredura
(MEV) das superfícies dentinárias tratadas, antes da aplicação do sistema
adesivo; teste de resistência de união à microtração; análise em MEV das
interfaces resina-dentina formadas; teste de microinfiltração marginal. Os
protocolos adesivos utilizados em todas as metodologias diferiram-se entre
grupos de acordo com o tratamento após o condicionamento com ácido
fosfórico 32% por 15 seg, lavagem e remoção de excessos de umidade (L/RU).
Assim, os grupos testados e seus respectivos protocolos adesivos foram: AO –
aplicação do sistema adesivo One Step Plus (OSP, Bisco); AHO – aplicação de
solução de hipoclorito de sódio (HS) por 1 min, L/RU, seguida do OSP; ABO –
utilização de BisBlock (BB, Bisco) por 30 seg, L/RU, seguida do OSP; ABHO,
aplicação de BB por 30 seg, L/RU, HS por 1 min, L/RU e aplicação do sistema
adesivo OSP. A resina composta AElite All-purpose Body (Bisco) foi utilizada
nas restaurações. A análise das superfícies tratadas em MEV revelou a remoção
do colágeno promovida pelo HS e a obliteração subsuperficial dos túbulos
dentinários promovida pelo BB. Os resultados do teste de resistência de união
demonstraram valores estatisticamente superiores para o grupo AHO em
relação aos grupos AO e ABO. O grupo ABHO foi estatisticamente similar aos
demais grupos. A análise em MEV das interfaces resina-dentina revelou a
ausência de camada híbrida nos grupos tratados com HS, e os curtos
prolongamentos resinosos associados à aplicação de BB. O teste de
microinfiltração demonstrou menor infiltração no grupo AHO do que no grupo
AO. Os grupos ABO e ABHO foram estatisticamente similares aos demais
grupos. Conclui-se que a técnica da oclusão tubular não afeta a resistência de
união, nem a microinfiltração quando comparada ao protocolo tradicional. A
desproteinização, quando não associada à oclusão tubular, pode aumentar a
resistência de união e reduzir a microinfiltração.
Palavras-chave: dentina; adesivos dentinários; hipoclorito de sódio; ácido
oxálico.
11
HILGERT, Leandro Augusto.
Dentin adhesion:
influence of tubular occlusion
and deproteinization. 2006. Dissertation (Master of Science in Dentistry –
Operative Dentistry) – Programa de Pós-Graduação em Odontologia,
Universidade Federal de Santa Catarina, Florianópolis.
ABSTRACT
The aim of this in vitro study was evaluating the influence of tubular occlusion
and dentin deproteinization on the adhesion between dentin and composite.
Used methodologies were: analysis with scanning electron microscope (SEM) of
treated dentin surfaces, before adhesive system application; microtensile bond
strength test; analysis with SEM of resin-dentin interfaces; marginal
microleakage test. Adhesive protocols used in all methodologies were different
between groups according to treatments performed after etching with 32%
phosphoric acid for 15 sec, rinsing and removal of the excessive humidity
(R/RH). Thus, groups tested and its respective adhesive protocols were: AO –
application of One Step Plus adhesive system (OSP, Bisco); AHO – application
of sodium hypochlorite solution (SH) for 1 min, R/RH, followed by OSP; ABO –
use of Bisblock (BB, Bisco) for 30 sec, R/RH, followed by OSP; ABHO –
application of BB for 30 sec, R/RH, use of SH for 1 min, R/RH, followed by OSP
adhesive system. AElite All-purpose Body composite (Bisco) was used in all
restorations. SEM analysis of treated surfaces revealed removal of collagen
promoted by SH and subsuperficial tubular obliteration promoted by BB. Bond
strength test results showed statistically higher values for AHO group, when
compared to AO and ABO groups. ABHO group was statistically similar to the
other groups. SEM analysis of resin-dentin interfaces revealed absence of
hybrid layer in the SH-treated groups and short resin tags associated to BB
application. Microleakage test showed reduced leakage for AHO group when
compared to AO group. ABO and ABHO groups were not statistically different
from the other groups. It is concluded that tubular occlusion technique does
not affect bond strength, neither microleakage, when compared to the
traditional protocol. Deproteinization, when not associated to tubular occlusion,
increases bond strength values and reduces microleakage.
Keywords: dentin; dentin-bonding agents; sodium hypochlorite; oxalic acid.
12
SUMÁRIO
1 INTRODUÇÃO.........................................................................................................14
2 FUNDAMENTAÇÃO TEÓRICA..............................................................................18
2.1 ADESÃO À DENTINA......................................................................................19
2.2 DESPROTEINIZAÇÃO......................................................................................24
2.3 OCLUSÃO TUBULAR .......................................................................................27
3 PROPOSIÇÃO .........................................................................................................31
4 MATERIAL E MÉTODOS ........................................................................................33
4.1 OBTENÇÃO, SELEÇÃO, ARMAZENAMENTO E PREPARO INICIAL DOS
DENTES...................................................................................................................34
4.2 ANÁLISE MICROSCÓPICA DA DENTINA SUPERFICIAL TRATADA...........36
4.3 RESISTÊNCIA DE UNIÃO PELO TESTE DE MICROTRAÇÃO......................41
4.4 ANÁLISE MICROSCÓPICA DAS INTERFACES RESINA-DENTINA.............47
4.5 MICROINFILTRAÇÃO MARGINAL .................................................................48
5 RESULTADOS..........................................................................................................54
5.1 ANÁLISE MICROSCÓPICA DA DENTINA SUPERFICIAL TRATADA...........55
5.1.2 DENTINA CONDICIONADA COM ÁCIDO FOSFÓRICO 32%.............56
5.1.3 DENTINA CONDICIONADA E TRATADA COM HIPOCLORITO
DE SÓDIO 10%...................................................................................................58
5.1.4 DENTINA CONDICIONADA E TRATADA COM BISBLOCK.................59
5.1.5 DENTINA CONDICIONADA E TRATADA COM BISBLOCK E
HIPOCLORITO DE SÓDIO 10% ........................................................................61
5.2 RESISTÊNCIA DE UNIÃO PELO TESTE DE MICROTRAÇÃO......................63
5.2.1 RESULTADOS EM MPa DA RESISTÊNCIA DE UNIÃO PELO
TESTE DE MICROTRAÇÃO...............................................................................63
5.2.2 ANÁLISE DOS PADRÕES DE FRATURA DOS CORPOS-DE-
PROVA SUBMETIDOS AO TESTE DE RESISTÊNCIA DE UNIÃO À
MICROTRAÇÃO .................................................................................................66
5.3 ANÁLISE MICROSCÓPICA DAS INTERFACES RESINA-DENTINA.............71
5.3.1 GRUPO AO ................................................................................................71
13
5.3.2 GRUPO AHO..............................................................................................73
5.3.3 GRUPO ABO..............................................................................................74
5.3.4 GRUPO ABHO ...........................................................................................75
5.4 MICROINFILTRAÇÃO MARGINAL .................................................................77
6 DISCUSSÃO.............................................................................................................79
7 CONCLUSÕES ........................................................................................................88
REFERÊNCIAS ............................................................................................................90
ANEXOS......................................................................................................................96
ANEXO A ................................................................................................................96
14
15
1 INTRODUÇÃO
A utilização de procedimentos adesivos está consolidada na
odontologia atual, sendo protocolo indispensável à realização de uma ampla
gama de procedimentos preventivos e restauradores.
Os substratos dentais, esmalte e dentina, diferem quanto a sua
composição, morfologia e, conseqüentemente, em relação à sua interação com
os sistemas adesivos.
A estrutura altamente mineralizada do esmalte, após tratamento com
substâncias ácidas adequadas, transforma-se em uma superfície microporosa
devido à dissolução de cristais de hidroxiapatita. Essa superfície tem, então,
alta energia de superfície e permite uma boa interação com o sistema adesivo
que penetra nas microporosidades, sendo lá polimerizado, formando
prolongamentos de resina. A união esmalte-resina é considerada clinicamente
confiável.
Por outro lado, a dentina é um substrato dinâmico e complexo. Ela, ao
contrário do esmalte, apresenta alto conteúdo orgânico e é essencialmente
úmida. A dentina apresenta uma estrutura tubular que varia de acordo com a
profundidade. Os túbulos dentinários são preenchidos pelo fluido intratubular
que está em direta relação com os prolongamentos odontoblásticos e com a
periferia do tecido pulpar. Na técnica adesiva que se utiliza do
condicionamento ácido total, a dentina é tratada com um ácido que remove a
lama dentinária resultante do preparo cavitário, desmineraliza a dentina
superficial, expondo uma rede de fibrilas colágenas e desoblitera a
16
embocadura dos túbulos dentinários. O sistema adesivo é, então, aplicado
sobre a dentina ácido-condicionada e úmida, com o intuito de preencher os
espaços resultantes do ataque ácido e obliterar os túbulos dentinários abertos,
promovendo assim uma camada intimamente unida à dentina e uma superfície
adequada para receber o material restaurador.
Entretanto existem dificuldades na obtenção de uma boa adesão ao
substrato dentinário. Entre alguns dos possíveis problemas podem ser citados:
- a incompleta infiltração do sistema adesivo na zona de dentina
desmineralizada;
- a degradação do colágeno exposto;
- o selamento não-efetivo da totalidade dos túbulos dentinários;
- uma inadequada polimerização do adesivo;
- a permeabilidade de alguns sistemas adesivos;
- a degradação do adesivo;
- a difusão de monômeros resinosos, supostamente citotóxicos, em direção à
polpa, via túbulos dentinários.
A remoção do colágeno exposto pelo condicionamento ácido,
procedimento também conhecido por desproteinização da dentina
condicionada, removeria da lista de problemas acima a degradação do
colágeno e a incompleta infiltração do sistema adesivo na dentina
desmineralizada. Além disso, a remoção da matéria orgânica poderia aumentar
a energia livre de superfície da dentina condicionada, facilitando seu
molhamento pelo sistema adesivo.
17
A oclusão dos túbulos dentinários, prévia à aplicação do sistema
adesivo, por sua vez, poderia resultar em um selamento tubular que reduziria o
fluxo de fluido dentinário em direção à superfície adesiva. Isso poderia permitir
um melhor controle da umidade, fazendo com que a polimerização do adesivo
se processasse de maneira mais eficiente. Um adesivo com maior conversão
polimérica e com reduzido contato com o fluido dentinário intratubular seria
menos permeável e menos sujeito à degradação hidrolítica.
Dessa forma, a resolução teórica de alguns problemas do procedimento
adesivo ao substrato dentinário na técnica do condicionamento ácido total,
pela utilização de oclusores tubulares e desproteinizantes, justificam o
desenvolvimento deste estudo junto à linha de pesquisa “Análise das
propriedades físicas, químicas, biológicas e estéticas de materiais”, constante
do Edital do Programa de Pós-Graduação em Odontologia da Universidade
Federal de Santa Catarina.
18
19
2 FUNDAMENTAÇÃO TEÓRICA
2.1 ADESÃO À DENTINA
A adesão à dentina atualmente pode estar baseada em três abordagens
distintas: adesivos com condicionamento ácido e lavagem, adesivos
autocondicionantes e ionômeros de vidro (VAN MEERBBEK et al., 2003).
A abordagem que utiliza o condicionamento ácido e a lavagem
anteriormente à aplicação do sistema adesivo está baseada nos conceitos de
condicionamento ácido total (FUSAYAMA, 1979) e na formação de uma camada
híbrida como a descrita por Nakabayashi; Kojima; Mashuara (1982).
O preparo cavitário da dentina promove uma camada superficial de
detritos orgânicos e inorgânicos que reflete a composição da dentina em que é
formada, sendo denominada de lama dentinária ou smear layer (Eick et al.,
1970). Na técnica do condicionamento ácido total, essa lama dentinária é
removida pelo ácido aplicado que também desoblitera os túbulos dentinários e
desmineraliza a hidroxiapatita superficial, expondo uma zona de fibras
colágenas. Essa região é idealmente infiltrada pela resina do adesivo que lá é
polimerizada, formando uma camada híbrida de estrutura dentinária
desmineralizada (trama de fibras colágenas) e adesivo (NAKABAYASHI;
KOJIMA; MASHUARA, 1982). Se essa camada híbrida fosse completamente
infiltrada por resina, ela seria composta por um volume de aproximadamente
30% de fibras colágenas e 70% de resina (MARSHALL, 1993).
Para uma adequada infiltração da dentina e formação da camada
híbrida, é necessário que o adesivo aplicado seja capaz de molhar
20
adequadamente a superfície dentinária condicionada. Entretanto, Attal;
Asmussen; Degrange (1994) demonstraram que a maioria dos agentes
condicionadores de dentina reduzia sua energia de superfície, dificultando seu
molhamento, provavelmente pela exposição de maior concentração de
colágeno. Assim, ficou provada a necessidade de primers, com baixa tensão
superficial (ATTAL; ASMUSSEN; DEGRANGE, 1994), capazes de molhar a
dentina condicionada. Primers são geralmente compostos por moléculas
ambifílicas, com um extremo com afinidade à superfície dentinária (hidrofílico) e
o outro com afinidade às resinas dos adesivos (hidrofóbico) (EICK et al., 1997).
Seria possível, então, aplicar uma resina fluida (adesivo) que penetraria nos
espaços interfibrilares e nos túbulos dentinários e copolimerizaria com o
primer, dando resistência estrutural à camada híbrida (PERDIGÃO; RITTER,
2001). Monômeros hidrofílicos e hidrofóbicos podem se apresentar em um
único frasco (sistemas simplificados), dissolvidos em solventes orgânicos,
fazendo os papéis de primer e adesivo, porém exigindo mais de uma camada
de aplicação (PERDIGÃO; RITTER, 2001).
No entanto, algumas dificuldades existem para a formação de uma
camada híbrida ideal. Após o condicionamento, a dentina é lavada, e a rede de
fibras colágenas expostas pela desmineralização superficial é suspensa pela
existência de água em seu interior. Se a dentina condicionada for seca, as fibras
colágenas irão colapsar, e a infiltração do sistema adesivo será prejudicada
(NAKABAYASHI; PASHLEY, 1998). Por isso, para a obtenção de bons
resultados, recomenda-se que a união à dentina condicionada seja realizada
com ela úmida (KANCA III, 1992). Entretanto, a água presente no interior da
21
rede de fibras colágenas precisa ser volatilizada durante a aplicação do sistema
adesivo, permitindo que os monômeros infiltrem, sem com isso colapsar o
colágeno. A volatilização da água é realizada pelos solventes orgânicos
(NAKABAYASHI; PASHLEY, 1998).
Entretanto, por muitas vezes, nem toda a água residual no interior da
trama colágena é volatilizada, o que é prejudicial, uma vez que a polimerização
do adesivo é influenciada negativamente pela presença de água (JACOBSEN;
SODERHÖLM, 1995). Para aumentar esse efeito negativo, ainda existe a
umidade provinda do fluido dentinário, já que a remoção da lama dentinária
aumenta a permeabilidade tubular, problema esse ainda mais severo em
dentina profunda, onde o lúmen dos túbulos, seu número e, por conseqüência,
a umidade são maiores (EICK et al., 1997).
Sano et al. (1999) acreditam que uma polimerização inadequada do
sistema adesivo ao redor das fibras colágenas faz com que ele seja em parte
dissolvido com o passar do tempo. Além disso, a sorção de água e
conseqüente degradação da matriz polimérica da resina estão altamente
relacionadas ao seu grau de hidrofilicidade (TAY et al., 2005a). Quanto mais
hidrofílico um adesivo, o que vem ocorrendo nos sistemas mais simplificados
(TAY; PASHLEY, 2003), maior é sua capacidade de absorver água e mais
acelerado é o seu processo de degradação (LOGUERCIO et al., 2005). A
utilização de monômeros hidrofílicos nos sistemas adesivos, principalmente nos
simplificados, também faz com que esses se apresentem como membranas
permeáveis ao fluxo de água (TAY et al., 2002; TAY et al., 2003a). Tal
permeabilidade está inversamente relacionada ao grau de conversão dos
22
sistemas adesivos (CADENARO et al., 2005). A utilização do condicionamento
ácido também aumenta a permeabilidade dos adesivos, quando comparada à
abordagem adesiva com sistemas autocondicionantes que mantêm a lama
dentinária na embocadura dos túbulos (plugues dentinários ou smear plugs)
(HASHIMOTO et al., 2004).
Dessa forma, a degradação do componente resinoso da camada híbrida,
seja devido à presença de água no momento de sua polimerização, seja devido
à hidrofilicidade de seus componentes, pode comprometer o desempenho
clínico e a durabilidade da união resina/dentina (LOGUERCIO; REIS, 2005.)
Além disso, a formação de uma camada híbrida parte da premissa de que o
adesivo tenha infiltrado na trama de colágeno exposto pela desmineralização
da hidroxiapatita superficial. No entanto, tal fenômeno não parece ocorrer de
forma ideal. Trabalhos apontam que a infiltração dos monômeros dos sistemas
adesivos na trama colágena é incompleta (HASHIMOTO et al., 2002; WANG;
SPENCER, 2003), mesmo com a utilização da técnica de adesão úmida.
Seja pela infiltração incompleta do adesivo, seja por sua degradação
hidrolítica, ocorrerá exposição da rede colágena. Acredita-se que esse
colágeno seja então degradado, ao longo do tempo, mesmo na ausência de
contato com saliva ou bactérias. O mecanismo de degradação do colágeno
seria pela ação de enzimas matriz metaloproteinases (MMPs) derivadas do
próprio tecido dentinário (PASHLEY et al., 2004; TAY; PASHLEY, 2004) e que
apresentam atividade colagenolítica.
Se o sucesso clínico do procedimento adesivo depende de sua
durabilidade, é de suma importância entender o mecanismo de degradação da
23
união resina/dentina. Sano (2006), em um recente artigo, elucida os “caminhos
da degradação”. O primeiro passo consistiria na aplicação do ácido e na
exposição da matriz fibrilar de colágeno. Ocorrem, então, os problemas de
pobre infiltração e inadequada polimerização dos sistemas adesivos. A resina
dos adesivos é hidrolisada, deixando uma quantidade ainda maior de colágeno
descoberto. Atuam então as enzimas MMPs, que acabam por realizar a
depleção das fibras colágenas. Tem-se assim a destruição dos componentes da
camada híbrida: adesivo e colágeno. O mesmo autor afirma que, para evitar
essa biodegradação da união resina/dentina, uma completa penetração na
trama colágena e uma ótima polimerização do adesivo são fatores essenciais.
24
2.2 DESPROTEINIZAÇÃO
Como já foi relatado, no tópico anterior dessa fundamentação teórica, a
exposição da trama colágena é resultante do condicionamento ácido da
dentina. A presença desse colágeno requer que a aplicação dos sistemas
adesivos seja realizada com a dentina úmida, uma vez que sua secagem
promoveria o colapso das fibras colágenas, impedindo a infiltração do adesivo.
Mesmo na técnica de adesão à dentina úmida, muitas vezes o adesivo não
penetra em toda extensão da dentina desmineralizada, e o colágeno exposto
fica sujeito à degradação.
Gwinnett (1994) questionou a importância do colágeno na adesão à
dentina, na medida em que seus resultados demonstraram não existirem
diferenças na resistência de união entre dentina condicionada e dentina
condicionada e desproteinizada. Bons resultados com a técnica de
desproteinização também foram encontrados por Wakabayashi et al. (1994),
que, além de demonstrarem com microscopia eletrônica de varredura a
remoção do colágeno com a aplicação de hipoclorito de sódio 10% por 60
segundos, especularam que tal procedimento pudesse realmente melhorar a
união resina/dentina.
Logo, entretanto, começaram a ser publicados trabalhos divergentes.
Desde o trabalho de Uno; Finger (1995), que desencorajaram o uso da
desproteinização por esse procedimento reduzir a adaptação marginal das
25
restaurações, muitos outros trabalhos foram publicados tratando dessa técnica,
porém com resultados que geram controvérsias até hoje.
Perdigão et al. (1999) demonstram que o condicionamento e
desproteinização da dentina a transformam em uma superfície porosa com
múltiplas irregularidades, o que poderia levar a um aumento de sua retenção
micromecânica. A remoção do colágeno parece também aumentar a
molhabilidade da superfície dentinária (TOLEDANO et al.,1999), o que
permitiria um melhor contato com o sistema adesivo.
Diversos trabalhos apontam que a resistência de união à dentina, após
procedimentos de condicionamento ácido e desproteinização, é adesivo-
dependente, ou seja, de acordo com o sistema adesivo utilizado, a remoção do
colágeno pode ser benéfica ou não (VARGAS; COBB; ARMSTRONG, 1997; INAI
et al., 1998; PRATI; CHERSONI; PASHLEY, 1999; PIOCH et al., 1999; SABOIA;
RODRIGUES; PIMENTA, 2000; SOUZA et al., 2004; CORNIATI; RODRIGUES;
TORRES, 2004; ARIAS; CASTRO; PIMENTA, 2004). Algumas pesquisas
demonstram apenas vantagens da desproteinização em relação aos valores de
resistência de união (PHRUKKANON et al., 2000; TOLEDANO et al., 2002),
enquanto outras relatam apenas decréscimos desses valores
(FRANKENBERGER et al., 2000; PERDIGÃO et al., 2000; OSORIO et al., 2002;
UCEDA-GOMEZ et al., 2003; MAGAGNIN, 2005).
Em relação à microinfiltração, existem publicações que atestam existir
uma redução da microinfiltração após a desproteinização, em especial para
sistemas adesivos com solvente acetona (SABOIA; PIMENTA; AMBROSANO,
2002; MONTES et al., 2003; MAIOR et al., 2004).
26
Divergências também ocorrem nos resultados dos testes de
microinfiltração, uma vez que Shinohara et al. (2004) encontraram maior
infiltração com o uso da técnica de desproteinização, mesmo para sistemas
adesivos com solvente acetona. Uma das hipóteses levantadas para explicar
resultados adversos da técnica da remoção do colágeno pode estar
relacionada à ação oxidativa do hipoclorito de sódio, que liberaria oxigênio,
capaz de interferir negativamente na adesão (YIU et al., 2002).
Uno; Finger (1995) também sugerem que a camada híbrida agiria
positivamente, devido ao seu menor módulo de Young, na dissipação de
estresses entre dentina e resina composta. Esses autores acreditam que a
adaptação precária das restaurações realizadas com a técnica da remoção do
colágeno se deve a uma transição muito abrupta entre resina e dentina na
interface sem camada híbrida. Trabalhos de pesquisa com envolvimento de
ciclagem térmica comprovaram resultados ruins pra a técnica da
desproteinização após o desafio mecânico (SANTOS et al., 2002; YAMAZAKI;
PEREIRA; CASTRO, 2004).
Talvez um dos únicos pontos de consenso na literatura, apresentado em
inúmeras discussões e conclusões, seja a necessidade de mais estudos nessa
área, com ênfase na influência da remoção do colágeno na durabilidade da
interface adesiva. Teoricamente, a desproteinização poderia expor uma
camada mineralizada, rica em hidroxiapatita, sendo assim, mais estável
(GWINNETT, 1994; WAKABAYASHI et al., 1994; VARGAS; COBB;
ARMSTRONG, 1997; INAI et al.,1998).
27
2.3 OCLUSÃO TUBULAR
Dessensibilizantes a base de oxalatos consistem de baixas
concentrações de ácido oxálico (PASHLEY, 1986). Ele reage com íons cálcio,
formando cristais de oxalato de cálcio (GILLAM, 2001). Assim, os oxalatos
geram interesse, pois têm a capacidade de reduzir a condutância hidráulica da
dentina em casos de túbulos expostos (GREENHILL; PASHLEY, 1981). Tal ação
dificulta o fluxo de líquidos no interior dos túbulos (PASHLEY; ANDRINGA;
EICHMILLER, 1991), o que acaba por reduzir a sensibilidade do paciente, uma
vez que esta está baseada na movimentação do fluido dentinário no interior
dos túbulos, movimentação que provocaria a excitação de mecanoreceptores
nervosos na polpa, podendo levar à sensibilidade dolorosa (BRÄNSTROM;
ÄSTROM, 1972).
A aplicação de oxalatos sobre a superfície dentinária, coberta por lama
dentinária, não é compatível com posterior utilização de sistemas adesivos,
uma vez que trabalhos demonstram que a resistência de união obtida é muito
inferior (PASHLEY; TAO; PASHLEY, 1993; TAY et al., 2003b). Isso decorre da
camada de cristais de oxalato de cálcio formada previamente ao
condicionamento ácido, o que prejudica o tratamento da dentina e a infiltração
do sistema adesivo.
Contudo, se a superfície dentinária tem os minerais removidos de sua
superfície, como ocorre no processo de condicionamento ácido, antes da
aplicação do oxalato, este acaba por se difundir através da zona de dentina
desmineralizada até encontrar cálcio. A reação com cálcio, formando os cristais
28
de oxalato de cálcio, ocorre, dessa maneira, na subsuperfície dentinária, o que
não interfere na infiltração dos sistemas adesivos (PASHLEY et al, 2001). Assim,
a utilização desse tipo de dessensibilizante, após a aplicação do ácido e antes
do sistema adesivo, não altera a resistência de união de resinas compostas à
dentina (PASHLEY et al., 2001; TAY et al., 2003b; HILGERT et al., 2004; YIU et al.,
2005). Além disso, a dentina condicionada e tratada por oxalato é
aproximadamente 80% menos permeável do que aquela apenas condicionada
(PASHLEY et al., 2001).
Tay et al. (2003b) e Yiu et al (2005) mostram, através de microscopia
eletrônica de transmissão de amostras sujeitas ao contato com nitrato de prata,
que a utilização dos dessensibilizantes de oxalato na dentina condicionada,
seguida da aplicação de adesivos compatíveis, reduz muito a presença de
nanoinfiltração na interface adesiva. Yiu et al. (2005) mostram, entretanto, que
sistemas adesivos com pH baixo e que contêm flúor não são compatíveis com a
técnica de oclusão tubular por meio de cristais de oxalato de cálcio. Eles
especulam que a acidez dos sistemas adesivos é capaz de solubilizar os cristais
de oxalato de cálcio, disponibilizando cálcio na superfície dentinária. Esse
cálcio reagiria com o flúor, formando cristais de fluoreto de cálcio, o que
acabaria por prejudicar a união dentina/resina. Observada por microscopia
eletrônica de varredura, a utilização desses sistemas adesivos julgados
incompatíveis promove uma redução no tamanho e na quantidade de cristais
de oxalato de cálcio que obliteram os túbulos. A observação do mesmo caso,
por microscopia eletrônica de transmissão, demonstra uma nanoinfiltração
muito mais intensa do que nos espécimes que utilizaram adesivos compatíveis
29
(não tão ácidos e sem conteúdo de flúor). Wang; Yin; Suh (2005) também
relatam casos de incompatibilidade, considerando acidez, presença de flúor,
monômeros fosfatados e conteúdo de carga inorgânica dos adesivos como
prováveis causas.
Como possíveis benefícios da obliteração tubular dentinária
subsuperficial acima descrita, Tay et al. (2003b) citam: a redução da condutância
hidráulica dentinária, que poderia reduzir a movimentação do fluido dentinário
que ocorre durante o procedimento adesivo baseado na técnica do
condicionamento ácido da dentina; a proteção da polpa dental, já que a
oclusão tubular poderia dificultar a difusão de monômeros potencialmente
citotóxicos, via túbulos dentinários, em direção à polpa. Chersoni et al. (2005)
demonstraram, in vivo, que a ação dos oxalatos, na técnica ora relatada,
diminui a permeabilidade de adesivos simplificados.
A utilização dos cristais de oxalato de cálcio na oclusão tubular pode ser
uma alternativa encontrada para satisfazer uma das visionárias sugestões de
Eick et al. (1997), que, numa extensa revisão sobre adesão à dentina,
especularam que a obtenção de uma melhor união ao substrato dentinário
poderia ser atingida através do bloqueio do lúmen dos túbulos dentinários,
previamente à adesão. Dessa forma, a redução da permeabilidade dentinária
poderia diminuir a diluição dos componentes dos adesivos no fluido provindo
dos túbulos. Isso poderia acarretar uma maior conversão no processo de
polimerização dos agentes de união, que parece ser negativamente
influenciado pela presença de água (JACOBSEN; SODERHÖLM, 1995;
HASHIMOTO et al., 2002), principalmente em dentina profunda. Uma melhor
30
polimerização dos adesivos evitaria, em alguma extensão, a hidrólise dos
componentes resinosos da interface adesiva (SANO et al., 1999).
31
32
3 PROPOSIÇÃO
Este estudo in vitro tem como objetivos avaliar a influência da
desproteinização da superfície dentinária condicionada, da oclusão dos túbulos
dentinários e da combinação dessas técnicas, na adesão à dentina, com a
utilização das seguintes metodologias:
a) análise microscópica (MEV) da dentina superficial tratada;
b) resistência de união pelo teste de microtração;
c) análise microscópica (MEV) das interfaces resina-dentina formadas;
d) microinfiltração marginal.
33
34
4 MATERIAL E MÉTODOS
4.1 OBTENÇÃO, SELEÇÃO, ARMAZENAMENTO E PREPARO
INICIAL DOS DENTES
Para a execução da presente pesquisa foram utilizados 21 terceiros
molares humanos, obtidos por doação através de termo de consentimento livre
e esclarecido (anexo A) e aprovação do projeto pelo Comitê de Ética em
Pesquisa com Seres Humanos, da Universidade Federal de Santa Catarina
(projeto nº 223/05).
Os dentes doados, extraídos por motivos alheios à pesquisa, foram
analisados para excluir a possibilidade de presença de trincas, fraturas,
anomalias de desenvolvimento e/ou lesões de cárie. Os dentes foram, então,
limpos e armazenados, individualmente e sob a devida identificação, em
solução aquosa de timol 0,5% (Dermus Farmácia de Manipulação, Florianópolis,
SC, Brasil), em temperatura de 4ºC, por período não superior a 60 dias até o
início dos procedimentos laboratoriais da pesquisa.
O preparo inicial de todos os dentes constituiu-se de uma secção
perpendicular ao seu longo eixo, realizada na altura do limite amelo-
cementário, por um disco diamantado dupla face (Buehler, Lake Bluff, IL, EUA)
montado em um máquina de cortes ISOMET 1000 (Buehler, Lake Bluff, IL, EUA).
Dessa maneira, após esse preparo inicial, dispunha-se de 21 partes coronais e
21 partes radiculares, que foram distribuídas da seguinte maneira:
- 5 partes coronais para a análise microscópica da dentina superficial tratada;
- 16 partes coronais para o teste de resistência de união à microtração;
35
- 20 partes radiculares para o teste de microinfiltração;
- 1 parte radicular não foi utilizada no estudo e foi eliminada, de maneira
apropriada, como resíduo biológico.
Após o preparo inicial, os dentes passaram a ser armazenados em soro
fisiológico, a uma temperatura de 37ºC, condição de armazenamento esta que
continuou sendo utilizada durante a execução da fase laboratorial da pesquisa,
com o objetivo de simular o ambiente úmido e a temperatura da cavidade
bucal.
36
*Páginas 37 e 38: Figura 1 – Fluxograma esquemático da preparação dos espécimes
para a análise microscópica da dentina superficial tratada
4.2 ANÁLISE MICROSCÓPICA DA DENTINA SUPERFICIAL
TRATADA
Um fluxograma esquemático da preparação dos espécimes para a
análise microscópica da dentina superficial tratada é demonstrado na Figura 1
(págs. 37 e 38*).
Cinco partes coronais foram utilizadas para esta análise. A face não
oclusal, correspondente à secção do preparo inicial foi desgastada e
planificada com a utilização de lixas de óxido de alumínio de granulação #180
(Norton Abrasivos, Guarulhos, SP, Brasil), montadas em politriz (Panambra
Struers DP-10, Panambra, São Paulo, Brasil). Essas partes coronais foram, então,
novamente montadas na máquina ISOMET 1000 e mais uma vez seccionadas,
1,5 mm distante da superfície planificada em direção à face oclusal. Como
resultado dessa secção foi obtido um disco. A face do disco recém cortada
recebeu, sobre uma linha imaginária que dividia o disco em duas metades, um
desgaste de aproximadamente 0,75 mm de profundidade, com o intuito de
promover uma zona de fragilidade que, posteriormente, iria colaborar na
fratura do disco, permitindo, assim, a obtenção de imagens em um eixo de
visão paralelo à superfície tratada. A face desse disco que havia sido
previamente desgastada pelas lixas abrasivas foi submetida aos seguintes
tratamentos dentinários :
a) nenhum tratamento, formando o grupo pré-tratamento, com o objetivo
de visualizar a superfície dentinária recoberta pelos detritos produzidos pelo
preparo (lama dentinária);
39
b) condicionamento com ácido fosfórico 32% (Uni-Etch, Bisco, Schaumburg,
IL, EUA), por período igual a 15 segundos, seguido de lavagem com spray
ar/água por igual quantidade de tempo;
c) condicionamento ácido como descrito no tratamento b, lavagem com
spray ar/água por 15 segundos e remoção do excesso de umidade com papel
absorvente. Foi então aplicada uma solução de hipoclorito de sódio 10%
(Dermus Farmácia de Manipulação, Florianópolis, SC, Brasil), com auxílio de um
microaplicador descartável (Cavibrush, FGM Produtos Odontológicos, Joinville,
SC, Brasil), por 1 minuto. A cada 20 segundos, uma nova camada de hipoclorito
de sódio era aplicada, resultando num total de 3 aplicações. O microaplicador
descartável mantinha o produto aplicado sob constante agitação. A superfície
foi, então, novamente lavada com spray ar/água por 15 segundos;
d) condicionamento ácido, lavagem e remoção dos excessos de umidade
como foi previamente descrito (tratamentos b e c). Foi aplicado o
dessensibilizante a base de oxalato BisBlock (Bisco, Schaumburg, IL, EUA) por
30 segundos. Após esse período, a superfície tratada foi lavada com spray
ar/água por 15 segundos;
e) condicionamento ácido, lavagem, remoção dos excessos de umidade,
aplicação de Bisblock e lavagem (conforme descrito no tratamento d). Foi
removido o excesso de umidade com papel absorvente e aplicada a solução de
hipoclorito de sódio por 1 minuto, com duas trocas, sob constante agitação
promovida com o microaplicador descartável. A superfície tratada foi então
lavada com spray ar/água por 15 segundos.
40
Todos os discos foram, após o tratamento de sua superfície,
imediatamente imersos em um fixador composto de 2,5% de glutaraldeído
tamponado com 0,2mol/litro de cacodilato de sódio, durante 12 horas, a 4ºC.
Após esse período, as amostras foram lavadas por uma solução tampão de
0,2mol/litro de cacodilato de sódio, durante 1 hora, com duas trocas (3
períodos de 20 min). Foram então brevemente lavadas com água deionizada e
desidratadas em soluções ascendentes de álcool etílico (25% - 15 min, 50% - 15
min, 75% - 15 min, 95% - 30 min, 100% - 1 hora). Finalmente, os discos foram
imersos em HMDS por 10 min e deixados secar (PERDIGÃO; LOPES, 2004).
Os discos, então, foram fraturados na linha de fragilização realizada,
resultando em dois meio-discos para cada tratamento. Cada um dos meio-
discos foi montado em um porta-amostra com fita de carbono e prata coloidal.
Para cada tratamento, um dos meio-discos foi montado com a superfície
tratada voltada para cima, e outro com a superfície fraturada. Todas as
amostras foram recobertas por ouro/paládio (SCD 005, Bal-Tec, Balzers,
Liechtenstein) e observadas em um microscópio eletrônico de varredura (Philips
XL-30, Philips Eletric Corporation, Eindhoven, Holanda).
41
*Páginas 42 e 43: Figura 2 – Fluxograma esquemático do teste de resistência de união à
microtração
4.3 RESISTÊNCIA DE UNIÃO PELO TESTE DE MICROTRAÇÃO
Um fluxograma esquemático do teste de microtração é demonstrado na
Figura 2 (págs. 42 e 43*).
As 16 partes coronais foram desgastadas e planificadas com uma lixa de
oxido de alumínio de granulação #180 (Norton Abrasivos, Guarulhos, SP, Brasil)
até que as projeções dos cornos pulpares fossem eliminadas, padronizando,
assim, a profundidade da dentina na altura do ponto mais oclusal dos cornos
pulpares (dentina profunda). A utilização da granulação #180, além de
desgastar e planificar a superfície, teve como objetivo criar uma lama dentinária
com relevância clínica (KOIBUCHI; YASUDA; NAKABAYASHI, 2001).
A utilização das partes coronais para o teste de microtração foge do
protocolo convencional, entretanto, esse acesso “apical” foi demonstrado por
Uceda-Gómez et al. (2003) não diferir dos valores de resistência de união à
microtração em relação ao acesso “oclusal”. Além disso, a profundidade
dentinária (dentina profunda) é mais fácil de ser reproduzida e padronizada
pelo acesso “apical” ora utilizado.
As dezesseis partes coronais foram divididas aleatoriamente em 4
grupos: AO, AHO, ABO e ABHO e receberam os tratamentos adesivos e
restauradores com os materiais constantes da tabela 1, seguindo os protocolos
da tabela 2.
44
Tabela 1 Materiais utilizados nos procedimentos adesivos e
restauradores
Material Fabricante Composição Lote / Validade
Uni-etch Bisco 32% H
3
PO
4
0500000242 /
2007-11
Bisblock Bisco ácido oxálico
0400006169 /
2006-6
Hipoclorito de
Sódio 10%
Dermus Farmácia
de Manipulação
solução aquosa de NaOCl
10%
- / 2005-12
One Step Plus Bisco
bisfenil dimetacrilato,
hidroxietil metacrilato,
acetona, vidro dental
0400007949 /
2006-7
AElite All-
purpose Body
Bisco
bisfenol-A etoxilado,
dimetacrilato, trietilenoglicol
dimetacrilato, carga vítrea,
sílica amorfa
0500000368 /
2007-12
Tabela 2 Procedimentos adesivos e restauradores utilizados no teste de
resistência de união à microtração
Grupo Procedimentos adesivos e restauradores utilizados
AO a, b, c, f, g, h, i
AHO a, b, c, e, b, c, f, g, h, i
ABO a, b, c, d, b, c, f, g, h, i
ABHO a, b, c, d, b, c, e, b, c, f, g, h, i
Legenda
a
- aplicação de ácido fosfórico 32% por 15 seg; b
b
- lavagem com spray ar/água por 15
seg; c
c
- remoção do excesso de umidade com papel absorvente; d
d
- aplicação de
BisBlock por 30 seg; e
e
- aplicação de NaOCl por 1 min (3 x 20 seg); f
f
-aplicação ativa
por 15 seg. de 2 camadas do sistema adesivo One Step Plus;
g
– leve jato de ar; h
h
fotopolimerização por 10 seg;
i
– restauração com 4 camadas de 1mm de resina
composta AElite All-purpose Body, sendo cada camada fotopolimerizada por 40 seg
(650mW/cm
2
).
As partes coronais, com os devidos procedimentos adesivos e
restauradores executados, foram armazenadas em soro fisiológico por 24 horas,
em temperatura de 37ºC. Foram, então, individualmente presas com adesivo a
45
base de cianocrilato (Super Bonder Gel, Henkel Loctite Adesivos Ltda., Itapevi,
SP, Brasil) em um suporte acrílico e seccionadas longitudinalmente com um
disco diamantado dupla face (Buehler, Lake Bluff, IL, EUA), montado em uma
máquina de cortes ISOMET 1000 (Buehler, Lake Bluff, IL, EUA). O disco tinha
diâmetro de 102 mm e espessura de 0,3 mm e foi utilizado em velocidade de
250 rpm sob refrigeração com água.
Foram realizadas inicialmente de 5 a 6 secções no eixo x, resultando em
4 a 5 “fatias” por dente. Uma fatia de cada espécime foi removida para análise
microscópica da interface resina-dentina. Os espécimes foram seccionados,
então, no eixo y, formando palitos (corpos-de-prova) com área de secção
transversal de aproximadamente 0,8mm
2
.
A área de secção transversal de cada corpo-de-prova foi aferida com
paquímetro digital (modelo 727, Starrett, Itu, SP, Brasil), com uma precisão de
décimos de milímetro. Alguns palitos apresentaram comprimento da porção
dentinária menor que 1,5 mm e, devido à dificuldade de sua manipulação e
fixação, foram eliminados do teste.
Os palitos foram fixados em dispositivos de Geraldelli com adesivo de
cianocrilato (Super Bonder Gel, Henkel Loctite Adesivos Ltda., Itapevi, SP,
Brasil). Os dispostivos de Geraldelli foram, então, adaptados na máquina de
ensaios universal Instron 4444 (Instron Corp., Canton, MA, EUA). A máquina
exerceu força de tração com velocidade de travessa de 0,5 mm/min. A carga
necessária para a fratura de cada corpo-de-prova foi registrada em Newtons e
dividida pela área de secção transversal do palito em mm
2
, para que o
resultado final se apresentasse em MPa.
46
A maioria dos corpos-de-prova fraturou, a olho nu, na interface adesiva
ou nas suas proximidades. Aqueles que fraturaram visivelmente em dentina ou
em resina composta, distante da interface adesiva, foram eliminados do
estudo, uma vez que não representam uma real mensuração da resistência
adesiva (GORACCI, 2004; ARCARI, 2005).
Todos os corpos-de-prova com fraturas na interface adesiva ou nas suas
proximidades foram analisados em um microscópio estereoscópio (Carl Zeiss,
Oberkochen, Alemanha) com aumento de 25X, para determinar seu modo de
fratura, classificado em: tipo A - fratura coesiva na dentina; tipo B – fratura na
interface adesiva; tipo C - fratura coesiva na resina composta; tipo D - fratura
mista, ou seja, fratura na interface adesiva com algum envolvimento coesivo de
dentina e/ou resina composta.
Alguns corpos-de-prova representativos dos padrões de fratura foram
recobertos por ouro-paládio (SCD 005, Bal-Tec, Balzers, Liechtenstein) e
observados em um microscópio eletrônico de varredura (Philips XL-30, Philips
Eletric Corporation, Eindhoven, Holanda) para uma análise em maior aumento.
47
4.4 ANÁLISE MICROSCÓPICA DAS INTERFACES RESINA-
DENTINA
Uma “fatia” de cada espécime, obtida pela primeira orientação de
secções do preparo para o teste de microtração, foi utilizada para esta análise.
Elas receberam o seguinte preparo: fixação em solução de glutaraldeído
a 2,5% tamponado com 0,2 mol/litro de cacodilato de sódio, durante 12 horas,
a 4°C; lavagem em 0,2 mol/litro de tampão de cacodilato de sódio durante 1
hora, com duas trocas da solução; lavagem com água deionizada; desidratação
em concentrações ascendentes de álcool etílico (25%, 50%, 75% por 15 minutos
cada um, 95% por 30 minutos e 100% por 60 minutos); imersão em HMDS
(Hexametildisilazano) durante 10 minutos; embutimento em resina epóxica;
armazenamento, por 24 horas, em estufa; pré-polimento das “fatias”
embutidas, com lixas de óxido de alumínio e carbureto de silício de granulação
decrescente (#200, #400, #600 e #1200), por 30 segundos cada lixa; polimento
com pastas de alumina de 1 e 0,5 m, por 1 e 5 minutos, respectivamente;
banho de ultra-som em álcool etílico, durante 5 minutos; imersão em 6 mol/litro
de HCl, durante 30 segundos; lavagem com água deionizada; imersão em
solução de NaOCl a 2%, durante 10 minutos; lavagem em água deionizada;
secagem e recobrimento com ouro/paládio (PERDIGÃO; LOPES, 2004).
As observações foram realizadas em um microscópio eletrônico de
varredura Philips XL-30 (Philips Eletric Corporation, Eindhoven, Holanda).
48
* Páginas 49 e 50: Figura 3 – Fluxograma esquemático do teste de microinfiltração.
4.5 MICROINFILTRAÇÃO MARGINAL
Um fluxograma esquemático do teste de microtração é demonstrado na
Figura 3 (págs. 49 e 50*).
Vinte partes radiculares foram utilizadas nesta parte do estudo. Elas
receberam, no centro de suas faces proximais, o preparo de cavidades classe V,
com margens superior e inferior em dentina. As cavidades tinham 2mm no
sentido apico-oclusal, 3mm no sentido vestíbulo-lingual/palatal e 1,5mm de
profundidade. Os preparos foram realizados com brocas 330 (KG Sorensen,
Barueri, SP, Brasil), renovadas a cada 5 preparos. Dessa forma, foram
preparadas 40 cavidades, aleatoriamente distribuídas em 4 grupos, que
receberam os tratamentos adesivos e restauradores da tabela 3.
Tabela 3 Procedimentos adesivos e restauradores utilizados no teste de
microinfiltração.
Grupo Procedimentos adesivos e restauradores utilizados
AO a, b, c, f, g, h, i
AHO a, b, c, e, b, c, f, g, h, i
ABO a, b, c, d, b, c, f, g, h, i
ABHO a, b, c, d, b, c, e, b, c, f, g, h, i
Legenda
a
- aplicação de ácido fosfórico 32% por 15 seg; b
b
- lavagem com spray ar/água por 15
seg; c
c
- remoção do excesso de umidade com papel absorvente; d
d
- aplicação de
BisBlock por 30 seg; e
e
- aplicação de NaOCl por 1 min (3 x 20 seg); f
f
-aplicação ativa
por 15 seg. de 2 camadas do sistema adesivo One Step Plus;
g
– leve jato de ar; h
h
fotopolimerização por 10 seg;
i
– restauração com incremento único de resina
composta AElite All-purpose Body, fotopolimerizado por 40 seg (650mW/cm
2
).
51
As partes radiculares com as restaurações foram armazenadas em soro
fisiológico, em temperatura de 37ºC, por 24 horas. Após esse período, foi
realizado o acabamento das restaurações com discos Sof-lex (3M ESPE, St.
Paul, MN, EUA) utilizados em seqüência decrescente de granulação.
Os espécimes foram então impermeabilizados com Araldite (Ciba-Geigy
SA, Taboão da Serra, SP, Brasil) e com esmalte para unhas. Apenas uma faixa
de aproximadamente 2 mm ao redor das restaurações não foi
impermeabilizada. Foi realizada, então, a ciclagem térmica dos espécimes em
máquina termocicladora (Ética, modelo 521-E, Ética Equipamentos Científicos
S/A, cidade, etado, Brasil). A ciclagem consistiu de 500 ciclos de banhos
alternados de 5 e 55ºC, com tempo de imersão em cada banho de 30 seg.
Após a termociclagem os espécimes foram imersos em uma solução de
nitrato de prata 50%, com pH neutralizado por amoníaco, durante 8 horas
(Dermus Farmácia de Manipulação, Florianópolis, SC, Brasil). Após o contato
com o traçador químico, os espécimes foram lavados em água corrente por 1
min, secos com papel absorvente e duplamente seccionados com um disco
diamantado dupla face (Buehler, Lake Bluff, IL, EUA), montado em uma
máquina de cortes ISOMET 1000 (Buehler, Lake Bluff, IL, EUA). Os cortes foram
realizados perpendicularmente às superfícies das restaurações. A fatia
seccionada, bem como os remanescentes vestibular e lingual/palatal de cada
espécime foram imersos em solução fotoreveladora pura (Eastman Kodak,
Rochester, NY, EUA), sob luz fluorescente, por 16 horas (ODA, 2004).
52
Dessa forma, para cada cavidade restaurada existiam quatro superfícies
passíveis de avaliação, para determinar a microinfiltração marginal. Como todas
as margens eram em dentina, havia 8 margens por cavidade restaurada.
Todas as secções foram fotografadas com máquina fotográfica digital
Nikon D70 com lente Sigma 105mm e flash Nikon SB29S, em resolução de 3000
por 2000 pixels. Para focar a atenção dos avaliadores nas cavidades
restauradas, as estruturas adjacentes foram cobertas por uma máscara preta.
Pelo mesmo motivo, as fotografias foram cortadas digitalmente em forma
quadrada, em uma resolução de 1000 por 1000 pixels. Um exemplo de imagem
avaliada está na figura 4.
Figura 4 – Exemplo de imagem avaliada no teste de microinfiltração.
Dois avaliadores foram solicitados a identificar, para cada cavidade, a
margem com o maior índice de infiltração e classificá-la em um escore de 0 a 3,
sendo:
53
Escore 0 – nenhuma infiltração;
Escore 1 – infiltração até metade da profundidade da restauração;
Escore 2 – infiltração além da metade da profundidade da restauração, porém
sem atingir a parede axial;
Escore 3 – infiltração invadindo a parede axial ou além desse ponto.
Nos casos de divergência entre os dois avaliadores, a esses foi solicitada
a obtenção de um consenso.
54
55
5 RESULTADOS
5.1 ANÁLISE MICROSCÓPICA DA DENTINA SUPERFICIAL
TRATADA
Fotomicrografias representativas dos padrões de superfície e
subsuperfície dentinária, obtidos previamente e após os tratamentos propostos
nos grupos AO, AHO, ABO e ABHO, podem ser observadas nas figuras 5 a 14.
5.1.1 DENTINA PRÉ-TRATAMENTO
A observação da micromorfologia da superfície dentinária, após a
planificação com lixas de óxido de alumínio #180, demonstra a formação de
uma camada de lama dentinária e a obliteração dos túbulos dentinários,
conforme vem ilustrado nas figuras 5 e 6.
Figura 5 – Fotomicrografia da dentina pré-tratamento. Nesta vista de dentina fraturada
é possível observar a existência de uma camada de lama dentinária (smear layer) e a
56
obliteração dos túbulos dentinários por esse produto da planificação superficial da
amostra (smear plugs).
Figura 6 – Fotomicrografia da dentina pré-tratamento. A camada de lama dentinária e
a obliteração dos túbulos dentinários por ela também é claramente observada nesta
vista da superfície planificada.
5.1.2 DENTINA CONDICIONADA COM ÁCIDO FOSFÓRICO 32%
O condicionamento ácido da dentina com ácido fosfórico a 32%, por um
período de 15 segundos, remove a lama dentinária, desoblitera a embocadura
dos túbulos dentinários e desmineraliza a dentina superficial, expondo uma
trama de fibrilas colágenas, conforme vem ilustrado nas figuras 7 e 8.
57
Figura 7 – Fotomicrografia da dentina condicionada com ácido fosfórico por 15
segundos. O condicionamento desmineraliza a superfície da dentina
, expondo uma
rica trama de fibrilas colágenas. Quando comparada à figura 5
, é possível observar
claramente a desobliteração da embocadura dos túbulos dentinários pela remoção da
lama dentinária.
Figura 8 - Fotomicrografia da dentina condicionada com ácido fosfórico por 15
segundos. A rica trama colágena resultante da desmineralização superficial bem como
a remoção da lama dentinária pode ser observada.
58
5.1.3 DENTINA CONDICIONADA E TRATADA COM HIPOCLORITO DE
SÓDIO 10%
A aplicação de uma solução de hipoclorito de sódio a 10%, pelo período
de 1 minuto, parece remover as fibras colágenas da superfície dentinária
desmineralizada pelo condicionamento ácido. Essa inferência pode ser
realizada pela comparação das figuras 9 e 10 com as figuras 7 e 8.
Figura 9 – Fotomicrografia de dentina condicionada e tratada com NaOCl 10%. É
possível observar o desaparecimento das fibras colágenas quando comparada essa
imagem com a figura 7.
59
Figura 10 – Fotomicrografia de dentina condicionada e tratada com NaOCl 10%. Não é
mais possível observar a característica trama de fibras colágenas resultante do
condicionamento ácido, como na figura 8.
5.1.4 DENTINA CONDICIONADA E TRATADA COM BISBLOCK
A aplicação de BisBlock por 30 segundos, após o condicionamento
ácido da dentina, promove a formação de cristais de oxalato de cálcio
(PASHLEY et al., 2001) na subsuperfície dentinária, principalmente no interior
dos túbulos dentinários em contato com a dentina peritubular, como pode ser
observado na figura 11. A superfície dentinária continuou coberta por uma
trama de fibras colágenas o que, provavelmente, impediu a observação dos
cristais de oxalato de cálcio em num eixo de visão perpendicular à superfície
tratada na figura 12.
60
Figura 11 – Fotomicrografia da dentina condicionada e tratada com BisBlock. É
possível observar a presença de cristais de oxalato de cálcio na subsuperfície
dentinária, no interior dos túbulos dentinários em contato com a dentina peritubular.
Figura 12 - Fotomicrografia da dentina condicionada e tratada com BisBlock. Não são
observados cristais de oxalato de cálcio nessa imagem com eixo de visão
perpendicular à superfície. Acredita-se que, uma vez que tais cristais se formam na
subsuperfície da dentina, em contato com a dentina não desmineralizada, a trama de
fibras colágenas presente na superfície, produto da desmineralização pelo
condicionamento ácido, não permita sua observação.
61
5.1.5 DENTINA CONDICIONADA E TRATADA COM BISBLOCK E
HIPOCLORITO DE SÓDIO 10%
A combinação dos tratamentos com Bisblock e com hipoclorito de sódio
a 10%, após o condicionamento ácido, promove uma superfície dentinária sem
evidências micromorfológicas da presença de uma rede de fibras colágenas.
Os túbulos dentinários apresentam-se obliterados pela formação de cristais.
Em comparação com a figura 11, é possível notar que os cristais de oxalato de
cálcio encontram-se muito mais próximos da superfície, provavelmente devido
à remoção do colágeno exposto pelo condicionamento ácido.
Quando realizada uma comparação entre figuras 12 e 14, é possível
observar que, na figura 14, os cristais de oxalato de cálcio são facilmente
visualizados, o que não é verdade para a figura 12. Pensa-se que isso também
seja resultado da remoção do colágeno, a qual permite a visualização da
oclusão tubular mesmo em um eixo de visão perpendicular à superfície tratada.
62
Figura 13 – Fotomicrografia da dentina condicionada e tratada com BisBlock e NaOCl
10%. É possível observar os cristais de oxalato de cálcio promovendo a oclusão dos
túbulos dentinários. Não é notada a presença da trama de fibras colágenas, o que
sugere a desproteinização realizada pelo hipoclorito de sódio a 10%.
Figura 14 - Fotomicrografia da dentina condicionada e tratada com BisBlock e NaOCl
10%. São facilmente percebidos os cristais de oxalato de cálcio no interior dos túbulos
dentinários. Sua observação é bastante facilitada pela remoção do colágeno
superficial, o que não foi realizado na preparação da amostra ilustrada na figura 12.
63
5.2 RESISTÊNCIA DE UNIÃO PELO TESTE DE MICROTRAÇÃO
5.2.1 RESULTADOS EM MPa DA RESISTÊNCIA DE UNIÃO PELO TESTE DE
MICROTRAÇÃO
Os resultados do teste de resistência de união pelo teste de microtração
são apresentados nas tabelas 4, 5, 6 e 7. O teste estatístico de análise de
variância de um fator (one-way ANOVA) rejeitou a hipótese de igualdade,
demonstrando a existência de diferença estatisticamente significativa entre os
grupos testados com um valor de p=0,001374 (Tabela 5). Foi conduzido, então,
o teste post hoc de Tukey HSD, que identificou as diferenças estatísticas
existentes entre os grupos (Tabelas 6 e 7). O grupo AHO apresentou resistência
de união estatisticamente semelhante ao grupo ABHO, porém superior aos
grupos AO e ABO. O grupo ABHO foi estatisticamente semelhante aos demais
grupos. Os grupos AO e ABO foram estatisticamente semelhantes entre si e
com grupo ABHO, porém apresentaram reduzida resistência de união quando
comparados ao grupo AHO.
Tabela 4 Estatística descritiva do teste de resistência de união à
microtração. São apresentados os valores de n, média, desvio-
padrão e os intervalos de confiança par um nível de significância
de 95%.
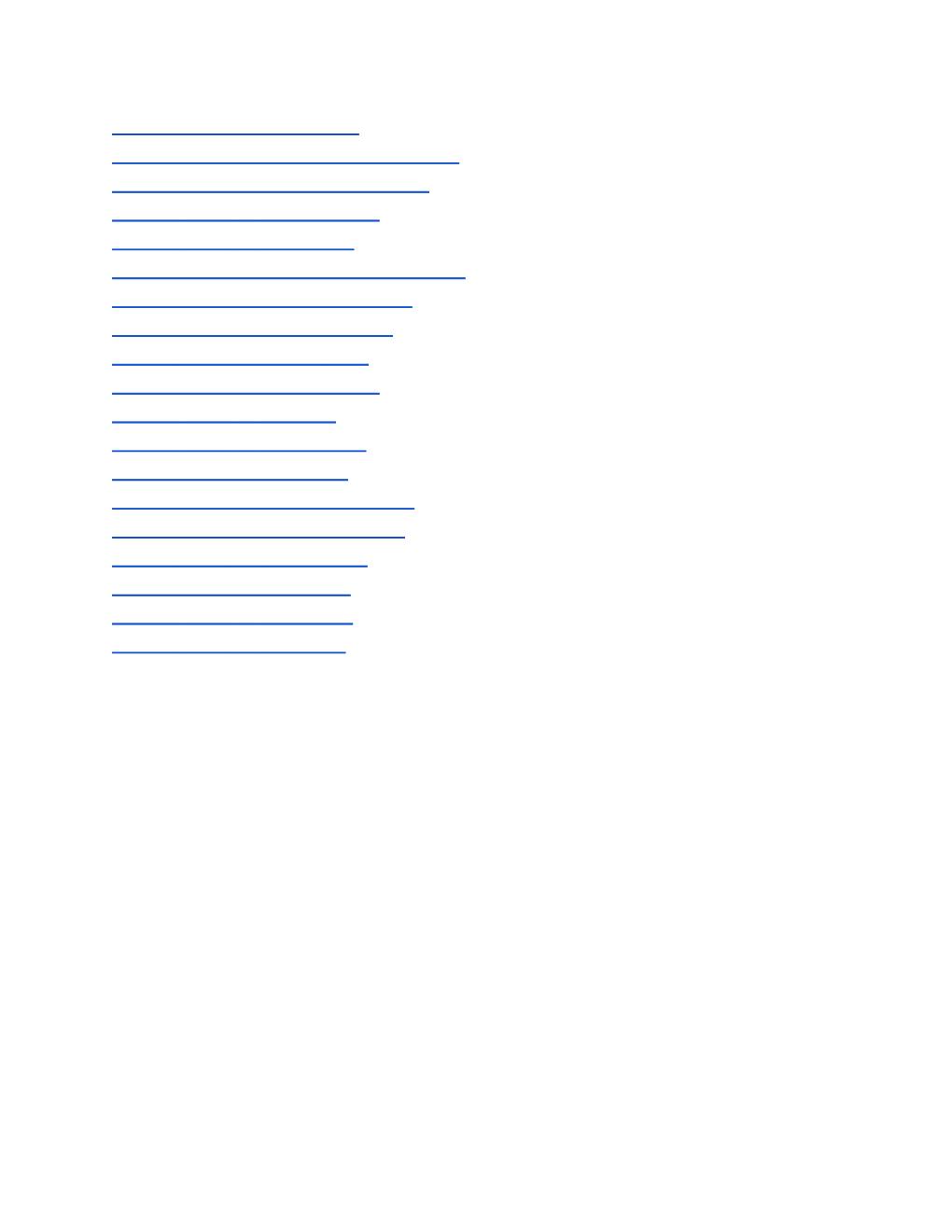
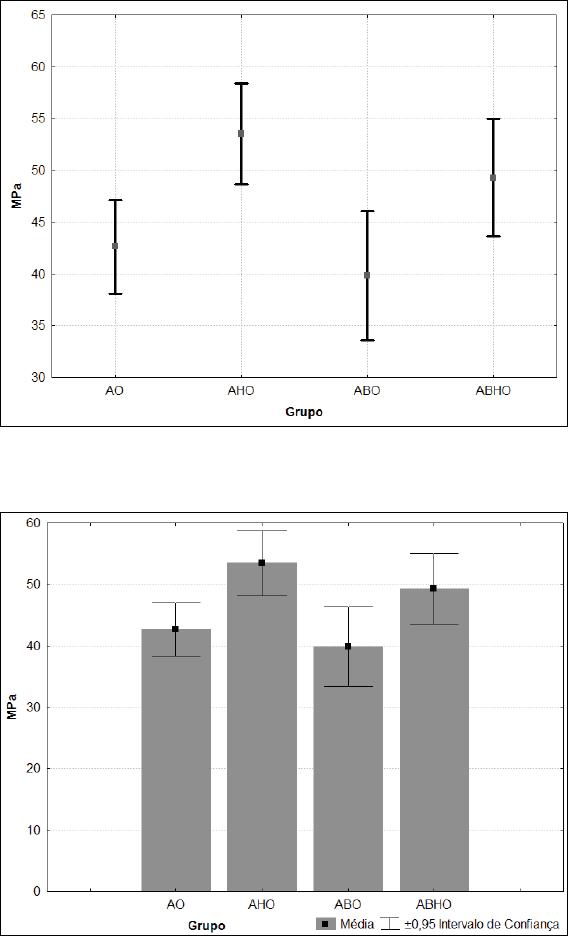
Grupo n Média (MPa) Desvio-Padrão (MPa) MPa -95% MPa +95%
Total 143 46,65044 16,44030 43,93271 49,36818
AO 47 42,61570 14,84657 38,25659 46,97482
AHO 41 53,49971 16,81340 48,19275 58,80668
ABO 25 39,83466 15,82509 33,30238 46,36694
ABHO 30 49,29068 15,38458 43,54598 55,03538
64
Tabela 5 – Resultados do teste estatístico de análise de variância de um fator
(one-way ANOVA).
Fator
Soma dos
Quadrados
Graus de
Liberdade
Quadrado
Médio
F P
Grupo 4059,0 3 1353,0 5,480 0,001374
Tabela 6 – Resultados do teste post hoc de Tukey HSD realizado para
identificar a diferença estatística sugerida pelo teste de ANOVA.
São apresentados os valores de significância entre grupos. Os
valores menores do que 0,05 representam diferença estatística
significante para um nível de confiança de 95%.
Grupo
AO (42,616) AHO (53,500) ABO (39,835) ABHO (49,291)
AO
0,006540
0,891201 0,264846
AHO
0,006540 0,003425
0,680339
ABO 0,891201
0,003425
0,117213
ABHO 0,264846 0,680339 0,117213
Tabela 7 – Resultados do teste post hoc de Tukey HSD. São apresentados os
grupos estatisticamente homogêneos. Letras diferentes
representam diferença estatística significativa para um p<0,05.
Grupo Média
AHO 53,49971 a
ABHO 49,29068 a b
AO 42,61570 b
ABO 39,83466 b
Representações gráficas dos resultados obtidos pelo teste de resistência
de união à microtração são encontradas nas figuras 15 e 16.
65
Figura 15 – Gráfico representando os valores de resistência de união pelo teste de
microtração dos diferentes grupos. O ponto central representa a média em MPa, e as
barras verticais, o intervalo de confiança de 95%.
Figura 16 – Gráfico representativo dos valores de resistência de união à microtração
dos grupos testados.
66
5.2.2 ANÁLISE DOS PADRÕES DE FRATURA DOS CORPOS-DE-PROVA
SUBMETIDOS AO TESTE DE RESISTÊNCIA DE UNIÃO
À MICROTRAÇÃO
A análise dos corpos-de-prova cuja fratura ocorreu nas proximidades da
interface resina-dentina, realizada sob aumento de 25X, em um microscópio
estereoscópio e sob microscopia eletrônica de varredura, com o fim de ilustrar
em maior aumento os padrões de fratura encontrados, revelou um predomínio
de falhas da interface de união (tipo B) e da interface de união com
envolvimento coesivo de dentina e/ou resina composta (tipo D), conforme
demonstra a tabela 8. Não foram encontradas falhas puramente coesivas de
dentina (tipo A) ou de resina composta (tipo C), nas fraturas próximas da
interface adesiva testada.
Os grupos AO e AHO demonstraram um claro predomínio de falhas
exclusivas da interface de união, enquanto os grupos ABO e ABHO
apresentaram um equilíbrio entre fraturas tipo B e D.
Tabela 8 Classificação dos tipos de fraturas dos corpos-de-prova
submetidos ao teste de microtração (A – fratura coesiva em
dentina; B – fratura na interface de união; C – fratura coesiva em
resina composta; D – fratura mista envolvendo a interface
adesiva e componente coesivo de dentina e/ou resina
composta; n - números de corpos-de-prova por grupo).
A B C D N
AO 0 (0,00%) 36 (76,60%) 0 (0,00%) 11 (23,40%) 47 (100,00%)
AHO 0 (0,00%) 30 (73,17%) 0 (0,00%) 11 (26,83%) 41 (100,00)%
ABO 0 (0,00%) 11 (44,00%) 0 (0,00%) 14 (56%) 25 (100,00%)
ABHO 0 (0,00%) 16 (53,33%) 0 (0,00%) 14 (46,67%) 30 (100,00%)
67
Fotomicrografias representativas dos padrões de fraturas encontrados,
obtidas por microscopia eletrônica de varredura, são demonstradas nas figuras
17 a 24.
Figura 17 – Fotomicrografia do topo da porção resinosa de um corpo-de-prova
fraturado. A fratura ficou confinada à interface de união, classificação tipo B. Observe-
se que, em algumas áreas, a fratura ocorreu no topo da camada híbrida (A – adesivo),
enquanto que, em outra áreas, parte da camada híbrida foi “arrancada” pela força de
tração exercida (CH – camada híbrida).
Figura 18 – Fotomicrografia do topo da porção dentinária de um corpo-de-prova
fraturado. A fratura ocorreu na interface adesiva (classificação B) entre adesivo e resina
composta (A – adesivo) e na camada híbrida (CH – camada híbrida).
68
Figura 19 – Fotomicrografia do topo da porção dentinária de um corpo-de-prova
fraturado. A fratura ficou confinada à camada híbrida (CH), classificação B, ocorrendo
no seu topo ou na sua base e interior, dependendo da área analisada.
Figura 20 – Fotomicrografia do topo da porção dentinária de um corpo-de-prova
fraturado. A fratura foi classificada como tipo B, pois ficou confinada à camada híbrida
(CH), ocorrendo no seu topo.
69
Figura 21 – Fotomicrografia do topo da porção resinosa de um corpo-de-prova
fraturado. A fratura ocorreu na interface adesiva, sendo classificada como tipo B.
Apenas uma área de adesivo (A) é observada, pois a fratura ocorreu no topo da
camada híbrida (porção correspondente à figura 20).
Figura 22 – Fotomicrografia do topo da porção resinosa de um corpo-de-prova
fraturado. A fratura ocorreu na interface adesiva (CH – camada híbrida e A – adesivo) e,
coesivamente, em resina composta (RC). Foi classificada como fratura mista (tipo D).
70
Figura 23 – Fotomicrografia do topo da porção dentinária de um corpo-de-prova
fraturado. A fratura ocorreu na interface adesiva (CH – camada híbrida e A – adesivo) e,
coesivamente, em resina composta (RC). A fratura foi classificada como do tipo D.
Figura 24 – Fotomicrografia do topo da porção resinosa de um corpo-de-prova
fraturado. A fratura ocorreu na interface adesiva (CH – camada híbrida e A – adesivo) e,
coesivamente, em resina composta (RC). A classificação recebida foi tipo B. A figura 24
é a porção correspondente do corpo-de-prova ilustrado na figura 23. Neste caso, que
não foi único, essa característica específica de falha foi provavelmente causada pela
presença de bolhas na resina compost
a.
71
5.3 ANÁLISE MICROSCÓPICA DAS INTERFACES RESINA-
DENTINA
Fotomicrografias representativas dos padrões morfológicos da interface
resina-dentina dos grupos AO, AHO, ABO e ABHO são apresentadas nas
figuras 25 a 34.
5.3.1 GRUPO AO
Figura 25 – Fotomicrografia representativa da interface dentina-resina do grupo AO. É
possível observar a formação de numerosos e longos prolongamentos resinosos (resin
tags).
72
Figura 26 - Fotomicrografia representativa da interface dentina-resina do grupo AO.
São percebidos numerosos e longos prolongamentos resinosos.
Figura 27 - Fotomicrografia representativa da interface dentina-resina do grupo AO. É
percebida a presença de uma camada híbrida (zona de dentina desmineralizada
infiltrada por resina).
73
5.3.2 GRUPO AHO
Figura 28 - Fotomicrografia representativa da interface dentina-resina do grupo AHO.
Uma grande quantidade de longos prolongamentos resinosos também é observada
neste grupo.
Figura 29 - Fotomicrografia representativa da interface dentina-resina do grupo AHO.
É possível notar a presença de uma maior quantidade de ramificações laterais nos
prolongamentos resinosos, quando comparado ao grupo AO (Figura 26).
74
Figura 30 - Fotomicrografia representativa da interface dentina-resina do grupo AHO.
Ao contrário do grupo AO (figura 27), não é facilmente observada a presença de uma
camada híbrida.
5.3.3 GRUPO ABO
Figura 31 - Fotomicrografia representativa da interface dentina-resina do grupo ABO.
Não são observados longos prolongamentos resinosos como nos grupos AO e AHO
(figuras 25 a 30), provavelmente devido à obliteração dos túbulos dentinários pelos
cristais de oxalato de cálcio.
75
Figura 32 - Fotomicrografia representativa da interface dentina-resina do grupo ABO.
Com exceção de poucos prolongamentos resinosos mais longos, o padrão
morfológico é de prolongamentos resinosos curtos, evidenciando a obliteração
tubular promovida pela utilização de BisBlock.
5.3.4 GRUPO ABHO
Figura 33 - Fotomicrografia representativa da interface dentina-resina do grupo ABHO.
Prolongamentos resinosos numerosos, porém curtos, são evidenciados.
76
Figura 34 - Fotomicrografia representativa da interface dentina-resina do grupo ABHO.
Em algumas regiões da interface resina-dentina desse grupo, são perceptíveis
prolongamentos resinosos longos, sugerindo que a oclusão tubular não foi efetiva.
Especula-se que isso possa ser conseqüência do efeito desproteinizante do NaOCl
e/ou da ação mecânica de sua aplicação, que poderiam remover alguns dos cristais de
oxalato de cálcio formados.
77
5.4 MICROINFILTRAÇÃO MARGINAL
Os resultados da interpretação por escores do teste de microinfiltração
marginal são apresentados na tabela 9. A mediana encontrada para os grupos
AO, ABO, ABHO foi 3, enquanto que para o grupo AHO foi 2,5.
Tabela 9 – Distribuição dos escores atribuídos por grupo e suas respectivas
medianas.
Grupo /
Escore 0 1 2 3 Mediana
AO 0 0 0 10
3
AHO 0 1 4 5
2,5
ABO 0 0 1 9
3
ABHO 0 0 1 9
3
Tabela 10 – Número de espécimes por grupo e seu respectivo valor de soma
de postos pelo teste de Kruskal-Wallis.
Grupo N Soma dos Postos
AO 10 240,0000
AHO 10 139,0000
ABO 10 220,5000
ABHO 10 220,5000
O teste estatístico de Kruskal-Wallis pela soma de postos (tabela 10)
demonstrou um valor de qui-quadrado=10,18739, e um valor de p=0,0170.
Dessa forma, em um nível de significância de 5%, foi estabelecida a rejeição da
hipótese de igualdade entre os grupos. Para identificar as diferenças entre os
grupos, foram realizados testes de Mann-Whitney U grupo versus grupo. Os
resultados são apresentados na tabela 11. A microinfiltração marginal do grupo
AHO foi estatisticamente menor do que a do grupo AO com p=0,012430,
78
porém estatisticamente semelhante aos grupos ABO e ABHO, ambas
comparações com p=0,053267. Observa-se, entretanto, uma tendência à
rejeição da hipótese de igualdade. Os grupos AO, ABO e ABHO foram
estatisticamente semelhantes entre si.
Tabela 11 Valores de p, segundo teste de Mann-Whitney U, na comparação
grupo versus grupo. Valores de p<0,05 representam diferença
estatisticamente significativa entre grupos.
Grupo AO AHO ABO ABHO
AO
0,012420
0,317311 0,317311
AHO
0,012420
0,053267 0,053267
ABO 0,317311 0,053267 1,000000
ABHO 0,317311 0,053267 1,000000
24,00
13,90
22,05
22,05
0,00
5,00
10,00
15,00
20,00
25,00
AO
AHO
ABO
ABO
Figura 35 – Gráfico representativo das médias dos postos da microinfiltração dos
grupos AO, AHO, ABO e ABHO.
79
80
6 DISCUSSÃO
Os resultados da análise microscópica da superfície dentinária, após os
diferentes tratamentos, demonstraram o relatado pela literatura. O
condicionamento ácido removeu a lama dentinária, abriu a embocadura dos
túbulos e, pela desmineralização superficial da hidroxiapatita, expôs colágeno.
O tratamento com hipoclorito do sódio 10%, por 1 min, parece ter
eficientemente removido o colágeno, embora acreditemos que a microscopia
eletrônica de varredura com o aumento utilizado não seja o protocolo ideal
para determinar a remoção total das fibras colágenas da superfície. Pensamos
que a microscopia eletrônica de transmissão permita melhor visualização.
A aplicação do agente Bisblock pós-condicionamento promoveu a
oclusão tubular subsuperficial, sem alterar a superfície da dentina intertubular.
A associação de condicionamento ácido, oclusão tubular e desproteinização
resultou em uma dentina aparentemente sem fibras colágenas e com túbulos
dentinários bastante obliterados.
O teste de resistência de união à microtração demonstrou valores
estatisticamente superiores para o grupo AHO (condicionamento ácido e
remoção de colágeno), quando comparado aos grupos ABO (condicionamento
ácido e aplicação de BisBlock) e AO (condicionamento ácido). O grupo ABHO
(condicionamento ácido, oclusão dos túbulos dentinários e aplicação de
hipoclorito de sódio 10%) foi estatisticamente similar aos demais grupos. Dessa
forma, a remoção do colágeno permitiu a obtenção de uma maior resistência
adesiva. Tal resultado, uma vez que um sistema adesivo com solvente acetona
81
foi utilizado, é corroborado por inúmeros trabalhos (VARGAS; COBB;
ARMSTRONG, 1997; INAI et al., 1998; PIOCH et al., 1999; PRATI; CHERSONI;
PASHLEY, 1999; SABOIA; RODRIGUES; PIMENTA, 2000; SOUZA et al., 2004).
Os mesmos trabalhos indicam que adesivos que contêm solventes que não a
acetona parecem não responder bem à remoção do colágeno.
Diz respeito ao teste de resistência de união a análise do modo de
fratura dos espécimes. No presente estudo optamos por eliminar os palitos,
cuja fratura se deu distante da interface adesiva, pois acreditamos que os
valores obtidos desses corpos-de-prova não refletem o objetivo do teste de
microtração que é mensurar a resistência interfacial (GORACCI, 2004).
As fraturas mistas, classificadas como tipo D, foram algumas vezes
relacionadas à existência de bolhas ou, com maior freqüência, se apresentaram
nas margens dos palitos. Isso pode ser devido a estresses gerados durante o
preparo dos espécimes. Ferrari et al. (2002) demonstram que corpos-de-prova
preparados para o teste de microtração podem apresentar diversos
microdefeitos, sendo a integridade absoluta dos palitos de resina/dentina
muito difícil de ser obtida. Os mesmo autores sugerem que um método de
analisar a integridade estrutural dos corpos-de-prova, antes de submetê-los à
carga, deva ser desenvolvido.
Nos grupos onde a oclusão tubular com oxalato de cálcio foi realizada
observou-se uma tendência na análise dos padrões de fratura, indicando maior
ocorrência de falhas mistas, se comparados aos grupos AO e AHO. Pode-se
especular que tal observação seja reflexo de uma interface adesiva menos
82
frágil, devido a uma polimerização mais adequada, resultado de uma menor
quantidade de umidade vinda dos túbulos dentinários.
A análise microscópica da interface resina/dentina também demonstrou
características concordantes com o esperado. Os grupos tratados com
BisBlock, devido à oclusão tubular subsuperficial promovida pela deposição
dos cristais de oxalato de cálcio, apresentaram prolongamentos resinosos
curtos. O tratamento da dentina condicionada com NaOCl fez com que uma
camada híbrida distinta não fosse observada, sendo a transição de dentina para
adesivo mais abrupta, devido à remoção do colágeno. A abordagem adesiva
tradicional mostrou a micromorfologia amplamente descrita na literatura com
formação clara de uma zona de interdifusão resina/dentina ou camada híbrida.
Os resultados do teste de microinfiltração marginal demonstraram
reduzida infiltração para o grupo AHO, quando comparado ao grupo AO. Os
grupos ABO e ABHO não apresentaram diferença estatisticamente significativa.
No entanto, o valor de p para os grupos ABO e ABHO em relação ao grupo
AHO foi de 0,053267. Isso demonstra uma alta tendência dos grupos ABO e
ABHO em infiltrarem mais do que o grupo AHO, embora tal afirmação não
possa ser estatisticamente inferida. Tal redução nos índices de microinfilitração,
após condicionamento ácido e desproteinização da dentina, encontra suporte
em algumas pesquisas (SABOIA; PIMENTA; AMBROSANO, 2002; MONTES et
al., 2003; MAIOR et al., 2004).
É interessante ressaltar que o protocolo utilizado nesse estudo, com a
solução de nitrato de prata 50% e revelação em solução fotoreveladora sob luz
fluorescente, foi escolhido por ser aquele que permitiria a melhor visualização
83
da microinfiltração (ODA, 2004). Entretanto, o íon prata revelado, corante
responsável pela marcação da extensão da infiltração, é muito pequeno
(0,059nm) (DOUGLAS; FIELDS; FUNDINGSLAND, 1989), sendo menor do que
uma bactéria e, talvez, assim, o protocolo executado neste trabalho tenha sido
muito crítico e rigoroso para a mensuração de uma infiltração com relevância
clínica. A infiltração do nitrato talvez seja muito maior do que aquela capaz de
causar algum prejuízo à interface dente/restauração in vivo.
A alta capacidade de infiltração do traçador químico utilizado, aliada à
inserção da resina composta em incremento único e fotopolimerização
convencional, sem utilização de técnicas para reduzir os estresses impostos
pela contração de polimerização, podem ser fatores responsáveis pelos altos
índices de microinfiltração encontrados em todos os grupos de nosso estudo.
A utilização de um traçador químico rigoroso e de um protocolo restaurador
que induzisse estresses foi proposital, uma vez que acreditamos que a
prevenção da infiltração nessas condições signifique interfaces ainda melhor
seladas em condições mais favoráveis.
Se consideradas as proposições da presente dissertação, que eram
avaliar a influência da oclusão tubular e da desproteinização na adesão à
dentina, pode-se dizer que a obliteração dos túbulos não exerce influência nos
resultados de resistência de união e de microinfiltração. Já a remoção do
colágeno, quando não associada ao uso do BisBlock, pode alavancar os
resultados de resistência de união e reduzir a infiltração marginal, em uma
comparação com a técnica tradicional. A associação das técnicas (oclusão
84
tubular e desproteinização) parece não interferir nos resultados. É interessante
a discussão dos processos que levam a esses resultados.
Já que a oclusão tubular com os cristais de oxalato de cálcio é
subsuperficial, as diferenças morfológicas na formação da interface adesiva em
relação aos grupos AO e AHO foram marcadas pela formação de
prolongamentos resinosos curtos. Todavia, acredita-se que apenas os primeiros
2 a 3 m dos prolongamentos resinosos exerçam alguma relevância na adesão,
já que essa curta infiltração é suficiente para que a adesão às paredes da
dentina peritubular exceda a força coesiva dos prolongamentos, fazendo que
qualquer comprimento além desse seja desnecessário (PASHLEY et al., 1995).
Esse fenômeno parece ser ainda mais marcante em dentina profunda, onde o
número e o lúmen dos túbulos são maiores, o que significa uma provável maior
importância dos prolongamentos resinosos no processo adesivo.
Porém, se a formação dos cristais de oxalato de cálcio não altera a
adesão, qual seria o benefício da utilização desse passo clínico extra? Pashley
et al. (2001) relatam que a oclusão tubular da dentina condicionada pode
reduzir sua permeabilidade em aproximadamente 80%. Tal redução do fluxo
dentinário poderia permitir a aplicação do sistema adesivo em uma superfície
com umidade mais controlada, levando a uma interface adesiva com menor
incorporação de água e menores índices de nanoinfiltração (TAY et al., 2003b).
Essa seria uma situação análoga àquela onde Tay et al. (2005b) mostraram não
existirem fenômenos de formação de árvores de água (water-treeing), nem
movimentos de fluidos através do adesivo, quando realizada a adesão em
85
dentina com túbulos dentinários ocluídos, só que pela deposição mineral da
esclerose promovida pela atividade de cárie.
Tal benefício poderia resultar em uma melhor conversão de monômeros
em polímeros, o que, segundo especulam alguns autores (MIYAZAKY et al.,
2003; SANO, 2006), geraria benefícios à durabilidade da união. Ainda assim,
provavelmente existiriam monômeros não reagidos, que, pela barreira mineral
na subsuperfície dentinária, teriam maior dificuldade de se difundir em direção
à polpa pelos túbulos dentinários, de forma que o uso do oxalato serviria como
um agente de proteção pulpar (PASHLEY et al., 2001). Uma vez que a
sensibilidade dentinária é creditada à teoria hidrodinâmica da dor
(BRÄNNSTRÖM; ASTRÖM, 1972), a associação da oclusão tubular com cristais
de oxalato de cálcio, mais a utilização parcimoniosa de sistemas adesivos
compatíveis reduziria ainda mais os já baixos índices de sensibilidade pós-
operatória.
Como já foi descrito, na fundamentação teórica, muito controversa é a
literatura sobre os benefícios ou malefícios da remoção do colágeno na adesão
à dentina. Nossos resultados foram positivos para o uso de tal técnica.
Explicações plausíveis para tais resultados podem ser uma ótima interação
entre a superfície mineralizada superficial da dentina e o sistema adesivo, ou
uma pobre infiltração do sistema adesivo na trama colágena existente nos
grupos AO e ABO.
A adesão em dentina condicionada e desmineralizada tem como
princípio as premissas de que o colágeno não exerce papel preponderante na
adesão e sua presença torna o controle de umidade mais crítico , uma vez que
86
existe o risco da desidratação e do colapso da trama colágena. A rede
colágena dificultaria, assim, a infiltração do sistema adesivo em toda a extensão
da desmineralização promovida pelo ácido.
Uma dentina sem colágeno e com possibilidade de ter sua umidade
controlada poderia se aproximar ao tipo de adesão que é estabelecida ao
esmalte, não necessitando os adesivos de tantos monômeros hidrofílicos,
componentes esses que parecem contribuir para a degradação. Entretanto,
isso não é obtido pela simples remoção do colágeno, pois tal passo abre ainda
mais o lúmen dos túbulos dentinários, aumentando também o fluxo do fluido
dentinário. Porém, se a remoção do colágeno estiver associada ao controle
desse fluxo (como a oclusão prévia com os cristais de oxalato de cálcio), talvez
possa ser criado um ambiente menos inóspito à promoção de uma adesão
mais efetiva, com melhor infiltração, polimerização e resistência ao longo prazo.
Talvez uma das maiores deficiências da presente pesquisa seja a análise
da adesão em curto prazo. O teste de microtração foi realizado 24 horas após
os procedimentos adesivos e restauradores, enquanto os espécimes do teste
de microinfiltração foram expostos a apenas 500 ciclos térmicos. Conforme
discutido acima, os verdadeiros benefícios dos tratamentos superficiais
dentinários ora apresentados podem vir a se comprovar somente com a
realização de pesquisas que avaliem a durabilidade da interface resina/dentina.
A técnica da oclusão tubular da dentina condicionada não tem
apresentado resultados na literatura que desencorajem sua utilização. Pelo
contrário, já existem suficientes indícios de que sua utilização traga
consideráveis benefícios na cimentação adesiva, já que reduz a permeabilidade
87
do adesivo (CHERSONI et al., 2005), fator esse ao qual é creditada
responsabilidade por problemas na cimentação adesiva (TAY et al., 2003a).
Embora ainda não existam trabalhos que avaliem a influência da obliteração
tubular na durabilidade de restaurações, acreditamos que essa seja possível
existir e que, provavelmente, seria favorável.
Dessa maneira, uma contínua discussão desse tema será realizada pelo
autor da presente dissertação em trabalhos próximos, uma vez que os
resultados dessa pesquisa criam dúvidas científicas legítimas no que tange o
efeito dos procedimentos testados na durabilidade da adesão.
É possível que uma técnica de adesão à dentina realizada em ambiente
o mais seco possível (talvez pela remoção de colágeno e obliteração de túbulos
dentinários) possa ser conduzida com sistemas adesivos mais hidrofóbicos e
com menor quantidade de solventes, o que permitiria uma melhor
polimerização, reduzida susceptibilidade à degradação hidrolítica, bons níveis
de retenção, selamento marginal e, acima de tudo, sucesso clínico a longo
prazo. Acreditamos que tal hipótese, motivada pela presente dissertação, deva
ser objeto de novos estudos, com o intuito de colaborar para o
desenvolvimento da odontologia adesiva.
88
89
7 CONCLUSÕES
A desproteinização realizada, após o condicionamento ácido, pode
aumentar a resistência de união à dentina e diminuir a microinfiltração marginal
para um sistema adesivo de dois passos, cujo solvente é a acetona, quando
comparada à técnica tradicional.
A oclusão dos túbulos dentinários, após a aplicação do ácido e antes da
utilização do sistema adesivo testado, associada ou não à desproteinização,
não altera os valores de resistência de união à dentina nem a microinfiltração
marginal em relação ao protocolo convencional.
Tais resultados foram obtidos em testes realizados logo após os
procedimentos adesivos. Entretanto, a análise da literatura sugere que as
técnicas de oclusão dos túbulos dentinários e desproteinização utilizadas possa
influenciar positivamente na durabilidade da adesão à dentina, tema este que
necessita novos estudos.
90
REFERÊNCIAS
ARCARI, G. M. A
Avaliação da resistência de união sob teste de microtração de
uma resina composta micro-híbrida à den
tina após tratamento clareador
interno
. 2005. Tese (Doutorado). Programa de Pós-Graduação em Odontologia,
Universidade Federal de Santa Catarina, Florianópolis.
ARIAS, V. G.; CASTRO, A. K. B.; PIMENTA, L. A. Effects of sodium hypochlorite
gel and sodium hypochlorite solution on dentin bond strength. J
J Biomed Mater
Res B Appl Biomater
, v.72, n.2, p.339-44, 2004.
ATTAL, J. P.; ASMUSSEN, G.; DEGRANGE, M. Effects of surface treatment on
the free energy of dentin. D
Dent Mater
, v. 10, p. 259-264, 1994.
BRANNSTROM, M., ASTROM, A. The hydrodynamics of the dentine; its
possible relationship to dentinal pain. I
Intl Dent J
, v. 22, p.219-226, 1972
CADENARO, M. et al. Degree of conversion and permeability of dental
adhesives. E
Eur J Oral Sci
, v. 113, p. 525-530, 2005.
CASTRO, A. K. B. B. et al. Effect of sodium hypochlorite gel on shear bond
strength of one-bottle adhesive systems. B
Braz J Oral Sci
, v. 3, n. 9, p. 465-469,
2004.
CHERSONI, S. In Vivo Reduction of Permeability by oxalate desensitizer. J
J Dent
Res
, v. 84, Spec Iss A [abstract 0508], 2005.
CORNIATI, F. A.; RODRIGUES, J.R.; TORRES, C. R. G. Interação entre os
sistemas adesivos convencionais e autocondicionantes e a dentina
despoteinizada. B
Braz Oral Res
, v.18, Supplement (Proceedings of the 21
st
Annual SBPqO Meeting), p.59, 2004.
DOUGLAS, W. H.; FIELDS, R. P.; FUNDINGSLAND, J. A. A comparison between
the microleakage of direct and indirect composite restorative systems. J
J Dent
Res
, v.17, n.4, p.184-188, 1989.
EICK, J. D. et al. Current concepts on adhesion to dentin. C
Crit Rev Oral Biol
Med
, v. 8, n. 3, p. 306-335, 1997.
EICK, J. D. et al. Scanning electron microscopy of cut tooth surfaces and
identification of debris by use of the electron microscope. J
J Dent Res
, v. 49, p.
1359-1368, 1970.
FERRARI, M. et al. Microtensile bond strength tests: scanning electron
microscopy evaluation of sample integrity before testing. E
Eur J Oral Sci
, v.110,
n.5, p.385-391, 2002.
91
FRANKENBERGER, R. et al. Dentin bond-strength and marginal adaption after
NaOCl treatment. O
Oper Dent
, v.25, n.1, p.40-45, 2000.
FUSAYAMA, T. et al. Non-pressure adhesion of a new adhesive restorative
resin. J
J Dent Res
, v. 58, p. 1364-1370, 1979.
GILLAM D. G. et al. The effects of oxalate-containing products on the exposed
dentin surface: an SEM investigation. J
J Oral Rehabil
, v.28, p.1037-1044.
GORACCI, C. A
A study into the laboratory techniques for interfacial strength
testing of dental materials
. 2004. Tese (PhD). University of Siena, School of
Dental Medicine, Itália.
GREENHILL, J.D.; PASHLEY, D.H. The effects of desensitizing agents on the
hydraulic conductance of human dentin, in vitro. J
J Dent Res
, v.60, p.686-698,
1981.
GWINNETT, A. J. Altered tissue contribution to interfacial bond strength with
acid conditioned dentin. A
Am J Dent
, v. 7, p. 243-246, 1994.
HASHIMOTO, M. et al. Fluid movement across the resin-dentin interface during
and after bonding. J
J Dent Res
, v.83, n.11, p.843-848, 2004.
HASHIMOTO, M. et al. The extent to which resin can infiltrate dentin by
acetone-based adhesives. J
J Dent Res
, v.81, n.1, p.74-78, 2002.
HILGERT, L. A. et al. Resistência de união à dentina de um sistema adesivo
convencional após aplicação de dessensibilizantes dentinários. J
J Bras Clin
Odont Int
, v.8, p. 21-24, 2004.
INAI, N. et al. Adhesion between collagen depleted dentin and dentin
adhesives. J
J Dent
, v.11, n.3, p.123-127, 1998.
JACOBSEN, T.; SODERHÖLM, K-J. Some effects of water on dentin bonding.
Dent Mater
, v. 11, p. 132-136, 1995.
KANCA III, J. Resin bonding to wet substrate. I. Bonding to dentin. Q
Quint Int
, v.
23, n. 1, p.39-41, 1992.
KOIBUCHI, H.; YASUDA, N.; NAKABAYASHI, N. Bonding to dentin with a self-
etching primer: the effects of smear layers. D
Dent Mater
, v.17, p.122-126, 2001
LOGUERCIO, A. D. et al. Influence of specimen size and regional variation on
long-term resin-dentin bond strength. D
Dent Mater
, v.21, p. 224-231, 2005.
92
LOGUERCIO, A. D.; REIS, A. A última palavra sobre adesão à dentina. C
Clínica
Int J Braz Dent
, v.1 , n.4, p. 363-365, 2005.
MAGAGNIN, C. E
Estudo da resistência de união entre dentina e resina
utilizando a técnica dehibridização e de despro
teinização.
2005. Dissertação
(Mestrado) – Programa de Pós-Graduação em Odontologia, Universidade
Luterana do Brasil, Canoas.
MAIOR, J. R. S. Et al. Efeito da remoção do colágeno sobre o selamento
marginal de restaurações adesivas. B
Braz Oral Res
, v.18, Supplement
(Proceedings of the 21
st
Annual SBPqO Meeting), p.104, 2004.
MARSHALL, G. W. Dentin: microstructure and characterization. Q
Quint Int
, v. 24,
p. 606-617, 1993.
MIYAZAKI, M. Determination of residual double bonds in resin-dentin interface
by Raman spectroscopy. D
Dent Mater
, v.19, p.245-251, 2003.
MONTES, M. A. J. R. et al. The effect of collagen removal and the use of a low-
viscosity resin liner on marginal adaptation of resin composite restorations with
margins in dentin. O
Oper Dent
, v. 28, n. 4, p. 378-387, 2003.
NAKABAYASHI N, PASHLEY DH. H
Hybridization of dental hard tissues.
Chicago:
Quintessence; 1998.
NAKABAYASHI, N.; KOJIMA, K.; MASHUARA, E. The promotion of adhesion by
the infiltration of monomers into tooth substrate. J
J Biomed Mater Res
, v.16,
p.265-273, 1982.
ODA, M. C
Comparação entre evidenciadores utilizados para pesquisa da
microinfiltração marginal: estudo in vitr
o. 2004.
Tese (Livre-Docência).
Faculdade de Odontologia da Universidade de São Paulo, São Paulo.
OSORIO, R. Effect of sodium hypochlorite on dentin bonding with a
polyalkenoic acid-conditioning adhesive system. J
J Biomed Mater Res
, v.60, n.2,
p.316-324, 2002.
PASHLEY D.H., ANDRINGA H. J. EICHMILLER, F. Effects of ferric and aluminum
oxalates on dentin permeability. A
Am J Dent
, v.4, p.123-126, 1991.
PASHLEY E. L.; TAO, L.; PASHLEY, D. H. Effects of oxalate on dentin bonding.
Am J Dent
, v.6, p.116-118, 1993.
PASHLEY, D. H. Dentin permeability, dentin sensitivity and treatment through
tubule occlusion. J
J Endod
, v.12, p. 465-474.
93
PASHLEY, D. H. et al. Bond strength versus dentine surface : a modelling
approach. A
Arch Oral Biol
, v.40, p.1109-1118, 1995.
PASHLEY, D. H. et al. Collagen degradation by host-derived enzymes during
aging. J
J Dent Res
, v. 83, n. 3, p. 216-221, 2004.
PASHLEY, D. H. et al. The use of oxalate to reduce dentin permeability under
adhesive restorations. A
Am J Dent
, v. 14, n. 2, p. 89-94, 2001.
PERDIGÃO, J. et al. An ultra-morphological characterization of collagen-
depleted etched dentin. A
Am J Dent
, v.12, n. 5, p. 250-255, 1999.
PERDIGÃO, J. et al. Effect of a sodium hypochlorite gel on dentin bonding.
Dent Mater
, v. 16, p. 311-323, 2000.
PERDIGÃO, J.; RITTER, A. V. Adesão aos tecidos dentários. ln: BARATIERI, L. N.
et al. O
Odontologia Restauradora
: Fundamentos e Possibilidades. São Paulo:
Santos, 2001.
PERDIGÃO, J; LOPES, M. M. P
Processing of biological specimens for SEM and
TEM
. 2004. Apostila. University of Minnesota, School of Dentistry, EUA.
PHRUKKANON, S. et al. The influence of the modification of etched bovine
dentin on bond strengths. D
Dent Mater
, v. 16, p. 255-265, 2000.
PIOCH, T. et al. Interfacial micromorphology and tensile bond strength of
dentin bonding systems after NaOCl treatment. J
J Adhes Dent
, v.1, n.2, p.135-
142, 1999.
PRATI, C.; CHERSONI, S.; PASHLEY, D. H. Effect of removal of surface collagen
fibrils on resin-dentin bonding. D
Dent Mater
, v. 15, p. 323-331, 1999.
SABOIA, V. P. A.; PIMENTA, L. A. F.; AMBROSANO, G. M. B. Effect of collagen
removal on microleakage of resin composite restorations. O
Oper Dent
, v.27, n. 1,
p.38-43, 2002.
SABOIA, V.P.; RODRIGUES, A. L.; PIMENTA, L. A. Effect of collagen removal on
shear bond strength of two single-bottle adhesive systems. O
Oper Dent
, v.25,
n.5, p.395-400, 2000.
SANO, H. et al. Long-term durability of dentin bonds made with a self-etching
primer, in vivo. J
J Dent Res
, v. 78, p. 906-911, 1999.
SANO, H. Microtensile testing, nanoleakage, and biodegradation of resin-
dentin bonds. J
J Dent Res
, v. 85, n. 1, p. 11-14, 2006.
94
SANTOS, P. H. Mechanical cycling influence on the shear bond strength of a
dentin adhesive after collagen removal. J
J Dent Res
, v. 81, Spec Iss A [abstract
2600], 2002.
SHINOHARA, M. S. et al. The effect of sodium hypochlorite on microleakage of
composite resin restorations using three adhesive systems. J
J Adhes Dent
, v. 6,
n. 2, p. 123-127, 2004.
SOUZA, F. B. et al. Remoção do colágeno dentinário: inluência sobre a
resistência à microtração de três sistemas restauradores adesivos. B
Braz Oral
Res
, v.18, Supplement (Proceedings of the 21
st
Annual SBPqO Meeting), p.227,
2004.
TAY, F. R. et al. Factors contributing to the incompatibility between simplified-
step adhesives and self-cured or dual-cured composites. Part II. Single-bottle,
total-etch adhesive. J
J Adhes Dent
, v. 5, p. 91-105, 2003a.
TAY, F. R. et al. Integrating oxalate desensitizers with total-etch two-step
adhesive. J
J Dent Res
, v. 82, n. 9, p. 703-707, 2003b.
TAY, F. R. et al. Single-step adhesives are permeable membranes. J
J Dent
, v. 30,
p. 371-382, 2002.
TAY, F. R. et al. Tubular occlusion prevents water-treeing and through- and-
through fluid movement in a single-bottle, one step self-etch adhesive model.
J
Dent Res
, v. 84, n. 10, p. 891-896, 2005b.
TAY, F. R. et al. Water treeing in simplified dentin adhesives – déjà vu? O
Oper
Dent
, v. 30, n. 5 , p. 561-579, 2005a.
TAY, F. R.; PASHLEY, D. H. Dentin Bonding – Is there a future? J
J Adhes Dent
,
v.6, n.4, p.263, 2004.
TAY, F. R.; PASHLEY, D. H. Have dentin adhesives become too hydrophilic? J
J
Can Dent Ass
, v. 69, n. 11, p. 726-731, 2003.
TOLEDANO, M. et al. Effect of acid etching and collagen removal on dentin
wettability and roughness. J
J Biomed Mater Res
, v. 47, n.2, p.198-203, 1999.
TOLEDANO, M. et al. Influence of NaOCl deproteinization on shear bond
strength in function of dentin depth. A
Am J Dent
, v.15, p.252-5, 2002.
UCEDA-GÓMEZ, N. et al. Effect of sodium hypochlorite on the bond strength
of an adhesive system to superficial and deep dentin. J
J Appl Oral Sci
, v. 11, n. 3,
p. 223-228, 2003.
95
UNO, S.; FINGER, W. J. Function of the hybrid layer zone as a stress-absorbing
layer in resin-dentin bonding. Q
Quint Int
, v.26, p.733-738, 1995.
VAN MEERBEEK, B. et al. Adhesion to enamel and dentin: current status and
future challenges. O
Oper Dent
, v. 28, n. 3, p. 215-235, 2003.
VARGAS, M. A.; COBB, D. S.; ARMSTRONG, S. R. Resin-dentin shear bond
strength and interfacial ultrastructure with and without a hybrid layer. O
Oper
Dent
, v. 22, p. 159-166, 1997.
WAKABAYASHI, Y. et al. Effect of dissolution of collagen on adhesion to dentin.
J Prosthodont
, v. 7, p. 302-306, 1994.
WANG, Y.; SPENCER, P. Hybridization efficiency of the adhesive/dentin
interface with wet bonding. J
J Dent Res
, v. 82, n.2, p.141-145, 2003.
WANG, Y.; YIN, R.; SUH, B.I. Compatibility of Oxalate Desensitizer with Total
Etch Adhesives. J
J Dent Res
, v. 84, Spec Iss A [abstract 1451], 2005.
YAMAZAKI, P. C. V.; PEREIRA, P. N. R.; CASTRO, A. K. B. Influence of loading
after collagen removal on dentin bond strength. J Dent Res, v. 83, Spec Iss A
[abstract 0470], 2004.
YIU, C. K. Y. et al. A nanoleakage perspective on bonding to oxidized dentin. J
J
Dent Res
, v. 81, n. 9, p. 628-632, 2002.
YIU, C. K. Y. et al. Incompatibility of oxalate desensitizers with acidic, fluoride-
containing total-etch adhesives. J
J Dent Res
, v. 84, n. 8, p. 730-735, 2005.
96
ANEXOS
ANEXO A
TERMO DE CONSENTIMENTO LIVRE E ESCLARECIDO
UNIVERSIDADE FEDERAL DE SANTA CATARINA
CENTRO DE CIÊNCIAS DA SAÚDE
PROGRAMA DE PÓS-GRADUAÇÃO EM ODONTOLOGIA
ÁREA DE CONCENTRAÇÃO – DENTÍSTICA.
Nome do(a) participante: ____________________________________________
TERMO DE CONSENTIMENTO LIVRE E ESCLARECIDO
As informações contidas neste documento foram fornecidas por Leandro Augusto
Hilgert sob orientação do Prof. Dr. Sylvio Monteiro Jr. com o objetivo de firmar acordo
por escrito, mediante o qual, o voluntário da pesquisa autoriza sua participação, com
pleno conhecimento da natureza dos procedimentos e riscos a que se submeterá, com
capacidade de livre arbítrio e sem qualquer coação.
1. Título do trabalho:
Adesão à dentina: influência da desproteinização dentinária e da oclusão tubular
2. Objetivos:
Verificar a influência da utilização de procedimentos e materiais da técnica adesiva
na qualidade da união entre dente (dentina) e restauração de resina composta.
97
3. Justificativa:
A utilização de sistemas adesivos é um requisito fundamental para a restauração
dos dentes quando são utilizadas resinas compostas. São os procedimentos adesivos que
garantem a união entre o dente e a restauração. Entretanto, tal união ainda não é a ideal
e por isso diversos estudos, materiais e técnicas vêm sendo estudados com o objetivo de
melhorar a adesão entre os tecidos dentários e as resinas compostas. O presente estudo
procura avaliar a qualidade de união promovida com a utilização de certos
procedimentos na técnica adesiva (oclusão dos túbulos dentinários e remoção do
colágeno superficial), os comparando ao protocolo convencional.
4. Procedimentos da pesquisa:
Esta pesquisa será desenvolvida com a doação de 21 terceiros molares humanos
hígidos, extraídos por razões ortodônticas ou de outra ordem que não a pesquisa, que
imediatamente serão imersos e armazenados em soro fisiológico a temperatura ambiente
e posteriormente usados na fase laboratorial da pesquisa.
5. Desconforto ou risco:
Nenhum, pois os dentes foram extraídos por razões ortodônticas ou de outra
ordem que não relacionada à pesquisa.
6. Benefícios do estudo:
Acrescentar à literatura científica informações acerca da efetividade de união
entre dentina e resina composta de modo a colaborar no desenvolvimento de técnicas
restauradoras que possibilitem um melhor resultado clínico, beneficiando, dessa forma, a
população em geral.
7. Informações:
Os doadores dos dentes terão garantia de que receberão respostas a qualquer
pergunta ou esclarecimento de qualquer dúvida em relação aos procedimentos, riscos,
benefícios e outros assuntos relacionados com a pesquisa. O material biológico doado
não será utilizado em qualquer tipo de pesquisa genética.
98
8. Retirada do consentimento:
O voluntário tem total liberdade de retirar seu consentimento a qualquer momento e
deixar de participar da pesquisa.
9. Telefone para contato com o pesquisador:
Leandro Augusto Hilgert
(48) 2380730 – residencial em Florianópolis.
(48) 84282604 – celular
(54) 3121964 – residencial em Passo Fundo – RS.
Para facilitar o contato telefônico dos participantes da pesquisa e evitar qualquer
tipo de ônus a eles, ficam os mesmos autorizados a efetuarem chamadas a cobrar.
10. Aspecto Legal:
Este manual foi elaborado de acordo com as diretrizes e normas que
regulamentam as pesquisas envolvendo seres humanos, atendendo às resoluções 196/96
e 251/97 do Conselho Nacional de saúde – Brasília-DF.
11. Consentimento pós-informação:
Eu, ____________________________________________________________________________,
RG________________________________________, certifico que tendo lido as informações
acima, e suficientemente esclarecido pelo mestrando Leandro Augusto Hilgert e pelo
Prof. Dr. Sylvio Monteiro Jr., estou plenamente de acordo com a realização deste estudo,
autorizando a minha participação.
Livros Grátis
( http://www.livrosgratis.com.br )
Milhares de Livros para Download:
Baixar livros de Administração
Baixar livros de Agronomia
Baixar livros de Arquitetura
Baixar livros de Artes
Baixar livros de Astronomia
Baixar livros de Biologia Geral
Baixar livros de Ciência da Computação
Baixar livros de Ciência da Informação
Baixar livros de Ciência Política
Baixar livros de Ciências da Saúde
Baixar livros de Comunicação
Baixar livros do Conselho Nacional de Educação - CNE
Baixar livros de Defesa civil
Baixar livros de Direito
Baixar livros de Direitos humanos
Baixar livros de Economia
Baixar livros de Economia Doméstica
Baixar livros de Educação
Baixar livros de Educação - Trânsito
Baixar livros de Educação Física
Baixar livros de Engenharia Aeroespacial
Baixar livros de Farmácia
Baixar livros de Filosofia
Baixar livros de Física
Baixar livros de Geociências
Baixar livros de Geografia
Baixar livros de História
Baixar livros de Línguas
Baixar livros de Literatura
Baixar livros de Literatura de Cordel
Baixar livros de Literatura Infantil
Baixar livros de Matemática
Baixar livros de Medicina
Baixar livros de Medicina Veterinária
Baixar livros de Meio Ambiente
Baixar livros de Meteorologia
Baixar Monografias e TCC
Baixar livros Multidisciplinar
Baixar livros de Música
Baixar livros de Psicologia
Baixar livros de Química
Baixar livros de Saúde Coletiva
Baixar livros de Serviço Social
Baixar livros de Sociologia
Baixar livros de Teologia
Baixar livros de Trabalho
Baixar livros de Turismo