Download PDF
ads:
Marco André Binz Hennes
PLATAFORMA PARA TESTES DE CIRCUITOS DIGITAIS
Dissertação apresentada ao Programa de Pós-
Graduação em Sistemas e Processos Industriais -
Mestrado, Área de concentração em Controle e
Otimização de Processos Industriais, Universidade
de Santa Cruz do Sul - UNISC, como requisito par-
cial para obtenção do título de Mestre em Sistemas
e Processos Industriais.
Orientador: Prof. Dr. Rafael Ramos dos Santos
Santa Cruz do Sul, maio de 2009
ads:
Livros Grátis
http://www.livrosgratis.com.br
Milhares de livros grátis para download.
Aos meus pais (Walter e Marion), irmãos (Carlos, Fernando e Roberto) e avós
(Heinrich, Beatriz, Arno e Holanda) pelo apoio à esse trabalho.
À UNISC, pelo apoio para a realização desse trabalho.
À CAPES, pelo apoio financeiro com a manutenção da bolsa de auxílio.
A minha namorada Marcelli.
Aos professores Rafael Ramos dos Santos e Rolf Fredi Molz .
Aos colegas da turma do GPSEM (Rafael, Rolf, Lucio, Joel, Adriano, Jorge, Vitor,
Felipe, Robert, Felipe, Battisti, Ricardo, Maicon), pelas sugestões recebidas.
Agradeço aos Professores Doutores do Programa de Pós-graduação em Sistemas e
Processos Industriais (João Carlos Furtado, Marco Flôres Ferrão, Rafael Ramos dos
Santos, Rejane Frozza, Rolf Fredi Molz, Ruben Edgardo Panta Pazos, Liane
Mählmann Kipper, Geraldo L. Crossetti) e à secretária Janaina Ramires Haas .
Deixo meu agradecimento ao médico Paulo Cezar Schutz.
Ao L
A
T
E
X pela .
E finalmente agradeçao ao
c
h
i
m
a
r
r
ã
o
, que me proporcionou a paciência e foi
meu companheiro durante longas noites de escrita desse trabalho.
ads:
"A genialidade é 1% inspiração e 99% transpiração."(Thomas Edison)
"Dar menos que o seu melhor é sacrificar o dom que recebeu."(Steve
Prefontaine)
"Reparta o seu conhecimento. É uma forma de alcançar a
imortalidade."(Dalai Lama)
"Vencer a si próprio é a maior das vitórias."(Platão)
RESUMO
Com o avanço da tecnologia de produção de circuitos integrados, é necessário um maior
esforço para concepção e verificação destes circuitos. O teste de circuitos integrados envolve
diversas etapas e seu objetivo é identificar e isolar dispositivos falhos. Quando um novo circuito
integrado é projetado, e antes que seja enviado para produção, a primeira etapa deve verificar se o
projeto está correto. Com o crescimento da microeletrônica no país, com certeza será necessário
que sejam criados dispositivos de testes cada vez mais eficientes e de preferência com custos
acessíveis às empresas de menor porte. O presente trabalho visa a criação de um ambiente de
verificação de baixo custo usando uma linguagem de programação que permita verificar os cir-
cuitos digitais. Esse trabalho descreve uma plataforma de verificação de circuitos integrados
que emprega testes estruturais. Essa análise é feita em circuitos combinacionais do benchmark
ISCAS85 (HANSEN et al. 1999) para falhas do tipo stuck-at. A plataforma de verificação foi
desenvolvida com componentes de baixo custo, o que à plataforma um grande diferencial.
Além disso, o ambiente realiza tanto verificação em software, como em hardware. Para a veri-
ficação realizada em hardware, o ambiente emula o circuito em um FPGA com o propósito de
comprovar a simulação em um ambiente real. Outro diferencial importante é a integração dos
ambientes de simulação, permitindo realizar verificação em software, como em hardware.
Palavras-chave: Simulação de falhas, emulação de falhas, teste de circuitos integrados, veri-
ficação, falhas stuck-at .
ABSTRACT
With the advance of technology for integrated circuits production, it is necessary a greater
effort to design and verify these circuits. The test of integrated circuits involves several steps and
its goal is to identify and isolate faulty devices. When a new integrated circuit is designed, and
before it is sent to production, the first step is to verify that the project is correct. With the growth
of microelectronics in the country, certainly it will be needed to create new efficient testing de-
vices and preferably with affordable cost to small sized companies. This research aims at creating
an environment of low cost tests using a programming language, which allows testing in digital
circuits. This paper describes a platform for testing integrated circuits by using structural testing.
This analysis is done in combinational circuits of ISCAS85 benchmark (HANSEN et al. 1999)
for failures of type stuck-at. The testing platform was developed with low cost components,
giving the platform a large differential. Moreover, the environmental performed both tests, in
software and hardware. For tests with hardware, the environment emulates the circuit in a FPGA
with the aim to prove the simulated tests in in a real environment. Another important difference
is the integration of the environments of simulation, allowing testing in software as well as in
hardware.
Keywords: fault simulation, fault emulation, test of integrated circuits, verification, stuck-at
fault.
LISTA DE ILUSTRAÇÕES
1 Processo de fabricação de um circuito integrado . . . . . . . . . . . . . . . . . . . . . 16
2 Teste de um ciruito integrado . . . . . . . . . . . . . . . . . . . . . . . . . . . . . . . 16
3 Porta lógica AND . . . . . . . . . . . . . . . . . . . . . . . . . . . . . . . . . . . . . 20
4 Porta lógica NAND . . . . . . . . . . . . . . . . . . . . . . . . . . . . . . . . . . . . 23
5 Equivalência de falhas . . . . . . . . . . . . . . . . . . . . . . . . . . . . . . . . . . . 24
6 Exemplo de equivalência de falhas . . . . . . . . . . . . . . . . . . . . . . . . . . . . 24
7 Exemplo de dominância de falhas . . . . . . . . . . . . . . . . . . . . . . . . . . . . 25
8 Exemplo de uma falha de atraso . . . . . . . . . . . . . . . . . . . . . . . . . . . . . 26
9 O princípio do teste de I
DDQ
. . . . . . . . . . . . . . . . . . . . . . . . . . . . . . . 27
10 Princípio de testes . . . . . . . . . . . . . . . . . . . . . . . . . . . . . . . . . . . . . 28
11 Simulação de falhas . . . . . . . . . . . . . . . . . . . . . . . . . . . . . . . . . . . . 33
12 Simulação de falhas paralelas . . . . . . . . . . . . . . . . . . . . . . . . . . . . . . . 34
13 Representação de um circuito lógico usando o modelo BDD . . . . . . . . . . . . . . 35
14 Circuito digital com suas collapsed faults . . . . . . . . . . . . . . . . . . . . . . . . 37
15 Equivalência de falhas . . . . . . . . . . . . . . . . . . . . . . . . . . . . . . . . . . . 37
16 Representação de um circuito lógico usando o modelo BDD(a) e o SSBDD(b) . . . . . 37
17 Exemplo de Path Sensitization Methods . . . . . . . . . . . . . . . . . . . . . . . . . 39
18 Operações do Algotimo D: (a) Cubo D primitivo (b) propagação do cubo D (c) justifi-
cação . . . . . . . . . . . . . . . . . . . . . . . . . . . . . . . . . . . . . . . . . . . 41
19 Microcontrolador ARM9 - EP9302 da Cirrus Logic . . . . . . . . . . . . . . . . . . . 46
20 Placa TS-7300 da Technologic Systems . . . . . . . . . . . . . . . . . . . . . . . . . 47
21 Placa TB500A da Tiny-Tech . . . . . . . . . . . . . . . . . . . . . . . . . . . . . . . 48
22 Exemplo de compartilhamento de arquivos usando NFS . . . . . . . . . . . . . . . . . 49
23 Estrutura conceitual de um FPGA . . . . . . . . . . . . . . . . . . . . . . . . . . . . 50
24 Placa da Digilent - Spartan 3 . . . . . . . . . . . . . . . . . . . . . . . . . . . . . . . 51
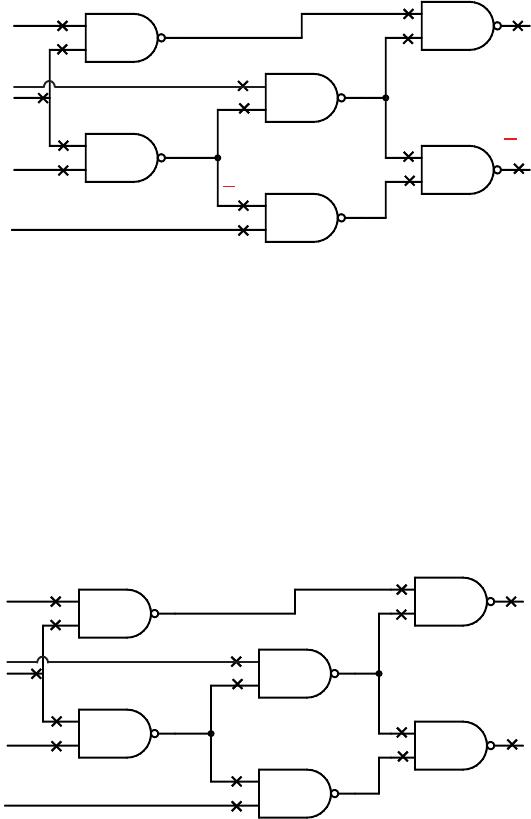
25 Circuito C17 descrito em Verilog . . . . . . . . . . . . . . . . . . . . . . . . . . . . . 53
26 Circuito C17 descrito em EDIF . . . . . . . . . . . . . . . . . . . . . . . . . . . . . . 54
27 Circuito C17 descrito no modo estrutural (SSBDD) . . . . . . . . . . . . . . . . . . . 54
28 Arquitetura proposta . . . . . . . . . . . . . . . . . . . . . . . . . . . . . . . . . . . 55
29 Arquitetura de verificação em software . . . . . . . . . . . . . . . . . . . . . . . . . . 56
30 Arquitetura de verificação proposta . . . . . . . . . . . . . . . . . . . . . . . . . . . . 56
31 ARM, FPGA e analisador lógico . . . . . . . . . . . . . . . . . . . . . . . . . . . . . 57
32 Arquitetura do DUT . . . . . . . . . . . . . . . . . . . . . . . . . . . . . . . . . . . . 57
33 Padrão usado para vetores de entrada e saída . . . . . . . . . . . . . . . . . . . . . . . 58
34 Comunicação usando socket . . . . . . . . . . . . . . . . . . . . . . . . . . . . . . . 59
35 Ferramenta de verificação de circuitos digitais . . . . . . . . . . . . . . . . . . . . . . 59
36 Ferramenta de verificação de circuitos digitais . . . . . . . . . . . . . . . . . . . . . . 60
37 Análise de tempo . . . . . . . . . . . . . . . . . . . . . . . . . . . . . . . . . . . . . 61
38 Análise de cobertura . . . . . . . . . . . . . . . . . . . . . . . . . . . . . . . . . . . 62
39 Circuito c17 do benchmark ISCAS85 . . . . . . . . . . . . . . . . . . . . . . . . . . . 65
40 Análise da taxa de cobertura do circuito c17 feita pelo sistema . . . . . . . . . . . . . 66
41 Análise gráfica da taxa de cobertura do circuito c17 . . . . . . . . . . . . . . . . . . . 66
42 Análise do circuito c17 para a falha 1 . . . . . . . . . . . . . . . . . . . . . . . . . . . 67
43 Circuito c17 do benchmark ISCAS85 . . . . . . . . . . . . . . . . . . . . . . . . . . . 67
44 Análise da taxa de cobertura do circuito c17 feita pelo sistema . . . . . . . . . . . . . 68
45 Análise gráfica da taxa de cobertura do circuito c17 . . . . . . . . . . . . . . . . . . . 68
46 Análise da taxa de cobertura do circuito c17 feita pelo sistema . . . . . . . . . . . . . 69
47 Análise gráfica da taxa de cobertura do circuito c17 . . . . . . . . . . . . . . . . . . . 69
48 Análise temporal conforme o algoritmo dos circuitos c17, c432 e c499 . . . . . . . . . 81
49 Análise temporal conforme o algoritmo dos circuitos c880, c1355 e c1908 . . . . . . . 82
50 Análise temporal conforme o algoritmo dos circuitos c2670, c3540 e c5315 . . . . . . 82
51 Análise temporal conforme o algoritmo dos circuitos c3540, c5315 e c6288 . . . . . . 83
52 Análise de cobertura utilizando o algoritmo PODEM do circuito c432 . . . . . . . . . 84
53 Análise de cobertura utilizando o algoritmo PODEM do circuito c880 . . . . . . . . . 85
54 Análise de cobertura utilizando o algoritmo PODEM do circuito c1908 . . . . . . . . . 85
55 Análise de cobertura utilizando o algoritmo PODEM do circuito c3540 . . . . . . . . . 86
56 Análise de cobertura utilizando o algoritmo PODEM do circuito c5315 . . . . . . . . . 86
57 Análise de cobertura utilizando o algoritmo PODEM do circuito c6288 . . . . . . . . . 87
58 IBERCHIP XV Workshop (1/5) . . . . . . . . . . . . . . . . . . . . . . . . . . . . . 89
59 IBERCHIP XV Workshop (2/5) . . . . . . . . . . . . . . . . . . . . . . . . . . . . . 90
60 IBERCHIP XV Workshop (3/5) . . . . . . . . . . . . . . . . . . . . . . . . . . . . . 91
61 IBERCHIP XV Workshop (4/5) . . . . . . . . . . . . . . . . . . . . . . . . . . . . . 92
62 IBERCHIP XV Workshop (5/5) . . . . . . . . . . . . . . . . . . . . . . . . . . . . . 93
63 Placa de circuito impresso(1/4) . . . . . . . . . . . . . . . . . . . . . . . . . . . . . . 94
64 Placa de circuito impresso(2/4) . . . . . . . . . . . . . . . . . . . . . . . . . . . . . . 95
65 Placa de circuito impresso(3/4) . . . . . . . . . . . . . . . . . . . . . . . . . . . . . . 96
66 Placa de circuito impresso(4/4) . . . . . . . . . . . . . . . . . . . . . . . . . . . . . . 97
67 Roteamento da PCB . . . . . . . . . . . . . . . . . . . . . . . . . . . . . . . . . . . . 98
LISTA DE TABELAS
1 Vantagens e desvantagens entre testes . . . . . . . . . . . . . . . . . . . . . . . . . . 21
2 Testador externo x Auto-teste . . . . . . . . . . . . . . . . . . . . . . . . . . . . . . . 30
3 Álgebra de Roth . . . . . . . . . . . . . . . . . . . . . . . . . . . . . . . . . . . . . . 38
4 Operadores Lógicos - AND . . . . . . . . . . . . . . . . . . . . . . . . . . . . . . . . 40
5 Operadores Lógicos - OR . . . . . . . . . . . . . . . . . . . . . . . . . . . . . . . . . 40
6 Descrição dos arquivos usados pela plataforma . . . . . . . . . . . . . . . . . . . . . 60
7 Vetores de teste para detecção de falhas do circuito c17 do benchmark ISCAS85 . . . . 65
8 Vetores de teste para detecção de falhas do circuito c17 do benchmark ISCAS85 . . . . 68
9 Vetores de teste para detecção de falhas do circuito c17 do benchmark ISCAS85 . . . . 69
10 Descrição dos benchmarks ISCAS85 . . . . . . . . . . . . . . . . . . . . . . . . . . . 72
11 Taxa de cobertura e tempo de simulação para o circuito . . . . . . . . . . . . . . . . . 73
12 Emulação em Hardware . . . . . . . . . . . . . . . . . . . . . . . . . . . . . . . . . . 73
13 Descrição dos circuitos ISCAS85 . . . . . . . . . . . . . . . . . . . . . . . . . . . . . 88
LISTA DE ABREVIATURAS
ARM Advanced RISC Machine
ATE Automatic Test Equipment
ATPG Automatic Test Pattern Generation
BDD Binary Decision Diagram
CAD Computer-Aided Design
DFT Design for Testability
DUT Device Under Test
EDA Electronic Design Automation
EDIF Electronic Design Interchange Format
FPGA Field Programmable Gate Array
HDL Hardware Description Language
MMU Memory Management Unit
NFS Network File System
PI Primary Input
PO Primary Output
PODEM Path-Oriented Decision Making
ROBDD Reduced Ordered Binary Decision Diagram
SOC System-on-a-Chip
s-a-0 Stuck-At-0
s-a-1 Stuck-At-1
SSA Single Stuck-At
SSBDD Structurally Synthesized Binary Decision Diagram
VLSI Very Large Scale Integrated Circuits
SUMÁRIO
1 INTRODUÇÃO . . . . . . . . . . . . . . . . . . . . . . . . . . . . . . . . . . . . . . . 15
1.1 Motivação e Objetivos . . . . . . . . . . . . . . . . . . . . . . . . . . . . . . . . . . 15
1.2 Contribuições . . . . . . . . . . . . . . . . . . . . . . . . . . . . . . . . . . . . . . . 17
1.3 Organização do trabalho . . . . . . . . . . . . . . . . . . . . . . . . . . . . . . . . . 18
2 CONCEITOS BÁSICOS . . . . . . . . . . . . . . . . . . . . . . . . . . . . . . . . . . 19
2.1 Defeito, Erro e Falha . . . . . . . . . . . . . . . . . . . . . . . . . . . . . . . . . . 19
2.2 Teste estrutural e Teste funcional . . . . . . . . . . . . . . . . . . . . . . . . . . . . 20
2.3 Modelo de Falhas . . . . . . . . . . . . . . . . . . . . . . . . . . . . . . . . . . . . 22
2.3.1 Falhas Stuck-at . . . . . . . . . . . . . . . . . . . . . . . . . . . . . . . . . . . . . 22
2.3.2 Equivalência de falhas single stuck-at . . . . . . . . . . . . . . . . . . . . . . . . . 23
2.3.3 Falhas de Bridging . . . . . . . . . . . . . . . . . . . . . . . . . . . . . . . . . . . 25
2.3.4 Falhas de Atraso . . . . . . . . . . . . . . . . . . . . . . . . . . . . . . . . . . . . 25
2.4 Testes de I
DDQ
(Quiescent Current) . . . . . . . . . . . . . . . . . . . . . . . . . . . 27
2.5 Automatic Test Equipment (ATE) . . . . . . . . . . . . . . . . . . . . . . . . . . . . . 28
2.6 Auto Teste (BIST) . . . . . . . . . . . . . . . . . . . . . . . . . . . . . . . . . . . . 29
2.7 Design For Test (DFT) . . . . . . . . . . . . . . . . . . . . . . . . . . . . . . . . . . 30
2.8 Conclusões . . . . . . . . . . . . . . . . . . . . . . . . . . . . . . . . . . . . . . . . 31
3 GERAÇÃO DE TESTES PARA CIRCUITOS DIGITAIS . . . . . . . . . . . . . . . . . 32
3.1 Simulação de Falhas . . . . . . . . . . . . . . . . . . . . . . . . . . . . . . . . . . . 32
3.2 Definição de Automatic Test-Pattern Generation (ATPG) . . . . . . . . . . . . . . . . 34
3.3 Modelo BDD (Binary Decision Diagrams) . . . . . . . . . . . . . . . . . . . . . . . 35
3.3.1 Falhas Stuck-At no modelo SSBDD (Structurally Synthesized Binary Decision Dia-
grams) . . . . . . . . . . . . . . . . . . . . . . . . . . . . . . . . . . . . . . . . . 36
3.4 Método da Sensibilização do Caminho (Path Sensitization Method) . . . . . . . . . . 38
3.5 Algoritmos ATPG . . . . . . . . . . . . . . . . . . . . . . . . . . . . . . . . . . . . 40
3.5.1 D-Algoritm . . . . . . . . . . . . . . . . . . . . . . . . . . . . . . . . . . . . . . . 40
3.5.2 PODEM . . . . . . . . . . . . . . . . . . . . . . . . . . . . . . . . . . . . . . . . 42
3.5.3 GENETIC . . . . . . . . . . . . . . . . . . . . . . . . . . . . . . . . . . . . . . . 43
3.5.4 RANDOM . . . . . . . . . . . . . . . . . . . . . . . . . . . . . . . . . . . . . . . 43
3.6 Conclusões . . . . . . . . . . . . . . . . . . . . . . . . . . . . . . . . . . . . . . . . 44
4 ARQUITETURA PROPOSTA (ARM E FPGA) . . . . . . . . . . . . . . . . . . . . . . 45
4.1 Microcontroladores ARM . . . . . . . . . . . . . . . . . . . . . . . . . . . . . . . . 46
4.1.1 Compartilhamento de arquivos usando NFS (Network File System) . . . . . . . . . . 49
4.2 Arquitetura do FPGA . . . . . . . . . . . . . . . . . . . . . . . . . . . . . . . . . . 49
4.2.1 Fluxo de projeto em um FPGA . . . . . . . . . . . . . . . . . . . . . . . . . . . . . 51
4.2.2 Síntese de circuitos HDL . . . . . . . . . . . . . . . . . . . . . . . . . . . . . . . 52
4.3 Arquitetura de verificação de circuitos usando um sistema computacional em JAVA . . 55
4.3.1 Comunicação . . . . . . . . . . . . . . . . . . . . . . . . . . . . . . . . . . . . . 57
4.4 Sistema computacional em Java . . . . . . . . . . . . . . . . . . . . . . . . . . . . . 59
4.5 Análise em gráficos . . . . . . . . . . . . . . . . . . . . . . . . . . . . . . . . . . . 61
4.6 Emulação de falhas . . . . . . . . . . . . . . . . . . . . . . . . . . . . . . . . . . . 62
4.7 Conclusões . . . . . . . . . . . . . . . . . . . . . . . . . . . . . . . . . . . . . . . . 63
5 ANÁLISE EM SIMULAÇÃO DO CIRCUITO C17 DO BENCHMARK ISCAS85 . . . 64
5.1 Algoritmo PODEM . . . . . . . . . . . . . . . . . . . . . . . . . . . . . . . . . . . . 64
5.2 Algoritmo GENETIC . . . . . . . . . . . . . . . . . . . . . . . . . . . . . . . . . . . 67
5.3 Algoritmo RANDOM . . . . . . . . . . . . . . . . . . . . . . . . . . . . . . . . . . 68
5.4 Conclusões . . . . . . . . . . . . . . . . . . . . . . . . . . . . . . . . . . . . . . . . 70
6 RESULTADOS . . . . . . . . . . . . . . . . . . . . . . . . . . . . . . . . . . . . . . . 71
6.1 Descrição dos circuitos testados . . . . . . . . . . . . . . . . . . . . . . . . . . . . . 71
6.2 Resultados Experimentais em Simulação . . . . . . . . . . . . . . . . . . . . . . . . 71
6.3 Resultados Experimentais em Emulação . . . . . . . . . . . . . . . . . . . . . . . . . 72
7 CONCLUSÕES . . . . . . . . . . . . . . . . . . . . . . . . . . . . . . . . . . . . . . 74
7.1 Trabalhos Futuros . . . . . . . . . . . . . . . . . . . . . . . . . . . . . . . . . . . . . 75
REFERÊNCIAS . . . . . . . . . . . . . . . . . . . . . . . . . . . . . . . . . . . . . . . . 77
ANEXO A - Análise temporal em software dos benchmark ISCAS85 . . . . . . . . . . . . 81
ANEXO B - Análise da taxa de cobertura dos benchmark ISCAS85 . . . . . . . . . . . . 84
ANEXO C - Circuitos do benchmark ISCAS85 . . . . . . . . . . . . . . . . . . . . . . . 88
ANEXO D - IBERCHIP XV Workshop /Bs As, Argentina March 25-27,2009 . . . . . . . 89
ANEXO E - Placa de circuito impresso projetada . . . . . . . . . . . . . . . . . . . . . . 94
1 INTRODUÇÃO
Analisando de uma forma histórica, a indústria de microeletrônica
1
no Brasil mostra que
a fabricação de componentes semicondutores
2
já teve uma participação mais expressiva no mer-
cado nacional.Por isso o Brasil constatou, a partir de 2003, quando o governo começou a incenti-
var a microeletrônica no país, que o segmento de microeletrônica cresce rapidamente a cada dia
e seriam necessários investimentos maiores nessa área. A área da microeletrônica engloba tanto
os processos físico-químicos de fabricação dos circuitos integrados
3
, como o projeto do circuito
em si.
1.1 Motivação e Objetivos
Com o avanço da tecnologia de produção de circuitos integrados, é necessário um maior
esforço para a concepção e verificação destes circuitos. Esse aumento implica em um cresci-
mento do tempo e do custo do projeto. Por outro lado, o grande avanço tecnológico faz com que
o ciclo de vida de um produto eletrônico seja a cada dia menor e portanto o time-to-market se
torna mais importante. Além disso, com o aumento da complexidade, a concepção, verificação
e teste se torna mais difícil. Entretanto a complexividade dos circuitos também cresce, o que
dificulta a concepção e a verificação de um novo circuito integrado. De um modo geral, pode-se
dividir o projeto de um circuito integrado em dois níveis: o nível de projeto e o de fabricação,
conforme mostrado na Figura 1. O nível de projeto engloba toda a descrição do hardware numa
linguagem apropriada e o uso de ferramentas para a simulação e síntese. Já o nível de fabricação
envolve desde a fabricação propriamente dita do circuito integrado até a parte de testes físicos e
1
A microeletrônica é um ramo da eletrônica, voltado à integração de circuitos eletrônicos, promovendo uma
miniaturização dos componentes em escala microscópica.
2
Sólidos cristalinos de condutividade elétrica intermediária entre condutores e isolantes. Seu emprego é impor-
tante na fabricação de componentes eletrônicos(diodos, transistores, microprocessadores).
3
Um circuito integrado, também conhecido por chip, é um dispositivo microeletrônico que consiste de muitos
transístores e outros componentes interligados capazes de desempenhar uma ou mais funções.
16
lógicos. O teste deve verificar se o circuito está de acordo com o projeto, se o circuito apresenta
um comportamento lógico correto (teste lógico) e se a implementação física do circuito espelha
seu esquemático
4
(teste físico).
1)Projeto
2)Fabricação
Etapas de desenvolvimento
de um circuito integrado
Consumidor
Verificação
Teste
Figura 1: Processo de fabricação de um circuito integrado
A parte de testes é fundamental para se ter certeza do funcionamento correto do cir-
cuito. Durante o processo de produção de um circuito integrado, ele é submetido a diferen-
tes tipos de testes. Um dos testes mais utilizados é o teste estrutural, baseado em falhas, o
qual permite a obtenção de uma medida quantitativa da efetividade do teste (cobertura de fa-
lhas) (LUBASZEWSKI M.; COTA 2002). Qualquer método de teste é realizado através do uso
de estímulos de entrada seguido pela observação dos valores das saídas do circuito, conforme
mostrado na Figura 2. Esses estímulos na entrada são chamados de padrões de teste e , na saída,
de resultados de testes. Com esses padrões de testes é avaliada a cobertura de falhas, que é o
percentual de falhas do circuito que conseguem ser detectadas. A cobertura de falhas depende
da testabilidade do circuito, que é mensurada pela facilidade ou pela dificuldade de controle e
observação dos diversos pontos de falha.
Aplicando uma
seqüência de
testes nas entradas
Observando
os pinos de
saída
DEFEITO
Figura 2: Teste de um ciruito integrado
4
É uma representação simplificada de um circuito eletrônico.
17
O teste de circuitos integrados envolve diversas etapas e seu objetivo é identificar e isolar
dispositivos falhos. Quando um novo circuito integrado é projetado, e antes que seja enviado para
produção, a primeira etapa deve verificar se o projeto está correto. Se houver algum erro e não for
identificado na etapa de verificação, serão desperdiçados recursos financeiros e humanos. Então,
com o crescimento da microeletrônica no país com certeza será necessário que sejam criados
dispositivos de verificação cada vez mais eficientes e de preferência com custos acessíveis às
empresas de menor porte.
O presente trabalho visa a criação de uma plataforma de verificação de baixo custo. A
plataforma proposta foi usada para verificação de circuitos digitais. Essa plataforma proposta
foi implementada em Java e usa mais duas ferramentas EDA (Electronic Design Automation)
para se verificar os circuitos. É possível dividir essa plataforma em verificação em software e
em hardware. Na verificação em software, é possível com uma descrição de um circuito, usar
algoritmos para se testar esse circuito. na verificação em hardware, foi desenvolvida uma
plataforma de baixo custo que usa um microcontrolador e um FPGA (Field Programmable Gate
Array). Tanto a verificação em software, como a em hardware, tem o propósito de se conseguir
um circuito que funcione corretamente. Nos dois casos são aplicados vetores de teste na entrada
do circuito e são analisadas suas saídas. Na verificação em hardware, o ambiente emula o circuito
em um FPGA com o propósito de se comprovar os testes em simulação em um ambiente real.
1.2 Contribuições
As principais contribuições deste trabalho são:
Proposta de uma metodologia de testes estruturais para descrições em HDL
5
(Hardware
Description Language)
Projeto de um testador de baixo custo usando uma linguagem de programação para a apli-
cação em simulação e emulação de circuitos em hardware
Uso de um microcontrolador novo, que possui um sistema operacional
6
, para verificação
de circuitos integrados
5
É qualquer linguagem dentro de um grupo de linguagens da computação para a descrição formal de circuitos
eletrônicos.
6
É um programa ou um conjunto de programas cuja função é servir de interface entre um computador e o usuário.
18
Emprego de FPGAs para emulação do circuito, estimulação e observação do comporta-
mento
Plataforma de verificação flexível
1.3 Organização do trabalho
O conteúdo deste trabalho é organizado como segue. No capítulo 1 apresenta-se o mercado
de semicondutores no Brasil e a necessidade de se realizar testes quando se cria um novo circuito
digital. O capítulo 2 apresenta algumas definições importantes na área de testes de sistemas
digitais e introduz a metodologia empregada. O capítulo 3 mostra os tipos de algoritmos usados
em testes e os modelos de representação. o capítulo 4, fala sobre a arquitetura de verificação
proposta e apresenta a ferramenta de verificação desenvolvida. O capítulo 5 demonstra uma
análise mais detalhada de um circuito testado. O capítulo 6 discute os resultados alcançados na
verificação de circuitos digitais. O Capítulo 7 mostra as conclusões e trabalhos futuros. Nos
Anexos A e B são demostrados alguns gráficos de simulações temporais e da taxa de cobertura
dos circuitos testados. no Anexo C são descritos os circuitos testados. Finalmente no Anexo
D é mostrado uma publicação desse trabalho (HENNES e SANTOS R.R.; MOLZ 2009) e no E é
mostrado o projeto da placa de circuito impresso desenvolvida usando um ARM e um barramento
para a placa do FPGA projetada.
2 CONCEITOS BÁSICOS
Modelos têm sido a base de toda a ciência humana ao longo dos séculos. Antes do esta-
belecimento dos modelos que representam o átomo, as reações químicas e as propriedades da
matéria, a química não existia. Como seria o mundo se um dia não houvessem sido definidos
modelos matemáticos para resolver problemas abstratos, tais como a álgebra, geometria, trigonome-
tria, entre outros. Destes modelos matemáticos se desenvolveram inúmeras ciências, como a
física e a engenharia.
Na área de testes de circuitos integrados, um modelo muito importante é o modelo de
falhas. Serão mostrados diversos modelos de falhas nesse capítulo, porém somente o modelo
de falhas stuck-at descrito na seção 2.3.1 é adotado durante todo o trabalho. Além dos tipos de
modelos são vistas algumas definições usadas na área de testes, algumas formas de se testar um
circuito integrado e sua exata compreensão se faz necessária para o entendimento dos próximos
capítulos.
2.1 Defeito, Erro e Falha
Os conceitos de defeito (defect), erro (error) e falha (fault) são usados de forma confusa
na literatura de testes de circuitos. Nesse trabalho, essas definições serão usadas conforme as
definições descritas a seguir (BUSHNELL M. L.; AGRAWAL 2000).
Defeito - Um defeito em um sistema é a diferença entre o hardware desenvolvido e o
que se pretendia desenvolver. Alguns defeitos comuns encontrados são: falta da janela de
contato, transistores parasitas, degradação de contatos, etc. É importante observar que o
defeito pode surgir tanto durante a fabricação, quanto durante o uso
20
Falha - A abstração de um defeito em nível de funções (modelos físicos ou lógicos do
dispositivo)
Erro - Um erro é causado quando existe um sinal errôneo na saída de um circuito causado
por um circuito defeituoso (com falha)
Esses conceitos podem ser melhor compreendidos com um exemplo de um circuito digital
que consiste de duas entradas A e B, uma saída Z e uma porta lógica
1
AND. Um defeito possível
pode ser a falta de um contato em umas das entradas da porta AND, conforme mostrado na Figura
3. A representação deste defeito em nível lógico é ter sempre o valor lógico zero (stuck-at-0),
independente do valor colocado neste sinal. Dessa forma, se a entrada do circuito recebesse A=1
e B=1, a falha iria mostrar um erro na saída do circuito. A saída Z iria mostrar o nível lógico
0, enquanto o correto seria 1. Deve-se notar que o erro desse circuito não é sempre visível. Se
umas das entradas receber nível lógico 0 o erro não apareceria.
Figura 3: Porta lógica AND
Defeito - stuck-at-0
Falha - sinal B permanentemente com valor lógico 0
Erro - Z apresenta um valor errado se A = B = 1
2.2 Teste estrutural e Teste funcional
O teste funcional de um circuito visa verificar se todas as funções desse circuito digital es-
tão sendo executadas corretamente. No caso de processadores, o teste funcional necessita cobrir
as diferentes funções implementadas no conjunto de instruções do processador, por exemplo.
Para isso é necessário somente o conjunto de instruções da arquitetura
2
( ISA - Instruction Set
1
São dispositivos que operam um ou mais sinais lógicos de entrada para produzir uma e somente uma saída,
dependente da função implementada no circuito.
2
É uma lista de todas as instruções e suas variações que um processador pode executar.
21
Architecture) para se desenvolver os estímulos de teste, não necessitando de nenhum outro mo-
delo de mais baixo nível como um descrição em portas lógicas (MORAES 2006). A testabilidade
de um teste funcional depende do conjunto de instruções usados para testar as funções do pro-
cessador. Na maioria dos casos, operandos pseudo-aleatórios são usados no teste funcional do
circuito, levando a testes com tempos excessivos e não conseguindo uma boa cobertura de falhas
estruturais. As seqüências de teste desenvolvidas para a verificação do circuito, podem ser reu-
sadas, reduzindo o custo do desenvolvimento do teste (GIZOPOULOS D.; PASCHALIS 2004).
o teste estrutural depende de uma estrutura específica (portas lógicas, netlist) do circuito.
Umas das grandes vantagens do teste estrutural é que ele nos permite desenvolver algoritmos.
Esses algoritmos são baseados no modelo de falhas (BUSHNELL M. L.; AGRAWAL 2000).
Tabela 1: Vantagens e desvantagens entre testes
Vantagens Desvantagens
Teste Funcional -Sem necessidade de detalhes -Sem relação com falhas
de baixo nível estruturais
-Reuso de padrões de -Baixa cobertura de defeitos
teste de verificação funcional -Longos programas de teste
-Baixo custo de desenvolvimento -Operando pseudo-aleatórios
de teste -Longas sequências de teste
Teste Estrutural -Rápidos programas de teste -Necessidade do modelo
-Uso de ferramentas EDA lógico do processador
-Alta cobertura de falhas -Mais alto custo do
-Pequenas seqüências de teste desenvolvimento do teste
Fonte: (GIZOPOULOS D.; PASCHALIS 2004, p. 59)
Ferramentas de EDA
3
(Electronic Design Automation) podem ser usadas para a geração
automática dos vetores de testes
4
, com possível suporte à técnicas de DFT (Design for Testability)
como a controlabilidade e observabilidade. A geração do teste estrutural pode acontecer se o
modelo em níveis de portas lógicas for disponibilizado (GIZOPOULOS D.; PASCHALIS 2004).
No caso de se ter essa informação, uma alta taxa de cobertura de falhas é possível com uma
pequena quantidade de vetores. A Tabela 1 resume as vantagens e desvantagens dos dois tipos
de testes. Com base nas informações contidas na Tabela 1, uma das grandes vantagens dos testes
estruturais está na alta cobertura de testes e na rapidez desses programas de teste. Dessa forma,
este trabalho esta focado em testes estruturais.
3
É uma categoria de ferramentas de CAD para desenvolvimento e produção de sistemas eletrônicos variando de
placas de circuito impresso até circuitos integrados.
4
Ná area de testes de circuitos integrados a geração automática de vetores é conhecida como ATPG (Automatic
Test Pattern Generation).
22
2.3 Modelo de Falhas
A modelagem de falhas está intimamente ligada à modelagem do circuito. Na hierarquia
de projeto, níveis mostram os graus de abstração do circuito. Um caso que demonstra poucos
detalhes é o nível comportamental (alto-nível). Portanto modelos de falhas usando esse nível
comportamental não podem ter uma correlação direta com defeitos de fabricação do circuito. O
nível RTL (Register-Transfer Level) ou nível lógico é composto por uma descrição do circuito
em portas lógicas através de um netlist. O modelo de falhas stuck-at é o modelo mais usado
em testes de circuitos digitais. Ainda no nível lógico existem os modelos de falha de atrasos
e de bridging (BUSHNELL M. L.; AGRAWAL 2000). em nível de transistor é possível ver
os tipos de falhas stuck-open, muito conhecidas como falhas dependentes da tecnologia. Além
dos modelos citados, ainda existem os modelos de falhas que não se enquadram em nenhuma das
hierarquias de projeto. Um exemplo típico são as falhas de corrente quiescente (I
DDQ
), relevantes
para a tecnologia CMOS
5
(Complementary Metal Oxide Semiconductor) (MORAES 2006).
2.3.1 Falhas Stuck-at
Falhas lógicas são modeladas como falhas stuck-at. Uma falha stuck-at força um valor fixo
(0 ou 1) para uma linha de sinal de um circuito, onde essa linha pode ser a entrada ou saída de
uma porta lógica ou flip-flop
6
(BERGER I.; KOHAVI 1973). Esse stuck-at pode ser um stuck-
at-1 (s-a-1) ou um stuck-at-0 (s-a-0). O modelo stuck-at-0 é simples e independe da tecnologia
usada. Uma linha de sinal de um circuito pode ter um s-a-0, s-a-1 ou livre de falhas (fault-free).
Um circuito com n linhas de sinal pode ter 3
n1
possibilidades de linhas stuck-at. Então para
um circuito de tamanho moderado é possível ter um grande número de falhas stuck-at. Por
isso é uma prática comum considerar somente o modelo de falhas single stuck-at . Esse modelo
assume que somente uma entrada ou saída de uma porta lógica ou flip-flop pode estar s-a-0 ou
s-a-1. O número máximo de falhas single stuck-at para um circuito com n linhas é de 2 n
(BUSHNELL M. L.; AGRAWAL 2000).
O número de falhas usando o modelo de falhas single stuck-at é consideravelmente re-
duzido. Considerando que se tem uma porta lógica NAND com uma entrada A com s-a-1,
5
É um tipo de circuito integrado onde se incluem elementos de lógica digital (portas lógicas, flip-flops, conta-
dores, decodificadores, etc).
6
É um circuito digital pulsado capaz de servir como uma memória de um bit.
23
conforme mostrado na Figura 4, essa entrada sempre permanecerá em nível lógico 1, indepen-
dentemente da lógica colocada nas suas entradas. A saída dessa NAND é 0 quando a entrada B
estiver em 1 e quando o s-a-1 em A estiver presente. se esse circuito não possuir o s-a-1 ou
s-a-0, ou seja, for fault-free, a saída desse circuito será 1 para as entradas mostradas na Figura
4. Então, se for usado na entrada desse circuito A=0 e B=1, pode-se testar o s-a-1 em A, porque
existe uma diferença nas saídas do circuito fault-free e o faulty gate (LALA 1997).
Devido ao que foi descrito acima (modelo simples e independente da tecnologia), foi es-
colhido para a verificação o modelo de falhas single stuck-at. Dessa forma toda a metodologia
usada neste trabalho esta baseada no modelo de falhas single stuck-at.
Figura 4: Porta lógica NAND
2.3.2 Equivalência de falhas single stuck-at
Para um circuito existem 2 n falhas single stuck-at, porém muitas dessas falhas são equi-
valentes. Se for analisado um circuito como se fossem simples portas lógicas, então é possível
analisar grandes circuitos. Considerando uma porta lógica AND conforme visto na Figura 5(a),
qualquer falha do tipo s-a-0 na saída ou entrada dessa porta sempre terá uma saída constante
em 0. Dessa forma é possível dizer que essas falhas s-a-0 são equivalentes. Uma análise similar
para outras portas lógicas é possível ver na Figura 5 (BUSHNELL M. L.; AGRAWAL 2000). No
caso de se ter uma porta lógica OR conforme Figura 5(d), qualquer falha do tipo s-a-1 na saída
ou entrada dessa porta, sempre terá uma saída constante em 1. tendo uma NAND conforme
Figura 5(b), qualquer falha s-a-0 em uma entrada será equivalente a um s-a-1 na saída e um s-a-0
na outra entrada. Na Figura 5(c) é visto uma NOT, no caso uma s-a-1 na entrada é equivalente a
um s-a-0 na saída e vice-versa. No caso de se ter uma NOR conforme Figura 5(e), um s-a-1 em
uma das entradas será equivalente a um s-a-0 na saída e um s-a-1 na outra entrada.
Na Figura 6 é mostrado um circuito com falhas equivalentes. A redução da lista de falhas
(fault collapsing) é feita analisando-se as equivalências entre entradas e saídas e retirando as
24
s-a-0
s-a-0
s-a-1
s-a-1
s-a-0
s-a-1
s-a-1
s-a-1
s-a-1
s-a-0
s-a-0
s-a-0
s-a-0
s-a-0
s-a-1
s-a-0
s-a-1
s-a-1
s-a-1
s-a-1
s-a-0
s-a-0
s-a-0
s-a-1
s-a-0
s-a-1
s-a-1
s-a-0
a)
b)
c)
d) e)
Figura 5: Equivalência de falhas
falhas equivalentes conforme Figura 6. Na Figura 5(a) foi mostrado que uma AND possui 3
falhas s-a-0 equivalentes, ou seja, é necessário deixar a análise de uma delas no circuito. No
caso das portas lógicas AND mostradas na Figura 6, foram excluídas duas falhas equivalentes nas
entradas. Já no caso da porta lógica OR mostrada na Figura 6, foram excluídos duas falhas s-a-1
de acordo com a equivalência vista na Figura 5(d). O processo de selecão de uma falha a partir
de cada conjunto de falhas que apresentam o comportamento equivalente é chamado de redução
da lista de falhas (fault collapsing). O conjunto dessas falhas é conhecido como equivalence
collapsed set. O tamanho relativo da equivalence collapsed set com o total de falhas é conhecido
como collapse ratio e a equação 2.1 mostra a sua relação.
s-a-0
s-a-0
s-a-0
s-a-0
s-a-1
s-a-1
s-a-1
s-a-1
s-a-0
s-a-0
s-a-1
s-a-1
s-a-0 s-a-1
Falhas excluídas pela equivalência de falhas
Collapse ratio= 8/14 = 0.571
Figura 6: Exemplo de equivalência de falhas
Collapse ratio =
Set of collapsed faults
Set of all faults
(2.1)
Além da equivalência de falhas ainda existe a dominância de falhas (fault dominance) con-
25
forme mostrado na Figura 7. Uma falha f
1
e uma falha f
2
é chamada de equivalente, se qualquer
teste que detecta f
1
também detecta f
2
e vice-versa. É dito que uma falha f
1
domina uma f
2
, se
qualquer teste que detecta f
2
também detecta f
1
, porém, o inverso não é verdadeiro (RAIK 2001).
Um exemplo de equivalência de falhas e dominância de falhas usando o modelo stuck-at é dis-
cutido na seção 3.3.1.
s-a-0
s-a-0
s-a-0
s-a-1
s-a-1
s-a-1
Figura 7: Exemplo de dominância de falhas
2.3.3 Falhas de Bridging
Este modelo de falhas demonstra o comportamento de falhas em que uma linha do circuito
influência o valor lógico de outra linha do circuito, devido a uma ligação resistiva entre os dois.
Essas falhas conseguem ser modeladas tanto a nível de transistor, como a nível lógico. As falhas
de bridging representam um curto-circuito entre um determinado grupo de sinais. Este tipo
de falhas ocorre entre nós fisicamente muito próximos entre si, no layout do circuito. Quando
uma falha de bridging é ativada uma linha agressora que vai forçar o valor lógico de outra
linha, chamado de linha vítima. O valor lógico desse curto-circuito pode ser modelado como 0
dominante (wired-AND), como um 1 dominante (wired-OR), ou indeterminado, dependendo da
tecnologia usada (LALA 1997).
2.3.4 Falhas de Atraso
O objetivo do teste de atraso é de detectar defeitos no atendimento das especificações
temporais. Esse tipo de falha é visto quando os parâmetros do projeto não atendem a relação
temporal entre entradas e saídas do circuito. A necessidade de testes de atraso é um problema
comum enfrentado pela indústria de semicondutores. A necessidade desses testes é vista quando
26
um circuito funciona adequadamente com uma freqüência baixa de clock
7
e falha com uma alta
frequência de clock (KRSTIC A.; CHENG 1998). Um exemplo de falha de atraso é mostrado
na Figura 8, onde existe um pulso na entrada da porta lógica NOR e o sinal deve levar um certo
tempo até a saída da porta. Um sinal nessa porta sem atraso é mostrado na Figura 8(a) e o sinal
com atraso é mostrado na Figura 8(b).
a)
b)
Figura 8: Exemplo de uma falha de atraso
A crescente necessidade por testes de atraso é o resultado no avanço na fabricação de
circuitos integrados. Testes de atraso são defeitos muito complexos. Existem dificuldades para a
geração de testes e a aplicação desses testes. Alguns dos principais tipos de problemas no teste
de atraso são descritos abaixo (KRSTIC A.; CHENG 1998):
Os defeitos de atraso podem ser ativados e observados pela propagação do sinal através do
circuito
O teste de atraso em circuitos de alta velocidade requer o uso de testadores de alta veloci-
dade. Porém, devido a seu alto custo, a maioria dos testadores disponíveis são mais lentos
que os novos circuitos que necessitam ser testados
Pequenos defeitos de atraso podem ser modelados usando o modelo do caminho de fa-
lhas de atraso. Porém, os novos circuitos possuem uma grande quantidade de caminhos e
apenas uma pequena fração destes pode ser testada
O processo de fabricação de circuitos integrados introduziu novas dificuldades devido a
seus circuitos serem mais suscetíveis a ruídos
8
O design e a síntese usando técnicas para melhorar a testabilidade de falhas de atraso resul-
tam em um grande aumento da área e queda em performance, e um aumento da quantidade
de entradas do circuito
7
É um sinal usado para coordenar as ações de dois ou mais circuitos eletrônicos.
8
É todo fenômeno aleatório que perturba a transmissão correta das mensagens e que geralmente procura-se
eliminar ao máximo.
27
Dentro dos testes de atraso existe um tipo de teste chamado de teste at-speed. Os ve-
tores de teste no teste at-speed são aplicados e observados na mesma freqüência de operação
normal do circuito. Os testes at-speed são testes necessários nos modernos projetos eletrôni-
cos. Grandes velocidades de clock e circuitos com áreas menores são encontrados em cir-
cuitos eletrônicos atuais, devido a isso, existe um aumento de defeitos relacionados a veloci-
dade. O testes at-speed mais comuns para checar defeitos de fabricação e variação de processo
incluem vetores de teste criados para modelos de falha de transição e de atraso de caminho
(SWANSON B. ; GOSWAMI 2006).
2.4 Testes de I
DDQ
(Quiescent Current)
O modelo de falhas I
DDQ
permite detectar defeitos de fabricação através da análise de
corrente
9
em circuitos CMOS. Os testes para este tipo de falhas são baseados na corrente du-
rante um intervalo de tempo. Na Figura 9(a) é mostrado um circuito inversor que está sendo
testado usando I
DDQ
. Desta forma é monitorada a corrente quiescente (I
DDQ
), conforme apre-
sentado na Figura 9(c), do circuito que está sendo testado, enquanto se excitam as entradas desse
circuito. A excitação das entradas do circuito é mostrado na Figura 9(b). No caso de ser verifi-
cado que a corrente quiescente se mantém elevada, durante uma situação estável, significa que
este circuito é defeituoso (SABADE S.S. ; WALKER 2004). Como este método é simplificado,
o processo de geração de teste, não necessita mais propagar as falhas para uma saída primária
(LUBASZEWSKI M.; COTA 2002).
Defeito
GND
V
IN
V
OUT
V
DD
V
IN
V
OUT
Sem defeito
Com defeito
I
DD
I
DDQ
I
DD
I
DDQ
Tempo
a)
b)
c)
d)
Figura 9: O princípio do teste de I
DDQ
9
É o fluxo ordenado de partículas portadoras de carga elétrica.
28
No caso de ausência de defeitos, e quando a entrada é estável, a corrente de repouso
que passa do VDD para o GND é baixa, como mostrada na Figura 9(c). Na presença de
um defeito, conforme apresentado na Figura 9(d), uma corrente mais alta flui pelo transis-
tor. Dessa forma é possível identificar um circuito defeituoso medindo a corrente de fuga
(SABADE S.S. ; WALKER 2004).
2.5 Automatic Test Equipment (ATE)
O ATE é um aparelho usado para aplicar vetores de testes a um DUT (device-under-test)
e analisar as respostas do DUT conforme mostrado na Figura 10, permitindo marcar esse DUT
como defeituoso ou não defeituoso (BUSHNELL M. L.; AGRAWAL 2000). Obviamente a qua-
lidade do teste vai depender de uma escolha de bom vetores, ou seja, que consigam uma maior
taxa de cobertura. Para cada DUT produzido são repetidos as etapas de aplicação, captura e
análise das respostas de testes. Por isso, é importante que o tempo gasto seja o menor possível.
DUT
Comparador
--11
--00
----
----
--01
11--
01--
----
----
00--
Vetores de Entrada
Vetores de saída
Resultado
dos
testes
Resposta
correta
armazenada
Figura 10: Princípio de testes
Os modernos ATE possuem modernos processadores controlados por um programa des-
crito em linguagem de alto nível. De uma maneira geral, cada circuito integrado pode ser testado
de duas maneiras (BUSHNELL M. L.; AGRAWAL 2000):
Testes paramétricos: testes paramétricos DC incluem teste de curto-circuito, teste aberto,
corrente máxima de teste, etc.Testes paramétricos AC incluem teste de atraso, teste de
29
tempo de subida e descida, etc
Testes funcionais: consistem em colocar vetores na entrada e verificar as respostas. Esses
testes cobrem uma alta porcentagem de falhas modeladas em circuitos. Os vetores fun-
cionais usados nesses testes, podem ser entendidos como vetores de verificação, que são
usados para verificar se o hardware esta de acordo com a especificação. Porém, no mundo
dos ATE, qualquer vetor aplicado pode ser entendido como vetor de falhas funcionais apli-
cados durante a fabricação. Esses dois tipos de testes funcionais podem ser os mesmos ou
não
Para testes off-chip o ATE (automatic test equipment) é necessário para aplicar o teste.
A parte do hardware do ATE, inclui um sistema de computação com suficiente espaço para os
vetores de teste e as respostas esperadas. De acordo com a função que esta sendo testada, o tes-
tador é classificado como testador digital, memória ou analógico. Testadores digitais de circuitos
integrados de lógica e de memória são tratados de forma diferente. Testadores de memórias
geralmente são testados em paralelo, com a mesma entrada para diversas partes e suas saídas
lidas juntamente. Enquanto que testadores de lógica necessitam que os vetores de testes sejam
testados um por vez. Testadores digitais consistem de testadores de memória e de testadores
de lógica. A grande diferença entre testadores digitais e analógicos é mostrado na configuração
individual dos pinos. Pinos digitais são facilmente suportados por qualquer outro circuito digital.
Já os pinos analógicos possuem uma grande variação de funções.
Combinando circuitos digitais e analógicos no mesmo circuito integrado, é necessário um
grande cuidado para coordenar e isolar os dois tipos de sinais e terras. Por isso, os testadores de
circuitos mistos possuem um custo muito mais elevado por pino do que outros testadores. Para
amortizar esse custo é realizado o teste em uma grande quantidade de produção. Além disso, é
mantido um custo menor deixando o tempo o menor possível. Para isso é necessário manter a
quantidade de vetores de teste o menor possível (MOURAD S. ; ZORIAN 2000).
2.6 Auto Teste (BIST)
Auto-teste significa a capacidade de um circuito integrado de testar-se a si próprio. O
auto-teste de um processador, significa que os vetores de teste são aplicados nele e as respostas
30
são compararadas para ver se houve um correto funcionamento sem o uso de um ATE externo,
porém usando recursos internos do processador (GIZOPOULOS D.; PASCHALIS 2004). Um
comparativo entre auto-teste e testadores externos é mostrado na Tabela 2.
Tabela 2: Testador externo x Auto-teste
Vantagens Desvantagens
Testador Externo -Pequeno aumento de -Teste não é
hardware no chip feito na velocidade
-Pequeno impacto de funcionamento
na performace do chip -Alto custo ATE
Auto-teste -Teste na velocidade -Aumento de hardware
de funcionamento -Queda de performace
-Baixo custo do ATE
-Reutilizável durante
o ciclo de vida
do produto
Fonte: (GIZOPOULOS D.; PASCHALIS 2004, p. 57)
Com o aumento da miniaturização dos circuito integrados, o uso de ATE acaba se tornando
problemático. As desvantagens do ATE em relação ao BIST são descritas abaixo (JERVAN 2005):
O ATE é um equipamento extremamente caro
Com o aumento da complexividade dos circuitos integrados, o tempo de teste continua
aumentando e o time to market esta se tornando inaceitável
O tamanho do ATE e conseqüentemente os requisistos de memória aumentam constante-
mente
A freqüência de operação do ATE deve ser maior ou igual a freqüência do DUT
2.7 Design For Test (DFT)
O chamado design for test, ou projeto visando a testabilidade são algumas técnicas usadas
para se melhorar a testabilidade de um circuito. Mesmo possuindo uma boa ferramenta para a ge-
ração de vetores de testes, falhas difíceis de detectar impedem que uma boa relação entre cober-
tura de falhas e o tempo de aplicação desses testes seja alcançada. Nesses casos uma solução
possível seria re-projetar o circuito visando a testabilidade, ou seja, melhorar a acessibilidade de
partes do circuito difíceis de testar (LUBASZEWSKI M.; COTA 2002).
31
De uma forma geral, esses métodos de DFT, melhoram a capacidade de se observar as
saídas e o comportamento dos nodos internos (observabilidade) melhorando também a capaci-
dade de se levar sinais da entrada do circuito até nodos internos do circuito (controlabilidade).
A controlabilidade de uma linha se consegue impondo nessa linha um valor lógico 0 ou 1. Num
circuito integrado o acesso físico é feito pelos pinos de entrada e saída, portanto torna-se claro
que baixos índices de controlabilidade tornarão difícil a tarefa de impor um valor lógico à nossa
escolha, numa linha interna qualquer. No entanto é uma tarefa fundamental no procedimento de
geração de testes poder detectar uma falha nessa linha. Um vetor nos permitiria a detecção
da falha se o sinal de erro nessa linha pudesse ser propagado até uma saida primária. Portanto,
a menor ou maior facilidade de se propagar esse valor até a saída do circuito se o nome de
observabilidade (FERREIRA 1998).
2.8 Conclusões
Nesse capítulo foram vistos alguns conceitos básicos na área de testes e alguns métodos
e modelos de testes. O método de verificação usado neste trabalho foi o teste estrutural e de
acordo com a Tabela 1, existem vantagens como o uso de EDA e a alta cobertura de falhas. o
modelo single stuck-at foi utilizado devido a sua simplicidade, grande utilização e independência
da tecnologia.
Neste trabalho foram usadas duas ferramentas de EDA, uma chamada de Leonardo Spec-
trum (Mentor Graphics) e a outra de Turbo Tester (JERVAN G. ; MARKUS). Conjuntamente a
essas ferramentas EDA foi usada a linguagem de programação JAVA.
Na metodologia da plataforma de verificação desenvolvida usando as EDAs não se teve a
pretensão de se igualar com um moderno ATE e sim desenvolver uma plataforma de verificação
de baixo custo que seja mais acessível para empresas de menor porte. Além disso a plataforma
desenvolvida realiza verificação em software e hardware baseado no modelo de falhas stuck-at e
não efetuando outros tipos de testes como por exemplo testes paramétricos.
3 GERAÇÃO DE TESTES PARA CIRCUITOS DIGITAIS
Para se analisar um circuito digital é necessário um modelo matemático para representá-lo.
O modelo matemático usado nesse trabalho é o SSBDD (Structurally Synthesized Binary Deci-
sion Diagrams) devido a ferramenta Turbo Tester usá-lo e esse ser um modelo bem aceito, di-
ferentemente de outros modelos BDD (Binary Decision Diagrams). Com o modelo matemático
escolhido para representar o circuito, ainda é necessário o modelo do tipo de falhas a ser tes-
tado. Neste caso escolheu-se o modelo de falhas single stuck-at. Com o modelo matemático
escolhido e o modelo da simulação de falhas, a geração automática de vetores é o caminho
ideal para se conseguir um procedimento de teste eficiente para um determinado circuito. A
geração automática de testes será vista nesse capítulo e tenta conseguir a máxima cobertura de
falhas usando vetores de testes nas entradas e analisando as saídas do circuito. A geração desses
vetores de testes, no domínio digital, foi feita através de algortimos determinísticos. Os algo-
ritmos D (ROTH 1966), PODEM (GOEL 1981), GENETIC (WHITLEY 1994), RANDOM
(MOURAD S. ; ZORIAN 2000) serão estudados nesse capítulo. O algoritmo D proposto por
Roth, precursor na área de testes, é o fundamento do algoritmo PODEM usado nesse trabalho.
Além desse algoritmo, também foram usados os algoritmos GENETIC e RANDOM.
3.1 Simulação de Falhas
A simulação de falhas (fault simulation) consiste no modelamento do circuito na presença
de falhas. Comparando a resposta do circuito com falhas e do circuito sem falhas, usando o
mesmo vetor de teste, pode-se determinar as falhas detectadas por esse vetor (CILETTI 2002).
A simulação de falhas classifica as falhas em um circuito como detectáveis ou indetectáveis.
A lista de todas as falhas é feita com o modelo single stuck-at usando a equivalência de falhas
discutida na seção 2.3.2. A simulação é inicializada com os vetores de verificação fornecidos. A
33
simulação produz uma lista de falhas. A cobertura dessas falhas, ou seja, a cobertura de falhas
é mensurada através do número de falhas detectadas e do total de falhas que consta na lista de
falhas conforme mostrado na equação 3.1.
Cobertura de falhas =
Quantidade de falhas detectadas
T otal de falhas
(3.1)
Quando se alcança a cobertura de falhas desejada, a simulação pode terminar. Se existirem
vetores que não podem ser simulados, estes podem ser removidos para diminuir a lista de vetores
de teste. Porém, se esses vetores de teste não produzirem uma cobertura adequada conforme a
equação 3.1, algumas dessas falhas não detectadas da lista de falhas podem ser passadas a um
programa de testes para se produzir novos vetores (BUSHNELL M. L.; AGRAWAL 2000). Na
Figura 11 é mostrado um circuito C() que é livre de falhas e um circuito C(f
1
) até um C(f
n
) são
cópias com falhas inseridas. O mesmo vetor é aplicado para todos os circuitos e as saídas dos
circuitos com falhas são comparadas com o circuito livre de falhas.
C ( )
Vetores
de
Teste
Comparador
C (f1 )
C (fn )
Comparador
Figura 11: Simulação de falhas
Existem diversos métodos de simulação de falhas como o serial, paralelo, dedutivo e con-
corrente. A simulação de falhas serial é o método mais lento e mais simples de todos, porém
usa menos memória. É baseada na simulação de um circuito livre de falhas (fault free) e um
circuito com a presença de uma falha e é comparado às respostas do circuito livre de falhas e
o com falha. No caso da resposta ser diferente, a falha é detectada. O processo é repetido em
seqüência para todas as falhas. O tempo de execução é proporcional ao número de falhas no
circuito. A simulação de falhas paralela simula simultaneamente o circuito sem falhas e um
número fixado de circuitos com falhas simultâneas é mais rápido que a simulação serial, porém
necessita de mais memória e um código mais complexo (AL-ASAAD 1998). a simulação con-
34
corrente é o algoritmo mais usado e limita a procura da simulação de falhas na parte relevante do
circuito (CILETTI 2002).
1
1
1
1
1
1
1
0
1
0
0
0
1
0
1
1
0
1
0
0
1
bit 0: Circuito livre de falhas
bit 1: Circuito com um s-a-0 em c
bit 2: Circuito com um s-a-1 em f
a
b
c
s-a-0
s-a-1
f
e
g
Detectada falha s-a-0 em c
d
Figura 12: Simulação de falhas paralelas
Adaptado de (BUSHNELL M. L.; AGRAWAL 2000, p. 108)
Na Figura 12 é mostrado um circuito que está sendo simulado, usando-se simulação para-
lela para em c um stuck-at-0 e f um stuck-at-1. O primeiro bit representa o circuito sem falhas
e os outros dois representam os circuitos com falhas. O primeiro bit em todas as caixas de si-
mulação é o do circuito livre de falhas, o segundo bit das caixas de simulação é o do c com um
s-a-0 e o terceiro bit é o do f com o s-a-1. No circuito sem falhas, ou seja, no primeiro bit, são
inseridos os valores a = 1 e b = 1 nas entradas. Com isso é esperado em e um bit 1 e em f um
bit 0, conforme mostrado na Figura 12. Em g é esperado o valor de 1 para o circuito livre de
falhas. Agora usando o mesmo circuito com uma falha s-a-0 ativada em c e é visto no bit 1. Com
a entrada mantida como anteriormente, ou seja, a = 1 e b = 1; em um circuito livre de falhas a
saída em e seria 1, porém como c possui um s-a-0 a saída em e fica com 0. Com o valor de f em 0
e de e em 0 a saída do circuito em g será 0. Comparando o circuito livre de falhas e o com falha
em c, é possível detectar a falha. no caso de uma falha em f, não será detectável essa falha
pelo bit 3, conforme apresenta-se na Figura 12.
3.2 Definição de Automatic Test-Pattern Generation (ATPG)
Para se testar um circuito digital, aplicam-se estímulos nas suas entradas e são analisadas as
suas saídas. A geração desses estímulos, mais o cálculo de suas saídas são chamados de test pat-
tern generation. Esses test patterns são gerados por uma ferramenta denominada automatic test
pattern generation (ATPG) e podem ser aplicados a um circuito usando automatic test equipment
(ATE) (JERVAN 2005).
35
Algoritmos ATPG simulam uma falha no circuito, e são usados métodos para que essa falha
se propague pelo circuito e acabe sendo mostrada na saída. A saída desse sinal é alterada se o
circuito possui uma falha. As falhas são propagadas em portas lógicas AND e NAND, colocando
as outras entradas em nível lógico 1. em portas lógicas OR e NOR as falhas são propagadas
colocando as outras entradas em nível lógico 0. Em portas lógicas XOR e XNOR colocando as
outras entradas em 0 ou 1 conforme o caso (BUSHNELL M. L.; AGRAWAL 2000).
3.3 Modelo BDD (Binary Decision Diagrams)
Com o constante aumento da integração de circuitos integrados em circuitos digitais mo-
dernos se faz necessário métodos e algoritmos eficientes. A eficiência de qualquer algoritmo
depende do modelo matemático usado. Durante muitas décadas foram procurados modelos
matemáticos para representação de funções booleanas. Um dos primeiros modelos aceitos foi
o BDD várias décadas atrás. Na Figura 13(a) é mostrado um circuito digital e na Figura 13(b) é
mostrado esse circuito usando o modelo BDD.
a
b
e
c
d
f
y
a)
a
b
c
1
0
y
01
0
0
1
1
b)
Figura 13: Representação de um circuito lógico usando o modelo BDD
Bryant (BRYANT 1986) propôs uma nova estrutura chamada Reduced Ordered Binary
Decision Diagrams (ROBDDs). Porém esse método é limitado em grandes circuitos devido ao
alto uso de memória. Durante a última década, muitas modificações do modelo BDD foram
propostas. Como resultado, modelos similares apareceram para representar qualquer circuito
booleano. Um modelo que surgiu na área de testes de circuitos digitais foi o SSBDD (Structurally
Synthesized Binary Decision Diagrams). Esse modelo compacto preserva a informação estrutu-
ral do circuito modelado. Além desse modelo existem outros modelos matemáticos, porém o
SSBDD possuí vantagens no domínio da simulação lógica. O tempo para se gerar um modelo
36
SSBDD é linear, respeitando o número de portas lógicas, outro modelo, o ROBDD, tem um
comportamento exponencial. Um segundo detalhe a se considerar, o modelo SSBDD possui
um tamanho linear em relação ao tamanho do circuito, enquanto o modelo ROBDD possui um
tamanho exponencial. Outro fator muito importante, é que o modelo SSBDD preserva as in-
formações estruturais do circuito (AND, OR, NOT) enquanto que outros modelos não o fazem
(JUTMAN A. ; RAIK).
O modelo SSBDD é a representação da lógica do circuito digital onde as funções booleanas
que definem um circuito combinacional como uma rede de funções booleanas básicas, como,
AND, NAND, OR, NOR, INVERTER e BUFFER. Essa técnica funciona para qualquer circuito
combinacional que seja especificado por essas 6 básicas portas lógicas. Circuitos que contenham
outros tipos de portas, devem ser convertidos a esses 6 tipos antes que se gere o modelo SS-
BDD (JUTMAN).
Devido ao que foi descrito, foi utilizado o modelo SSBDD para a geração dos testes de
circuitos. Para se chegar até esse modelo é necessário ter o arquivo descrito em um netlist do
circuito. Com esse netlist, é possível se converter para o modelo SSBDD, que será usado para se
testar o circuito. A geração desses arquivos será melhor explicado no capítulo 4.
3.3.1 Falhas Stuck-At no modelo SSBDD (Structurally Synthesized Binary Decision Di-
agrams)
Considerando o circuito da Figura 14, que possui 9 linhas e 18 falhas stuck-at (2 falhas
por cada linha). Porém, se for aplicadas a equivalência e a dominância nessas falhas, conforme
descrito na seção 2.3.2, sobrariam somente 8 falhas para se testar. Na Figura 14 são mostradas
todas as falhas s-a-0 e s-a-1 que necessariam ser testadas (RAIK 2001).
Na porta AND (1) são retiradas por equivalência as falhas s-a-0 em c e s-a-0 em d, con-
forme Figura 5(a) da página 24 que foi aqui inserida novamente com o nome de Figura 15(a),
para facilitar a explicação desse ponto. Usando a mesma lógica, para a porta AND (2) foi retirado
em e o s-a-0 e em h o s-a-0. Para a porta lógica OR foram retirados por equivalência as falhas
s-a-1 em f, s-a-1 em b e s-a-1 em g, conforme Figura 15(d). Já na porta NOT foram retiradas as
falhas s-a-0 em a e o s-a-1 em f conforme Figura 15(c).
37
a
b
c
d
e
s-a-1
s-a-1
s-a-0
s-a-1
s-a-1
s-a-1
s-a-0
s-a-0
h
g
f
y
1
2
Figura 14: Circuito digital com suas collapsed faults
s-a-0
s-a-0
s-a-1
s-a-1
s-a-0
s-a-1
s-a-1
s-a-1
s-a-1
s-a-0
s-a-0
s-a-0
s-a-0
s-a-0
s-a-1
s-a-0
s-a-1
s-a-1
s-a-1
s-a-1
s-a-0
s-a-0
s-a-0
s-a-1
s-a-0
s-a-1
s-a-1
s-a-0
a)
b)
c)
d) e)
Figura 15: Equivalência de falhas
Na Figura 16(a) é mostrado o modelo BDD para o circuito mostrado na Figura 14. Na
Figura 16(b) é mostrado o mesmo circuito usando o modelo SSBDD.
Figura 16: Representação de um circuito lógico usando o modelo BDD(a) e o SSBDD(b)
Fonte: (RAIK 2001, p. 45)
38
3.4 Método da Sensibilização do Caminho (Path Sensitization Method)
Inicialmente é necessário definir a álgebra ATPG. A álgebra ATPG é uma notação com o
propósito de representar o circuito sem erros e o com erros, simultaneamente. Tem a vantagem
de apenas necessitar uma propagação para os dois circuitos. Na Tabela 3 é mostrada a álgebra de
Roth (ROTH 1966).
Tabela 3: Álgebra de Roth
Símbolo Significado Circuito Sem Falhas Circuito Com Falhas
D (1/0) 1 0
D (0/1) 0 1
0 (0/0) 0 0
1 (1/1) 1 1
Fonte: (BUSHNELL M. L.; AGRAWAL 2000, p. 160)
De acordo com a Tabela 3, a notação D significa que para um circuito sem falhas o sinal
vale 1 e para um circuito com falhas o sinal vale 0. Já para D é 0 para um circuito sem falhas e
1 para um circuito com falhas. Maiores detalhes são descritos na seção 3.5.1.
O método da sensibilização do caminho é o mais usado (BUSHNELL M. L.; AGRAWAL 2000).
Ele consiste em três passos:
Ativação da falha: uma falha stuck-at é ativada forçando a linha de sinal num valor oposto
ao valor da falha
Propagação da falha: a falha é propagada por um ou mais caminhos para uma saída
primária do circuito
Justificação da linha: é necessário justificar uma linha através de suas entradas primárias
para propagar a falha
No segundo e no terceiro passo, é possível acontecer um conflito, isso força ao ATPG a usar
um backtrack e descartar um sinal e fazer um caminho alternativo. Considerando o exemplo da
Figura 17, e uma falha s-a-0 em B. Para isso será feito a ativação da falha colocando B em 1. A
propagação da falha é possível através de três cenários:
Propagação através do caminho f- h- k- L
39
Propagação através do caminho g - i - j - k - L
Propagação simultânea pelos dois caminhos f - h - k - L e g - i -j -k - L
A
f
C
E
g
h
i
j
k
L
B
s-a-0
1
2
3
Figura 17: Exemplo de Path Sensitization Methods
Adaptado de (BUSHNELL M. L.; AGRAWAL 2000, p. 163)
Escolhendo o primeiro caminho para a propagação. Isso quer dizer que para todas as portas
lógicas AND que estão no caminho(AND (1) e (3)) , que todas as suas entradas que não estão no
caminho devem ser colocadas em 1 e similarmente para a porta lógica OR, todas as entradas que
não estão no caminho devem ser colocadas para 0. Isso resulta em A = 1, j = 0 e E = 1. Agora é
necessário justificar essas linhas internas. Para isso colocando i = 1 para justificar j = 0. A porta
AND(2) deve ter sua saída em 1, porém ja possuí a entrada g = D. Quando temos numa AND
uma entrada em D e a outra em 1 a saída será D, deste modo, não existe maneira de colocar o
valor 1 na sua saída. Dessa forma é necessário usar outro caminho (backtrack).
Escolhendo o caminho 3, foi colocado os valores A = 1, C = 1 e E = 1 para assegurar a
propagação. Dessa forma os valores de 1 e D na AND(2) terão sua saída i = D e a AND(1) em
h = D. Como se tem uma inversora a saída j será D. Como h = D e j = D na porta OR a sua
saída será obrigatoriamente 1. Então o nosso sinal D não foi propagado para a saída e agora é
necessário um backtrack e tentar o caminho 2.
Para propagar essa falha pelo caminho 2 é necessário colocar E = 1 e C = 1. Para isso o
valor de i = D, j = D, k = D e L = D. Para isso é necessário justificar o valor de h com 0. Dessa
forma para a porta lógica AND(1) ter sua saída h = 0 e com a entrada f = D é necessário colocar
A = 0. Com isso conclui-se que o único teste possível para B s-a-0 é ABCE = 0111. Com esse
vetor de entrada a saída L (L = D) terá um valor L = 0 num circuito sem falha e L = 1 num
circuito com falha.
40
3.5 Algoritmos ATPG
Os algoritmos ATPG possuem diversas funções, além da geração de padrões de teste. É
possível também encontrar redundância ou sub-circuitos desnecessários. A definição da fronteira-
D é comum a todos os algoritmos ATPG. A chamada fronteira-D são todas as portas lógicas com
D ou D nas suas entradas e X nas suas saídas. A fronteira-D divide o circuito em duas partes, uma
com as falhas e a outra sem (BUSHNELL M. L.; AGRAWAL 2000). Os algoritmos D, PODEM,
GENETIC e RANDOM serão vistos nas próximas seções.
3.5.1 D-Algoritm
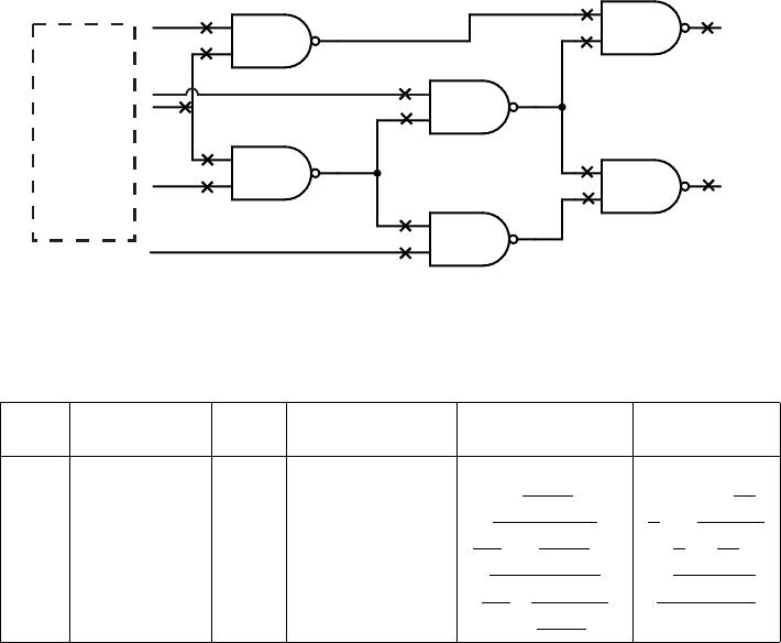
Na década de 60, testes estruturais foram introduzidos com o uso do modelo de falhas
stuck-at (WANG L.T. ; WU 2006). Esse algoritmo foi proposto para se trabalhar com a geração
de vetores de entrada em circuitos combinacionais (ROTH 1966). O algoritmo D utiliza os
valores D e D, que indicam 1/0 e 0/1 respectivamente e são propagados da linha onde existe
a possibilidade do erro até uma saída do circuito. Quando existe um valor D em um ponto do
circuito esse valor será 1 para um circuito sem erros e 0 para um circuito com erros. De uma
forma análoga, pode-se dizer que para um valor D em um circuito sem erros esse valor será 0 e
num circuito com erros será 1.
Tabela 4: Operadores Lógicos - AND
AND 0 1 x D D
0 0 0 0 0 0
1 0 1 x D D
x 0 x x x x
D 0 D x D 0
D 0 D x 0 D
Tabela 5: Operadores Lógicos - OR
OR 0 1 x D D
0 0 1 x D D
1 1 1 1 1 1
x x 1 x x x
D D 1 x D 1
D D 1 x 1 D
Fonte: (MOURAD S. ; ZORIAN 2000, p. 134)
Para provocar uma falha, é construído um cubo D primitivo por falha. Esse cubo é sim-
plesmente os valores lógicos nas entradas e saídas de uma porta lógica, que provoca a falha em
sua saída. Quando se deseja testar uma linha para um stuck-at-1 é necessário colocar o valor
contrário nessa linha
1
, ou seja, valor 0. Nesse caso, o primeiro passo a se tomar seria escolher
a porta lógica a ser testada, associado com a sua linha correspondente, e colocar o valor 0 nesse
1
Teste de um stuck-at-0, colocar D. Teste de um stuck-at-1, colocar D.
41
cubo. Então esse valor é trocado por D. Se no caso a porta lógica for uma AND de três entradas
e a falha é uma s-a-0 na saída, o cubo primitivo será [1,1,1,D]. É necessário que os três valores
dessa porta lógica estejam em 1 para se propagar um nível 1 na saída dessa porta (esse 1 acaba
sendo trocado por D). Esse cubo primitivo é ilustrado na Figura 18(a). Similarmente, para uma
porta lógica NOR de duas entradas e uma falha s-a-1 na saída, é possível um dos três cubos
[0,1,D],[1,0,D] ou [1,1,D] desde que tenha um valor 1 em qualquer uma das entradas para colo-
car a saída em 0 (esse 0 acaba sendo trocado por D, valor contrário a s-a-1, conforme mostrado
na Figura 18(a) (MOURAD S. ; ZORIAN 2000). no caso de testar nessa NOR um s-a-0 na
saída, o cubo será [0,0,D], conforme Figura 18a.
x
x
1
1
1
x
1
1
1
1
x
D
D
D
1
1
D
1
1
1
0
0
D
D
0
0
a)
b)
c)
[1,D,x]
[1,D,D]
Figura 18: Operações do Algotimo D: (a) Cubo D primitivo (b) propagação do cubo D (c) justi-
ficação
O próximo passo seria enumerar as possíveis sensibilizações dos caminhos para uma saída
primária. O cubo primitivo é propagado por qualquer um desses caminhos até a saída, usando as
operações lógicas definidas nas Tabelas 4 e 5. Para propagar a falha na Figura 18(b) é formado o
cubo D =[D,1,D]. Para isso são usados as operações mostradas na Tabela 4, ou seja, D AND 1 =
D. Após feita a escolha do caminho, o algoritmo D começa tentando propagar o sinal de erro (D
ou D) da fonte de falha, até uma saída do circuito (WANG L.T. ; WU 2006).
O procedimento de escolha dos caminhos no algoritmo D não incorpora nenhum tipo de in-
teligência no processo de decisão. Dessa forma, às vezes é possível que alguns valores não sejam
justificáveis no estado atual do circuito, porém devido a essa falta de inteligência, o algoritmo
poderá necessitar de backtrackings
2
.
2
É quando um algoritmo qualquer tentar achar alguma solução para um problema, e determina candidatos para
42
3.5.2 PODEM
A IBM introduziu memórias DRAM em mainframes na década de 70 e para essas memórias
o algoritmo D não conseguiu gerar os padrões de teste necessários, devido ao mecanismo de
busca (BUSHNELL M. L.; AGRAWAL 2000). O algoritmo PODEM (Path-Oriented Decision
Making) foi introduzido por (GOEL 1981) para trabalhar com esse tipo de circuitos. Foi o
primeiro algoritmo ATPG que restringiu a sua procura às entradas primárias. Reduziu o tamanho
da árvore de 2
n
para 2
P Is
, onde n é o número de portas lógicas e PIs é o número de entradas
primárias. Essa restrição às entradas primárias do circuito mostrou-se uma eficiente técnica para
reduzir a complexidade do algoritmo D, pois geralmente, o número de entradas do circuito é
expressivamente menor que o total de portas do circuito (WANG L.T. ; WU 2006).
Uma subrotina chamada X-PATH-CHECK foi introduzida para checar se a fronteira-D
ainda existe. Se não o algoritmo PODEM usa backtracks imediatamente. O algortimo PO-
DEM toma decisões baseadas somente nas PIs. O algoritmo PODEM a cada busca do ATPG,
verifica se a falha foi ativada. No momento em que a falha é ativada, o PODEM verifica se existe
um caminho com valores indeterminados (valor X), iniciando em uma das portas que estão na
fronteira-D e terminando em uma PO. O caminho que possui somente valores X é conhecido
como caminho-X. No caso de não existir esse caminho, possivelmente, todos os caminhos estão
sendo bloqueados pela lógica. Nesse caso o algoritmo tenta achar outro caminho-X, que seja, o
melhor caminho, baseado na medida da observabilidade das portas que estão na fronteira-D.
Para a ativação da falha e propagação do erro, o algoritmo PODEM possui três procedi-
mentos: backtrace, implicação e backtracking. A etapa de backtrace é desenvolvida excitando
um valor lógico em uma PI do circuito a fim de conseguir justificar uma linha desejada do cir-
cuito. Para isso, o algoritmo excita valores na linha até uma PI. Após isso, o algortimo passa
para a etapa de implicação. Nessa etapa, o algoritmo implica os valores lógicos nas saídas das
portas do circuito, de acordo com os valores lógicos em suas entradas. No caso de um ou mais
conflitos, ou seja, da impossibilidade de ativação da falha ou caso a fronteira-D se torne vazia,
deverá ser retomada alguma decisão(backtracking).
Outro algoritmo muito conhecido é o FAN (fan-out-oriented test generation algorithm),
que é um algoritmo mais rápido e mais eficiente que o algoritmo PODEM, de acordo com testes
essa solução e acaba abandonando um candidato x ("backtracks") devido a esse não conseguir uma possível solução.
43
em grandes circuitos combinacionais (FUJIWARA 1983). Esse algoritmo foge do escopo desse
trabalho, por isso não foi descrito.
3.5.3 GENETIC
Algoritmos genéticos são uma família de modelos computacionais inspirados na evolução.
O algoritmo genético modela uma solução para um problema específico em uma estrutura de da-
dos como a de um vetor de teste e aplica operadores que conseguem recombinar estas estruturas,
preservando certas informações. O algoritmo inicia uma população (geralmente randômica) de
vetores de testes. Esses vetores são então avaliados para gerar oportunidades reprodutivas de
forma que um vetor de teste que representa um solução mais eficaz tenha maiores chances de se
reproduzir do que os que apresentarão uma solução insatisfatória. A definição de uma solução
melhor ou pior é tipicamente relacionada à população atual (WHITLEY 1994).
De uma forma geral existem dois componentes do algoritmo genético que são dependentes
do problema: a codificação do problema e a função de avaliação. Para um problema de otimiza-
ção de parâmetros onde deve-se otimizar um conjunto de vetores de teste para se conseguir uma
alta cobertura de testes. Para se conseguir isso, o procedimento funciona com uma seqüência
de vetores de teste, chamados de população,que é melhorada iterativamente. Cada iteração é
chamada de uma nova geração. Vetores de uma geração são produzidos pelos vetores da geração
anterior, utilizando operações conhecidas como crossover, mutação e seleção. No crossover bits
dos dois vetores da velha geração são combinados para construir 2 vetores da nova geração. Na
mutação, bits de um vetor da velha geração são manipulados para criar um vetor da nova gera-
ção. Na seleção, 2 indivíduos são selecionados, onde existe a tendência em direção à seleção dos
indivíduos altamente aptos. O fitness da nova geração é avaliado por simulação das característi-
cas necessárias, tais como inicialização e detecção de falhas. A criação de vetores em gerações
anteriores tem uma tendência ao maior fitness (BUSHNELL M. L.; AGRAWAL 2000).
3.5.4 RANDOM
Os vetores de testes também podem ser gerados aleatoriamente. O custo de gerar esse teste
é mínimo. Um simulador de falhas é necessário para se testar a qualidade dos testes e a taxa
44
de cobertura. A vantagem do teste randômico é que consegue detectar uma alta porcentagem de
falhas stuck-at. Conseqüentemente, muitas ferramentas comerciais ATPG usam o teste aleatório
num primeiro estágio da geração dos vetores de testes e logo após aplicam testes determinísticos
para lidar com as falhas resistentes (MOURAD S. ; ZORIAN 2000).
3.6 Conclusões
Nesse capítulo foi visto o conceito geral do modelo BDD. Uma classe especial de BDDs
chamada de SSBDD foi explicada, a qual é mais adequada para a modelagem de um circuito
digital do que o modelo BDD. Nesse trabalho foi usado somente o modelo SSBDD para se
realizar a verificação de circuitos digitais. Os algoritmos PODEM, GENETIC e RANDOM
foram usados na verificação e os resultados obtidos são discutidos no capítulo 6. Nas seções
4.2.2 e 4.3 é descrito com detalhes o processo para se verificar os circuitos digitais.
4 ARQUITETURA PROPOSTA (ARM E FPGA)
Com o crescimento da complexidade dos circuitos VLSI (Very Large Scale Integrated Cir-
cuits) e SOC (System-on-a-Chip), a geração de testes acabou se tornando uma das etapas mais
complicadas e demoradas no domínio da concepção de circuitos integrados. Quanto mais com-
plexos se tornam os sistemas eletrônicos, mais importante se tornam as etapas de verificação e
teste.
A arquitetura proposta foi desenvolvida para verificação de circuitos digitais. Uma das
grandes dificuldades de se conseguir usar um moderno ATE, está em seu alto custo. De acordo
com Agrawal (BUSHNELL M. L.; AGRAWAL 2000), o custo de um ATE chega a alguns mil
dólares por pino do componente que está sendo testado.
A arquitetura desenvolvida pode ser dividida tanto em verificação em software como em
hardware. Na verificação em software, é possível com uma descrição de um circuito, usar os al-
goritmos ATPG para testá-lo. Foi desenvolvido um sistema computacional escrito na linguagem
Java que trabalha em conjunto com as ferramentas Leonardo Spectrum e Turbo Tester para se
realizar a verificação. Esse sistema computacional desenvolvido gerencia os outros programas
para se facilitar a verificação de circuitos digitais e será visto nesse capítulo.
Da mesma forma, o sistema computacional desenvolvido em Java, também é usado para
a verificação em hardware. Para isso foi desenvolvida uma plataforma de baixo custo que usa
um microprocessador ARM e um FPGA. O ARM estudado nesse capítulo é usado para receber
dados pela rede e transferir para o FPGA, que é usado para se emular o DUT.
46
4.1 Microcontroladores ARM
Uma tendência do mercado é termos os produtos com um baixo consumo de energia e alto
poder de processamento, uma qualidade desejável em muitos produtos eletroeletrônicos. Com
essa necessidade de mercado surgiram os microprocessadores ARM (Advanced RISC Machine).
faz um certo período que os microprocessadores ARM de 32 bits são muito usados em PDA´s,
celulares, videogames, etc. O núcleo (core) do ARM está disponível para diversos fabricantes
como Cirrus, Philips, Analog Devices, etc (SOUZA 2006). A plataforma de verificação proposta
nesse trabalho emprega uma linha de microprocessadores ARM9. Por causa dos seus cinco
estágios de pipeline, o processador do ARM9 pode trabalhar com altas freqüências de clock se
comparado à família do ARM7. Esses estágios extras aumentam o desempenho do processador.
A memória foi redesenhada para a arquitetura Harvard, que separa os dados e o barramento de
instruções. O primeiro processador da família ARM9 foi o ARM920T, que inclui de uma forma
separada a memória cache e a MMU
1
(Memory Management Unit). Esse processador pode ser
usado por sistemas operacionais (SLOSS A.N.; SYMES 2004).
Nesse trabalho inicialmente foi utilizada a TS-7300 da Technologic Systems (TECHNOLOGIC).
Essa placa possui um ARM920T(EP9302) e mais um FPGA
2
(Cyclone II), conforme mostrado
na Figura 20. Essa plataforma foi escolhida devido a alta capacidade de processamento do ARM,
por possuir um FPGA integrado para se emular o DUT e possuir uma porta de rede. O sistema
computacional desenvolvido em Java envia dados de testes para esse ARM pela rede através de
socket. O socket é descrito na seção 4.3.1. Primeiramente foram desenvolvidos programas em
linguagem C para o ARM apresentado na Figura 19, para receber dados enviados pelo sistema
computacional em Java por socket e para acessar os pinos de I/O do ARM.
Figura 19: Microcontrolador ARM9 - EP9302 da Cirrus Logic
1
É um dispositivo de hardware que transforma endereços virtuais em endereços físicos.
2
Hardware reconfigurável, o qual tem as suas funcionalidades definidas exclusivamente pelos usuários e não
pelos fabricante.
47
Figura 20: Placa TS-7300 da Technologic Systems
Após feita essa etapa o passo seguinte seria transformar esse FPGA em um DUT para
ser testado pelo pinos de I/O do ARM, porém esse FPGA vem com VGA
3
carregado nela e
isto trouxe algumas complicações, pois, na tentativa de se reprogramá-la para funcionar somente
como um DUT, o ARM acabava passando a um estado de freeze
4
, devido ao kernel que está
no ARM tentar acessar a parte do VGA que foi apagado. Dessa forma, para resolver isso ou
se reescrevia uma parte do kernel, o que seria inviável pelo tempo ou seria necessário colocar
o DUT juntamente com o VGA implementado na Cyclone II. A descrição do VGA para essa
placa é aberta no site opencores
5
. Porém, devido à limitação do tempo, acabou sendo mudada
a plataforma usada. Com isso foi escolhida a placa TB500A da Tiny-Tech (TINY-TECH 2006)
que possui o mesmo ARM920T RISC (EP9302) do fabricante Cirrus Logic conforme mostrado
na Figura 21. Esse ARM trabalha na mesma freqüência do ARM da Technologic System, ou
seja, de 200MHz. Uma grande diferença nessa plataforma da TB500A é que ela não possui um
FPGA, agora sendo necessário mais uma placa para o FPGA.
A TB500A é uma plataforma de desenvolvimento de sistemas embarcados. Essa placa
possui Ethernet 1/10/100Mbps, USB, serial, FLASH/SDRAM, SPI, AC97/I2S áudio e ADC. A
memória FLASH de 64MB usada é dividida em duas seções. A primeira ocupa 2MB e é reser-
vada para a imagem do kernel. A segunda é usada como partição usada pelo root. Uma imagem
3
VGA (Video Graphics Array) refere-se ao hardware de vídeo introduzido pela IBM.
4
Ocorre quando um programa de um microcomputador ou todo o sistema não responde mais às entradas de
teclado e mouse.
5
http : //www.opencores.org/projects.cgi/web/ts7300_opencore/overview
48
do kernel do Linux vem instalada. O kernel usado é o Linux 2.6.x que é disponibilizado pela
Cirrus Logic. O boot loader da placa é o TinyBOOT. A placa do ARM foi utilizada para enviar
e receber dados do FPGA através dos seus pinos de entrada e saída de propósito geral (GPIO-
General Purpose Input/Output). Para se acessar a placa do ARM, foi usada a interface serial
para usar o microcomputador como um terminal, dessa forma configurando a serial com uma ve-
locidade de 57600 bps, sendo possível acessar os programas que estão na placa. Inicialmente foi
desenvolvido drivers em linguagem C para acessar os pinos de I/O. Com o driver desenvolvido
foi feito programas em linguagem C para acessar esse driver e este acessar os pinos de I/O do
ARM. Mais tarde foi descoberto que é possível acessar os registradores que dão acesso aos pinos
de I/O sem a necessidade de usar drivers. A partir daí, foi simplificado o desenvolvimento dos
programas.
Figura 21: Placa TB500A da Tiny-Tech
A transferência dos arquivos para o ARM é descrita na seção 4.1.1. Essa transferência
é necessária devido ao compilador ser executado no microcomputador. Na placa TS-7300 o
compilador ficava na própria placa, o que facilitava bastante o desenvolvimento. A síntese para
o FPGA é discutida na seção 4.2, onde este foi usado para se emular o hardware que está sendo
testado, ou seja, o DUT.
49
4.1.1 Compartilhamento de arquivos usando NFS (Network File System)
Inicialmente a compilação para o ARM era feita no microcomputador e transferida por
USB. Dessa forma, toda vez era necessário montar a USB no ARM, o que levava a um grande
desperdício de tempo. Para se melhorar isso, começou a ser feita a transferência via conexão
serial, mas mesmo assim existia um bom desperdício de tempo. Por isso acabou-se optando
por usar o NFS. O NFS foi desenvolvido e implementado pela Sun Microsystems e endos-
sado por grandes companhias. O NFS é um protocolo para se acessar arquivos remotamente
(RUPPERT G.C.S. ;GEUS 2004). É o protocolo mais usado para se compartilhar arquivos em
ambientes Unix. A idéia do NFS é realizar um acesso transparente de arquivos remotos, ou seja,
as aplicações acessam arquivos que estão remotos utilizando a mesma semântica. Para isso o
sistema de arquivos é montado em algum lugar da hierarquia local de arquivos e, a partir daí, é
usado como um arquivo local. Para se fazer o compartilhamento, o servidor autentica o cliente
apenas comparando o endereço IP da máquina que fez a requisição.
Na Figura 22 é mostrado um exemplo de compartilhamento usado entre o microcomputa-
dor (servidor) e o microcontrolador ARM (cliente). Esse compartilhamento foi necessário ser
utilizado para facilitar a transferência de arquivos que foram compilados. O comando ifconfig
é usado no ARM para configurar o IP. Logo após é usado o comando mount, que compartilha
o diretório /home/testes do microcomputador sobre o IP 10.17.51.193 com o ARM no diretório
/mnt/rede. Então toda a vez que for feito um programa em C para o ARM no microcomputador e
compilado no diretório do mesmo, ele automaticamente, através de NFS, estará a disposição no
diretório do ARM, não necessitando a transferência de arquivos.
ifconfig eth0 10.17.51.192
mount -o nolock 10.17.51.193:/home/testes /mnt/rede
Figura 22: Exemplo de compartilhamento de arquivos usando NFS
4.2 Arquitetura do FPGA
O FPGA (Field Programmable Gate Array) é um componente lógico que contém uma ma-
triz bi-dimensional de células lógicas genéricas e switches programáveis. A estrutura conceitual
50
de um FPGA é mostrada na Figura 23. Uma célula lógica pode ser configurada para fazer uma
simples função e o switch programável pode ser customizado para prover interconexão entre as
células lógicas. Um circuito pode ser implementado especificando uma função para cada célula
lógica e selecionando as conexões através do switch programável (CHU 2008). Uma das maiores
utilizações do FPGA é na emulação de ASIC
6
(Application Specific Integrated Circuit). A vali-
dação da lógica do ASIC é um estágio crítico no processo de fabricação. A emulação implementa
o circuito a ser fabricado em um FPGA, onde pode-se testar as funcionalidades desse circuito.
Figura 23: Estrutura conceitual de um FPGA
Existem 3 diferentes formas de se validar um ASIC:
Protótipo em hardware. Consiste na implementação (protótipo) do circuito para análise e
verificação das funcionalidades do circuito. Os experimentos são rapidamente executados
pois a velocidade do protótipo é bem perto do circuito final
Simulação em software. Essa técnica implementa um modelo funcional e/ou elétrico da
implementação do circuito, que é simulado por um microcomputador. Uma das grandes
vantagens deste método é a redução do custo, porém o tempo necessário para simular
modelos complexos é muito alto, por isso em certos casos fica muito difícil implementá-la
Emulação lógica. Ela consiste no uso do FPGA para implementar o modelo do circuito.
Emuladores lógicos estão em algum lugar entre protótipos de hardware e simulação de
software. O modelo do sistema emulado é muito mais rápido que uma simulação em
software, porém não consegue ser tão rápido como o ASIC. Porém é muito mais fácil,
6
Circuito integrado construído para executar uma tarefa específica.
51
barato e rápido, implementar o modelo num FPGA do que construir um protótipo. Também
a emulação é mais flexível e fácil de usar. Por todas essas razões o FPGA é a mais usada
para a validação de circuitos
A placa de desenvolvimento usada é uma Spartan3 da fabricante Digilent (DIGILENT 2006),
conforme mostrado na Figura 24. A placa da Digilent possui 2Mbit de flash, 1Mbyte de SRAM,
RS232, oscilador de 50MHz, VGA, PS/2 (teclado e mouse), JTAG (para gravação do bitstream),
LEDS, Switches, display de 7 segmentos, botões, 3 portas de expansão, cada uma com 40 pinos
7
.
Figura 24: Placa da Digilent - Spartan 3
4.2.1 Fluxo de projeto em um FPGA
O fluxo de execução do modelo de um sistema em um FPGA inclui uma série de sucessivos
processos que devem ser preenchidos. De acordo com Martinez (MARTINEZ 2007) este fluxo
consiste nas seguintes etapas:
1. Desenvolvimento do sistema - Quando se desenvolve um novo sistema a partir do zero ou
mesmo na construção de um sistema a partir de outros componentes, é necessário especi-
ficar um modelo funcional do sistema. Esse modelo, comumente especifica por meio de
uma linguagem de descrição de hardware, tais com Verilog (IEEE 2005), VHDL (IEEE 2004)
ou SystemC (IEEEa 2005), o ponto de partida de qualquer fluxo de desenvolvimento num
FPGA
7
Foi usado uma dessas portas para se realizar a comunicação entre ARM e FPGA
52
2. Síntese - A síntese lógica é um processo no qual o modelo do sistema é analisado para
extrair a lógica dos elementos que foram especificadas no modelo e sua interligação
3. Simulação funcional - Uma vez que o modelo do sistema foi sintetizado, é muito aconse-
lhável se simular o resultado da síntese para determinar se ela apresenta a funcionalidade
pretendida. Vários simuladores estão disponíveis no mercado, sendo o ModelSim da Men-
tor Graphics um dos mais reconhecidos
4. Mapeamento Lógico - A lógica do mapeamento, mapeia o processo genérico da lógica
dos elementos que foram extraídos pela síntese dos próprios recursos do FPGA selecionado
5. Distribuição e roteamento - Esta etapa inclui dois diferentes processos embora altamente
interligados: distribuição e roteamento. O processo de distribuição consiste na seleção dos
recursos da lógica livre do FPGA que será usado para implementar o circuito desejado.
O processo do roteamento tenta executar as interconexões entre todos os elementos
colocados da lógica no FPGA
6. Simulação temporal - Antes de testar a implementação do sistema modelo sobre o real
dispositivo, é aconselhável simular o resultado da distribuição e do roteamento. Este não
é apenas uma simulação funcional, mas inclui a temporização e atrasos de toda a lógica e
roteamento dos recursos do FPGA que foram utilizados na implementação do circuito
7. Validação no FPGA - O último passo é a verificação da implementação no FPGA. Uma
correta execução sobre o FPGA concederá um provável sucesso do sistema
4.2.2 Síntese de circuitos HDL
Na seção 4.2.1 item 2, foi descrito brevemente a síntese de um circuito. No trabalho desen-
volvido existem duas sínteses usadas. Existe uma síntese para ASIC conforme mostrado na seção
4.2.2.1, que foi usada para se simular os circuitos com ferramentas ATPG. A segunda síntese, foi
desenvolvida para se executar os circuitos em um hardware real, ou seja, num FPGA conforme é
apresentado na seção 4.2.2.2.
53
4.2.2.1 Síntese de circuitos para simulação
Para se testar um circuito é necessário termos um circuito desenvolvido em HDL. Com
esse circuito será necessário converter com uma ferramenta de CAD
8
(Computer-Aided Design)
para o padrão EDIF
9
(Electronic Design Interchange Format). Esse padrão EDIF gerado pelas
ferramentas mais populares de CAD, incluindo Cadence, Synopsys, Mentor e Viewlogic é a
conexão para o modelo SSBDD, que é usado para simular falhas. Os circuitos utilizados para
verificação foram os benchmarks ISCAS85. Com a descrição do circuito é necessário validar
antes de ser produzido o ASIC. O circuito c17 descrito em Verilog é mostrado na Figura 25.
Neste circuito simples, como pode-se ver, as entradas são os sinais N1, N2, N3, N6 e N7 e as
saídas são os sinais N22 e N23.
module c17 (N1,N2,N3,N6,N7,N22,N23);
input N1,N2,N3,N6,N7;
output N22,N23;
wire N10,N11,N16,N19;
nand NAND2_1 (N10, N1, N3);
nand NAND2_2 (N11, N3, N6);
nand NAND2_3 (N16, N2, N11);
nand NAND2_4 (N19, N11, N7);
nand NAND2_5(N22, N10, N16);
nand NAND2_6 (N23, N16, N19);
endmodule
Figura 25: Circuito C17 descrito em Verilog
Com essa descrição em netlist conforme visto na Figura 26 que é o arquivo EDIF, é possível
passar para o modelo SBBDD conforme Figura 27. Os arquivos do modelo SBBDD possuem
a extensão AGM. Com esses arquivos AGM, que são as descrições do circuito, é possível se
utilizar as ferramentas de ATPG para se testar.
4.2.2.2 Síntese de circuitos para emulação
Da mesma forma que foi descrito na seção 4.2.2.1, para se validar o circuito usando emu-
lação em um FPGA, é necessário ter-se um circuito descrito em HDL. Foi usado o ISE 9.1
fornecido pela empresa Xilinx, para a descrição do projeto em linguagem de descrição de hard-
8
Desenho auxiliado por computador.
9
É o formato predominantemente utilizado para guardar informações eletrônicas do netlist e do esquemático.
54
(edif c17
(edifVersion 2 0 0)
(edifLevel 0)
(keywordMap (keywordLevel 0))
(library c17_lib
(edifLevel 0)
(technology)
(cell NAND_2
(cellType generic)
(view struct (viewType netList)
(interface
(port i_1 (direction input))
(port i_2 (direction input))
(port o (direction output))
)
)
(net &10GAT (joined
(portRef i_2 (instanceRef inst_4))
(portRef o (instanceRef inst_0))
)
)
(net &11GAT (joined
(portRef i_2 (instanceRef inst_3))
(portRef i_1 (instanceRef inst_2))
(portRef o (instanceRef inst_1))
)
)
(net &16GAT (joined
(portRef i_2 (instanceRef inst_5))
(portRef i_1 (instanceRef inst_4))
(portRef o (instanceRef inst_2))
)
(net &10GAT (joined
(portRef i_2 (instanceRef inst_4))
(portRef o (instanceRef inst_0))
)
)
(net &11GAT (joined
(portRef i_2 (instanceRef inst_3))
(portRef i_1 (instanceRef inst_2))
(portRef o (instanceRef inst_1))
)
)
(net &16GAT (joined
(portRef i_2 (instanceRef inst_5))
(portRef i_1 (instanceRef inst_4))
(portRef o (instanceRef inst_2))
)
Figura 26: Circuito C17 descrito em EDIF
MODE# STRUCTURAL
VAR# 0: (i_______) "i_5"
VAR# 1: (i_______) "i_4"
VAR# 2: (i_______) "i_3"
VAR# 3: (i_______) "i_2"
VAR# 4: (i_______) "i_1"
VAR# 5: (________) "i_3"
GRP# 0: BEG = 0, LEN = 1 -----
0 0: (____) ( 0 0) V = 2 "i_3"
VAR# 9: (_o______) "o_1"
GRP# 4: BEG = 8, LEN = 3 -----
8 0: (I___) ( 1 0) V = 7 "inst_4>i_1"
9 1: (____) ( 0 2) V = 5 "inst_0>i_1"
10 2: (____) ( 0 0) V = 4 "i_1"
Figura 27: Circuito C17 descrito no modo estrutural (SSBDD)
ware (Verilog) e o mapeamento das entradas e saídas do sistema na placa FPGA para comuni-
cação com o ARM. Posteriormente é realizada a síntese do circuito que será testado, ou seja, o
FPGA irá se tornar o DUT. Nesse contexto a plataforma proposta irá trabalhar com um hardware
para verificação de circuitos digitais de baixo custo. Para se conseguir isso o testador contará com
um FPGA para emular o hardware e aumentar a velocidade de simulação. Esse FPGA irá emular
um hardware enquanto um ARM será responsável por enviar informações para as entradas do
circuito emulado no FPGA e analisar suas saídas. Na seção 4.3 é mostrada a arquitetura do DUT
usada em emulação. Se o circuito não se comportar como o previsto ele possui erros de projeto
e será necessário corrigi-lo. Se o resultado da emulação do hardware estiver correto, o circuito
estará pronto para ser produzido.
55
4.3 Arquitetura de verificação de circuitos usando um sistema computacional em
JAVA
A arquitetura foi desenvolvida para verificação de circuitos digitais. Pode-se basicamente
dividi-la em duas partes: verificação em software e hardware, conforme mostrado na Figura 28.
Inicialmente, para se testar um circuito é preciso tê-lo descrito em linguagem HDL (Hardware
Description Language). Para a verificação foram usados os circuitos do benchmark ISCAS85.
Com esse circuito descrito em HDL é possível usar o sistema computacional desenvolvido em
Java para converter esse circuito em HDL para um netlist. Para isso o sistema acessa o programa
Leonardo Spectrum (Mentor Graphics) e faz a síntese do circuito para ASIC e o transforma em
um netlist do circuito. Essa descrição em netlist do circuito é chamada de arquivo EDIF. Para
esse EDIF foi desenvolvida uma biblioteca que contém a descrição das portas lógicas primitivas
do circuito. O sistema em Java acessa o programa Turbo Tester e mais a biblioteca das primitivas
DUT
(FPGA)
NETWORK
HARDWARE
TURBO
TESTER
JAVA
SOFTWARE
LEONARDO
SPECTRUM
HDL
netlist
ARM
Figura 28: Arquitetura proposta
e faz a conversão do arquivo EDIF num arquivo SSBDD conforme mostrado na Figura 29. Esse
arquivo é uma representação da lógica do circuito digital que será usado para a simulação do
circuito. Com esses arquivos convertidos em SSBDD é possível usar as ferramentas de ATPG
(Turbo Tester), conforme mostrado na Figura 30. Os algoritmos disponíveis são o PODEM,
GENETIC e RANDOM. Com o uso dos algoritmos são injetados vetores de testes nas entradas
dos circuitos e são monitoradas as saídas dos circuitos. Para acelerar essa simulação e também
fazer uma análise real em hardware é possível usar um FPGA para emular o DUT, conforme
56
EDIF
HDL
Logic Synthesis
(Leonardo Spectrum)
Java
SSBDD
(Turbo Tester)
Library
SOFTWARE
Figura 29: Arquitetura de verificação em software
Java
Deterministic
Genetic
Random
SOFTWARE
SSBDD
(Turbo Tester)
Figura 30: Arquitetura de verificação proposta
mostrado na Figura 28. O sistema em Java envia por socket os vetores de testes para o microcon-
trolador ARM. O ARM, recebendo esses dados, trata esses, deixando-os serializados e injetando
no FPGA somente por um pino de I/O. Essa técnica de serializar os dados foi usada devido a
limitação de pinos no ARM e de certos circuitos sob verificação possuírem mais entradas do que
os pinos de I/O do ARM. No FPGA esses dados são recebidos e desserializados por um shift
register conforme mostrado na Figura 32(a). Esse shift register é controlado por um clock do
ARM. Após isso os dados são injetados no circuito e são recebidos por um outro shift regiter que
serializa os dados novamente conforme mostrado na Figura 32(b). O ARM recebe esses dados e
envia esses resultados da verificação dos circuitos por socket para o sistema em Java que compara
essas respostas com respostas esperadas e classifica o circuito como bom ou ruim. Na Figura 31
é mostrada uma análise de dados entre o ARM e FPGA usando o analisador lógico.
Para se testar o DUT são usados vetores de testes na entrada e analisado suas saídas. Na
Figura 32 o DUT que está sendo testado é o circuito c17 do benchmark ISCAS85. Dessa forma,
para diferenciar vetores de entrada e saída, foi usado um padrão tanto em software como em
hardware. Na entrada do DUT, um sinal em nível lógico alto é denominado de 1 e um baixo de
0. na saída do DUT, um nível lógico alto é mostrado como H e um baixo como L, conforme
apresenta-se na Figura 33. Contudo, deve-se salientar que na emulação do circuito não existe
57
Figura 31: ARM, FPGA e analisador lógico
clk
in
out(4:0)
N1N1
N2N
N3N
N6N
N7N
N22
N23
clk
sload
out
clk
in
clk
sload
d(1:0)
so
in2
DUT
(FPGA)
(a)
(b)
Figura 32: Arquitetura do DUT
sinal H e L, dessa forma o ARM converte os níveis lógicos na saída do FPGA em sinais H e L.
Na Figura 33 é mostrada a verificação para o circuito c17. Esse circuito possui cinco portas de
entrada e duas de saída.
4.3.1 Comunicação
A comunicação entre o sistema computacional desenvolvido em Java e o ARM inicial-
mente foi criada usando-se comunicação serial, com a biblioteca RXTXcom do Java. Contudo
devido ao atraso gerado com a transmissão e recepção dos dados, a comunicação foi substítuida
por sockets. Sockets é um canal generalizado de comunicação entre processos. Sockets suporta
comunicação entre processos independentes, e mesmo entre processos rodando em diferentes
58
1
2
3
4
5
6
Vetor
11101
00001
10100
11001
01110
00010
Vetores
de Entrada
LH
LL
HL
HL
LL
HH
Vetores
de Saída
Figura 33: Padrão usado para vetores de entrada e saída
máquinas se comunicando na rede. Quando é criado um socket, é necessário especificar o tipo de
comunicação usada e o tipo de protocolo implementado (LOOSEMORE S. ; STALLMAN 1993).
Para o socket implementado foram necessárias as seguintes informações:
Endereço IP
10
(Internet Protocol) do servidor
Porta onde se encontra o serviço no servidor
Endereço IP do cliente
Porta do cliente para a comunicação com o servidor
Quando se cria um socket entre programas, existem aqueles que aceitam conexões e aqueles
que fazem as conexões. Um Servidor (server) é um programa que espera conexões e presumi-
damente provê algum serviço para outros programas. Ao contrário, um cliente (client) é um
programa que se conecta a um servidor, usualmente para pedir que este lhe faça alguma coisa.
Existem diferentes tipos de protocolos, que são usados em socket. Nesse trabalho foi usado o
TCP. Além do protocolo é necessário informar o IP do server que especifica com qual computa-
dor você quer conversar. Também foi necessário informar a porta usada.
O presente trabalho usou socket conforme mostrado na Figura 34. O socket foi implemen-
tado usando a linguagem de programação Java no microcomputador (server) e em linguagem C
no ARM (client). Foi definida a porta de comunicação 3490 para se estabelecer essa conexão.
10
De uma forma genérica, pode ser considerado como um conjunto de números que representa o local de um
determinado equipamento (normalmente computadores).
59
Client machine
Server
machine
#include <stdio.h>
#include <sys/socket.h>
int cria_soquete_serv(int porta)
int recebe_do_cliente(int filedes)
int main(){}
Client
Network
ARM
Porta
Porta
import java.net.Socket;
public void envia(String pacote){}
public void recebe(String pacote){}
1000
1111
0011
LLLH
HHHH
DUT
Figura 34: Comunicação usando socket
4.4 Sistema computacional em Java
Na Figura 35 é mostrada a ferramenta de verificação de circuitos desenvolvida em Java.
Essa ferramenta controla a verificação dos circuitos. Nessa Figura são mostrado os arquivos
possíveis a serem testados. A Tabela 6 mostra as extensões de alguns arquivos mostrados na
Figura 35: Ferramenta de verificação de circuitos digitais
Figura 35 e a sua descrição.
A Figura 36 mostra uma análise de um circuito usando os vetores de testes na entrada e
60
Tabela 6: Descrição dos arquivos usados pela plataforma
Extensão do arquivo Descrição do arquivo
EDF Descrição do circuito no formato de netlist,
gerado pelo Leonardo Spectrum
AGM Descrição do circuito no formato estrutural,
o qual será possível usar os algoritmos de simulação
TST Vetores de testes
SEM EXTENSÃO Análise de cobertura do circuito
analisando os vetores de saída. Para cada vetor é marcado a verificação como PASS ou FAIL,
onde um PASS marca que esse circuito teve uma resposta correta para aquele vetor e um FAIL
como incorreto.
Figura 36: Ferramenta de verificação de circuitos digitais
61
4.5 Análise em gráficos
A análise em gráficos criada para o sistema foi feita usando a biblioteca JFreeChart
11
. A
ferramenta de verificação desenvolvida possui dois tipos de gráficos. O primeiro, que é o gráfico
em barras é usado para a medição de tempo da geração dos vetores de teste. É possível comparar
circuitos diferentes e também é possível usar algoritmos diferentes, conforme mostrado na Figura
37.
Figura 37: Análise de tempo
Nessa Figura é mostrada a verificação de 3 circuitos diferentes, onde a cada circuito foi
aplicado um algoritmo diferente (PODEM, GENETIC, RANDOM). No circuito c17 quase não
existe diferença de tempo, devido ao circuito ser muito pequeno. no circuito c432 e c499
é possível ver que o algoritmo GENETIC demora mais tempo que o PODEM e o RANDOM.
Contudo, deve-se salientar que somente um baixo tempo não garante uma solução satisfatória,
pois o ideal seria um baixo tempo e uma alta taxa de cobertura com uma quantidade reduzida de
vetores de teste. Também é possível um segundo tipo de gráfico que faz a análise da cobertura
desse circuito conforme a quantidade de vetores testados, apresentado na Figura 38. A cober-
tura da verificação da Figura 38 é calculada usando a fórmula 3.1. Nessa Figura é mostrado a
11
JFreeChart é uma biblioteca gráfica para Java, que suporta uma ampla variedade de gráficos, incluindo gráficos
(2D e 3D), barra de gráficos, etc.
62
verificação para o circuito c432 e são necessários um pouco mais de 75 vetores de testes para
se conseguir uma taxa de cobertura de quase 95%. No Anexo A é apresentada a análise gráfica
da simulação temporal dos circuitos do benchmark ISCAS85. no Anexo B, é mostrada uma
análise da taxa de cobertura usando o algoritmo PODEM.
Figura 38: Análise de cobertura
4.6 Emulação de falhas
A utilização dos princípios da lógica de emulação e ferramentas no sentido de acelerar o
modelo de experimentos baseado na injeção de falhas é conhecida como emulação de falhas.
Uma das primeiras tentativas de utilização da lógica de emuladores com injeção de falhas foi
proposto por (BURGUN et al. 1996) sob o nome emulação serial de falhas. Um programa foi
usado para a implementação de modelos de sistemas para o FPGA e para gerar o arquivo de con-
figuração dos circuitos fault-free. Este arquivo poderá ser usado para depurar o circuito e obter
os valores esperados para os resultados considerados. Essa mesma ferramenta gerou um novo
arquivo de configuração para cada falha a ser injetada no sistema. Estes arquivos reconfiguram
a lógica emulada para emular o comportamento do sistema na presença de uma falha particular
injetada. Neste trabalho, a injeção de falhas consistiu nos seguintes passos:
63
1. Execução do circuito livre de falhas em simulação
2. Configuração da lógica emulada para injetar a falha
3. Emulação do circuito defeituoso
4. Reconfiguração da lógica emulada para remover a falha
Assim, a metodologia da emulação serial de falhas envolve síntese e implementação de um
modelo diferente para cada falha injetada no sistema, e a reconfiguração do FPGA para injetar
e deletar cada falha encontrada. Embora o FPGA acelere a execução do processo de emulação
de falhas, existe um enorme desperdício de tempo para injetar e deletar cada falha, pois se faz
necessária uma nova síntese. Dessa forma, existem diversos métodos melhores para a injeção
de falhas como o uso de registradores de deslocamento, multiplexadores e outros, descritos em
(MARTINEZ 2007) (KOCAN e SAAB 2001) (ELLERVEE et al.) (KOCAN e SAAB 2007)
(PELLEGRINI et al. 2008). Dessa forma, foi utilizado o método de injeção serial de falhas
descrito acima onde é necessário reconfigurar o FPGA para cada falha inserida.
4.7 Conclusões
Nesse capítulo foi descrita a plataforma de verificação, tanto em simulação quanto em
emulação. Essa plataforma trabalha com testes estruturais baseados no modelo de falhas single
stuck-at. A plataforma foi desenvolvida e prototipada na placa TB500A da Tiny-tech, mais uma
placa com um FPGA. O desenvolvimento de drivers e programas em C para a placa TB500A,
necessitou de pesquisa, entendimento e escrita de rotinas para se acessar os pinos de I/O do ARM,
para que fosse possível a comunicação entre ARM e FPGA. Também foi necessário utilizar o
software ISE para a síntese dos circuitos que foram testados no FPGA.
A ferramenta desenvolvida em linguagem Java, permitiu a integração de várias ferramentas
e o uso de gráficos para a análise dos circuitos e algoritmos utilizados.
5 ANÁLISE EM SIMULAÇÃO DO CIRCUITO C17 DO BENCHMARK ISCAS85
No capítulo 4, foi apresentada a arquitetura usada para verificação e no capítulo 6, serão
apresentadas as verificações realizados nos circuitos. Essas verificações levam em conta somente
os vetores que entram no circuito e os vetores que saem, dessa forma, não realizando uma análise
mais profunda da parte interna do circuito. Este capítulo apresenta uma análise mais aprofundada
levando em consideração apenas o circuito c17.
Esse estudo foi realizado para se obter uma análise mais detalhada do circuito e, no caso de
o circuito ser defeituoso, tentar identificar onde está essa falha. Em circuitos maiores essa tarefa
fica cada vez mais complexa, devido ao enorme número de portas lógicas presentes. Esse estudo
foi separado em três seções, onde cada seção foi analisada em relação ao circuito c17, utilizando
um algoritmo diferente.
5.1 Algoritmo PODEM
Nessa seção foi analisado o circuito c17 utilizando os vetores de teste gerados pelo algo-
ritmo PODEM. O conjunto de verificação é constituído de 7 vetores e é descrito na Tabela 7.
Na Tabela 7 são mostrados os vetores de testes e suas respectivas respostas para circuitos
sem defeitos. Cada vetor de teste consegue detectar uma quantidade determinada de falhas.
Dessa forma, o vetor 1 mostrado na Tabela 7, consegue identificar 11 falhas, onde 7 delas são
falhas s-a-0 e 4 são s-a-1. Cada número mostrado na Tabela 7, corresponde a um local de falha
analisado no circuito c17 e é mostrado com um X, conforme é apresentado na Figura 39. Em
cada ponto analisado é possível ter uma falha s-a-0 ou s-a-1. No caso do vetor 2, as falhas 12,13
(s-a-0) e 15 (s-a-1), estão riscadas na Tabela 7, devido ao vetor 1 já ter testado esses nós.
65
A
B
C
D
E
Y1
Y2
U1
U2
U3
U4
U5
U6
1
2
3
4
5
6
7
15
9
10
11
12
13
14
8
11100
11000
00001
11101
10100
01110
00011
ABCDE
Figura 39: Circuito c17 do benchmark ISCAS85
Tabela 7: Vetores de teste para detecção de falhas do circuito c17 do benchmark ISCAS85
Vetor Vetor de teste Saída Quantidade de Local da falha Local da falha
ABCDE Y1Y2 falhas detectadas (Stuck-at-0) (Stuck-at-1)
1 11100 LL 11 1,2,3,10,11,12,13 5,7,14,15
2 11000 HL 7 6,7,12,13,14 2,3,9,10,15
3 00001 LL 2 10,11,12,13 3,4,6,9,14,15
4 11101 LH 4 2,3,4,5,10,11,15 7,13,14
5 10100 HL 1 6,7,12,13,14 1,5,9,10,15
6 01110 LL 1 6,7,8,12,13,14 1,5,9,10,15
7 00011 HH 4 8,9,14,15 11,12
Conforme a seção 2.3.1, a quantidade de falhas em um circuito é descrita pela fórmula
2 n, onde n é o número de linhas do circuito. No circuito c17 foram encontrados 15 pontos para
análise. Dessa forma, pela fórmula descrita acima, a quantidade de falhas é o dobro do número
de linhas analisadas, ou seja, 30. A Figura 40 mostra a análise feita pelo sistema. Essa figura
mostra os 7 vetores usados na verificação e sua taxa de cobertura. O vetor 1 mostrado na Tabela
7, consegue identificar 11 falhas stuck-at, dessas falhas, 7 são falhas stuck-at-0 e 4 são stuck-at-1.
O vetor 1 alcança uma taxa de cobertura 36.666667%. Essa taxa é calculada pela fórmula 3.1,
descrita na seção 3.1. A taxa de cobertura é mensurada pela quantidade de falhas detectadas, no
caso 11, pela quantidade de total de falhas, no caso de 30 (11/30).
o vetor 2 consegue identificar somente 7 falhas stuck-at, isso acontece devido ao vetor
anterior já ter identificado as falhas 12, 13 (s-a-0) e 15 (s-a-1). Se no caso não tivesse sido usado
o vetor 1, o vetor 2 teria identificado 10 falhas. Os outros vetores testados conseguirão aumentar
pouco a taxa de cobertura, devido ao fato de terem sido identificadas as falhas em diversos
pontos, conforme mostrado na Tabela 7 e Figura 40. Dessa forma, o resultado de cobertura é
66
Coverage progress report:
Pattern 1: coverage 36.666667 % (11/30)
Pattern 2: coverage 60.000000 % (18/30)
Pattern 3: coverage 66.666667 % (20/30)
Pattern 4: coverage 80.000000 % (24/30)
Pattern 5: coverage 83.333333 % (25/30)
Pattern 6: coverage 86.666667 % (26/30)
Pattern 7: coverage 100.000000 % (30/30)
Figura 40: Análise da taxa de cobertura do circuito c17 feita pelo sistema
cumulativo e só pode ser alcançado se forem usados todos os vetores.
Figura 41: Análise gráfica da taxa de cobertura do circuito c17
Uma análise do circuito c17 para a falha localizada em 1 é apresentada na Figura 42. Dessa
forma, o algoritmo tenta propagar essa falha na posição 1, até uma saída primária. Essa análise
foi realizada para o vetor 1. Esse vetor coloca em B e C o valor lógico 1 e com esse valor é
testado o valor contrátio, ou seja, 0 (stuck-at-0). Nessa figura é mostrada o valor lógico l e esse é
trocado de 1 em B por D, conforme descrito na seção 3.4. Na porta lógica NAND U2, mostrado
na Figura 42, uma entrada é D e a outra é 1. Para uma porta lógica NAND com entradas em D e
1, a saída será D. Já para a porta U4, as entradas são 1 e D e sua saída ficara em D. Continuando
a propagação do sinal, na porta U6 as entradas são D e 1, então a saída será D. Se for analisado
a Tabela 7 para o vetor 1, é visto que a saída deveria ser L, ou seja, valor em nível lógico 0.
Então,se a saída for D e tiver valor 0, para esse vetor, o circuito não terá defeitos s-a-0 em 1.
se o valor de D fosse 1, esse circuito teria falhas. Pela equivalência de falhas, quando se
testa uma porta lógica NAND, é possível retirar falhas equivalentes na entrada 2 (s-a-0) e saída
67
7 (s-a-1) para a porta U2.
A
B
C
D
E
Y1
Y2
U1
U2
U3
U4
U5
U6
1
2
3
4
5
6
7
15
9
10
11
12
13
14
8
1
1
1
0
0
D
D
D
D
Figura 42: Análise do circuito c17 para a falha 1
5.2 Algoritmo GENETIC
O circuito testado nessa seção é o c17 e a Figura 43 foi mostrada novamente para um
melhor entendimento e utilizou-se o algoritmo GENETIC. O conjunto dos 4 vetores testados é
descrito na Tabela 8.
A
B
C
D
E
Y1
Y2
U1
U2
U3
U4
U5
U6
1
2
3
4
5
6
7
15
9
10
11
12
13
14
8
Figura 43: Circuito c17 do benchmark ISCAS85
O vetor 1 consegue detectar 12 falhas e consegue uma cobertura de 40%, conforme apre-
sentado na Tabela 8 e Figura 44. Os outros vetores conseguem uma taxa de cobertura de 70%,
90% e 100%, respectivamente. É importante ressaltar que esse algoritmo conseguiu uma taxa de
cobertura de 100%, conforme mostrado na Figura 45 e necessitou somente de 4 vetores de testes,
enquanto o algoritmo PODEM necessitou de 7 vetores. O algoritmo GENETIC consegue esco-
68
Tabela 8: Vetores de teste para detecção de falhas do circuito c17 do benchmark ISCAS85
Vetor Vetor de teste Saída Quantidade de Local da falha Local da falha
ABCDE Y1Y2 falhas detectadas (Stuck-at-0) (Stuck-at-1)
1 11110 LL 12 1,2,3,10,11,12,13 5,7,8,14,15
2 10101 HH 9 3,4,5,6,7,14,15 1,10,13
3 01011 HH 6 8,9,14,15 2,3,11,12
4 01001 LL 3 10,11,12,13 3,4,6,9,14,15
lher os melhores vetores de testes, ou seja, os que conseguem detectar o maior número possível
de falhas, porém esse algoritmo necessita de um maior tempo computacional.
Coverage progress report:
Pattern 1: coverage 40.000000 % (12/30)
Pattern 2: coverage 70.000000 % (21/30)
Pattern 3: coverage 90.000000 % (27/30)
Pattern 4: coverage 100.000000 % (30/30))
Figura 44: Análise da taxa de cobertura do circuito c17 feita pelo sistema
Figura 45: Análise gráfica da taxa de cobertura do circuito c17
5.3 Algoritmo RANDOM
O último estudo feito no circuito c17 foi usando o algoritmo RANDOM. A análise feita
desse algoritmo é apresentada na Tabela 9. A análise dessa tabela mostra valores de testes simi-
lares ao algoritmo PODEM. Ainda são mostradas as taxas de cobertura do circuito nas Figuras
69
46 e 47.
Tabela 9: Vetores de teste para detecção de falhas do circuito c17 do benchmark ISCAS85
Vetor Vetor de teste Saída Quantidade de Local da falha Local da falha
ABCDE Y1Y2 falhas detectadas (Stuck-at-0) (Stuck-at-1)
1 01110 LL 11 1,2,3,10,11,12,13 5,8,14,15
2 11001 HL 7 6,7,12,13,14 2,3,4,9,10,15
3 11100 LL 1 1,2,3,10,11,12,13 5,7,14,15
4 01111 LH 4 1,2,3,4,5,10,11,15 8,13,14
5 01001 LL 1 10,11,12,13 3,4,6,9
6 10101 HH 1 3,4,5,6,7,14,15 1,10,13
7 01011 HH 4 8,9,14,15 2,3,11,12
Coverage progress report:
Pattern 1: coverage 36.666667 % (11/30)
Pattern 2: coverage 63.333333 % (19/30)
Pattern 3: coverage 66.666667 % (20/30)
Pattern 4: coverage 80.000000 % (24/30)
Pattern 5: coverage 83.333333 % (25/30)
Pattern 6: coverage 86.666667 % (26/30)
Pattern 7: coverage 100.000000 % (30/30)
Figura 46: Análise da taxa de cobertura do circuito c17 feita pelo sistema
Figura 47: Análise gráfica da taxa de cobertura do circuito c17
70
5.4 Conclusões
Nesse capítulo foi analisado o circuito c17 usando os algoritmos PODEM, GENETIC e
RANDOM. Essa análise foi realizada para se ter um melhor conhecimento do que acontece
internamente no circuito e poder identificar o local da falha. A análise desse capítulo, onde se
tenta localizar a falha e identificar as falhas equivalentes, foi realizada com sucesso, porém em
circuitos maiores, deve-se ressaltar que existe um alto grau de complexidade.
6 RESULTADOS
6.1 Descrição dos circuitos testados
Nessa seção é investigado o tempo requerido para se verificar os circuitos em software
e hardware. Para esta verificação, foram usados os circuitos do benchmark ISCAS85. No
anexo C é mostrado uma descrição mais completa desses circuitos. Os circuitos que estão
sendo verificados foram emulados num FPGA, sendo necessário o uso do programa ISE 9.1
(Xilinx) para a síntese dos circuitos. O circuito sintetizado é implementado numa Spartan
3 (XILINX 2004) da Xilinx. o ARM usado no hardware para injetar os sinais no FPGA é
o EP9302 (CIRRUS LOGIC 2005) da Cirrus Logic.
A descrição dos circuitos do benchmark ISCAS85 é tabulada na Tabela 10. Nessa Tabela,
são apresentadas as entradas e saídas (I/O), e o número de portas lógicas ( Núm. Gates) e número
de testes para os algoritmos PODEM, GENETIC e RANDOM dos circuitos, são tabulados nessa
ordem. Deve-se salientar que a quantidade de vetores de testes gerados pelo algoritmo GENETIC
pode variar um pouco, pois para este algoritmo não existe uma solução única.
6.2 Resultados Experimentais em Simulação
Na Tabela 11 é mostrada a análise em software para os circuitos do benchmark ISCAS85.
Nessa Tabela, são mostrados os circuitos e seus respectivos tempos (T) para simulação e a taxa
de cobertura (TC), conforme o algoritmo usado. Esse tempo leva em conta o tempo do sistema
computacional desenvolvido em Java para se acessar o Turbo Tester, mais o tempo da ferramenta
Turbo Tester para se analisar o circuito. Dessa forma, a cobertura será a mesma alcançada pela
ferramenta Turbo Tester, porém o tempo será a soma dos tempos das duas ferramentas.
72
Tabela 10: Descrição dos benchmarks ISCAS85
Núm. Núm. Núm. de Testes Núm. de Testes Núm. de Testes
de I/O de Gates PODEM GENETIC RANDOM
c17 5/2 6 7 4 7
c432 36/7 160 72 48 76
c499 41/32 202 123 86 100
c880 60/26 383 84 56 92
c1355 41/32 546 118 118 118
c1908 33/25 880 149 123 185
c2670 233/140 1269 152 152 152
c3540 50/22 1669 201 158 250
c5315 178/123 2307 147 119 203
c6288 32/32 2416 41 23 47
Analisando a Tabela 10, sem levar em conta a taxa de cobertura, é visto que o algortimo
que consegue o menor número de vetores é o GENETIC, seguido pelo PODEM e o RANDOM.
Porém, com uma taxa de cobertura um pouco superior ao PODEM, o algoritmo GENETIC pre-
cisa de um tempo computacional maior que o PODEM, conforme apresentado na Tabela 11.
Dessa forma, apesar do algoritmo GENETIC conseguir um número reduzido de vetores de testes,
dependendo do circuito ele demanda um alto tempo de processamento. O algoritmo PODEM
esta baseado no algoritmo D, ou seja, é uma melhoria do algoritmo D. O método de busca do
algoritmo D, está baseado na quantidade de portas lógicas. Dessa forma, se houver um circuito
com muitas portas lógicas, essa verificação será mais demorada. Já o método de busca do algo-
ritmo PODEM está baseado no número de entradas desse circuito. Por isso quanto se aplicou a
verificação para circuitos com muitas portas lógicas que possuem poucas entradas, como o cir-
cuito c1908, o algoritmo PODEM mostrou um desempenho superior em relação aos algoritmos
GENETIC e RANDOM.
6.3 Resultados Experimentais em Emulação
Na tabela 12 são mostrados os resultados para a emulação em hardware. Os vetores que
são usados na verificação em hardware, são os mesmos usados em software e são transferidos por
socket pela ferramenta desenvolvida em Java. Dessa forma, a parte da verificação em hardware
não possui o gerador de vetores de testes e a análise das saídas dos circuitos emulados é feita no
sistema computacional. Como em hardware não existe o gerador de vetores de teste, a diferença
de tempo na verificação usando diferentes algoritmos em emulação, esta relacionada a quantidade
73
Tabela 11: Taxa de cobertura e tempo de simulação para o circuito
Circuito PODEM GENETIC RANDOM
T(ms) TC T(ms) TC T(ms) TC
c17 15 100% 21 100% 16 100%
c432 47 86,20% 453 93,01% 78 93,01%
c499 172 99,63% 1860 99,63% 375 99,63%
c880 78 100% 1265 100% 329 99.39%
c1355 16 99,63% 16 99,63% 15 99,63%
c1908 234 99,53% 2579 99,60% 750 99,56%
c2670 16 95,01% 16 95,01% 16 95,01%
c3540 516 95,33% 7390 95,68% 1718 95,59%
c5315 750 98,98% 9703 99,29% 1516 99,29%
c6288 235 99,30% 8524 99,30% 1187 99,30%
Tabela 12: Emulação em Hardware
Circuito Síntese PODEM GENETIC RANDOM
para FPGA(min/s) Tempo(ms) Tempo(ms) Tempo(ms)
c17 00:56 >0 >0 >0
c432 00:57 31 31 31
c499 00:59 78 109 109
c880 01:02 78 63 79
c1355 00:57 109 109 110
c1908 01:06 171 78 125
c2670 02:06 180 152 160
c3540 01:20 125 94 188
c5315 02:36 175 145 165
c6288 03:21 63 62 62
de vetores de teste usada. É possível notar que existe um menor tempo conforme apresenta-se
na Tabela 12, se comparada aos mesmos circuitos e algoritmos mostrados na Tabela 11. Isso se
deve ao fato da verificação em hardware ser mais rápida do que a em software, apesar de a parte
em hardware não possuir o gerador de vetores. Porém, deve-se salientar que esse tempo visto na
Tabela 12 leva em conta o tempo de envio e recebimento de dados por socket, o de tratamento
dos dados na entrada e saída do DUT e o de propagação no DUT.
7 CONCLUSÕES
Nesse trabalho foi proposta uma metodologia de verificação de circuitos integrados. O
objetivo do teste de circuitos integrados é identificar e isolar dispositivos falhos. Então, com o
crescimento da microeletrônica no país, se faz necessário a criação e aperfeiçoamento de novas
técnicas, para que sejam criados dispositivos de testes cada vez mais eficientes e de preferência
com custos acessíveis às empresas de menor porte.
O estudo apresentado no início do presente trabalho inclui a descrição dos conceitos bási-
cos na área de testes e sua aplicação para geração de testes usando o modelo de falhas stuck-
at. Para isso, se fez necessário a descrição do circuito em um modelo matemático. O modelo
matemático usado para representar os circuitos que foram testados, foi o SSBDD. Com o modelo
de falhas e o modelo matemático, trabalhou-se com a verificação usando os algoritmos PODEM,
GENETIC e RANDOM. Na seção 4, foi mostrada a arquitetura usada para a verificação de
circuitos integrados. Nessa seção, foi usada a ferramenta Turbo Tester e Leonardo Spectrum,
gerenciadas pela plataforma computacional desenvolvida em Java. Essa plataforma foi usada
tanto para verificação em simulação, como emulação. Na parte da verificação em emulação, foi
descrita a arquitetura do ARM e FPGA usadas. na seção 5, foi mostrado um estudo mais
completo dos testes na parte interna do circuito c17. E na seção 6, são mostrados os resultados
alcançados, usando a plataforma gerenciadora em Java.
Inicialmente a plataforma de verificação foi criada para trabalhar em placas de desenvolvi-
mento (DIGILENT ,TECHNOLOGIC e TINY-TECH). O passo seguinte seria transformar essa
plataforma de verificação em um ambiente usando um ARM e FPGA projetados dentro das de-
pendências da UNISC. Dessa forma, o projeto da placa de circuito impresso ficou completo, na
descrição dos circuitos (esquemático
1
) e na ligação dos componentes elétricos (roteamento
2
). No
1
É uma representação gráfica das ligações elétricas de um circuito.
2
É o processo que conecta os componentes eletrônicos através de trilhas.
75
momento essa placa projetada está sendo fabricada e necessitando posteriormente de montagem
e testes. No Anexo E é mostrado o projeto da placa de circuito impresso. É possível num trabalho
futuro o uso desse hardware para testes de circuitos, porém não sendo o objetivo desse trabalho.
Na seção 6, foram mostrados os resultados alcançados pela plataforma. Apesar de exis-
tir um certo atraso na propagação dos vetores de teste pela rede na verificação em emulação,
conclui-se que a realização dessa verificação foi realizada com êxito. Em simulação a verifi-
cação também foi realizada de uma forma satistatória. Então, pelo que foi descrito, conclui-se
que foi alcançada a metodologia de verificação proposta como contribuição. a parte do pro-
jeto de um testador de baixo custo usando uma linguagem de programação foi concluída usando
duas plataformas de desenvolvimento (DIGILENT e TINY-TECH) de baixo custo e não com
um projeto de um hardware próprio. Uso de um microcontrolador novo que possui um sistema
operacional, foi concluído com êxito, pois esse é necessário para a emulação. Finalmente, um
grande diferencial da plataforma desenvolvida é a sua flexibilidade. O ambiente de verificação
está sendo executado no microcomputador, porém o ambiente de simulação poderia ser todo exe-
cutado dentro do ARM. Como o ARM possui um sistema operacional Linux, seria possível rodar
aplicações de verificação no próprio ARM. Também seria possível expandir o uso do ARM para
aplicações em outras áreas de pesquisa.
Esse trabalho apresentou uma nova plataforma de verificação para circuitos combina-
cionais e foi publicado no XV Iberchip conforme mostrado no Anexo D. Com o sistema com-
putacional desenvolvido em Java é possível se verificar circuitos usando diferentes algoritmos.
Essa plataforma mostrou um ambiente de simulação e emulação em hardware utilizando FPGA
para acelerar a verificação de circuitos integrados. Um grande diferencial dessa plataforma é
que ela utiliza somente componentes de baixo custo. Outro grande diferencial é a integração de
várias ferramentas, para verificação em software e em hardware.
7.1 Trabalhos Futuros
A plataforma desenvolvida, mesmo ficando muito longe de um moderno ATE, usa so-
mente componentes de baixo custo, o que lhe proporciona um grande diferencial e abre caminho
para que sejam elaborados outros trabalhos para se chegar mais perto dos ATE disponíveis no
mercado. Como trabalho futuro pretende-se implementar essa plataforma para verificação de
76
circuitos seqüênciais. Também é possível implementar um método mais eficaz para se injetar e
deletar as falhas, como o uso de registradores de deslocamento.
REFERÊNCIAS
[AL-ASAAD 1998]AL-ASAAD, H. Lifetime Validation of Digital Systems via Fault Modeling
and Test Generation. Tese (Doutorado) — The University of Michigan, 1998.
[BERGER I.; KOHAVI 1973]BERGER I.; KOHAVI, Z. Fault Detection in Fanout-Free Combi-
national Networks. Transactions on Computers, v. 100, n. 22, p. 908–914, 1973.
[BRYANT 1986]BRYANT, R. Graph-based algorithms for boolean functions. IEEE Trans. on
Computers, C-35 (8), p. 677–691, 1986.
[BURGUN et al. 1996]BURGUN, L. et al. Serial fault emulation. In: Annual ACM IEEE Design
Automation Conference: Proceedings of the 33 rd annual conference on Design automation.
[S.l.: s.n.], 1996. v. 3, p. 801–806.
[BUSHNELL M. L.; AGRAWAL 2000]BUSHNELL M. L.; AGRAWAL, V. D. Essentials of
Electronic Testing for Digital, Memory and Mixed-Signal VLSI Circuits. Dordrecht. [S.l.]: The
Netherlands: Kluwer Academic Publishers, 2000.
[CHU 2008]CHU, P. P. FPGA Prototyping by VHDL Examples: Xilinx Spartan-3 Version. [S.l.]:
Wiley-Interscience, 2008.
[CILETTI 2002]CILETTI, M. Advanced digital design with the Verilog HDL. [S.l.]: Prentice
Hall, 2002.
[CIRRUS LOGIC 2005]CIRRUS LOGIC. EP9302 Data Sheet. [S.l.], 2005.
[DIGILENT 2006]DIGILENT. Spartan-3 Starter Kit Board User Guide. [S.l.], 2006.
[ELLERVEE et al.]ELLERVEE, P. et al. Fault Emulation on FPGA: A Feasibility Study. In:
Proc. 21st Norchip Conference. [S.l.: s.n.]. p. 92–95.
[FERREIRA 1998]FERREIRA, J. Introdução ao projecto com sistemas digistais e microcon-
troladores. [S.l.]: FEUP Edições, 1998.
78
[FUJIWARA 1983]FUJIWARA, H. . S. T. On the acceleration of test generation algorithms.
IEEE Transactions on Computers, v. 32, p. 1137–1144, 1983.
[GIZOPOULOS D.; PASCHALIS 2004]GIZOPOULOS D.; PASCHALIS, A. Z. Y. Embedded
Processor-Based Self-Test. [S.l.]: Dordrecht, The Netherlands: Kluwer Academic Publishers,
2004.
[GOEL 1981]GOEL, P. An implicit enumeration algorithm to generate tests for combinational
circuits. IEEE Transactions on Computers, v. 30, n. 3, p. 215–222, 1981.
[HANSEN et al. 1999]HANSEN, M. et al. Unveiling the ISCAS-85 Benchmarks: A Case Study
in Reverse Engineering. IEEE DESIGN & TEST OF COMPUTERS, IEEE Computer Society,
p. 72–80, 1999.
[HENNES e SANTOS R.R.; MOLZ 2009]HENNES, M.; SANTOS R.R.; MOLZ, R. Plataforma
para testes de circuitos digitais. XV Workshop Iberchip, p. 439–443, 2009.
[IEEE 2004]IEEE. Behavioural languagesPart 1: VHDL language reference manual. IEEE
Standard No. 61691-1-1. [S.l.], 2004.
[IEEE 2005]IEEE. Verilog Hardware Description Language.IEEE Standard No. 1364. [S.l.],
2005.
[IEEEa 2005]IEEEa. SystemC Language Reference Manual. IEEE Standard No.1666. [S.l.],
2005.
[JERVAN 2005]JERVAN, G. Hybrid Built-in Self-test and Test Generation Techniques for Digi-
tal Systems. [S.l.]: Dept. of Computer and Information Science, Univ., 2005.
[JERVAN G. ; MARKUS]JERVAN G. ; MARKUS, A. . P. P. . R. J. . U. R. Turbo Tester: A CAD
System for Teaching Digital Test. Microelectronics Education, p. 287–290.
[JUTMAN]JUTMAN, A. On SSBDD Model Size & Complexity. In: Proc. of 4th Electronic
Circuits and Systems Conference (ECS’03). [S.l.: s.n.]. p. 11–12.
[JUTMAN A. ; RAIK]JUTMAN A. ; RAIK, J. . U. R. SSBDDs: Advantageous Model and Ef-
ficient Algorithms for Digital Circuit Modeling, Simulation & Test. In: Proc. of 5th Interna-
tional Workshop on Boolean Problems (IWSBP’02). [S.l.: s.n.]. p. 19–20.
79
[KOCAN e SAAB 2001]KOCAN, F.; SAAB, D. ATPG for combinational circuits on config-
urable hardware. Very Large Scale Integration (VLSI) Systems, IEEE Transactions on, v. 9,
n. 1, p. 117–129, 2001.
[KOCAN e SAAB 2007]KOCAN, F.; SAAB, D. Dynamic Fault Diagnosis of Combinational
and Sequential Circuits on Reconfigurable Hardware. Journal of Electronic Testing, Springer,
v. 23, n. 5, p. 405–420, 2007.
[KRSTIC A.; CHENG 1998]KRSTIC A.; CHENG, K. T. Delay Fault Testing for VLSI Circuits.
[S.l.]: Kluwer Academic Publishers, 1998.
[LALA 1997]LALA, P. Digital Circuit Testing and Testability. [S.l.]: Academic Pr, 1997.
[LOOSEMORE S. ; STALLMAN 1993]LOOSEMORE S. ; STALLMAN, R. . M. R. . O. A. .
D. U. The GNU C Library Reference Manual. [S.l.]: Free Software Foundation, 1993.
[LUBASZEWSKI M.; COTA 2002]LUBASZEWSKI M.; COTA, E. K. M. Teste e Projeto
Visando o Teste de Circuitos e Sistemas Integrados. REIS, RA da L.(Ed.) Concepção de Cir-
cuitos Integrados, v. 2, p. 167–189, 2002.
[MARTINEZ 2007]MARTINEZ, D. A. Speeding-up model-based fault injection of deep-
submicron CMOS faults models through dynamic and partially reconfigure FPGAs. [S.l.]: Uni-
versidad Politécnica de Valencia, 2007.
[MORAES 2006]MORAES, M. STEP: planejamento, geração e seleção de auto-teste on-line
para processadores embarcados. [S.l.]: UFRGS, 2006.
[MOURAD S. ; ZORIAN 2000]MOURAD S. ; ZORIAN, Y. Principles of Testing Electronic
Systems. [S.l.]: Wiley-Interscience, 2000.
[PELLEGRINI et al. 2008]PELLEGRINI, A. et al. CrashTest: A Fast High-Fidelity FPGA-
Based Resiliency Analysis Framework. In: IEEE International Conference on Computer De-
sign, September. [S.l.: s.n.], 2008.
[RAIK 2001]RAIK, J. Hierarchical Test Generation for Digital Circuits Represented by Deci-
sion Diagrams. Tese (Doutorado) — Tallinn Technical University, 2001.
[ROTH 1966]ROTH, J. Diagnosis of automata failures: A calculus and a method. IBM Journal
of Research and Development, v. 10, n. 4, p. 278–291, 1966.
80
[RUPPERT G.C.S. ;GEUS 2004]RUPPERT G.C.S. ;GEUS, P. Uma Análise de Segurança das
Versões do Protocolo NFS. 2004.
[SABADE S.S. ; WALKER 2004]SABADE S.S. ; WALKER, D. I DDX-based test methods: A
survey. ACM Transactions on Design Automation of Electronic Systems (TODAES), ACM New
York, NY, USA, v. 9, n. 2, p. 159–198, 2004.
[SLOSS A.N.; SYMES 2004]SLOSS A.N.; SYMES, D. . W. C. ARM System Developer’s
Guide: Designing and Optimizing System Software. [S.l.]: Morgan Kaufmann, 2004.
[SOUZA 2006]SOUZA, D. Microcontroladores ARM7 (Philips - família LPC213x) - O poder
dos 32 Bits - Teoria e Prática. [S.l.]: Érica, 2006.
[SWANSON B. ; GOSWAMI 2006]SWANSON B. ; GOSWAMI, D. Using Timing Constraints
For Generating At-Speed Test Patterns. 2006.
[TECHNOLOGIC]TECHNOLOGIC. "ts-7300 manual hardware & software". disponível por
www em:< http : //www.embeddedarm.com/documentation/ts 7300 manual.pdf >.
acesso em 5 de maio, 2008.
[TINY-TECH 2006]TINY-TECH. TB500A Datasheet. [S.l.], 2006.
[WANG L.T. ; WU 2006]WANG L.T. ; WU, C. . W. X. VLSI Test Principles and Architectures:
Design for Testability (Systems on Silicon). [S.l.]: Morgan Kaufmann Publishers Inc. San Fran-
cisco, CA, USA, 2006.
[WHITLEY 1994]WHITLEY, D. A genetic algorithm tutorial. Statistics and Computing,
Springer, v. 4, n. 2, p. 65–85, 1994.
[XILINX 2004]XILINX. Spartan-3 FPGA Family: Introduction and Ordering Information.
[S.l.], 2004.
81
ANEXO A - Análise temporal em software dos benchmark ISCAS85
Figura 48: Análise temporal conforme o algoritmo dos circuitos c17, c432 e c499
Na Figura 48 são mostrados os circuitos c17, c432 e c499 usando-se os algoritmos PO-
DEM(P), GENETIC(G) e RANDOM(R). Como o circuito c17 é um circuito pequeno, apresenta
uma pequena diferença de tempo computacional para os algoritmos. Já os circuitos c432 e c499
apresentam um tempo computacional muito maior para o algoritmo GENETIC se comparado
com os outros dois. Porém, o algoritmo GENETIC consegue um quantidade menor de vetores,
se comparado ao PODEM e RANDOM. No circuito c499 o algoritmo GENETIC gera 86 vetores
de testes, enquanto que o PODEM gera 123, com a mesma taxa de cobertura, conforme mostrado
nas Tabelas 10 e 11 das páginas 72 e 73.
Analisando-se a Figura 49 é possível constatar como anteriormente que o algoritmo GE-
NETIC possuí um tempo muito superior se comparado aos outros algoritmos. Contudo o circuito
c1355 apresenta quase um mesmo tempo computacional para os algoritmos devido a simplici-
dade do teste. Já o algoritmo RANDOM consegue um tempo maior que o PODEM e na maioria
dos casos um quantidade de vetores de teste maior com um taxa de cobertura semelhante.
A Figura 50 mostra os circuitos c2670, c3540 e o c5315. Os circuitos c3540 e c5315
são circuitos maiores e possuem mais de 1200 gates. Contudo, o algoritmo PODEM consegue
82
Figura 49: Análise temporal conforme o algoritmo dos circuitos c880, c1355 e c1908
um tempo computacional muito inferior se comparado ao GENETIC. Isso acontece pelo fato do
método de busca do algoritmo PODEM estar baseado na quantidade de portas de entrada e não
no número de gates.
Figura 50: Análise temporal conforme o algoritmo dos circuitos c2670, c3540 e c5315
83
Figura 51: Análise temporal conforme o algoritmo dos circuitos c3540, c5315 e c6288
84
ANEXO B - Análise da taxa de cobertura dos benchmark ISCAS85
Figura 52: Análise de cobertura utilizando o algoritmo PODEM do circuito c432
Nas Figuras 52, 53, 54, 55, 56 e 57 é mostrado às análises da taxa de cobertura dos cir-
cuitos conforme a quantidade de vetores de testes. Foi realizado somente testes para o algoritmo
PODEM, devido a grande quantidade de gráficos gerados para os 3 algortimos. Na Figura 52 é
mostrado o circuito c432 e a sua taxa de cobertura é proporcional a quantidade de vetores, ou
seja, é bem próxima de uma reta. Já na Figura 53 é possível ver o circuito c880 e com uma taxa
de cobertura próxima de 90% com uma quantidade de 35 vetores. Com aproximadamente 80
vetores se consegue uma taxa de 100%. Dessa forma, com mais que o dobro de vetores, a taxa
de cobertura aumentou somente 10%.
85
Figura 53: Análise de cobertura utilizando o algoritmo PODEM do circuito c880
Figura 54: Análise de cobertura utilizando o algoritmo PODEM do circuito c1908
86
Figura 55: Análise de cobertura utilizando o algoritmo PODEM do circuito c3540
Figura 56: Análise de cobertura utilizando o algoritmo PODEM do circuito c5315
87
Figura 57: Análise de cobertura utilizando o algoritmo PODEM do circuito c6288
88
ANEXO C - Circuitos do benchmark ISCAS85
Neste anexo é descrito os circuitos do benchmark ISCAS85 usados em todo o trabalho. A
Tabela 13 mostra os circuitos e a quantidade de portas lógicas em cada um.
Tabela 13: Descrição dos circuitos ISCAS85
Circuito Descrição buffer not and nand or nor xor Total
do circuito
c17 Portas Lógicas 6 18 6
c432 Corretor(32 bits) 40 4 79 2 19 104 160
c499 Corretor(32 bits) 40 56 29 202
c880 ALU de 8 bits 26 63 117 87 2 61 383
c1355 Corretor(32 bits) 32 40 56 416 546
c1908 Detector e corretor(16 bits) 162 277 63 377 92 1 880
c2670 ALU de 12 bits 196 321 333 254 214 12 1193
c3540 ALU de 8 bits 223 490 498 298 68 1669
c5315 ALU de 9 bits 313 581 718 454 244 27 2307
c6288 ALU de 9 bits 32 256 2128 2416
A informação dos circuitos foi retirado a partir de http://www.eecs.umich.edu/jhayes/iscas/
onde uma mais recente publicação sobre essa engenharia reversa é mostrada em (HANSEN et al. 1999).
89
ANEXO D - IBERCHIP XV Workshop /Bs As, Argentina March 25-27,2009
Plataforma para testes de circuitos digitais
Marco A. B. Hennes, Rafael R. dos Santos, Rolf F. Molz
Universidade de Santa Cruz do Sul - UNISC
96815-900 - Santa Cruz do Sul - RS - Brasil
Email:[email protected], {rsantos, rolf}@unisc.br
Resumo—Esse artigo descreve uma plataforma de testes de cir-
cuitos integrados. Essa análise é feita em circuitos combinacionais
do benchmark ISCAS85 para falhas do tipo stuck-at. A plataforma
de testes foi desenvolvida com componentes de baixo custo, o que
à plataforma um grande diferencial. Além disso, o ambiente
realiza tanto testes em software, como em hardware. Para os
testes realizados em hardware, o ambiente emula o circuito
em um FPGA com o propósito de se comprovar os testes em
simulação em um ambiente real. Outro diferencial importante,
é a integração dos ambientes de simulação, permitindo realizar
testes em software, como em hardware.
I. I
NTRODUÇÃO
Com o crescimento da complexidade dos circuitos
VLSI(Very Large Scale Integration) e SOC(System-on-Chip),
a geração de testes acabou se tornando uma das etapas
mais complicadas e demoradas no domínio da concepção de
circuitos integrados. Quanto mais complexos se tornam os
sistemas eletrônicos, mais importante se torna as etapas de
verificação e teste. Um circuito integrado durante seu processo
de produção é submetido a diferentes tipos de testes. Um dos
testes mais utilizados é o teste estrutural, baseado em falhas
[1], o qual permite a uma medida quantitativa da cobertura de
falhas do circuito.
A plataforma proposta foi usada para testes de circuitos
digitais. A plataforma proposta foi implementada em Java
e usa mais duas ferramentas EDA(Electronic Design Au-
tomation) para se testar os circuitos. É possível dividir essa
plataforma em testes em software e em hardware. Nos testes
em software é possível, com uma descrição de um circuito,
usar algoritmos para se testar esse circuito. nos testes em
hardware, foi desenvolvida uma plataforma de baixo custo que
usa um microprocessador ARM e um FPGA. Tanto os testes
em software, como os em hardware, tem o propósito de se
conseguir um circuito que funcione corretamente. Nos dois
casos são aplicados vetores de teste na entrada do circuito e
são analisadas suas saídas. Um dos grandes desafios está em
se conseguir um conjunto reduzido de vetores de teste que
consigam uma grande cobertura do circuito. Nos testes em
hardware, o ambiente emula o circuito em um FPGA com
o propósito de se comprovar os testes em simulação em um
ambiente real. Este trabalho está organizado do seguinte modo:
a Seção II apresenta trabalhos relacionados, enquanto que a
Seção III apresenta algumas definições importantes na área de
testes de sistemas digitais e introduz a metodologia usada. A
Seção IV, mostra os tipos de algoritmos usados em testes e os
modelos de representação. A Seção V fala sobre a arquitetura
de testes proposta e a seção VI mostra os resultados obtidos.
Finalmente a Seção VII discute os resultados alcançados na
verificação de circuitos digitais.
II. T
RABALHOS CORRELATOS
Nessa seção se descreve alguns trabalhos relacionados a
testes de circuitos digitais. A utilização de FPGA para se
testar circuitos é mostrada por Kocan [2]. Nesse trabalho é
mostrado quantas vezes se consegue aumentar a velocidade, ou
seja, speeds up, usando a emulação em hardware comparado
com a análise em software. Kocan mostrou um método para
se emular circuitos combinacionais e sequênciais para falhas
stuck-at. Esse método demonstra a análise de falhas usando
hardware. Ellervee [3] mostrou também um aumento na ve-
locidade de emulação se comparado com a análise de falhas
em software. Porém, Ellervee mostra análises somente para
circuitos combinacionais.
Schneider [4] mostrou um ambiente que integra várias ferra-
mentas para testes de circuitos usando Java.
III. C
ONCEITOS FUNDAMENTAIS
Para se testar os circuitos foi utilizado o teste estrutural, que
depende de uma estrutura específica (portas lógicas, netlist) do
circuito. Umas das grandes vantagens do teste estrutural é que
ele nos permite desenvolver algoritmos. Esses algoritmos são
baseados no modelo de falhas [5]. Uma ferramenta EDA foi
usada para a geração automática dos vetores de testes. Na
área de testes de circuitos integrados a geração automática
de vetores é conhecida como ATPG(Automatic Test Pattern
Generation). A geração do teste estrutural pode acontecer
se o modelo em níveis de portas lógicas for disponibilizado [6].
No caso de se ter essa informação, uma alta taxa de cobertura
de falhas é possível com uma pequena quantidade de vetores.
A modelagem de falhas está intimamente ligada à modelagem
do circuito. O modelo de falhas stuck-at é o modelo mais
usado em testes de circuitos digitais [5].
Falhas lógicas são modeladas como falhas stuck-at. Uma falha
stuck-at força um valor fixado (0 ou 1) para uma linha de sinal
de um circuito, onde essa linha pode ser a entrada ou saída
de uma porta lógica ou flip-flop [7]. Esse stuck-at pode ser
um stuck-at-1(s-a-1) ou um stuck-at-0(s-a-0). Esse modelo é
simples e independe da tecnologia usada. Um circuito pode ter
várias falhas stuck-at. Uma linha de sinal de um circuito pode
ter um s-a-0, s-a-1 ou livre de falhas(fault-free). Um circuito
com n linhas de sinal pode ter 3
n1
possibilidades de linhas
stuck-at. Então, para um circuito de tamanho moderado é
possível ter um grande número de falhas stuck-at. Por isso
Figura 58: IBERCHIP XV Workshop (1/5)
90
é uma prática comum considerar somente o modelo de falhas
single stuck-at . Esse modelo assume que somente uma entrada
ou saída de uma porta lógica ou flip-flop pode estar s-a-0 ou
s-a-1. O número máximo de falhas single stuck-at para um
circuito com n linhas é de 2 n [5].
O número de falhas, usando o modelo de falhas single stuck-
at é consideravelmente reduzido. Analisando-se a Figura 1,
observa-se uma porta lógica NAND com uma entrada A com
s-a-1. Essa entrada sempre permancerá em nível lógico 1,
resultando em um curto-circuito para o nível lógico 1. A saída
dessa NAND é 0 quando a entrada B estiver em 1 e quando
o s-a-1 em A estiver presente. se esse circuito não possuir
o s-a-1 ou s-a-0, ou seja, for fault-free, a saída desse circuito
será 1 para as entradas mostradas na Figura 1. Então, se for
usado na entrada desse circuito A=0 e B=1, pode-se testar o
s-a-1 em A, porque existe uma diferença nas saídas do circuito
fault-free e o faulty gate [8].
Figura 1. Porta lógica NAND
Devido o que foi descrito acima(modelo simples e indepen-
dente da tecnologia), foi escolhido para testes o modelo de
falhas single struck-at. Dessa forma toda a metodologia usada
neste trabalho está baseada no modelo de falhas single struck-
at.
Para um circuito existem 2 n falhas single stuck-at, porém
muitas dessas falhas são equivalentes. Se for analisado um
circuito como se fossem simples portas lógicas, então é
possível analisar grandes circuitos. Considerando uma porta
lógica AND conforme visto na Figura 2a, qualquer falha do
tipo s-a-0 na saída ou entrada dessa porta sempre terá uma
saída constante em 0. Dessa forma é possível dizer que essas
falhas s-a-0 são equivalentes. Uma análise similar para outras
portas lógicas é possível ver na Figura 2b, 2c, 2d e 2e [5].
IV. G
ERÃO DE TESTES PARA CIRCUITOS DIGITAIS
Para se analisar um circuito digital é necessário um
modelo matemático para representá-lo. O modelo matemático
usado nesse trabalho é o SSBDD devido a ferramenta Turbo
Tester [9] usá-lo e ser um modelo bem aceito, diferentemente
de outros modelos BDD [10] [11]. Com o modelo matemático
escolhido para representar o circuito, ainda é necessário o
modelo do tipo de falhas a ser testado. O modelo de falhas
usado foi o modelo de falhas single stuck-at. Com o modelo
matemático escolhido e o modelo da simulação de falhas,
a geração automática de vetores é o caminho ideal para
se conseguir um procedimento de teste eficiente para um
determinado circuito. A geração automática de testes tenta
conseguir a máxima cobertura de falhas usando vetores de
testes nas entradas e analisando as saídas do circuito. A
s-a-0
s-a-0
s-a-1
s-a-1
s-a-0
s-a-1
s-a-0
s-a-0
s-a-1
s-a-0
s-a-1
s-a-1
a)
b)
s-a-0
s-a-1
s-a-1
s-a-0
c)
s-a-1
s-a-1
s-a-1
s-a-0
s-a-0
s-a-0
s-a-1
s-a-1
s-a-0
s-a-0
s-a-0
s-a-1
d)
e)
Figura 2. Equivalência de falhas
geração desses vetores de testes, no domínio digital, foi feita
através de algoritmos. O algoritmo D proposto por Roth [12],
precursor na área de testes, é o fundamento do algoritmo
PODEM [13] usado nesse trabalho. Além desse algoritmo,
também foram usados os algoritmos GENETIC [14][5] e
RANDOM [15].
A simulação de falhas (fault simulation) consiste no
modelamento do circuito na presença de falhas. Comparando
a resposta do circuito com falhas e do circuito sem falhas,
usando o mesmo vetor de teste, pode-se determinar as falhas
detectadas por esse vetor [16]. A simulação de falhas classifica
as falhas em um circuito como detectáveis ou indetectáveis.
A lista de todas as falhas é feita com o modelo single stuck-at
retirando as falhas equivalentes conforme mostrado na Figura
2. A simulação é inicializada com os vetores de verificação
fornecidos e produz uma lista de falhas. A cobertura
dessas falhas, ou seja, a cobertura de falhas é mensurada
através do número de falhas detectadas e do total de falhas
que consta na lista de falhas, conforme mostrado na equação 1.
Cobertura de falhas =
Quantidade de f. detectaveis
T otal de falhas
(1)
Quando se consegue uma alta cobertura de falhas, a simulação
pode terminar. Se existirem vetores que não podem ser simula-
dos, estes podem ser removidos para diminuir a lista de vetores
de teste. Porém, se esses vetores de teste não produzirem uma
cobertura adequada conforme a equação 1, algumas dessas
falhas não detectadas da lista de falhas podem ser passadas a
um programa de testes para se produzir novos vetores [5]. Um
circuito C() é livre de falhas e um circuito C(f
1
) até um C(f
n
)
são cópias com falhas inseridas. O mesmo vetor é aplicado
para todos os circuitos e as saídas dos circuitos com falhas são
comparadas com o circuito livre de falhas, conforme mostrado
na Figura 3.
Figura 59: IBERCHIP XV Workshop (2/5)
91
C ( )
Vetores
de
Teste
Comparador
C (f1 )
C (fn )
Comparador
Figura 3. Simulação de falhas
V. ARQUITETURA PROPOSTA (ARM E FPGA)
Um dos problemas de se testar um circuito integrado em
um ATE
1
(automatic test equipment) está em seu alto custo
para aquisição. Para se resolver isso, foi desenvolvida uma
plataforma de testes de baixo custo, conforme mostrado na
Figura 4, onde essa pode ser dividida em duas:testes em
software e em hardware. Foi desenvolvida uma plataforma
gerenciadora, na linguagem Java, de ambos os tipos de testes.
Na parte de software foi usado o programa Leonardo Spec-
trum e o Turbo Tester em conjunto com o Java. A versão
usada do Turbo Tester possui diferentes algoritmos para se
testar e analisar os circuitos, porém não possui um ambiente
GUI(Graphical User Interface). A ferramenta desenvolvida
em Java cobre essa lacuna. em hardware foi usado um
microcontrolador da família ARM e um FPGA para emular o
hardware. O ARM foi escolhido devido a sua alta capacidade
de processamento.
DUT
(FPGA)
NETWORK
HARDWARE
TURBO
TESTER
JAVA
SOFTWARE
LEONARDO
SPECTRUM
HDL
netlist
ARM
Figura 4. Arquitetura Proposta
Inicialmente, para se testar um circuito é preciso tê-
lo descrito em linguagem HDL(Hardware Description
1
O ATE é um aparelho usado para aplicar vetores de testes a um DUT
(device-under-test) e analisado as respostas do DUT e marcado esse DUT
como defeituoso ou não defeituoso.
Language). Foram usado para testes os circuitos do
benchmark ISCAS85. A partir da aplicação em Java (Figura
5), converte-se a descrição HDL do circuito a ser testado
em um netlist. Para isso a plataforma em Java acessa o
programa Leonardo Spectrum e faz a síntese do circuito
para ASIC e o transforma em um netlist do circuito. Essa
descrição em netlist do circuito é chamada de arquivo EDIF.
Para esse EDIF foi desenvolvida uma biblioteca que contém
a descrição das portas lógicas primitivas do circuito. Com
a ferramenta de Java é acessado o programa Turbo Tester
e mais a biblioteca das primitivas e se faz a conversão do
arquivo EDIF num arquivo SSBDD. Esse arquivo é uma
representação da lógica do circuito digital que será usado
para a simulação do circuito. Com esses arquivos convertidos
em SSBDD é possível usar as ferramentas do Turbo Tester
para fazer as simulações .
Figura 5. Programa desenvolvido em Java
Para acelerar essa simulação e também fazer uma análise
real em hardware, é possível usar um FPGA para emular o
DUT conforme mostrado na Figura 4. A ferramenta em Java
envia por socket
2
os vetores de testes para o microcontrolador
ARM. Na figura 6 é mostrada a comunicação usando socket. O
socket foi implementado em Java no microcomputador(server)
e em linguagem C no ARM(client).
O ARM recebe esses dados, e acaba serializando esses
dados e injetando no FPGA somente por um pino de I/O. Essa
técnica de se serializar os dados foi usada, devido a certos
circuitos de testes possuírem muitos mais entradas do que os
pinos de I/O do ARM. No FPGA esses dados são recebidos
e desserializados por um shift register conforme mostrado na
Figura 7(a). Esse shift register é controlado por um clock do
ARM. Após isso, os dados são injetados no circuito e são
recebidos por um outro shift regiter que serializa os dados
novamente conforme mostrado na Figura 7(b). O ARM recebe
esses dados e envia esses resultados dos testes dos circuitos por
2
Sockets é um canal generalizado de comunicação entre processos e suporta
comunicação entre processos independentes, e mesmo entre processos rodando
em diferentes máquinas se comunicando na rede.
Figura 60: IBERCHIP XV Workshop (3/5)
92
Client machine
Server
machine
#include <stdio.h>
#include <sys/socket.h>
int cria_soquete_serv(int porta)
int recebe_do_cliente(int filedes)
int main(){}
Client
Network
ARM
DUT
Porta
Porta
import java.net.Socket;
public void envia(String pacote){}
public void recebe(String pacote){}
Figura 6. Comunicação entre ARM e microccomputador usando socket
socket para a ferramenta em Java, que compara esses vetores
com vetores fault free e classifica o circuito como bom ou
ruim. Na Figura 7 o DUT que está sendo testado é o circuito
c17 do benchmark ISCAS85.
clk
in
out(4:0)
N1N1
N2N
N3N
N6N
N7N
N22
N23
clk
sload
out
clk
in
clk
sload
d(1:0)
so
in2
DUT
(FPGA)
(a)
(b)
Figura 7. Arquitetura do DUT
A ferramenta de testes desenvolvida possui um ambiente
gráfico para análise dos circuitos. Existem dois tipos de gráfico
para análise. O primeiro, que é o gráfico em barras, pode ser
usado para a medição de tempo da geração do vetores de teste.
É possível comparar circuitos diferentes e também é possível
usar algoritmos diferentes conforme mostrado na Figura 8.
Nessa figura, é mostrado o teste de 3 circuitos diferentes,
Figura 8. Análise de tempo
onde para cada circuito foi aplicado um algoritmo diferente
(PODEM, GENETIC, RANDOM). Também é possível uma
análise da cobertura de um circuito conforme a quantidade
de vetores testados, conforme é mostrado na Figura 9. Nessa
figura, apresenta-se uma análise de cobertura do circuito c432
conforme a quantidade de vetores.
Figura 9. Análise de cobertura
VI. RESULTADOS EXPERIMENTAIS
Nessa seção é investigado o tempo requerido para se testar
os circuitos em software e hardware. Foram usados para os
testes os benchmarks ISCAS85. O programa ISE 9.1 (Xilinx)
foi usado para a síntese dos circuitos para a FPGA. O circuito
sintetizado é implementado numa Spartan 3 [17] da Xilinx de
50 MHz de clock. O ARM usado no hardware para injetar os
sinais na FPGA é o EP9302 [18] da Cirrus Logic de 200 MHz
de clock.
Na Tabela I é mostrado a análise em software para os circuitos
do benchmark ISCAS85. A simulação foi realizada num Pen-
tium 4 de 3GHz e 512MB de RAM. Nessa Tabela, apresenta-
se os circuitos e seus respectivos tempos(T) para simulação e
a taxa de cobertura(TC), conforme o algoritmo usado. Esse
tempo leva em conta o tempo da plataforma desenvolvida
em Java para se acessar o Turbo Tester, mais o tempo da
ferramenta Turbo Tester para se analisar o circuito. Dessa
forma, a cobertura será a mesma alcançada pela ferramenta
Turbo Tester, porém o tempo será a soma dos tempos das
duas ferramentas.
Na tabela II são mostrados os resultados iniciais para a
emulação em hardware. Os vetores que são usados nos testes
em hardware, são os mesmos usados em software e são
transferidos por socket pela ferramenta em Java. Dessa forma,
a parte dos testes em hardware, não possui o gerador de vetores
de testes e a análise das saídas dos circuitos emulados é feita
no Java. É possível notar que existe um menor tempo na Tabela
II, se comparado os mesmos circuitos e algortimos mostrados
na Tabela I. Isso se deve ao fato dos testes em hardware,
Figura 61: IBERCHIP XV Workshop (4/5)
93
serem mais rápidos do que os em software, apesar de a parte
em hardware não possuir o gerador de vetores. Porém, deve-
se salientar que esse tempo visto na Tabela II leva em conta
o tempo de se enviar e receber dados por socket, o do ARM
tratar os dados na entrada e saída do DUT e o de propagação
no DUT.
Tabela I
T
AXA DE COBERTURA E TEMPO DE SIMULAÇÃO
Circuito PODEM GENETIC RANDOM
T(ms) TC T(ms) TC T(ms) TC
c17 15 100% 21 100% 16 100%
c432 47 86,20% 453 93,01% 78 93,01%
c499 172 99,63% 1860 99,63% 375 99,63%
c880 78 100% 1265 100% 329 99.39%
c1355 16 99,63% 16 99,63% 15 99,63%
c1908 234 99,53% 2579 99,60% 750 99,56%
c2670 16 95,01% 16 95,01% 16 95,01%
c3540 516 95,33% 7390 95,68% 1718 95,59%
c5315 750 98,98% 9703 99,29% 1516 99,29%
c6288 235 99,30% 8524 99,30% 1187 99,30%
Tabela II
T
EMPO DE EMULAÇÃO EM HARDWARE
Circuito PODEM GENETIC RANDOM
Tempo(ms) Tempo(ms) Tempo(ms)
c17 >0 >0 >0
c432 31 31 31
c499 78 109 109
c880 78 63 79
VII. CONCLUSÕES
Esse artigo apresentou uma nova plataforma de testes
para circuitos combinacionais. Um grande diferencial dessa
plataforma, é que ela utiliza somente componentes de baixo
custo. Outro grande diferencial é a integração de várias ferra-
mentas, para testes em software e em hardware.
Os resultados mostrados na Tabela II, ainda estão em desen-
volvimento. Como trabalho futuro pretende-se implementar
essa plataforma para testes de circuitos seqüências.
VIII. A
GRADECIMENTOS
Os autores agradecem à Universidade de Santa Cruz do
Sul (UNISC) e a CAPES pelo apoio para a realização desse
trabalho. Esse trabalho foi realizado nas dependências da
UNISC, dentro do laboratório do GPSEM(Grupo de Projetos
e Sistemas Embarcados).
R
EFERÊNCIAS
[1] M. Lubaszewski, E. Cota, and M. Krug, “Teste e Projeto Visando o Teste
de Circuitos e Sistemas Integrados,REIS, RA da L.(Ed.) Concepção de
Circuitos Integrados, vol. 2, pp. 167–189, 2002.
[2] F. Kocan and D. Saab, “Dynamic Fault Diagnosis of Combinational and
Sequential Circuits on Reconfigurable Hardware,Journal of Electronic
Testing, vol. 23, no. 5, pp. 405–420, 2007.
[3] P. Ellervee, J. Raik, and V. Tihhomirov, “Environment for Fault Simu-
lation Acceleration on FPGA.
[4] A. Schneider et al., “Internet-based Collaborative Test Generation with
MOSCITO, in Proc. of DATE02, pp. 4–8.
[5] M. Bushnell and V. Agrawal, Essentials of Electronic Testing for Digital,
Memory, and Mixed-signal VLSI Circuits. Kluwer Academic, 2000.
[6] D. Gizopoulos and Y. Paschalis, A.; Zorian, Embedded Processor-Based
Self-Test. Dordrecht, The Netherlands: Kluwer Academic Publishers,
2004.
[7] I. Berger and Z. Kohavi, “Fault Detection in Fanout-Free Combinational
Networks, Transactions on Computers, vol. 100, no. 22, pp. 908–914,
1973.
[8] P. Lala, Digital Circuit Testing and Testability. Academic Pr, 1997.
[9] G. Jervan, A. Markus, P. Paomets, J. Raik, and R. Ubar, “Turbo Tester:
A CAD System for Teaching Digital Test, Microelectronics Education,
pp. 287–290.
[10] A. Jutman, J. Raik, and R. Ubar, “SSBDDs: Advantageous Model and
Efficient Algorithms for Digital Circuit Modeling, Simulation & Test,” in
Proc. of 5th International Workshop on Boolean Problems (IWSBP’02),
pp. 19–20.
[11] A. Jutman, “On SSBDD Model Size & Complexity, in Proc. of 4th
Electronic Circuits and Systems Conference (ECS’03), pp. 11–12.
[12] J. Roth, “Diagnosis of automata failures: A calculus and a method,IBM
Journal of Research and Development, vol. 10, no. 4, pp. 278–291, 1966.
[13] P. Goel, “An implicit enumeration algorithm to generate tests for
combinational circuits,IEEE Transactions on Computers, vol. 30, no. 3,
pp. 215–222, 1981.
[14] D. Whitley, “A genetic algorithm tutorial,” Statistics and Computing,
vol. 4, no. 2, pp. 65–85, 1994.
[15] S. Mourad and Y. Zorian, Principles of Testing Electronic Systems.
Wiley-Interscience, 2000.
[16] M. Cilleti, Advanced digital design with the Verilog HDL. Prentice
Hall, 2002.
[17] Spartan-3 FPGA Family: Introduction and Ordering Information, ds099-
1.pdf, Xilinx, 2004.
[18] EP9302 Data Sheet, EP9302_PP3.pdf, Cirrus Logic, 2005.
Figura 62: IBERCHIP XV Workshop (5/5)
94
ANEXO E - Placa de circuito impresso projetada
Figura 63: Placa de circuito impresso(1/4)
95
Figura 64: Placa de circuito impresso(2/4)
96
1 2
Figura 65: Placa de circuito impresso(3/4)
97
POTENCIOMETRO PARA
AJUSTE DO CONTRASTE
DO LCD
Figura 66: Placa de circuito impresso(4/4)
98
U6
Figura 67: Roteamento da PCB
Livros Grátis
( http://www.livrosgratis.com.br )
Milhares de Livros para Download:
Baixar livros de Administração
Baixar livros de Agronomia
Baixar livros de Arquitetura
Baixar livros de Artes
Baixar livros de Astronomia
Baixar livros de Biologia Geral
Baixar livros de Ciência da Computação
Baixar livros de Ciência da Informação
Baixar livros de Ciência Política
Baixar livros de Ciências da Saúde
Baixar livros de Comunicação
Baixar livros do Conselho Nacional de Educação - CNE
Baixar livros de Defesa civil
Baixar livros de Direito
Baixar livros de Direitos humanos
Baixar livros de Economia
Baixar livros de Economia Doméstica
Baixar livros de Educação
Baixar livros de Educação - Trânsito
Baixar livros de Educação Física
Baixar livros de Engenharia Aeroespacial
Baixar livros de Farmácia
Baixar livros de Filosofia
Baixar livros de Física
Baixar livros de Geociências
Baixar livros de Geografia
Baixar livros de História
Baixar livros de Línguas
Baixar livros de Literatura
Baixar livros de Literatura de Cordel
Baixar livros de Literatura Infantil
Baixar livros de Matemática
Baixar livros de Medicina
Baixar livros de Medicina Veterinária
Baixar livros de Meio Ambiente
Baixar livros de Meteorologia
Baixar Monografias e TCC
Baixar livros Multidisciplinar
Baixar livros de Música
Baixar livros de Psicologia
Baixar livros de Química
Baixar livros de Saúde Coletiva
Baixar livros de Serviço Social
Baixar livros de Sociologia
Baixar livros de Teologia
Baixar livros de Trabalho
Baixar livros de Turismo