Download PDF
ads:
1
BEATRIZ GONÇALVES BOSKOVITZ ROYZEN
BEATRIZ GONÇALVES BOSKOVITZ ROYZENBEATRIZ GONÇALVES BOSKOVITZ ROYZEN
BEATRIZ GONÇALVES BOSKOVITZ ROYZEN
Os recursos da computação gráfica na elaboração de projetos
Os recursos da computação gráfica na elaboração de projetos Os recursos da computação gráfica na elaboração de projetos
Os recursos da computação gráfica na elaboração de projetos
Dissertação de Mestrado apresentada à Faculdade de Arquitetura e Urbanismo da
Dissertação de Mestrado apresentada à Faculdade de Arquitetura e Urbanismo da Dissertação de Mestrado apresentada à Faculdade de Arquitetura e Urbanismo da
Dissertação de Mestrado apresentada à Faculdade de Arquitetura e Urbanismo da
Universidade de São Paulo para obtenção do título de mestre
Universidade de São Paulo para obtenção do título de mestreUniversidade de São Paulo para obtenção do título de mestre
Universidade de São Paulo para obtenção do título de mestre
Área de Concentração:
Tecnologia da Arquitetura
Tecnologia da ArquiteturaTecnologia da Arquitetura
Tecnologia da Arquitetura
Orientador:
Prof. Dr. Geraldo Vespaziano Puntoni
Prof. Dr. Geraldo Vespaziano PuntoniProf. Dr. Geraldo Vespaziano Puntoni
Prof. Dr. Geraldo Vespaziano Puntoni
São Paulo
São PauloSão Paulo
São Paulo
2009
20092009
2009
ads:
Livros Grátis
http://www.livrosgratis.com.br
Milhares de livros grátis para download.
2
AUTORIZO A REPRODUÇÃO E DIVULGAÇÃO TOTAL OU PARCIAL DESTE TRABALHO,
POR QUALQUER MEIO CONVENCIONAL OU ELETRÔNICO, PARA FINS DE ESTUDO E
PESQUISA, DESDE QUE CITADA A FONTE.
E-MAIL: biaro[email protected]om
Royzen, Beatriz Gonçalves Boskovitz
R892r Os recursos da computação gráfica na elaboração
de projetos / Beatriz Gonçalves Boskovitz Royzen. --São Paulo,
2009.
145 p. : il.
Dissertação (Mestrado - Área de Concentração: Tecnologia
de Arquitetura) - FAUUSP.
Orientador: Geraldo Vespaziano Puntoni
1.Computação gráfica 2.CAD (Sistemas) I.Título
CDU 681.3:741
ads:
3
Para minha fonte de inspiração e meu guia: minha mãe. Que saudades!
4
Agradeço a compre
Agradeço a compreAgradeço a compre
Agradeço a compreensão dos meus grandes amores, Jacques e Letícia.
ensão dos meus grandes amores, Jacques e Letícia.ensão dos meus grandes amores, Jacques e Letícia.
ensão dos meus grandes amores, Jacques e Letícia.
Meus agradecimentos são para todos aqueles que direta e indiretamente
estiveram próximos:
Geraldo Vespaziano Puntoni, por acreditar em mim;
alunos, sem eles seria impossível;
Maria Judith Soares, minha secretária do lar, sem ela eu não conseguiria;
professores da banca de qualificação, Ualfrido Del Carlo e Anália Amorim;
professores da pós, Ângela Maria, Mônica, Reginaldo, Julio Katinsky, Luis
Américo e Paulo César.
amigos da FAAP, os que sempre me deram força e, em especial, Virginia,
Lílian e Fabio;
amigos, fundamentais para manter a alegria;
irmãos, Marcelo e Flavio, ótimo ter com quem contar;
pai, por sua dedicação em acertar na educação dos filhos;
Regina, por sua eficiência na revisão de texto;
Minha vizinha Cristine, sempre pronta a ajudar
Claudia da empresa Seacam, por me receber para um longo papo sobre
prototipagem rápida.
5
RESUMO
RESUMORESUMO
RESUMO
A informática tem um amplo campo de atuação e sua evolução não tem
sido apenas em direção à conquista de mais capacidade de memória e velocidade, mas
principalmente no que tange aos três elementos básicos da comunicação: emissor,
mensagem e receptor. As interfaces estão sendo otimizadas para que os usuários
aumentem suas condições de concepção de projetos e diminuam o tempo necessário
para adquirir conhecimento técnico e habilidade no manuseio. Sem dúvida, o
computador ainda é motivo de travamento da fluidez do pensamento e ação sobre o
mesmo, afinal investem-se tempo e memória para o aprendizado do manual de
instrução ou tutoriais, se assim preferirem. Diante deste contexto em que todos se
vêem acoplados a vários sistemas computacionais complexos, o recorte para este
trabalho restringiu-se a um pequeno universo referente ao aprendizado da
computação gráfica no curso de Arquitetura e Desenho Industrial da Faculdade de
Artes Plásticas da Fundação Armando Álvares Penteado – FAAP.
Não houve a pretensão de se aprofundar a análise na área de ensino e
aprendizado por falta de tempo para o domínio de um conhecimento no assunto, mas
a essência é o alerta para os profissionais do ensino superior, no caso o curso de
Arquitetura, se conscientizarem do amplo espectro de possibilidades de recursos
computacionais como ferramenta didática para a concepção de modelos explorativos
objetivando um aumento no tempo da investigação.
Palavras chave: sistema CAD
Palavras chave: sistema CADPalavras chave: sistema CAD
Palavras chave: sistema CAD; recursos do CAD; protótipo digital
; recursos do CAD; protótipo digital; recursos do CAD; protótipo digital
; recursos do CAD; protótipo digital.
..
.
6
ABSTRACT
ABSTRACTABSTRACT
ABSTRACT
Information Technology provides a large range and its development is
not only to improve memory and speed capacity but mainly to get the three basic
principles of connection : sender, message and receiver. Interfaces have been
optimized for users to add their possibilities of projects conceiving and to shorten
the necessary time to acquire technical knowledge and handling abilities. Certainly,
computer restrains thought streams and proceedings about it, so it has been invested
in time and report for learning the instruction manual or tutorials, whether it is
preferred. Due to this argument it becomes known that people are attached to
several systems , then the aim of this project has restricted to a limited subject
referring to learning of graphic design in the Architecture Course and Industrial
Draw at FAAP - Fundação Armando Alvares Penteado’s Plastic Arts College.
The claim was not to make a profound analysis in educational area in
default of time to research about it more, but the most important is the advice to all
graduated professionals, mainly the Architecture course ones, to keep aware about
the large computer resources possibilities as a pedagogical tool to develop models,
resulting in more time for researching.
Key
KeyKey
Key-
--
-Words: CAD
Words: CAD Words: CAD
Words: CAD s
ss
systems;
ystems; ystems;
ystems; CAD r
CAD rCAD r
CAD resources;
esources; esources;
esources; d
dd
digital
igital igital
igital p
pp
prototyp
rototyprototyp
rototype
ee
e.
..
.
7
SUMÁRIO
SUMÁRIOSUMÁRIO
SUMÁRIO
INTRODUÇÃO
INTRODUÇÃOINTRODUÇÃO
INTRODUÇÃO ...............................................................
............................................................... ...............................................................
......................................................................
..............
.............................
...................... ......................
......................
8
88
8
CAPÍTULO I
CAPÍTULO I CAPÍTULO I
CAPÍTULO I .................................................................
..................................................................................................................................
................................................................................................
..............................................................
...............................
10
1010
10
COMPONENTES BÁSICOS PARA OPERAR O SISTEMA CAD
CAPÍTULO II
CAPÍTULO IICAPÍTULO II
CAPÍTULO II
.......................
....................... .......................
...............................................................
................................................................................
.......................................................................
..............................................................
...............................
30
3030
30
PROTOTIPAGEM RÁPIDA – MANUFATURA AUTOMATIZADA
CAPÍTULO III
CAPÍTULO IIICAPÍTULO III
CAPÍTULO III ...............................................................
............................................................... ...............................................................
.............................................................................................
.............................. ..............................
..............................
51
5151
51
SISTEMA BIM – MODELAGEM DE INFORMAÇÕES DA CONSTRUÇÃO
CAPÍTULO IV
CAPÍTULO IVCAPÍTULO IV
CAPÍTULO IV ...............................................................
............................................................... ...............................................................
..............................................................................................
..............................................................
...............................
61
6161
61
SISTEMA GIS – SISTEMA DE INFORMAÇÃO GEOGRÁFICA
CAPÍTULO V
CAPÍTULO VCAPÍTULO V
CAPÍTULO V .......
....... .......
...............................................................
................................................................................................................
........................................................................................
................................................................
................................
67
6767
67
INFORMÁTICA APLICADA A PROJETOS
CAPÍTULO VI
CAPÍTULO VICAPÍTULO VI
CAPÍTULO VI .................................................................
................................................................. .................................................................
...........................................................................................
....................................................
..........................
101
101 101
101
INFLUÊNCIAS DO COMPUTADOR AO DESENHAR, PROJETAR E CONSTRUIR
CONSIDERAÇÕES FINAIS
CONSIDERAÇÕES FINAISCONSIDERAÇÕES FINAIS
CONSIDERAÇÕES FINAIS
...............................................................
..............................................................................................................................
........................................................................
..................
.........
1
11
13
33
34
44
4
REFERÊNCIAS BIBLIOGRÁFICAS
REFERÊNCIAS BIBLIOGRÁFICASREFERÊNCIAS BIBLIOGRÁFICAS
REFERÊNCIAS BIBLIOGRÁFICAS
...........................................
......................................................................................
.............................................
....
...............
..........................
.............
1
11
13
33
36
66
6
BIBLIOGRAFIA GERAL
BIBLIOGRAFIA GERALBIBLIOGRAFIA GERAL
BIBLIOGRAFIA GERAL
...............................................................
..............................................................................................................................
.............................................................................
.............. ..............
..............
13
1313
139
99
9
REFERÊNCIAS BIBLIOGRÁFICAS
REFERÊNCIAS BIBLIOGRÁFICASREFERÊNCIAS BIBLIOGRÁFICAS
REFERÊNCIAS BIBLIOGRÁFICAS
artigos p
artigos partigos p
artigos publicados
ublicadosublicados
ublicados ..
.. ..
.........................
....................... .......................
.......................
14
1414
141
11
1
BIBLIOGRA
BIBLIOGRABIBLIOGRA
BIBLIOGRAFIA
FIA FIA
FIA
teses e dissertações
teses e dissertações teses e dissertações
teses e dissertações .....................................
..........................................................................
.........................................
........
...................
..............................
...............
14
1414
143
33
3
REFERÊNCIAS DA WEB
REFERÊNCIAS DA WEB REFERÊNCIAS DA WEB
REFERÊNCIAS DA WEB ...............................................................
..............................................................................................................................
...........................................................................
........................
.............
..
.
1
11
14
44
45
55
5
8
INTRODUÇÃO
INTRODUÇÃOINTRODUÇÃO
INTRODUÇÃO
A idéia deste trabalho surgiu no início da carreira docente em nível superior,
em 1994. Mas, houve a consciência de que alguns anos seriam fundamentais como
sustentação de uma experiência e amadurecimento pessoal para serem transformados
em trabalho acadêmico. O arquiteto é formado para a prática de projeto e não para o
ensino dela, portanto a preocupação em viabilizar melhores resultados de
aprendizado, no decorrer de um período na posição de professora especialista em
disciplinas de computação gráfica e desenho técnico, tem sido um grande desafio.
Artigos que descrevam os impactos dos sistemas computacionais em áreas
específicas são um assunto recorrente da década de 80 aos dias de hoje, período em
que a computação permeou de maneira especulativa resultando em trajetórias
experimentais de usos aplicados a cada profissão, seja ela medicina, engenharia,
arquitetura, design e outras. O fato é que muitos desses artigos transmitem um
conhecimento técnico de acesso restrito, por ser uma área cujos verdadeiros recursos
poucos dominam, sabendo aplicá-los e interpretá-los. O Instituto de Tecnologia de
Massachussets é um dos grandes centros que fomentam as pesquisas elucidativas
sobre o assunto e na análise de seus trabalhos foi possível identificar respostas
pertinentes a muitas indagações. Experiências aplicadas em laboratórios que servem
de apoio ao curso de Arquitetura e conteúdos programáticos de cursos
complementares confirmaram a necessidade de tentar novos todos dentro das
condições bem mais precárias em relação à infra-estrutura, fator natural do nosso
país.
O corpo docente, normalmente, é formado por profissionais especializados em
diferentes áreas tornando-se um corpo único, orientadores de novos orientadores.
Mas o ponto nevrálgico é a deficiência da capacitação dos docentes no papel de
educadores. Portanto, a preocupação com o aprendizado e não com o ensino dos
estudantes de Arquitetura e Desenho Industrial foi o mote deste trabalho.
Primeiramente fez-se um levantamento das possibilidades da utilização de sistemas
computacionais aplicados a projetos. o sistemas conhecidos nos meios da
9
construção civil e industrial, setores que estão convergindo para novos conceitos do
processo geral de projeto. São quatro os sistemas relevantes: CAD (
Computer Aided
Design
), PR (
Prototipagem Rápida
), BIM (
Building Information Modeling
) e GIS
(
Geographic Information System
), que abrangem, respectivamente, desenho,
manufatura, parametrização e planejamento urbano.
É importante citar que para este trabalho os sistemas apresentados inferem no que
está disponível no mercado e, atualmente, apenas um deles, o sistema CAD, foi
praticado nas aulas de graduação do curso de arquitetura e desenho industrial da
FAAP, sendo que os sistemas de prototipagem rápida e modelagem de informação da
construção foram adquiridos no segundo semestre de 2008, não fazendo parte,
portanto, do material abordado como objeto da pesquisa.
Em seguida, uma reflexão geral sobre o contexto transitório causado pela
introdução de computadores e a trajetória de uma amostra de exercícios que
buscaram exercer diferenciais não apenas do simples aprendizado de operações de
comandos do sistema CAD, mas sim meios que extraíssem seus recursos eficientes
visando ampliar as condições de compreensão do processo de concepção, produção e
realização. Embora o tema sugira considerações inerentes a propósito do desenho, da
linguagem e representação gráfica, estas seriam fatores de desvio do foco.
A potencialidade destes recursos foi assimilada devido às experiências
acumuladas pela mesma disciplina, porém aplicada ao Desenho Industrial. Elas foram
decisivas para o desenvolvimento do objeto principal deste trabalho. No capítulo de
conclusão, apresentaram-se as compatibilidades de uso da computação nos três
momentos que compõem o processo entre o desejo e a realização: o desenho, o
projeto, e a construção.
Para o arquiteto esses três momentos são peculiares o que de certa forma os
identifica. Em corolário a esse fato fez-se uma reflexão sobre como se estabelece a
introdução do computador como coadjuvante nesses três momentos.
10
CAPÍTULO
CAPÍTULOCAPÍTULO
CAPÍTULO I
I I
I
COMPONENTES BÁSICOS PARA OPERAR UM SISTEMA CAD
COMPONENTES BÁSICOS PARA OPERAR UM SISTEMA CADCOMPONENTES BÁSICOS PARA OPERAR UM SISTEMA CAD
COMPONENTES BÁSICOS PARA OPERAR UM SISTEMA CAD
“Uma
interface homem/máquina
designa o conjunto de programas e
aparelhos materiais que permitem a comunicação entre um sistema
informático e seus usuários humanos.” (LEVY, 1993 p.176)
A estratégia da descrição dos componentes básicos para operar um sistema
CAD, normalmente presentes em programas computacionais de gráficos vetoriais,
faz parte da intenção de promover o leitor a um envolvimento confortável diante de
um assunto aparentemente técnico. Os componentes básicos são: elementos
geométricos, sólidos, superfícies,
nurbs
e
meshes
. Todos eles fazem parte do processo
de modelagem digital.
A lapiseira, o martelo, a roda, a faca etc. podem ser considerados ferramentas
as quais por meio de suas ações materializam uma função genérica.
Segundo Levy
LevyLevy
Levy, a ferramenta cristaliza o virtual, isto é “a roda não é um
prolongamento da perna, mas sim a virtualização do andar.” (LEVY, 1996:75)
Baseando-se nas teorias do que é virtual de Pierre Levy
Pierre LevyPierre Levy
Pierre Levy, dominar uma técnica
consiste em desenvolver habilidade, reflexo e diálogo físico e mental entre o agente e
a coisa. Ao modelar uma massa de argila ou fatiar uma peça em madeira maciça
deve-se, evidentemente, dominar técnicas com ferramentais apropriados para tal. No
entanto, o computador é capaz de virtualizar a virtualização de uma ação. A ação
oriunda do verbo desenhar tem sido captada e codificada para o formato da menor
unidade de informação do computador, o
bit (binary digit)
. O mesmo acontece para
as ações da modelagem da argila ou da composição de objetos tridimensionais.
Para Levy
LevyLevy
Levy, existe uma interação entre a informação e o usuário. A partir dessa
interação constrói-se o conhecimento, sendo que o sujeito interage com o mundo de
pessoas e objetos, interagindo, conseqüentemente, com a comunidade. A esta
interação aplica-se o termo: “ecologia cognitiva”. Ao observar a relação do usuário
com o computador, notam-se dinamismo, plasticidade e uma autonomia de ação e
11
reação. As inovações no setor de programação em informática propiciam, além da
capacidade de organização de dados, programas de orientação ao objeto, e isso quer
dizer interação entre os dados, sendo eles nos formatos de textos, vídeos, imagens ou
voz. Uma planilha Excel, por exemplo, tem condições visuais e inteligentes de anexar
aos dados funções matemáticas que, ao simularem valores para cada “célula”
apresentam um novo panorama da situação modelada. Isso facilitaria uma decisão
sobre a imaginação. “O que aconteceria se...”.
Parte-se do princípio de que a disponibilidade de dados históricos está mais
acessível, hoje, e captar as peculiaridades do tema interfaces seria mais producente.
Se pedíssemos a opinião, para Levy
LevyLevy
Levy, sobre o aprendizado atual dos estudantes
de arquitetura em relação ao uso do computador nas fases de projeto, ele responderia
que a simulação digital é mais um benefício cognitivo. O ser humano normalmente
constrói seu conhecimento por meio de teorias, experiências práticas ou por métodos
mais antigos que estavam contidos na tradição oral. Portanto, para Levy
LevyLevy
Levy, utilizar-se
do computador para simular a representação da realidade contribui para o acúmulo
do conhecimento.
Entre o “movimento e a metamorfose” existe uma operadora da passagem dos
códigos, que serão interpretados e transformados para a criação de novos
comportamentos sociais. O modem é um exemplo de decodificação do sistema
binário para o analógico com o objetivo de transmitir a informação via telefone e
vice-versa, temos aqui uma nova interface.
A relação do termo
homem-máquina
com os dispositivos de entrada e saída
do computador, entrada de dados por meio de periféricos como o mouse e o teclado,
a saída por meio do monitor, impressora ou as perfuradoras de cartão
1
, estreitou-se
1
Utilizando o princípio descoberto por
Jacquard
para comando automático de
teares
, Hermann
Hollerith - funcionário do
United States Census Bureau
- inventou, em 1880, uma máquina para
realizar as operações de
recenseamento
da população. A máquina fazia a leitura de cartões de
papel
perfurados em código BCD (Binary Coded Decimal) e efectuava contagens da informação
referente à perfuração respectiva. O sistema foi patenteado em
8 de junho
de
1887
.(
http://pt.wikipedia.org/wiki/Herman_Hollerith
)
12
por causa das inovações e o que temos, hoje, é a interface. (LEVY,1997) Um exemplo
banal e corriqueiro é o telefone móvel. Ele recebe um comando de voz que realiza
tarefas para uma outra base e sem nem mesmo conscientizar-se de seus movimentos
o usuário acopla um computador a sua espontaneidade.
Como tudo isso começou? Sabe-se que a máquina a vapor foi um marco
importantíssimo para que o sistema CAD pudesse, hoje, existir. Esta frase parece
estranha para aqueles que nasceram depois da luz elétrica e que, nem sempre,
pararam para pensar nas condições de vida da época de seus avós. Estes passaram a
vida sem um aparelho de televisão. Bisavós que não sabiam o que era um rádio, sem
levar em conta as condições de conforto, algumas questionáveis, não presentes no dia
a dia atual. A máquina a vapor representa o início de uma revolução que transfere o
domínio da força braçal para as máquinas capacitadas a substituir os movimentos
naturais do homem. A energia a vapor faz a sua história por meio da invenção de
Thomas Newcomen
Thomas NewcomenThomas Newcomen
Thomas Newcomen, considerado “pai” do motor a vapor, em 1765. James Watt
James WattJames Watt
James Watt
aperfeiçoa essa mesma máquina e cria o sistema de engrenagens. A Segunda Guerra
Mundial contribuiu para a transferência da tecnologia mecânica para a eletrônica e
patrocinou o surgimento da tecnologia eletrônica digital por meio do Z3
2
,
considerado o primeiro computador eletrônico digital de uso genérico. Se o
computador foi capaz de automatizar movimentos, na década de 90, ele foi capaz de
automatizar a geometria a partir de modelos matemáticos traduzidos para a máquina.
Segundo Ualfrido Del Carlo
Ualfrido Del CarloUalfrido Del Carlo
Ualfrido Del Carlo, professor doutor do departamento de tecnologia da
Faculdade de Arquitetura e Urbanismo da USP, “o computador ainda está na era
2
Konrad Zuse (22 de junho de 1910 - 18 de dezembro de 1995) foi um engenheiro alemão e um
pioneiro dos computadores. O seu maior feito foi a compleção do primeiro computador de programa
controlado por fita guardada, o Z3, em 1941. Konrad Zuze inventou o 1º computador eletromecânico,
constituído de relés - efetuava cálculos e exibia os resultados em fita perfurada. Em um museu
chamado Museu da Tecnologia na cidade de Bonn, na Alemanha, existem alguns de seus inventos,
como o Z2, um dos primeiros computadores do mundo. Muitos acreditam que os primeiros
computadores eram de um tamanho muito grande, porém eram na verdade equipamentos estranhos
mas pequenos. Em outro museu na mesma cidade (Museum für Deutsche Geschichte - Museu da
História Alemã), também se encontram outros equipamentos desenvolvidos por Konrad Zuse, o pai da
informática.
13
jurássica”. Ele tem razão, pois ainda se usa o
mouse
e há quem acredite que o
computador está revirando o processo natural do raciocínio do ser humano
3
.
O computador penetrou em todas as áreas como modelador de informações
4
,
sejam elas representadas por números; ou formas geométricas; ou movimentos. A
necessidade da modelagem de números é antiga e foi para o primeiro censo, ocorrido
em 1890 nos Estados Unidos, utilizado um método de automatização de cálculos,
sugerido por Hermann Hollerith
Hermann HollerithHermann Hollerith
Hermann Hollerith, que marcou um processo de eficiência em menor
tempo. Enquanto em 1880 o resultado do censo era revelado depois de uma década,
com a máquina de Hollerith, o tempo passou para dois anos e meio,
3
“É importante enfatizar a questão do pensamento. Para se usar um computador, é necessário dar-lhe
comandos, em absolutamente qualquer software. Como foi visto, esses comandos ativam funções
matemáticas (de cálculo ou de manipulação de símbolos) dentro da máquina. Ao dar comandos à
máquina - mesmo acionando ícones -, o usuário é obrigado a pensar conscientemente neles. Em outras
palavras, a máquina força o usuário a formular pensamentos com formalismo análogo ao matemático,
que podem ser introduzidos dentro dela e por ela interpretados, o que chamo de "pensamentos
maquinais".Uma conseqüência sobre o usuário é que este é induzido a agir de maneira indisciplinada.
De fato, como o espaço de trabalho é puramente mental, pode-se fazer de tudo, sem conseqüências
diretas no mundo real. Isso não ocorre quando se guiar um automóvel ou se operar um torno. Além
disso, tudo pode ser corrigido, de maneira que não é preciso seguir-se uma disciplina para fazer coisas
corretas ou bem feitas, esteticamente bonitas. Por exemplo, uma pessoa que escreve uma carta à mão
tem de exercitar uma tremenda disciplina mental, para que não seja necessário corrigir o que foi
escrito (muitas correções deixariam o texto borrado, feio; outras seriam impossíveis, como mudar um
parágrafo de lugar). A mesma coisa se passa ao começar-se com um rascunho. No ato de escrever o
texto definitivo, será necessário não mudar nada, prestar atenção à estética etc. Nada disso ocorre ao
se usar um editor de textos: pode-se cometer quantos erros se queira, porque tudo poderá ser
corrigido, mudado de lugar etc. Também não há necessidade de prestar atenção à ortografia: um
corretor ortográfico pode detectar os erros e ainda sugerir correções. Os corretores gramaticais estão
cada vez mais completos e vão exigir cada vez menos atenção à concordância, por exemplo. Muito
poucas pessoas apreciam seguir regras fixas e planejar muito bem o que devem fazer. Pode-se concluir
que isso leva os usuários e programadores de computadores a assumir uma atitude de indisciplina
mental. No caso dos programadores, é sabido que esses raramente projetam e implementam seus
programas disciplinadamente, por exemplo documentando tanto a fase de análise quanto os próprios
programas. Além disso, os testes e as correções dos programas quase nunca são feitos
sistematicamente.” (
http://www.ime.usp.br/~vwsetzer/meios-eletr.html
) OS MEIOS
ELETRÔNICOS E A EDUCAÇÃO: Televisão, jogo eletrônico e computador Valdemar W. Setzer.
4 O computador não faz nada disso: ele transforma, transporta e armazena dados, que são
representações simbólicas quantificadas ou quantificáveis e não devem ser confundidos com
informações. Estas devem ter sempre um significado para quem as recebe, e podem não ser
transmitidas sob forma de dados como, por exemplo, a sensação de calor ou de frio (ver o artigo
"Dados, informação, conhecimento e competência" em [Setzer, 2001] e em meu site). Aquela
quantificação é essencial para os dados poderem ser introduzidos em um computador, onde tudo deve
necessariamente estar quantificado. Note-se que programas também são dados. OS MEIOS
ELETRÔNICOS E A EDUCAÇÃO: Televisão, jogo eletrônico e computador Valdemar W. Setzer.
14
aproximadamente. Inicia-se a produção de máquinas comerciais que foram
construídas e vendidas pela
Tabulating Machine Company
, fundada em 1896, pelo
próprio Hollerith
HollerithHollerith
Hollerith, que depois de associada a outras empresas origem, em 1924, ao
tão famoso sinônimo de computador, a
International Business Machines
Corporation
, a IBM. (MEIRELLES,1994)
Com o propósito de não ficar contando a história do computador neste
trabalho, segue-se direto para a apresentação do sistema conhecido como
Sketchpad
,
revelado, em 1963, no
Spring Joint Computer Conference
, pelo seu autor Ivan E.
Ivan E. Ivan E.
Ivan E.
Sutherland
SutherlandSutherland
Sutherland e considerado um marco na informática por ser o primeiro editor gráfico
programado na Programação Orientada a Objetos
5
.
“No decorrer da década de 60, a técnica de programação torna-se cada vez
mais sofisticada, contando com uma variedade de peculiaridades técnicas e
matemáticas também crescente: linguagens para simulação, para inteligência
artificial, com funções recursivas (auto-referentes), educacionais etc. Em fins
da década, reconhece-se abertamente a primeira crise de software: as
práticas de programação tornam-se cada vez mais idiossincráticas, e sem um
denominador metodológico comum. Algumas propostas são feitas para
catalogar-se essas práticas, por um lado, e por outro, de sistematizar-se o
5
Oriented Programming – OOP: programação orientada a objetos. A primeira linguagem desse tipo
foi a SmallTalk,
desenvolvida por Alan Kay e equipe. A metáfora que Kay usa para a descrever foi a de uma
comunidade de seres vivos ou
um ecossistema: cada ser vivo desempenha um papel, ocupa um nicho na ecologia em questão.
(VASSÃO, 2008:8)
“A crescente importância das linguagens orientadas para objeto em informática mostra que os
computadores são, cada vez mais, considerados como instrumentos de simulação. Esquematizando,
poderíamos dizer que a programação clássica consistia em organizar uma cadeia de operações
sucessivas sobre um fluxo de dados, enquanto que a programação orientada para objeto consiste em
agenciar as interações de entidades capazes de realizar certas ações e de trocar mensagens umas com
as outras. O aquário construído pela equipe de Alan Kay para a Apple é uma boa ilustração deste novo
caminho da informática. Neste projeto, as características e os modos de vida de vários objeto-peixe
foram definidos pelos programadores. Estes programas-peixe foram em seguida mergulhados no
mesmo aquário, que podia ser observado através da tela do computador, e interagiram
espontaneamente de acordo com seu programa genético, adotando comportamentos de perseguição,
fuga, devoração, desova etc. Note-se que o desenvolvimento dos acontecimentos no aquário não havia
sido programado em nenhum momento. Crianças podiam acrescentar ou retirar peixes, ou ainda
modificar seu comportamento. Em seguida, observavam as repercussões de suas ações na ecologia do
aquário. (LEVY, 1993:123)
15
processo de programação, evitando-se instruções que confundam a coerência
da seqüência de instruções.
Ainda em fins da década de 60, uma abordagem inteiramente diferente de
programação se estabelece. Uma que não se baseava em “seqüências” de
instruções, mas em “comunidades de programas”: as linguagens orientadas a
objetos consistem em objetos que são programados individualmente e/ou
derivados de outros objetos (objetos pais e objetos filhos). A inovação foi de
tal magnitude que seu uso foi sendo aceito muito gradualmente. No entanto,
sua abordagem de programação é mais afeita à própria natureza complexa
dos computadores em que o poder de processamento não é extremamente
limitado.” (VASSÃO, 2008:8)
O sistema marcou a origem da aplicabilidade do computador na área do
desenho. Em paralelo com Sutherland
SutherlandSutherland
Sutherland, instituições como o M.I.T. e a IBM
desenvolviam um sistema voltado ao desenho, o DAC-1 (
Design Augmented by
Computer
) para a indústria automobilística, na verdade, para a General Motors. Isto
nos permite afirmar que o desenvolvimento de sistemas computacionais voltados
para projetos da construção civil são programas antes construídos para outros
propósitos e depois adequados às novas funções.
DAC-1 (
Design Augmented by Computer
) para a indústria automobilística
http://sophia.javeriana.edu.co/~ochavarr/computer_graphics_history/historia/images/1959_dac.jpg
16
Pesquisas focadas para o desenvolvimento de sistemas computacionais, que
pudessem equacionar as necessidades das fases de concepção e de avaliação da
solução, direcionaram a elaboração de projetos para novos rumos. A automação foi
uma delas, em que convergiram os comandos numéricos e os movimentos repetitivos
do Homem em máquinas cumpridoras de tarefas. Esta foi uma área que teve um
investimento alto, também, por parte das indústrias automobilísticas. A idéia de
automação deriva das pesquisas teóricas de Norbert Wierner
Norbert WiernerNorbert Wierner
Norbert Wierner, que deu origem ao que
se conhece, hoje, como Cibernética.
“Desde o fim da Segunda Guerra Mundial, venho trabalhando nas muitas
ramificações da teoria das mensagens. Além da teoria da transmissão de
mensagens da engenharia elétrica, um campo mais vasto que inclui não
apenas o estudo da linguagem mas também o estudo das mensagens como
meios de dirigir a maquinaria e a sociedade, o desenvolvimento de máquinas
computadoras e outros autômatos que tais, certas reflexões acerca da
psicologia e do sistema nervoso, e uma nova teoria conjetural do método
científico. Esta mais vasta teoria das mensagens é uma teoria probabilística,
uma parte intrínseca do movimento que deve sua origem a Willard Gibbs e
que descrevi na introdução. Até recentemente, não havia palavra específica
para designar este complexo de idéias, e, para abarcar todo o campo com um
único termo, vi-me forçado a criar uma. Daí “Cibernética”, que derivei da
palavra grega kubernetes, ou “piloto”, a mesma palavra “governador”.
(WIERNER, 1954:15)
Sem dúvida, grandes contribuintes saíram do M.I.T. e um deles foi
Christopher Alexander
Christopher AlexanderChristopher Alexander
Christopher Alexander. Este publicou uma obra,
Notes on the Synthesis of Form
,
que se tornou referência para pesquisadores, durante anos, como uma metodologia
adequada ao sistema do computador aplicado a projetos de Arquitetura.
“Hallar el programa de diseño adecuado para un problema determinado. Es
la primera fase del proceso de diseño. Es, si queremos, la fase analítica del
proceso. Esta primera fase del proceso debe, por cierto, ir seguida por la fase
17
sintética, en la que se deriva una forma del programa. A esta fase sintética la
llamaremos la realización del programa. Si bien estas notas están dedicadas
principalmente a la fase analítica de proceso y a la invención de programas
que pueden hacer una tarea razonable de la síntesis de la forma, debemos
invertir ahora un poco de tiempo pensando en cómo funcionará esta síntesis
o realización. En tanto que no lo hagamos, no podemos conocer cómo
desarrollar los detalles del programa.
El punto de partida del análisis es el requisito. El producto final del análisis
es un programa, el cual es un árbol de conjuntos de requisitos. El punto de
partida de la síntesis es el diagrama. El producto final de la síntesis es la
realización del problema, que es un árbol de diagramas. (ALEXANDER,
1973:85)
O objetivo do autor, resumidamente, é explicar o processo de desenho como
um processo de invenção de coisas físicas que exibem uma nova ordem física, uma
organização em resposta à função. Para isso o autor analisa as linhas de forças
resultantes naturalmente de qualquer fenômeno comportamental e traduz para um
programa por meio de diagramas interpretativos.
Estes diagramas foram representados por um gráfico, cuja tarefa era separar
em conjuntos de acordo com o contexto e fazê-los interagirem entre si. Os resultados
das combinações entre conjuntos pertenceriam a dois estados principais: ajustado ou
não ajustado, (0) ou (1), base do sistema binário. Pesquisadores como Gianfranco
Gianfranco Gianfranco
Gianfranco
Carrara
CarraraCarrara
Carrara, Yehuda E. Kalay
Yehuda E. KalayYehuda E. Kalay
Yehuda E. Kalay e Gabriele Novembri
Gabriele NovembriGabriele Novembri
Gabriele Novembri consideram Alexander um dos
precursores do sistema CAD e comentam no artigo – Conhecimento Básico de
Suporte Computacional para Desenho de Arquitetura as tensões orientadas para a
criação da forma.
The process of architectural design aims to define a physical form that will
achieve certain functional and behavioral objectives in a particular context.
It comprises three distinct, but highly interrelated, operations: (1)
Definition of the desire objectives; (2) production of alternative design
solutions; (3) evaluation of the expected performances of the solutions and
18
comparing them to the predefined objectives. Design can be viewed as a
process of search for the a solution that satisfies stated needs, while at the
same time adapting the needs to the opportunities and limitations inherent
in the emerging solution.
Computational techniques have been developed to assist each one of the
three operations, with varying degrees of success.
” (CARRARA, 1994:147)
Design activities that are based on intuition and induction cannot,
presently, be substituted by computational means. Computers can only
assist designers by providing examples, precedents, case studies, prototypes,
and their derivatives, adapted specifically to the context of the problem.
However, choosing and adapting the appropriate solution remains a human
prerogative.
(CARRARA,1994:151)
Um problema do arquiteto desenho não é a dificuldade de otimização do
desenho, mas a tarefa de modelar variáveis entre a forma e o contexto e impedir que
haja ruídos entre estes dois fatores, pois quanto menor o ruído da forma do objeto da
arquitetura em relação ao contexto, maior será o ajuste ao conjunto de combinações,
tornando-se resposta para o sistema binário que é a base da computação.
(ALEXANDER, 1973)
O desafio de utilizar a computação gráfica acoplada à metodologia de projeto
não deixa de ser um investimento financeiro e horas debruçadas em como operar o
sistema antes dele se tornar lucrativo, em todos os sentidos. A precisão, as
possibilidades de combinação de dados e a eficiência tudo, isso em menor tempo,
foram os maiores atrativos em paralelo ao contexto transitório da arquitetura no
Brasil dos últimos quarenta anos.
Em defesa de uma direção da arquitetura brasileira para um ideal social, que
infelizmente foi barrada pelo contexto social e político, como o ensino colaborou até
esse momento? Os estudantes eram preparados para construir, além de fazer projetos.
Sua formação era para o desenvolvimento paralelo ao progresso, inclusive da
indústria da construção. O papel do arquiteto entra em crise por conta da “separação
do fazer e do pensar” e seu distanciamento do sistema de produção fica cada vez mais
19
claro, transformando-o em um “ser” perdido entre o usuário, empreiteiro e a
indústria de materiais de construção. Segundo Sérgio
SérgioSérgio
Sérgio Ferro
FerroFerro
Ferro, a habitação, um bem,
com valores agregados como: materiais (com ou sem ostentação);
status
; estética;
função; não passa de um jogo de ilusões em que o projeto representa a fantasia das
necessidades requeridas e o canteiro, a realidade de poder realizá-las. Com base
nessas idéias merecedoras de maior aprofundamento, a percepção sobre a
potencialidade dos modelos digitais como meio didático em que os estudantes
pudessem aproximar aquilo que lhes é abstrato de um objeto que represente a
realidade delineia o contorno do objeto aqui recortado.
A definição de “modelo”, por Echenique
EcheniqueEchenique
Echenique, como uma representação de certas
características relevantes da realidade observada em que a realidade consiste em
objetos ou sistemas que existem, existiram ou possam existir pode ser grande aliada
ao processo de metodologia de projeto, desde que, sejam corretamente interpretada e
manipulada, objetivando a expressão efetiva do objeto da arquitetura. (SERRA, 2006)
O termo digital para modelos especifica o meio no qual foi concebido, o meio
eletrônico. O modelo digital varia de acordo com o programa adotado na sua
concepção, neste caso, os modelos digitais gráficos assumem os papéis conhecidos
anteriormente divididos em categorias da fase preliminar, projetual e realização. Na
fase preliminar o computador colabora no arquivamento de dados e modelos
representativos tanto em 2D (duas dimensões), formas compositivas, como 3D (três
dimensões), aspectos volumétricos. Na fase projetual outras especialidades começam
a fazer parte da busca de melhores soluções. Os programas estão evoluindo no
intercâmbio e consolidação de dados no formato gráfico para análises mais complexas
que envolvem diferentes aspectos pertinentes a esta fase. E, por fim, na fase da
realização é possível designar um modelo virtual direto para a manufatura em
série.
20
protótipo digital www.rhino3d.com
modelo digital ilustrativo protótipo
É preciso entender um pouco a diferença entre a computação gráfica
destinada à edição de imagens e a computação gráfica para o desenho. A primeira
divide a área de trabalho em
pixels
(
Picture Element
a menor unidade de medida
da imagem). A qualidade da imagem é medida pela quantidade de
bits
(
binary digit
menor unidade de medida da informação) inserida em cada
pixel
e o tamanho da
imagem é medido em número de
pixels
na direção dos vetores x e y. A segunda
divide em pontos organizados pelo sistema de coordenada absoluta cujos valores são
21
atribuídos para x,y,z. A vantagem do sistema de gráfico vetorial para projetos é a
precisão dos cálculos e do desenho. O processamento dos desenhos em gráfico
vetorial é realizado por cálculos matemáticos enquanto os
pixels
são espaços
preenchidos por cores formando figuras mais nítidas, dependendo do grau de
afastamento no centro da tela. Vale citar que, por convenção, 8
bits
equivalem a
1
byte
e uma imagem de 72 x 72
pixels
equivale à medida de 2,54 x 2,54 centímetros.
Tela dividida em
pixels
. Preenchimento dos
pixels
por diferentes cores. Paint (
software
) desenho do
autor.
Gráfico vetorial. Desenho preciso. Autocad 2007(software) desenho do autor.
Normalmente, no processo de desenho técnico as figuras geométricas são
desenhadas com o auxílio instrumental, como réguas, compasso e esquadros.
22
“Na arquitetura, essa tendência de imitar gregos e romanos é
particularmente óbvia. O tratado escrito pelo romano Vitrúvio era estudado,
edifícios antigos eram medidos, a fim de aprender a “linguagem” clássica da
arquitetura, não apenas o vocabulário (pedimentos, moldes decorativos,
colunas dóricas, jônicas e coríntias e assim por diante), mas também a
gramática: as regras para combinar os diferentes elementos.”
(BURKE,
1999:27)
“O entendimento das técnicas e da terminologia das construções
geométricas básicas é fundamental para o sucesso do desenho tradicional e
do desenho por sistemas CAD.” (GIESECKE,2002:100)
A computação gráfica utiliza-se da prática das teorias de geometria ao ser
aplicada por meio de programas codificados em linguagens computacionais, cuja base
matemática consegue resumir em um sistema binário. Smart
Smart Smart
Smart escreve sobre as
implicações das aplicações da computação gráfica ao ensino de geometria:
“O ensino de matemática nunca será o mesmo, em virtude da ciência da
computação; o ensino da geometria nunca mais será o mesmo, em virtude da
computação gráfica. O professor de geometria que aprender computação
gráfica perceberá o quanto é fundamental o mais novo campo de aplicação
da geometria. Ao mesmo tempo, a atitude do professor em relação à
geometria também mudará, em virtude da maneira como a geometria é
utilizada na computação gráfica. A geometria tornou-se uma matéria
especialmente prática no currículo de matemática, pois muitos conceitos
geométricos são essenciais para a computação gráfica.
(MONTGOMERY, 1994:40)
Ele sugere um ensino de matemática focado às pessoas criativas que irão
desenvolver programas computacionais direcionados à computação gráfica,
imprescindível para a evolução da orientação do uso do computador no ensino
fundamental. Os estudantes de graduação, futuramente, chegarão bem mais
preparados para a inserção de novos métodos de aprendizado em que a interface do
meio eletrônico naturalmente ocupará maior espaço na metodologia de projeto.
23
Soluções são encontradas graficamente e as composições dessas figuras
primitivas vão delineando uma forma mais complexa, a qual faz parte do sistema
total do projeto de Arquitetura. Compare-se esse processo com o da alfabetização. As
letras do alfabeto formam palavras que formam frases e constroem parágrafos que,
por sua vez, compõem textos literários que envolvem os leitores, assim como o
desenho da arquitetura, conjunto de elementos geométricos e teorias da geometria
envolvem os cidadãos com a produção do espaço construído. A arte de manipular os
elementos geométricos para fins de representação do desenho arquitetônico é a base
de domínio sobre os programas gráficos vetoriais. O desenho por computador se
diferencia do desenho de prancheta no conjunto de possibilidades de manipulação
dos elementos geométricos para chegar ao mesmo objetivo, por exemplo,
desenhando um retângulo. Este pode ser por dois pontos, três pontos e largura,
comprimento a partir do centro e por polígono de quatro lados. O mesmo acontece
desenhando um círculo, segmentos da reta, segmentos da curva, elipses e arcos.
Superfícies ou
surfaces
uma esfera pode ser definida como um sólido
geométrico formado por uma superfície curva e contínua. Um cilindro é formado por
três superfícies, sendo duas planas e uma curva. As seis faces que formam um cubo
são superfícies planas. Quando se deformamos superfícies planas criam-se espaços
topológicos contínuos fechados ou contínuos abertos. A supefície de uma pétala de
rosa serve como metáfora da forma geométrica orgânica criada por comandos que
assentam um determinado número de pontos “tecendo” uma “malha”. A visualização
dessa “malha” pode ser como a pétala da rosa ou como uma teia de aranha.
24
Imagens do “Help” do programa Rhinoceros.
O sistema CAD permite a criação de sólidos, seus comandos objetivam
diretamente a criação de poliedros regulares, prismas, cilindros, pirâmides, cones e os
não poliedros, esfera, toro e elipsóides. Indiretamente a criação de sólidos ocorre por
meio dos comandos de extrusão e de revolução de um perfil, em que o primeiro tem
a opção de desenvolver o perfil ao longo de um “caminho”, formando, por exemplo,
um tubo caso o perfil seja um círculo. Os sólidos são editáveis por comandos que
subtraem, unem e interseccionam, um com o outro, conhecidos como operações
booleanas. É possível, também, usar a superfície como “lâmina de corte” propiciando
explorar formas geométricas tridimensionais com intenções lúdicas.
25
Imagens do “Help” do programa Rhinoceros
26
Exercício elaborado pelo autor. ”quebra-cabeça” em 3D.
O exercício de “quebra-cabeças” tridimensional criado no sistema CAD é
recomendável para o treino visual antes de reproduzir sistemas de montagens de
peças da engenharia mecânica, por computador.
“A publicação de “As Leis do Pensamento”, de George Boole, em 1854,
estabeleceu o fundamento conceitual para toda a revolução informacional
que emerge na segunda metade do Século XX, aproximadamente 100 anos
depois da publicação original. Mas originalmente, as contribuições de Boole
que converteram a lógica formal em uma questão da álgebra, e criaram
uma linguagem formal simbólica artificial estritamente coerente passaram
como curiosidade matemática e parte do currículo da lógica formal, assim
como do fundamento da matemática, aque Claude Shannon, pesquisador
do Bell Labs, na década de 40, retomou a álgebra booleana e a aplicou aos
processos comunicacionais propondo a Teoria da Informação (Shannon,
1948). As propostas de Shannon encontraram notável repercussão e
colocaram a obra de Boole na centralidade sócio-cultural contemporânea.”
(VASSÃO, 2008:38)
Normalmente no processo de modelagem os
nurbs
são criados com materiais
maleáveis, plastilina, massa de modelar, processo de forjamento, entre outros.
NURBs ou
non-Uniform rational B-splines
é um modelo matemático
desenvolvido por engenheiros, na tentativa de aproximar-se da harmoniosa
concepção das superfícies existentes na natureza. Este objetivo parece plausível
diante do real fato que os levou às pesquisas. Novos conceitos para o processo de
27
desenvolvimento de produto deveriam ser criados para a linguagem apropriada do
sistema CAD, sem necessariamente passar por processos de construção de modelos
físicos. Dois engenheiros, Pierre Bézier
Pierre BézierPierre Bézier
Pierre Bézier e Paulo Del Casteljau
Paulo Del CasteljauPaulo Del Casteljau
Paulo Del Casteljau, contratados para criar
um modelo matemático que levasse ao sistema CAD o desejo de um futuro da
sofisticação do design automobilístico. Um complexo sistema de produção de carros
gradualmente comandado por outro complexo sistema de automação em que cada
micro sistema contém outros micro independentes sistemas, mas todos eles regidos
por um só “maestro”, o estado “ativado” ou “desativado”.
O primeiro programa de interatividade com a tecnologia
Nurbs
foi
desenvolvido em Berlim, em 1993, e levou o nome de
Nörbs
.
Imagem da Wikipédia – NURBs
28
Subtração, União e Intersecção de sólidos. Rhinoceros (software) desenho do autor.
Para que os sistemas CAD se comuniquem entre si, foi preciso criar uma
convenção padronizada das trocas de arquivos gerados em cada sistema, a “ISO
10303”
6
.
Diferentemente da superfície gerada pelo CAD, a malha ou
mesh
é a
superfície dividida em triângulos cujas arestas (intersecção entre duas ou mais faces)
6
Esta é uma norma ISO para os computadores-interpretáveis, representação e intercâmbio de
dados dos produtos industriais. Its official title is " Industrial automation systems and integration -
Product data representation and exchange ", known as " STEP " or " Standard for the Exchange of
Product model data ". Seu título oficial é "sistemas de automação industrial e de integração – Produto
representação e troca de dados", conhecido como "STEP" ou "Norma para a troca de dados modelo de
produto.” (WIKIPÉDIA)
29
e vértices compõem esta divisão. O
mesh
se faz necessário para o processo de
transferência de dados, no formato de algoritmos, de uma geometria criada no
ambiente CAD para o sistema de impressão digital tridimensional, conhecida como
prototipagem rápida. Um
solid
3D para ser interpretado por outro sistema, o CAM, é
exportado como uma malha dividida em vários vértices que formam um triângulo,
este
solid
é “fatiado” previamente no computador gerando um arquivo no formato
específico para máquinas de manufatura. Para cada camada, a máquina faz a leitura
dos pontos x,y,z que são lidos por um programa computacional intermediário entre o
CAD e o CAM. Quanto mais vértices, maior o tamanho do arquivo em bytes e maior
o tempo de processamento da máquina sobre a geometria proposta em 3D. A malha
pode ser otimizada propiciando maior ou menor número de vértices, porém
mantendo a mesma precisão na representação do modelo 3D.
Software Rhinoceros. As três figuras da frente representam a “triangulação” da malha de superfície –
MESHES. As três figuras do fundo representam os sólidos.
30
CAPÍTULO II
CAPÍTULO II CAPÍTULO II
CAPÍTULO II
Prototipagem Rápida: Manufatura automatizada
Prototipagem Rápida: Manufatura automatizadaPrototipagem Rápida: Manufatura automatizada
Prototipagem Rápida: Manufatura automatizada
O modelo físico de um produto tem sido desde a Antiguidade uma fase
fundamental ao processo de desenvolvimento. Com o advento do computador a
representação física dos produtos adequou-se do método antigo para o automatizado.
“Os principais processos de fabricação mecânicos possuem princípios
normalmente derivados da Fusão
FusãoFusão
Fusão e posterior moldagem do material (ex.
vários tipos de fundição de metais em molde permanente ou o, moldagem
por injeção de plástico etc.); da Remoção
RemoçãoRemoção
Remoção de material, até se chegar à forma
desejada (torneamento, fresamento, furação, retífica, eletroerosão, usinagem
química, eletroquímica etc.); da Conform
ConformConform
Conformação
açãoação
ação, que são aqueles que geram a
geometria final da peça a partir da deformação plástica do material inicial
(ex. forjamento, conformação e estampagem de chapas, extrusão, laminação,
metalurgia do pó, entre outros) e de Adição
AdiçãoAdição
Adição de material (ex. soldagem,
brazagem, colagem, entre outros que podem promover a junção de partes
mais simples para compor uma peça mais complexa). Nesse último grupo,
também se encontra o processo de fabricação de peças em fibra de vidro,
onde ocorre a adição de sucessivas camadas de fibras e resinas sobre um
molde. Mais recentemente, no final da década de 80, um novo processo foi
desenvolvido baseado também na adição de material, mas com a diferença
de esta ser em camadas planas. Um grande diferencial deste em relação aos
demais processos de adição é a facilidade de sua automatização, dispensando
moldes e ferramentas, minimizando consideravelmente a intervenção do
operador durante o processo. Isto foi alcançado, pois o mesmo utiliza as
informações geométricas da peça a ser fabricada diretamente do sistema
CAD para o planejamento do processo, que ocorre de forma bastante
automatizada. As informações geradas são enviadas diretamente à máquina
que, uma vez preparada, executa o trabalho sem assistência de um
operador.”(VOLPATO, 2007:2)
31
As duas áreas técnicas responsáveis pelo avanço da prototipagem foram a
topografia e a fotoescultura.
A primeira, investigada por Blanther
BlantherBlanther
Blanther no ano de 1890, desenvolveu um
método para moldes de mapas em relevo topográfico. Por meio de camadas de cera
delineadas, foram sendo aperfeiçoadas e marcaram o princípio do processo de
prototipagem. Outras tentativas foram realizadas com materiais diversos a cera.
Na segunda, em 1972, um engenheiro da General Motors desenvolveu um
método de construção de um modelo com o uso de uma resina fotopolimerizável. Sua
composição era de partículas refratárias como o de grafite ou areia. Esta resina,
em determinadas regiões em que a luz de vapor de mercúrio se projetava, provocava
o endurecimento daquela região.
Após vários trabalhos de pesquisa sobre as técnicas de topografia e
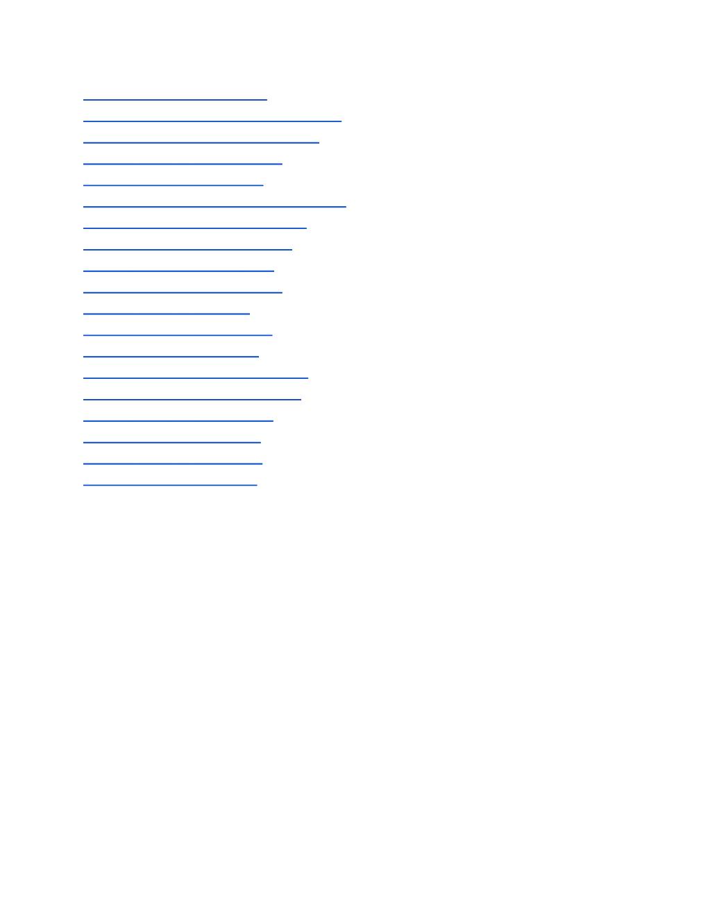
fotoescultura surge, em 1982, a proposta da 3M de fazer um feixe de ultravioleta
polimerizar um polímero fotossensível enquanto, através de um sistema de prismas,
um computador comandava o feixe de laser no plano formado pelos vetores X e Y. A
cada polimerização a camada descia 1 milímetro e nova quantidade de líquido
polimerizável era adicionada para a construção da próxima camada. A empresa
americana
3D Systems
lança a primeira máquina de prototipagem rápida, a SLA
(
StereoLithography Apparatus
), em 1987. (VOLPATO, 2007)
O surgimento do desenho da perspectiva, no Renascimento, causou grande
repercussão por sua nova forma de representação da realidade. Historicamente o
desenho passou a ter categorias diferentes e, no caso da arquitetura, categorias dentro
do sistema de projeto. Hoje, depois das experiências do período industrial e a
caminho da convergência com a era do computador, máquinas capazes de ler
modelos matemáticos e realizar operações que correspondem à manufatura de um
objeto são possíveis. O texto a seguir demonstra a inquietude dos pesquisadores
desta área quanto às novas tendências que poderão influir não para o
desenvolvimento de produto, mas sim para a arquitetura.
32
“In the early 1970s, we observed a first relevant development in creating
physical models of objects constructed from computer data files
[Newman/Sproull :299
7
]. The use of numerically controlled milling
machines was the essential of this technology. Mitchell wrote in 1977
that by "interfacing production machinery with computer graphics
systems [...], a very sophisticated design/production facility can be
developed" [Mitchell 1977, p. 372
8
]. But this way to build architecture
models could not meet architectural requirements. Especially hollow
spaces - as an important element of structure in generating architecture
models like, for example, inner sides of buildings - could not be realized.
So, this possible way of creating architecture models did not gain in
significance in architecture and town planning. (CAAD futures Digital
Proceedings 1991) This situation could change now. In the middle of the
1980s, a new technical development was to get attention because
architectural applications were made possible, and some important
architectural requirements were met. The heart of this new technology is
the automatical production of physical forms based on photopolymer
plastic together with a laser and a scanner controlled by a computer. As
users in the discipline of mechanical engineering are able to create
complex form structures, they characterize this process as computer-
aided prototyping. The producer of this new tool calls it
stereolithography. If this new technology of creating architecture models
by stereolithography becomes more important in the architect's work,
two questions are to be answered: 1. Which possibilities for architects
will be offered by the stereolithography and which presuppositions in
relation to available CAAD-systems have to be met ?
2. Which essential architectural design aspects have to be taken into
account and have to be considered critically ?” (STREICH, 1991)
As linguagens se diferem e criam peculiaridades de comunicação entre as
máquinas. Para que um modelo tridimensional digital seja lido, é preciso salvar o
7
Newman, W. M. and R.F. Sproull: Principles of Interactive Specification. Valencia, CA, October,
1989.
8 Mitchell, W.J.: Computer-Aided Architectural Design. New York, 1977.
33
arquivo em formatos propícios para que uma determinada linguagem comande
corretamente as operações.
Normalmente, estes modelos originais não estão divididos em faces
triangulares que são os modelos em superfícies
meshes
, para que isso ocorra existe
um formato especial para a conexão entre as duas interfaces, o CAD e o CAM. A
divisão em faces triangulares das superfícies originais deve ser cuidadosamente
observada para que a manufatura automatizada resulte em boa qualidade.
A grande diferença entre um desenho feito a mão e por computador é que o
segundo se representa tanto com a forma gráfica quanto numérica. O formato .STL
possui duas formas de gravação. Uma para a linguagem ACSII, de fácil edição por
qualquer programa de edição de texto, sendo que cada face do triangulo está descrita
por completo. A outra para uma linguagem que compacta e carrega com mais rapidez
que é o Binary STL, em forma esquemática separada em conjuntos.
solid
facet normal 1.000000 0.000000 0.000000
outer loop
vertex 6.000000 -6.000000 -6.000000
vertex 6.000000 6.000000 6.000000
vertex 6.000000 -6.000000 6.000000
endloop
endfacet
facet normal 1.000000 0.000000 0.000000
outer loop
vertex 6.000000 -6.000000 -6.000000
vertex 6.000000 6.000000 -6.000000
vertex 6.000000 6.000000 6.000000
endloop
endfacet
facet normal -1.000000 0.000000 0.000000
outer loop
vertex -6.000000 -6.000000 -6.000000
vertex -6.000000 -6.000000 6.000000
vertex -6.000000 6.000000 6.000000
endloop
endfacet
facet normal -1.000000 0.000000 0.000000
outer loop
vertex -6.000000 -6.000000 -6.000000
vertex -6.000000 6.000000 6.000000
vertex -6.000000 6.000000 -6.000000
endloop
34
endfacet
facet normal 0.000000 1.000000 0.000000
outer loop
vertex -6.000000 6.000000 -6.000000
vertex 6.000000 6.000000 6.000000
vertex 6.000000 6.000000 -6.000000
endloop
endfacet
facet normal 0.000000 1.000000 0.000000
outer loop
vertex -6.000000 6.000000 -6.000000
vertex -6.000000 6.000000 6.000000
vertex 6.000000 6.000000 6.000000
endloop
endfacet
facet normal 0.000000 -1.000000 0.000000
outer loop
vertex -6.000000 -6.000000 -6.000000
vertex 6.000000 -6.000000 -6.000000
vertex 6.000000 -6.000000 6.000000
endloop
endfacet
facet normal 0.000000 -1.000000 0.000000
outer loop
vertex -6.000000 -6.000000 -6.000000
vertex 6.000000 -6.000000 6.000000
vertex -6.000000 -6.000000 6.000000
endloop
endfacet
facet normal 0.000000 0.000000 1.000000
outer loop
vertex -6.000000 -6.000000 6.000000
vertex 6.000000 6.000000 6.000000
vertex -6.000000 6.000000 6.000000
endloop
endfacet
facet normal 0.000000 0.000000 1.000000
outer loop
vertex -6.000000 -6.000000 6.000000
vertex 6.000000 -6.000000 6.000000
vertex 6.000000 6.000000 6.000000
endloop
endfacet
facet normal 0.000000 0.000000 -1.000000
outer loop
vertex -6.000000 -6.000000 -6.000000
vertex -6.000000 6.000000 -6.000000
vertex 6.000000 6.000000 -6.000000
endloop
endfacet
facet normal 0.000000 0.000000 -1.000000
outer loop
vertex -6.000000 -6.000000 -6.000000
35
vertex 6.000000 6.000000 -6.000000
vertex 6.000000 -6.000000 -6.000000
endloop
endfacet
endsolid
Exemplo da representação numérica de um cubo de 12” x 12” x 12” salvo para a linguagem ACSII STL.
#
# This can be a comment
#
g object_1
v -6.000000 -6.000000 -6.000000
v 6.000000 6.000000 -6.000000
v 6.000000 -6.000000 -6.000000
v -6.000000 6.000000 -6.000000
v -6.000000 -6.000000 6.000000
v 6.000000 -6.000000 6.000000
v 6.000000 6.000000 6.000000
v -6.000000 6.000000 6.000000
vn 0.000000 0.000000 -1.000000
vn 0.000000 0.000000 1.000000
vn 0.000000 -1.000000 0.000000
vn 0.000000 1.000000 0.000000
vn -1.000000 0.000000 0.000000
vn 1.000000 0.000000 0.000000
f 1//1 2//1 3//1
f 1//1 4//1 2//1
f 5//2 6//2 7//2
f 5//2 7//2 8//2
f 1//3 6//3 5//3
f 1//3 3//3 6//3
f 4//4 8//4 7//4
f 4//4 7//4 2//4
f 1//5 8//5 4//5
f 1//5 5//5 8//5
f 3//6 2//6 7//6
f 3//6 7//6 6//6
Exemplo da representação numérica de um cubo de 12” x 12” x 12” salvo para a linguagem Binary
STL.
Os modelos tridimensionais, após a década de 80, dividiram-se em físicos e
virtuais. Consideram-se físicos a maquete, o modelo volumétrico,
mock-ups
e
protótipos.
Os virtuais são desenhos representados tridimensionalmente por modelos
matemáticos traduzidos em linguagens especificas do computador. A interface do
36
programa de gráfico vetorial proporciona a apresentação gráfica no monitor para o
diálogo entre o autor e o modelo.
A técnica de construção de modelos físicos tem sido historicamente uma
estratégia para o processo natural de desenvolvimento de produto, cujo objetivo é o
esclarecimento na sua mais ampla significância. No livro recente sobre “Os dez casos
do design brasileiro”, lançamento da editora Blucher, a dupla de designers Célio
Célio Célio
Célio
Teodorico
TeodoricoTeodorico
Teodorico e Aldrwin Hamad
Aldrwin HamadAldrwin Hamad
Aldrwin Hamad conta sobre o desenvolvimento do Specto, um emissor
eletrônico de senhas. O destaque selecionado ressalta um testemunho sobre a
relevância da confecção de modelos físicos.
“Os desenhos dessas alternativas foram otimizados e partimos para a
confecção de modelos de volume para visualização e refinamento formal,
(aqui cabe comentar que fazer modelos de volume, de estudos ou mesmo de
apresentação é uma fase importantíssima no processo de design). Não vemos
a modelagem tridimensional como uma fase executiva, mas, sobretudo,
como uma maneira de buscar um aprimoramento formal nos detalhes, nas
transições de linhas e planos, conciliando aspectos funcionais e uma
intenção formal, ou seja, buscar um caráter próprio.”
(...) “Em um dia de trabalho, com minha prancheta companheira, fiz um
desenho técnico do produto e passei para Aldrwin fazer a modelação 3D e
todo o detalhamento com a disposição dos vários itens eletroeletrônicos e
especificações em geral. Desta forma fui encarregado da confecção do
protótipo funcional, digo eu e o Fábio Rautenberg (um grande amigo do
extinto LDBI) para ficar pronto em poucos dias. Confeccionamos o modelo
funcional em MDF e espuma de poliuretano com acabamento superficial em
tinta automotiva.” (TEODORICO e HAMAD, 2008)
O modelo físico pode ser um conjunto de peças desenhadas anteriormente
prevendo todos os encaixes e conexões, sendo que as peças podem ser modeladas em
vários tipos de materiais. Porém, o que interessa neste capítulo são as peculiaridades
na manufatura automatizada dos modelos realizados pelo sistema CAD/CAM.
37
Os modelos físicos diferenciam-se pelas técnicas de sua confecção e pelas
finalidades precípuas para que são elaborados. Assim, têm-se modelos realizados
manualmente, que são os modelos volumétricos usados na arquitetura, que servem
para esclarecer dúvidas visuais sobre um espaço ou objeto de uma escala cem vezes
maior, o que nem sempre satisfaz plenamente o que se desenha. O
mock-up,
termo
corriqueiro em desenho industrial, orienta a equipe de projeto para as novas
indagações formais e funcionais. Faz parte do processo normal de representação da
realidade enquanto as idéias ainda estão sendo investigadas. O protótipo parcial
serve, mesmo com materiais diversos ao produto final, para realizar testes de
funcionamento. o protótipo completo se diferencia por ser completo e, por fim, os
protótipos alfa, beta etc., são modelos distribuídos para um grupo limitado de
usuários que farão uma avaliação ou, no caso de um programa computacional, este é
disponibilizado na rede de internet para teste de uso antes de lançarem o definitivo.
(VOLPATO, 2007).
“Com freqüência, é construído um modelo em escala para estudar, analisar e
refinar um projeto. Para instruir o artesão de uma oficina de modelos na
construção do protótipo ou modelo, são necessários desenhos cotados ou
modelos computacionais. Um modelo em tamanho real para as
especificações finais, exceto possivelmente para materiais, é conhecido como
protótipo. O protótipo é testado e modificado naquilo que for necessário, e
os resultados são observados na revisão dos esboços e desenhos de execução.”
(GIESECKE, 2002:20)
Em vista do alto custo e tempo envolvidos para a construção de um protótipo,
quando não é satisfatório, o sistema CAD contribui significativamente para a
diminuição de ambos.
Um protótipo virtual assume a mesma idéia do modelo físico, o que difere um
do outro é o modelo matemático. Os parâmetros adotados para o modelo podem
simular e ensaiar situações do tipo “O que aconteceria se...”. Programa como o
solidworks modela protótipos virtuais para desenho industrial assim como o Revit
38
modela para a arquitetura. São programas inteligentes que não administram apenas
os parâmetros atribuídos aos objetos, mas, sobretudo, ao sistema total que abrange
todo o projeto do produto ou do edifício.
Um protótipo de usinagem por CNC (controle numérico computadorizado)
antecede a prototipagem rápida. As operações simultâneas de uma máquina são
controladas por este sistema CNC. São vários os tipos de máquinas automatizadas
para cada tipo diferente de tarefa realizada: torno, fresadora, jato de água e outras.
Imagem da máquina CNC, do tipo fresadora, adquirida pela FAAP.
O sistema de PR é definido de acordo com a matéria prima utilizada: líquido –
Estereolitografia (SL); Impressão a Jato de Tinta; IJP in Vision; Modelagem por
Fusão e Deposição FDM; Manufatura Laminar de Objetos LOM; Tecnologia com
Lâminas de Papel PLT; IJP Thermojet; IJP Benchtop; Sinterização Seletiva a
Laser SLS; Sinterização a Laser EOSINT; Impressão Tridimensional 3DP;
Fabricação da Forma Final a Laser – LENS; e, 3DP – ProMetal.
39
Estereolitografia. http://home.att.net/~castleisland/sl.htm
Manufatura Laminar de Objetos – LOM. http://home.att.net/~castleisland/lom.htm
40
Modelagem por Fusão e Deposição FDM.
http://home.att.net/~castleisland/fdm.htm
Sinterização Seletiva a Laser – SLS
. http://home.att.net/~castleisland/sls.htm
O primeiro equipamento SLA (
Stereolitography Apparatus
) de PR foi usado
nos Estados Unidos, em 1987, pela empresa 3D Systems. A resina líquida fotocurável
fica em um recipiente que contém uma bandeja nela mergulhada a qual é deslocada
41
para cima e para baixo no eixo z. O raio UV ultravioleta é lançado sobre a bandeja
delimitando o formato da camada bidimensional x e y. A camada passa do estado
líquido para o sólido ao ser polimerizada, a bandeja é deslocada para baixo e uma
nova camada é redesenhada pelo feixe de luz, essa nova camada vai aderir à anterior,
até que a peça seja construída por completo. A peça, após o término desse processo, é
levada para um forno para a cura da resina.
http://www.castrep.com/sla.html
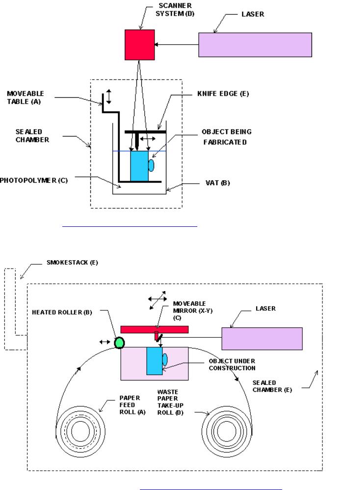
O processo de PR baseado em sólido com adição por camadas
normalmente é encontrado no formato de filamento, lâmina ou sem forma
específica, pois será fundido para ser depositado. Esse processo necessita da criação
de estrutura de suporte para as peças que possuem intervalos entre um sólido e outro.
Nesse caso a máquina possui outro bico extrusor exclusivo para os suportes e com
materiais menos resistentes para a retirada depois da peça pronta.
O processo de PR baseado em facilita a maleabilidade do trabalho
com uma grande variedade de materiais. O processo de Impressão Tridimensional
tem sido considerado o mais popular equipamento de prototipagem do mercado.
42
Cortesia da empresa Seacam – Representante da ZCorp (inovação em impressão 3D) no Brasil.
Cortesia da empresa Seacam – Representante da ZCorp (inovação em impressão 3D) no Brasil.
Baseado em pó esta impressora 3D acrescenta pigmentos.
3D CAD
Impressora 3D
Printer
3D Modelo
43
Cortesia da empresa Seacam – Representante da Zcorp.
Cortesia da empresa Seacam – Representante da Zcorp.
Arquitetos renomados internacionalmente como Frank Ghery, Zaha Hadid,
Frank Ghery, Zaha Hadid, Frank Ghery, Zaha Hadid,
Frank Ghery, Zaha Hadid,
Greg Lynn
Greg LynnGreg Lynn
Greg Lynn, entre outros, foram adeptos das novas condições disponíveis dos sistemas
CAD/CAE (
computer aided engeenering
) /CAM no processo natural desde a
concepção à realização de seus projetos.
Frank Gehry
Frank GehryFrank Gehry
Frank Gehry, antes de começar o uso do sistema CAD em seus projetos, ele
fez um teste para a construção de uma escultura em frente a um complexo hoteleiro
44
em Barcelona, em 1992. A escultura devia ser realizada em um curto espaço de
tempo e com a verba limitada. O sistema CAD adotado foi eficiente e resolveu dentro
do prazo previsto a escultura na forma de um grande peixe cuja estrutura são tiras de
metal.
No momento em que o modelo físico está pronto, o processo de digitalização
do objeto se inicia. O sistema CAD/CAM capta todos os pontos referenciados do
modelo físico e os passa para o computador em forma de modelos matemáticos
representados por malhas. Uma máquina de corte com tecnologia CNC recebe as
instruções do controle numérico que otimiza o corte das folhas de aço para a vedação
ou cobertura da edificação, mantendo as curvas originais do projeto.
http://www.flickr.com/photos/archimap/sets/72157605377674047/
45
http://www.mimoa.eu/images/893_l.jpg
http://www.flickr.com/photos/archimap/sets/72157605377674047/
46
Vale desviar o foco para um projeto cujo nome é “casa de o”, no Texas
EUA, do escultor Robert Bruno
Robert BrunoRobert Bruno
Robert Bruno. No período de 1974 a 2002, vinte e oito anos, Bruno
construiu uma escultura em aço, habitável.
www.robertbruno.com
47
Alguns comentários publicados da arquiteta Zah
ZahZah
Zaha Hadid
a Hadida Hadid
a Hadid descrevem suas
experiências com relação ao uso do computador. Por meio da tecnologia podemos
atingir determinadas coisas, mas não, abstrair. Com a perspectiva à mão você pode
decidir o que quer ser mostrado e editado no mesmo tempo em que faz os traços. O
computador apresenta muitas secções de um mesmo projeto ou modelo em 3D,
propiciando um leque de visualização para a continuação de sua própria abstração
conceitual. (SCHUMACHER, 2004) Zaha Hadid
Zaha HadidZaha Hadid
Zaha Hadid insiste em dizer que embora sejam
diferentes maneiras de representação, os modelos físicos e os
sketches
são
fundamentais para seu trabalho.
Para Lynn
LynnLynn
Lynn as mudanças do processo de projeto devido ao surgimento do
sistema CAD, na Arquitetura, serviram como um meio investigativo formal e estético
de representação. Para cada projeto e orçamento tem-se um novo desafio para as
pesquisas das formas por meio da continuidade de superfícies (conceito de
homomorfismo
9
). Os recursos computacionais para as fases de concepção, produção e
manufatura desenvolvidas para o desenho industrial, aeronáutica, naval, automotiva,
indústria do cinema, entre outros, estão sendo emprestados, por que não, para a
produção da arquitetura contemporânea. (LYNN, 2007)
“Novas maneiras de pensar e de conviver estão sendo elaboradas no mundo
das telecomunicações e da informática. As relações entre os homens, o
trabalho, a própria inteligência dependem, na verdade, da metamorfose
incessante de dispositivos informacionais de todos os tipos.
Na época atual, a técnica é uma das dimensões fundamentais onde está em
jogo a transformação do mundo humano por ele mesmo.” (LÉVY, 1993:7)
A percepção sobre a procura dos estudantes de desenho industrial pelo a
modelagem digital e física como um meio de visualização e compreensão de suas
próprias idéias de concepção do objeto é pertinente para uma reavaliação do processo
cognitivo dos estudantes de arquitetura.
9 Homomorfismo: Homomorfo que tem a mesma forma. Diz-se dos compostos orgânicos que possuem
a mesma forma. Grande dicionário Larousse Cultural da Língua Portuguesa.
48
As disciplinas específicas do curso de Arquitetura, cujo objetivo é o
esclarecimento técnico construtivo, seriam amplamente beneficiadas com a adoção
do programa Rhinoceros, utilizado em Desenho Industrial, como um suporte na
formação de um novo perfil de estudante de arquitetura. Um estudante mais
preparado para soluções da construção do edifício e, não tanto, como revisor de
desenhos técnicos. O sistema de modelagem de informação do edifício está sendo
implementado no mundo aos poucos e sua tendência sinaliza para a permanência.
Isto implica em uma nova realidade ao produzir projetos de arquitetura.
Experiências de integração entre disciplinas no curso de desenho industrial
mostraram-se eficazes. A disciplina de ergonomia juntamente com a de modelagem
digital tem desenvolvido trabalhos em que uma fornece subsídios para a outra. Uma
mistura de técnicas digitais e manuais é realizada ampliando as possibilidades de
opções de estudos da forma do objeto.
Proposta para um cabo de rodo de pia. Ergonomia e Computação Gráfica II
49
Exposição dos trabalhos dos estudantes de desenho industrial, 2008.
Integração entre Ergonomia e Computação Gráfica II
Exposição dos trabalhos dos estudantes de desenho industrial, 2008.
50
Exposição dos trabalhos dos estudantes de desenho industrial, 2008.
51
CAPÍTULO III
CAPÍTULO IIICAPÍTULO III
CAPÍTULO III
SISTEMA BIM
SISTEMA BIM SISTEMA BIM
SISTEMA BIM –
MODELAGEM DE INFORMAÇÕES DA
MODELAGEM DE INFORMAÇÕES DA MODELAGEM DE INFORMAÇÕES DA
MODELAGEM DE INFORMAÇÕES DA
CONSTRUÇÃO
CONSTRUÇÃOCONSTRUÇÃO
CONSTRUÇÃO
A idéia da integração entre o CAD e a construção civil surgiu devido à
necessidade de controle sobre os programas de larga escala realizados na política
pública do governo britânico. Foi instalado no ano de 1969, em Cambridge, um
escritório para as pesquisas de protótipos de sistemas aplicados à construção
utilizando como base o CAD.
Uma das empresas pioneiras do continente europeu foi a Tekla instalada na
Finlândia. Um grupo de escritórios de engenharia fundou uma companhia de
desenvolvimento de um programa de computação aplicado às áreas de arquitetura,
engenharia e construção AEC. O objetivo era fornecer possibilidades de ensaios do
objeto visando avaliar a funcionalidade, a forma e o desempenho ao mudarem,
apenas, os parâmetros de cada objeto.
www.tekla.com - Tecnologia BIM.
52
www.tekla.com - Tecnologia BIM.
O que vem a ser um sistema BIM (
Building Information Modeling
)? Suponha-
se que se deseja que toda a complexidade de um edifício completo, construído,
esteja representada pelo sistema binário, isto é, no computador. Para que isso ocorra
desenvolveu-se um sistema computacional capaz de reproduzir um edifício
completo, incluindo todos os módulos envolvidos pela construção civil, estrutura,
elétrica, hidráulica e arquitetura. Os principais fatores relevantes à adoção do novo
sistema são a produtividade, acessibilidade, cronograma, orçamento e risco. Estes
procedimentos visam à produtividade, porque, ao produzir no modelo digital
qualquer modificação, dadas as novas informações, automaticamente, serão
atualizadas em todos os demais módulos, além da acessibilidade devido à conexão
direta com as indústrias da construção para a inserção de blocos referenciados, não
contando o restante que é diretamente ligado à transferência do papel para o canteiro
de obra.
53
O arquiteto Frank Ghery
Frank GheryFrank Ghery
Frank Ghery inovou o processo que envolve desenho, projeto e
construção em sua obra, conhecida como um marco de mudança de paradigma em
Arquitetura, o museu de Guggenheim de Bilbao na Espanha.
Imagens do processo adotado para o Museu Guggenheim, em Bilbao na Espanha, 2000. Bruce Shepard
foi o autor do modelo digital no
software
CATIA. http://www.arcspace.com/gehry_new/
54
DG Bank Berlin. Frank O. Gehry. Fonte: imagem da Internet/
Photo: Mrs. Waltraud Krase
Os responsáveis pelo modelo Digital foram Rick Smith e Bruce Shepard.
Com todo o acúmulo de experiências em sistemas computacionais gráficos
aplicados na realização desta obra, Ghery
GheryGhery
Ghery formou uma equipe (
Gehry Technologies,
Inc.
) de consultores, equipe de treinamento, especialistas em modelagem digital etc.,
além de uma equipe de desenvolvedores de um novo programa,
Digital Project,
que é
um pacote de aplicativos para soluções em construção civil, cuja base é o CATIA
10
.
10
Usando a mais alta tecnologia, a solução CATIA V.5 atende de forma completa os processos de
desenvolvimento do produto, a partir da especificação e concepção até a linha de produção, de forma
associativa e integrada. Isto facilita a engenharia simultânea através das diversas áreas e
departamentos da empresa e de seus fornecedores, como estilo, desenho mecânico, equipamentos e
meio de produção, simulações de montagem, análise estrutura e usinagem. A solução CATIA V.5
permite as empresas capturar e usar o "know-how" adquirido no desenvolvimento do produto
acelerando o ciclo de desenvolvimento, o que ajuda as empresas a chegarem rapidamente ao mercado
com produtos criativos e inovadores. http://www.alphachannel.com.br/page.php?menuid=378
55
http://www.gehrytechnologies.com/ Village Queensridge – Las Vegas
http://www.gehrytechnologies.com/ Village Queensridge – Las Vegas
http://www.gehrytechnologies.com/
Lincoln Center Alice Tully Hall – NY.
Autor do projeto: Dillar Scofido + Renfro. Desenvolvimento de projeto: Gehry Technologies.
56
Um projeto de grande porte necessita de uma equipe multidisciplinar
composta por especialistas e todo esse suporte de conhecimento é transferido para o
computador que processa, cruza e consolida as informações. Dez projetos referenciais
no âmbito da arquitetura contemporânea foram erguidos por um novo conceito de
gestão em que converge a prática da arquitetura, engenharia e construção, o BIM. A
empresa Gehry Technologies, inc. pode ser considerada uma precursora do novo
paradigma de gestão de projetos, em que prestam serviços os grandes nomes,
responsáveis pela nova estética urbana mundial: Beijing National Stadium, City
Plaza Hotel, Lincoln Center - Alice Tully Hall, Lou Ruvo Brain Institute, New
World Symphony, Museum of Biodiversity, One Island East, San Li Tun, Taikoo
Hui, Village at Queensridge.
“Under certain circunstances it may be very useful to consider a further
level of integration: the integration of a computer-aided design system with
a building system to produce a comprehensive building design and
construction system. There are several potential advantages to this
approach. The use of a consistent, rationalized building system, where
choices of components are well and narrowly defined and where precise
rules of assembly are specified, vastly simplifies the technical problems of
computer software development. Not only is it possible to successfully
implement automated analysis and documentation routines, it is also
possible to develop quite powerful and sophisticated automated design
synthesis routines for use in certain circumstances. The context of large-
scale, repetitive building programs, in which economy and speed of
construction are emphasized, is where industrialized building systems have
shown themselves to be most effective; it is likely to be where computer-
aided design systems can have their greatest immediate impact.
A recent analysis of requirements for the development of a such integrated
systems (Hoskins 1973) concluded that the following are required, on the
building system side, for full realization of the benefits of a comprehensive
integrated system: (…)” (MITCHELL, 1977 p.100)
The pioneering integrated system in Britain was developed by the West
Sussex County Council design offices in Chichester (Ray jones 1968,
57
Paterson 1972, 1974). It was an interactive graphics system, employing
refreshed cathode ray tube graphics terminals equipped with light pens and
driven by an in-house IBM System/370 computer. West Sussex employs the
SCOLA industrialized component building system, and utilizes a serial
tendering relationship with contractors whereby bids are made to produce a
certain volume of construction of a certain type for a certain price before
the buildings to be produced have actually been designed. This allows prices
to be accurately known at the design stage. The computer system provided
facilities for interactive graphic descriptions of buildings, and cost analyses
of SCOLA building designs (based on the known unit prices), plus
environmental and structural evaluations, and automatically generated
construction documentation. (…)” (MITCHELL, 1977:101)
West Sussex employs the SCOLA industrialized component building system.
Escritórios de Arquitetura, Engenharia e Construtoras procuram inovar o
processo de integração entre si através da nova gestão de projeto aplicado à produção
do espaço urbano. No Brasil existe uma política de disseminação do sistema BIM pela
empresa da Autodesk, cujo programa gráfico específico dessa área é o REVIT.
58
“There is only one way to create mature 3-D architecture, and that is to do
all the work in three dimensions. Communication between the parties in
the building process should be done exclusively through 3-D models, either
virtual computer models or physically materialized models. If implemented,
this process will consequently have an enormous impact on the designer's
profession. An as yet unknown complexity of forms and shapes will enter
the world of architecture. Curves, splines and double-curved surfaces
(surfaces that contain no straight lines in any direction) will become natural
tools for the designer. The architect will be both sculptor and technician at
the same time. Architects will have the tools to study the interaction
between imagination and technique. They will be able to integrate their
intuitive imaginations with the dry administration of data, regaining
cybernetic control over the building process.” (OOSTERHUIS, 1995)
Será preciso esperar um tempo de adaptação e readequação da infra-estrutura
dos escritórios que irão praticar o uso do sistema BIM, pois este requer tempo de
aprendizado, isto é, equipes de treinamento com a condição de dar suporte,
atualização de máquinas que suportem a capacidade de processamento de dados e a
formação da rede integrada entre os escritórios, além de outros fatores derivados de
um processo normal de introdução de uma nova gestão. Mais um motivo para
direcionamento do aprendizado dos recursos.
Oosterhuis
OosterhuisOosterhuis
Oosterhuis realizou um projeto colaborativo
11
para a intervenção na paisagem
urbana de Nesselande próximo a Rotterdan. Por meio de um jogo, os participantes
11 “Real
RealReal
Real-
--
-time urban design tool
time urban design tooltime urban design tool
time urban design tool
This project is located in Nesselande, which is in the vicinity of Rotterdam · It is a site of 20ha and
lies next to the A20 · The site needs a soundbarrier because the area behind the site is a park-city-
zone · The buildings and landscape in this proposal are considered as continuity which cannot be
separated · The 3-dimensional landscape can be transformed into a building · Even the soundbarrier is
formed by the heads of the buildings · In that way, they are clearly visible from the A20 because they
are not behind the soundbarrier, but they take part of the soundbarrier · The landscape consists of 3
waves, parallel to the A20: 1) The Tsunami-wave: This is the soundbarrier with the heads of the
buildings · The Tsunami-wave is heavily curved on the side of the bridge and loses its curve the
farther you go from the bridge, the fusion landscape-building is curling like a gigantic waterwave -
the Tsunami - · The bridge continues the shape of the Tsunami · 2) Middle-wave: This wave is also a
hybrid shape between building and landscape · 3) Short-wave: These 11 locations are destined to be a
mixture between living and working ·
59
mudam os parâmetros do modelo tridimensional visualizando, em tempo real, a
forma em que está sendo adaptada. O jogo nunca recomeça. A interface digital a
serviço do cidadão que pode pensar em um futuro mais participativo nos projetos
urbanos. Pode-se considerar o projeto de arquitetura colaborativo, por meio da
internet, como parte do processo de introdução de novas gestões de projeto.
The directors of the companies that would like to build in Nesselande are becoming a participator in
the architectonical and urban development · They are submitted to certain rules which they must
obey to get an overview of the total Nesselande-area · Within these rules, the participators can adjust
their own parameters of the design-formula, still staying inside a given width · This width is chosen
according to the flows of the landscape · Continuity is the main theme between relations such as
volumes, buildings-landscape and facades-roofs ·
The interactive game "Participator Nesselande" gives the companies an immediate overview of the
building-possibilities on the site · The rules of this game are the urban criteria and the architectonical
rules · By playing this game, the stakeholders have an immediate view in the consequences of a
choice that they make · By making the choices visible in an interactive, architectural, urban 3d-
model, the process of designing and deciding are going a lot quicker · The requests of the city are a
design-rule in the game, so the game has never got to restart · The stakeholders can easily adjust their
own building so that the other participants can see the effect instantly · This game has a big effect on
the contact between the city and the clients·
The model is completely parametric · All building-elements are dynamically connected to each other
· There is a possibility to fix certain parameters, when a client has a desire to do so · This technique of
designing parametrically is used by the stakeholders·”
date: 2002
site: Rotterdam Nesselande
project architect: Prof ir Kas Oosterhuis
design team: Kas Oosterhuis, Sander Boer, Cas Aalbers, Dara Burke, Christian Friedrich, Stefan
Schneider, Gon Zifoni
client: OBR Rotterdam
60
http://www.oosterhuis.nl/quickstart/index.php?id=157
http://www.oosterhuis.nl/quickstart/index.php?id=157
61
CAPÍTULO IV
CAPÍTULO IVCAPÍTULO IV
CAPÍTULO IV
SISTEMA GIS
SISTEMA GIS SISTEMA GIS
SISTEMA GIS –
SISTEMA DE INF
SISTEMA DE INF SISTEMA DE INF
SISTEMA DE INFORMAÇÕES GEOGRÁFICAS
ORMAÇÕES GEOGRÁFICASORMAÇÕES GEOGRÁFICAS
ORMAÇÕES GEOGRÁFICAS
A sociedade está conectada vinte quatro horas em um espaço virtual cujo
dimensionamento mal se consegue entender ou materializar. Projetos colaborativos
como dicionários, enciclopédias e grupos temáticos, estão sendo fabricados na rede
mundial de informação, a internet. Nesse universo imenso de objetos reais e virtuais,
qual seria a melhor estratégia orientada no aprendizado dos estudantes de
arquitetura, que estes m a responsabilidade, ao menos na teoria, de integrar as
pessoas em projetos de intervenção do objeto manufaturado sobre o espaço natural
de nosso planeta?
Isso parece algo cultural ou ligado ao amadurecimento de uma sociedade, tal
como a dos índios do Xingu que levaram anos passando suas tecnologias da
construção para as novas gerações as quais aperfeiçoaram os sistemas de ocupação de
suas tribos. Esta visão, nos países do primeiro mundo, faz parte do maior
comprometimento da população com o bem estar e qualidade de vida, não apenas
para a sua própria região, e sim com o seu impacto no mundo como um todo.
Estudos para a prática da arquitetura, diferentemente da prática do
urbanismo, exigem uma metodologia diferente das que são destinadas à compreensão
de uma área maior como região, cidade, bairro e gleba. Estas se utilizam de mapas
que representam os recursos hídricos, topográficos, vegetação etc. Programas
computacionais especializados na área de geografia são capazes, tanto no modo
bidimensional como no tridimensional, de modelar os dados orientados ao objeto,
isto é, cada polígono representante de uma edificação geograficamente referenciada.
Aziz Ab’Saber
Aziz Ab’SaberAziz Ab’Saber
Aziz Ab’Saber faz um alerta aos estudantes de arquitetura sobre a importância
de buscarem conhecimentos básicos da geografia pelo simples fato de sermos, hoje,
cidadãos do mundo. Os meios de comunicação levam em tempo real os
acontecimentos do outro lado do mundo, abrindo possibilidades de trabalho, para o
arquiteto, em qualquer lugar do planeta. A visão holística do espaço natural deve ser
62
cultivada para saber respeitar a intervenção sobre o espaço habitável, por isso as
especialidades, muitas vezes, são a causa da falta de organização na produção do
espaço total. (DOMSCHKE,2007)
Para as áreas específicas de um centro urbano, o sistema GIS (
Geographic
Information System
) tem ampla aplicabilidade para as ações nos setores de obras
públicas, meio ambiente e planejamento urbano. Tanto gestores como a equipe de
planejamento de um centro urbano se beneficiam para um alto padrão de
gerenciamento de um sistema tão complexo como a infra-estrutura que compõe uma
cidade.
Cursos para o aprendizado das técnicas e habilidades do sistema GIS são
ministrados no M.I.T. com o propósito de ajudá-los para um desenvolvimento mais
sólido, na busca de repertórios que justifiquem maior entendimento de seus próprios
projetos conceituais. Apoiados pela empresa ESRI (E
nvironmental Systems Research
Institute, Inc.)
os cursos dão condições de dinamismo visual e informativo para que
boas interpretações de imagens resultem em bons planos diretores. Esta mesma
empresa possui uma estratégia de implantação deste sistema em escolas primárias e
secundárias como instrumento didático.
Compactuar com esta estratégia seria contribuir para o aumento de interesses
na formação de urbanistas?
As aulas de geografia deixariam de ser apenas por leituras de mapas e dados
fornecidos pelo IBGE (Instituto Brasileiro de Geografia e Estatística) para serem
aplicadas na prática em pequenos projetos de bairro. Os jovens fariam seus próprios
levantamentos e os dados gerenciados pelo sistema GIS estariam disponíveis em
relatórios visuais e dinâmicos tornando-se um processo mais atraente. Sabe-se que
até as escolas de ensino infantil têm aplicado a prática de conceitos sobre cidadania e
meio ambiente, na tentativa de educar as crianças para boas ações sobre espaço em
que vivem. Estes alunos, futuros estudantes de arquitetura ou desenho industrial,
chegariam mais sensibilizados à faculdade quando o assunto é intervenção em busca
de melhor qualidade no espaço urbano. Portanto, em cursos de desenho industrial
63
ainda poucos trabalhos de conclusão de curso preocupados com o desenho de
equipamento urbano. O mesmo acontece nos trabalhos finais de graduação do curso
de arquitetura, em que poucos se preocupam com o assunto associado ao desenho e
planejamento urbano.
Seis elementos foram elencados como essenciais para o uso do sistema nas
disciplinas de geografia. Segundo o plano estratégico da empresa, os elementos são: a
forma espacial de visualização do mundo; zoneamento cultural; a topografia como
determinante dos limites; configurações sócio-políticas e econômicas; o meio
ambiente natural e construído e interpretações geográficas do passado para decisões
no presente e para o futuro. A rapidez da consolidação dos dados fornecidos,
anteriormente pesquisados, e a flexibilidade ao mudar os parâmetros são as vantagens
de criar condições melhores para o desenvolvimento do mapa mental,
importantíssimo para a visão holística citada por Aziz Ab’Saber
Aziz Ab’SaberAziz Ab’Saber
Aziz Ab’Saber.
“Não há ensino sem pesquisa e pesquisa sem ensino. Esses fazeres se
encontram um no corpo do outro. Enquanto ensino, continuo
buscando, re-procurando. Ensino porque busco, porque indaguei,
porque indago e me indago. Pesquiso para constatar, constatando
intervenho, intervindo educo e me educo. Pesquiso para conhecer o
que ainda não conheço ou anunciar a novidade.” (FREIRE, 1996:29)
A capacidade de divisão em camadas por tema discutido é um recurso muito
comum aos sistemas CAD. Neste caso, dividir em camadas uma região por
hidrografia, topografia, ecologia, geologia, ocupação do solo, infra-estrutura,
geologia, tipos de solos, vias de acessos, parcelamento do solo, características
demográficas, entre outros derivados, facilita o cruzamento de dados entre os mapas
temáticos. Esta dinâmica de combinações em tão pouco tempo e a visualização “geo-
referenciada” têm a colaborar para um modelo de sociedade industrial
pasteurizada na digital, que ainda não se pode afirmar que seja melhor, mas é um
tanto peculiar, que não deve ser ignorada.
64
www.geodados.com.br
www.geodados.com.br
Ainda são poucas as experiências de introdução do sistema GIS nas faculdades de
Arquitetura. Não houve uma investigação apropriada para este trabalho, no entanto,
em uma escola particular de Lins mantida pela Fundação Paulista de Tecnologia
(ETL), desenvolveu-se um conteúdo programático, utilizando-se programas de
computação específicos para a disciplina de geografia. Constataram-se modelos de
65
aprendizados abrangentes quando este se trata da construção do conhecimento
global do indivíduo.
A metodologia, com o auxilio do sistema GIS, aplicou-se
às 5ª, 6ª, e séries do ensino fundamental, tendo para cada nível um objetivo
diferente de aprendizado. No primeiro, a alfabetização do mundo cartográfico. “(...)
utilizando-se de uma foto aérea recente do campus da Fundação (escala 1:8000) e o
software
de geoprocessamento - SIG CTGEO, os alunos aprendem como
georeferenciar e vetorizar uma foto.”
No segundo nível, é o trabalho de campo, o de captar os pontos e localizá-los no
mapa e georeferenciá-los. No terceiro nível, aplica-se o conceito de banco de dados
e orienta-os ao sistema vetorial até esta fase. No quarto e último nível, os dados são
cadastrados e mapas temáticos são gerados. Isto possibilita uma posição mais ativa
diante da análise de probabilidades e, neste ponto da metodologia aplicada é crucial
a boa orientação dos professores que serão os autores responsáveis pelo
desenvolvimento do poder de síntese desses indivíduos.
“Esse trabalho constitui-se numa abordagem das possibilidades do
geoprocessamento na produção de material didático. Aponta as
potencialidades do SIG
12
e o avanço que este pode imprimir no
desenvolvimento da cartografia escolar. Constata-se, também, que o uso do
geoprocessamento na produção dos mapas agiliza o processo, permitindo,
inclusive, simulações de situações relacionadas ao espaço, em constante
modificação.
O fácil entendimento acerca do SIG-CTGEO
13
Educacional, possibilitando
acesso rápido às informações referenciadas cartograficamente, tem
subsidiado a integração dos temas selecionados, não exigindo dos usuários
12
SIG Sistema de Informação Gerencial
13 CTGEO, Centro de Tecnologia em Geoprocessamento, é a unidade do Centro Tecnológico da
Fundação
Paulista (CETEC) que realiza os trabalhos voltados para a área de geoprocessamento. Considerado um
dos maiores
centros de geoprocessamento do país, o CTGEO desenvolve trabalhos para dezenas de grandes
empresas brasileiras
e internacionais, nos segmentos de telecomunicações, saneamento, agroindústria, prefeituras, entre
outros.
66
conhecimentos especializados em Geoprocessamento. É de fundamental
importância a introdução e difusão do conhecimento das novas tecnologias
na área da educação no Brasil. Também é de suma importância a elaboração
de um conteúdo programático que permita que o aluno e o professor tenham
condições de pôr em prática as questões abordadas em salas de aulas.
Baseado nestas premissas, o CTGEO e a ETL vêm realizando esforços em
conjunto para o alcance dos objetivos propostos, que é ensinar o aluno sobre
geoprocessamento e permitir ao professor condições mínimas para a
aplicação da tecnologia como ferramenta d eensino. (PAZINI, 2005
http://marte.dpi.inpe.br/col/ltid.inpe.br/sbsr/2004/11.22.19.05/doc/1329.pdf)
A faculdade de arquitetura da Unicamp apresenta em sua grade curricular
duas disciplinas referentes ao sistema GIS e sua aplicabilidade, que são a AU901
“Sistema de Informação Geográfica aplicado ao urbanismo” e AU902
“Geoprocessamento aplicado a arquitetura e engenharia civil”. Há, também, no
curso de pós-graduação a disciplina IC072 “Sistema de Informação Geográfica
aplicada nas cidades”. A faculdade de arquitetura da PUC de Campinas é outra
que possui disciplinas de introdução ao geo-processamento com quatro aulas
semanais.
67
CAPÍTULO V
CAPÍTULO VCAPÍTULO V
CAPÍTULO V
INFORMÁTICA APLICADA A PROJETOS
INFORMÁTICA APLICADA A PROJETOSINFORMÁTICA APLICADA A PROJETOS
INFORMÁTICA APLICADA A PROJETOS
“In this revolutionary environment of information society architecture,
as a cultural statement and manifestation of our life in space, seeks its
redefinition and its reinvention as a new framework of values and
principles, of knowledge, skills and competences, of tools and means, of
priorities and preferences, as a new paradigm. New terms, notions and
concepts emerge in the architectural vocabulary: liquid, hybrid, hyper,
virtual, trans, morphogenetic, animation, seamless, skin, interactivity,
parametric, nodes, machinic, morphing, self generating, build-ability, and
so on. The consequence is that new values, new aesthetic principles and
new forms of experimentation are rapidly grounded in the consciousness
of the architects and have strong a impact on architectural education and
on the teaching process.” (OOSTERHUIS, 2007)
Puntoni
Puntoni Puntoni
Puntoni (1997) em sua tese de doutorado sustenta a necessidade de
treinamentos da habilidade de fazer desenhos nos currículos do ensino fundamental,
médio e superior e, em especial, para os cursos de arquitetura, de geometria projetiva
e de desenho técnico. Sabe-se que não é possível representar o que não se conhece.
Partindo deste pressuposto, o desenho por computador pode ser um catalisador entre
as disciplinas de desenho instrumental, projeto e tecnologias da construção. O
computador é um instrumento que facilita o direcionamento para melhores soluções
a serem tomadas. No caso da arquitetura, inclui o poder instrumental de visualização
e de uma ferramenta de criação. Trata-se de um instrumental de produção porque,
após o conhecimento de alguns comandos, a operação dos mesmos aplica recursos
digitais que possibilitam inúmeras formas de visualização de um objeto que ainda não
é real. Trata-se de uma ferramenta de criação, porque a interface homem-máquina
está cada vez mais estreita, quebrando-se o paradigma de que a criação de um projeto
de arquitetura deve começar com os primeiros traços à mão livre no formato de
croquis, permitindo, sim, que seja elaborado diretamente, no computador, em
modelagem tridimensional. Greg Lynn
Greg LynnGreg Lynn
Greg Lynn, arquiteto americano, apresenta as condições
68
de criar formas complexas por meio do computador e seguir o processo de produção
utilizando-se dos recursos eletrônicos como parceiros de suas criações. Ele acredita
que tanto a prática quanto a produção do desenho da arquitetura, ambos, possam
participar desta redefinição de conceitos sobre a cultura e o meio. A complexidade,
fluidez e flexibilidade são características inerentes à tecnologia atual que deve,
segundo Lynn
LynnLynn
Lynn, estar presente na forma do objeto que compõe o espaço urbano.
Selfridges department store in Birmingham England.
Blob Architecture.
Termo criado por Greg Lynn em 1995.
Resultado de experimentos com a computação gráfica.
69
Museum de arte contemporanêa. Kunsthaus.
Peter Cook e Colin Fournier
Nota-se que, no período entre os anos de 1995 e 2005, a informática avançava
no sentido mais amplo do processo entre o projeto e a materialização. A Interface
gráfica computacional e as facilidades de intercâmbio entre máquinas e sistemas
abriram um vasto campo para reflexões sobre mudanças de comportamento, seja
profissional, familiar ou político. A produção do espaço cultural passa por um
momento de grande transformação e conseqüentemente tudo que o envolve.
Pensando em contribuir para esse campo vasto de reflexões, recortou-se um tema
aparentemente específico, com a ressalva de que as especificidades fazem parte de
um todo e, portanto não se pode referir à arquitetura sem pensar no todo. O foco da
contribuição é o papel das disciplinas de informática aplicadas à elaboração de
projetos, estudantes de arquitetura e design. Para isso foram elencados alguns dos
exercícios praticados em laboratórios de computação gráfica, tendo como princípios
básicos as propriedades do sistema CAD como ferramenta e como instrumento
didático.
As disciplinas relacionadas aos meios de representação, o desenho
arquitetônico, baseadas em técnicas a mão livre, instrumental e computacional
aplicadas à elaboração de projeto, ainda são questionáveis e aparentemente passam
por um período de avaliação.
70
Mitchell
MitchellMitchell
Mitchell, McCullough
McCulloughMcCullough
McCullough e Purcell
PurcellPurcell
Purcell apresentam, em “O laboratório de desenho
eletrônico A educação de arquitetos na era do computador”, o estado geral da
problemática do computador como instrumento de projeto arquitetônico nas
universidades dos Estados Unidos, Europa, Israel, Japão, Canadá e Austrália. Nos
últimos vinte anos, o processo projetual tem sofrido mudanças por causa do uso do
computador e, conseqüentemente, levantado questões sobre a educação dos futuros
arquitetos que, sem poder optar por um caminho de volta, terão que se adaptar aos
novos recursos.
(...) “A importância dos modelos digitais para a arquitetura está na
capacidade de dominar e simular geometrias complexas.”( FLORIO,
2005:110)
O modelo digital vetorial é “uma matriz de informações sobre o espaço por
excelência.” (FLORIO, 2005:176)
Florio
FlorioFlorio
Florio em sua tese de doutorado fez um vasto levantamento dos recursos
computacionais aplicados à geometria complexa presente na arquitetura atual. As
citações acima constam da conclusão de seu trabalho e não deixam de ser verdades
no que se refere ao modelo digital, mas é melhor pensar que a importância está em
saber o que se quer de um modelo digital para que a capacidade de domínio e
simulação das geometrias complexas aperfeiçoe a interpretação e aplicabilidade das
mesmas.
“A intenção é demonstrar que a escolha das formas regulares esteve
condicionada pelas limitações dos meios de representação, assim como
restritas pelo conhecimento da geometria euclidiana e descritiva. Foi
somente com o desenvolvimento da geometria que surgiram novas
especulações formais e espaciais, especialmente a partir do século XVII.
Portanto, foi essencial demarcar, ao longo da história, os principais
acontecimentos que tiveram influência nas alterações no modo de produzir
desenhos, e seus reflexos no modo de produzir o espaço arquitetônico.”
(FLORIO, 2005:13)
71
Além das alterações do modo de produção dos desenhos referentes à produção
do espaço houve as inovações tecnológicas aplicadas ao surgimento de novos
materiais de construção, aperfeiçoamento das técnicas de trabalho devido às
melhores condições de avaliação, que, também, refletiram no espaço urbano. Neste
contexto de inovações, o comportamento do ser humano muda e se adéqua às
mudanças por simples condição de sobrevivência dentro de uma determinada
sociedade constituída por sua própria evolução cultural.
“As técnicas determinam a sociedade ou a cultura? Se aceitarmos a ficção de
uma relação, ela é muito mais complexa do que uma relação de
determinação. A emergência do ciberespaço acompanha, traduz e favorece
uma evolução geral da civilização. Uma técnica é produzida dentro de uma
cultura, e uma sociedade encontra-se condicionada por suas técnicas. E digo
condicionada
, não
determinada
. Essa diferença é fundamental. A invenção
do estribo permitiu o desenvolvimento de uma nova forma de cavalaria
pesada, a partir da qual foram construídos o imaginário da cavalaria e as
estruturas políticas e sociais do feudalismo. No entanto, o estribo, enquanto
dispositivo material, o é a “causa” do feudalismo europeu. Não uma
“causa” identificável para um estado de fato social ou cultural, mas sim um
conjunto infinitamente complexo e parcialmente
indeterminado
de
processos em interação que se auto-sustentam ou se inibem. Podemos dizer
em contrapartida que, sem estribo, é difícil conceber como cavaleiros com
armaduras ficariam sobre seus cavalos de batalha e atacariam com a lança
em riste...O estribo condiciona efetivamente toda a cavalaria e,
indiretamente, todo o feudalismo, mas não os determina. Dizer que a técnica
condiciona significa dizer que abre algumas possibilidades, que algumas
opções culturais ou sociais não poderiam ser pensadas a sério sem sua
presença. Mas muitas possibilidades são abertas, e nem todas serão
aproveitadas. As mesmas técnicas podem integrar-se a conjuntos culturais
bastante diferentes.”(LEVY,1999.p:25)
72
Consta no banco de dados da produção da USP um trabalho interessante que
valida o foco da importância sobre os modelos tridimensionais produzidos no CAD.
Ferreira
FerreiraFerreira
Ferreira mediu o quanto o sistema de CAD 3D influencia positivamente o processo
de visualização e avaliação de sistemas construtivos na compatibilização espacial em
projetos de produção de vedações verticais em edificações.
“Este trabalho tem como objetivo apresentar uma proposta de uso do CAD
3D para o desenvolvimento de projetos para produção de vedações verticais,
sendo a compatibilização parte intrínseca do processo de projeto. A pesquisa
foi organizada adotando-se três estratégias, com a finalidade de buscar
sucessivas validações em relação às vantagens do uso do CAD 3D proposto
quando comparado ao CAD 2D. As estratégias utilizadas foram: um estudo
de caso piloto, um levantamento de dados e um experimento exploratório. O
estudo de caso piloto e o experimento exploratório, nos quais foi utilizado o
método proposto, possibilitaram concluir que o CAD 3D possui vantagens
sobre o CAD 2D, sendo mais rápido e mais eficaz na verificação de
interferências espaciais, especialmente em situações complexas. Através do
levantamento de dados em projetos representados em CAD 2D, concluiu-se
também que esse tipo de representação possui características que lhe
conferem limitações e podem gerar erros de análise. Foram identificadas
cinco características básicas da representação 2D, que podem induzir a erros:
ambigüidade, simbolismo, simplificação, omissão e fragmentação. Estas
conclusões validaram a proposta usando o CAD 3D para o desenvolvimento
de projetos de vedações. A proposta deste trabalho apresenta vantagens em
relação ao método corrente de desenvolvimento de projetos com o CAD 2D.
Estas vantagens estão relacionadas principalmente à maior facilidade de
visualização e uso efetivo de recursos automáticos disponíveis nos pacotes
CAD de identificação de interferências, reduzindo os problemas da
representação em 2D. Desta forma, a compatibilização torna-se um processo
muito mais preciso e rápido” (FERREIRA, 2007)
73
Tamashiro
TamashiroTamashiro
Tamashiro, da Universidade de São Carlos, também produziu um trabalho
cuja preocupação eram as referências bibliográficas obrigatórias nas disciplinas de
desenho técnico nas escolas de Arquitetura. Sua reflexão permeia a polêmica
discussão sobre a transição do processo entre desenhos técnicos feitos com as
limitações instrumentais, segundo Florio
FlorioFlorio
Florio, e a inserção dos laboratórios de
computação gráfica no curso em que até pouco tempo atrás saber desenhar era um
pré-requisito determinante para a permanência na faculdade de arquitetura.
Tamashiro
TamashiroTamashiro
Tamashiro aplicou um questionário em cento e sessenta e uma Faculdades de
Arquitetura do Brasil. O autor o dividiu em temas. Um deles envolvia a inclusão do
CAD e as reações de sua interferência nas Faculdades de Arquitetura.
“O questionário nos mostra que, para a maioria dos professores participantes,
o desenho arquitetônico é importante. Então, unimo-nos às vozes desta
maioria, certos de que temos um ponto em comum na construção desta
reflexão, querendo detectar falhas, ouvir outros, almejar soluções.
Linguagem sica do arquiteto, as plantas, cortes e vistas se fazem presentes
em todas as fases do processo de criação, apresentação e produção da
arquitetura; constituem suporte para outros profissionais se debruçarem e
complementarem com suas especificidades (instalações, estrutura etc.).
Entretanto, parece estar havendo, no ensino, um certo descaso, desprezo de
algo tão básico e simples e que, no entanto, é vital, indispensável para
viabilizar um projeto de arquitetura.” (TAMASHIRO, 2003 :170)
Segue o resultado, de um total de sessenta e um inquiridos, obtido pelas
respostas a algumas questões deste questionário referente ao CAD. Na questão
sobre a necessidade de ensinar desenho técnico arquitetônico na prancheta ou no
computador, do total, 44 foram favoráveis à prancheta, 9 ao computador e 8 não
emitiram opinião.
As faculdades de arquitetura responsáveis pela opção pelo computador
resposta “não” foram as: UFBA (Salvador), UNB (Brasilia), UFRGS (Porto Alegre),
ABC (Santo André), USP (São Carlos), Febasp (São Paulo), UNIMEP (Santa Barbara
74
do Oeste) e a Escola Politécnica da USP (São Paulo). Pode ser um indício de
mudanças à vista?
Na questão sobre método de ensino, se não seria prudente permitir ao
estudante elaborar o desenho técnico arquitetônico direto no computador, do total,
24 foram sim, 22 não, 4 talvez e 11 não responderam.
Na questão sobre o radicalismo de substituição das pranchetas pelo sistema
CAD ao produzirem desenhos técnicos arquitetônicos, do total, 10 foram,
definitivamente, favoráveis; 29 concordam, mas a partir de uma fase determinada; 16
foram, definitivamente, contrários e 6 não responderam. Curiosamente, são as
faculdades da Universidade de São Paulo, Arquitetura de São Carlos e a Escola
Politécnica, que defendem a substituição definitiva das pranchetas pelo computador.
O que terá contribuída para tal convicção?
A mesma questão se repete, porém sobre o radicalismo aplicado ao processo
criativo. Do total, 10 foram, efetivamente, favoráveis; 28 contrários; 16 talvez, mas
com esperanças de condições digitais mais adequadas e 7 não responderam. A Escola
Politécnica, da USP, não respondeu que é favorável, mas a UFRGS (Universidade
Federal do Rio Grande do Sul) e a Faculdade de Arquitetura de São Carlos, da USP,
foram favoráveis. A universidade paranaense, em Cascavel, e a Universidade Grande
ABC foram afirmativas quanto à visão do futuro do computador instalado no
processo do desenho técnico e criativo. Curiosamente, a universidade de Campinas,
conhecida por suas pesquisas na área de artes digitais e cursos orientados por meio da
computação gráfica para os estudantes de arquitetura, foi parcial nas respostas. Nota-
se que é uma questão de tempo para que o número de respostas positivas a essas
indagações torne-se mais enfáticos. A produção de desenhos está passando por um
processo de mutação, um reflexo óbvio da transição de uma sociedade industrial para
outro modelo não muito bem definido.
Segundo Tamashiro
TamashiroTamashiro
Tamashiro, alguns problemas afetam o aprendizado da prática do
desenho técnico em arquitetura. São eles: a falta de conhecimento de projeto,
portanto, a insegurança do aluno ao representar o que nunca se viu ou compreendeu;
75
desenhar as projeções ortogonais como instrumentos de comunicação e pensar que
boa parte do aprendizado do futuro arquiteto está na prática da profissão. Não ele,
mas outros professores da área fazem as mesmas observações.
Constataram-se, em quatorze anos na prática das disciplinas de Informática
no curso de arquitetura e desenho industrial da FAAP, pontos favoráveis à
potencialidade do computador como um “agente revelador” do processo cognitivo
dos estudantes. Isto é, ele aperfeiçoa as condições de visualização, daquilo que ainda
não conhece, a partir do momento em que o estudante vivencia a construção de
modelos digitais tridimensionais de sistemas construtivos.
Ao sujeitar-se à metodologia do sistema específico de CAD, ora como
instrumento, ora como ferramenta, os pontos favoráveis começam a surgir, ou seja,
desenhar sem a preocupação de errar ou sujar a folha, não perder mais tempo em
redesenhar os mesmos símbolos gráficos, visualização dinâmica, realizar simulação
das melhores opções, reaproveitar desenhos elaborados, construir protótipos
digitais, realizar a vetorização de imagens, construir modelos ilustrativos, realizar a
criação de novas teorias de representação gráfica sem perder a comunicação essencial
do objeto, explorar inovações no processo de materialização do que antes foi
projetado, entre outras possibilidades, que derivam das que foram citadas. Todos
esses pontos favoráveis foram trabalhados de forma otimista para a formação de
usuários que pudessem, um dia, acoplar o computador às suas ações propiciando uma
ferramenta que conduzisse aos novos conceitos de projetos e produção do espaço
cultural, obviamente, sem o pessimismo de formar operadores de máquinas de
produção de desenhos arquitetônicos.
A padronização do nome da disciplina para “Recursos Computacionais
Aplicados a Projetos”, que ampliaria as possibilidades de investigação e prática de
seus recursos didáticos, pode ser um primeiro passo.
Nas adaptações de grade horária do curso de arquitetura e de desenho
industrial as disciplinas de informática foram sendo atualizadas por causa das
mudanças de programas, pelo aparecimento de interfaces mais amigáveis,
76
conseqüentemente, pelas condições de aprendizado e ensino de conteúdo em menor
tempo. Um programa de CAD, em 1990, exigia para ser apreendido um ano e meio,
atualmente, não exige mais de um semestre.
Os programas de CAD normalmente inseridos nas faculdades brasileiras de
arquitetura e desenho industrial são o AutoCAD, o VectorWorks, o 3DMax, o
Rhinoceros e o SolidWorks. No ano de 2008, a FAAP adquiriu o programa REVIT e
uma máquina de fresamento (prototipagem rápida por subtração) em 3D capaz de
modelar protótipos, peças e modelos volumétricos de 305 x 305 x 105 mm, na mesa
de trabalho. Esta é uma tendência do contexto mais favorável para a aplicabilidade
de melhores condições do aprendizado, que justifica a mudança, que se espera, do
título da disciplina. São condições que comprovam que os programas de CAD
juntamente com os acessórios disponíveis colaboram para a fase da criação do projeto
e não apenas para a produção de desenhos técnicos e perspectivas ilustrativas.
O modelo digital, segundo Levy
LevyLevy
Levy, não deve ser lido ou interpretado, mas, deve
sim, ser explorado de forma interativa. A metodologia aplicada à disciplina
compartilha desta visão, acreditando que pode agregar conhecimento além do
adquirido por meio de teorias, experiência prática e tradição oral. O conhecimento
por meio da realização da simulação de projetos colaborativos é um caminho para
uma sociedade fadada a mudanças de conceitos clássicos do ensino e aprendizado.
Um exemplo típico é a realização de um projeto, hoje, por equipes espalhadas pelo
mundo em que desenhos no formato eletrônico são trocados, havendo em cada troca
uma colaboração interativa entre os membros da equipe.
A inteligência artificial trabalha com modelos matemáticos que fornecem as
probabilidades das respostas, transferindo o conceito de dígito binário, comum à
informática, para o conceito da simulação por imaginação. Esta ainda é uma
tecnologia natural do ser humano e seu objetivo, muitas vezes, é ajudá-lo nas
tomadas de decisões. Mas, por enquanto, os caminhos naturais do pensamento são
codificados no formato de algoritmos para um sistema binário, restringindo-o a
comandos.
77
O laboratório de inteligência artificial do M.I.T. foi fundado na década de
sessenta, por Seymor Papert
Seymor PapertSeymor Papert
Seymor Papert. Sua pesquisa aplicada aos estudos do comportamento de
aprendizado das crianças culminou na obra o LOGO. Em 1958, a primeira
linguagem voltada para a inteligência artificial, o LISP (LISt Processor), foi criada por
John McCarthy
John McCarthyJohn McCarthy
John McCarthy, considerado o “pai” da IA (Inteligência Artificial). Vinte anos mais
tarde uma vertente do LISP, o LOGO ensinava conceitos básicos de programação
para crianças.
mindstorm turtle
. Criado por Seymor Papert.
Considerando a contextualização em que se encontra a disciplina de
informática ao longo desses quatorze anos como professora responsável, a idéia é
apresentar o panorama geral das disciplinas que compõem os dois primeiros anos do
curso de Arquitetura e Urbanismo da FAAP e paulatinamente construir o texto que
representa o recorte principal deste trabalho.
As disciplinas desenho de observação, fundamentos da expressão e
comunicação artística, metodologia visual e fundamentos da expressão e
comunicação humana consideram-se desenho livre; meios de representação
tridimensional (maquetaria e modelagem) considera-se modelagem; as disciplinas
desenho geométrico, geometria descritiva, desenho e meios de representação
78
bidimensional consideram-se desenho instrumental e, por fim, a disciplina
informática considera-se desenho por computador.
Apresenta-se a seguir a amostra de gráficos da situação destas disciplinas nas
implantações de novas cargas horárias dos períodos de 1990, 1994 e 2004,
respectivamente.
1990 - Situação parcial de um total de 4230 horas
11%
6%
6%
77%
DESENHO LIVRE DESENHO INSTRUMENTAL DESENHO POR COMPUTADOR OUTROS
A primeira mudança de grade curricular reflete as influências do peso do
nome da faculdade da qual o curso faz parte, que é Faculdade de Artes Plásticas. Foi
organizada, ainda, com menos ousadia do que faria jus um curso de arquitetura e
urbanismo. A concentração de disciplinas da área artística era grande na formação
básica. Este gráfico será visto como um ponto de partida, pois os dois gráficos
subseqüentes serão mais úteis para a análise do contexto.
79
1994 - Situação parcial de um total de 4140 horas
4%
4%
3%
3%
86%
DESENHO LIVRE DESENHO INSTRUMENTAL MODELAGEM DESENHO POR COMPUTADOR OUTROS
O total de horas da grade curricular do curso de arquitetura do primeiro
gráfico para o segundo foi de noventa horas a menos. Pode-se atribuir esse fato a um
enxugamento de disciplinas e redistribuição para que, do impacto, pudessem intervir
para uma readequação, ainda mais coerente à formação de futuros arquitetos. O
grupo de disciplinas as quais fazem parte do desenho livre foi o que mais transferiu
suas horas para o grupo “outros”, que são as disciplinas referentes a projeto e
planejamento. Quais seriam as disciplinas que deveriam ser penalizadas com a
necessidade de se modernizar com laboratórios de computação gráfica em que
futuros arquitetos sairiam para o mercado de trabalho com seus empregos garantidos
como bons operadores de sistemas de CAD? Em 1998, as aulas de informática as
quais transmitiam apenas o programa Autocad 2D e 3D, em três semestres (5º, e
7º) passaram para dois semestres sendo que no terceiro aulas do programa 3DMax
seriam ministradas. No tempo em que as maquetes eletrônicas soberbamente
avançavam no processo da venda do projeto, tempo este em que aquele que soubesse
os segredos da modelagem digital virtual, o nome impressionava, conquistava
clientes. A percepção da transição era clara e, de fato, um questionário aplicado na
80
primeira semana de aula não desmentia. As turmas eram heterogêneas e
gradualmente tornavam-se homogêneas. O fenômeno é que nunca se tornaram
totalmente homogêneas mesmo em 2008. Ao notar esse fenômeno os questionários
não foram levados mais a sério.
2004 - Situação parcial de um total de 4922 horas
3%
5%
1%
3%
88%
DESENHO LIVRE DESENHO INSTRUMENTAL MODELAGEM DESENHO POR COMPUTADOR OUTROS
A grade curricular de 2004 aumentou a carga horária do desenho por
computador e pulverizou entre três semestres (3º, e 5º) três programas de sistema
CAD Autocad, VectorWorks e 3DMax, respectivamente. Os escritórios de
arquitetura começavam a boicotar os programas de custo alto e buscavam novas
alternativas. O VectorWorks era uma delas. É um programa direcionado para a
prática de projetos em arquitetura e, além do mais, com um diferencial, o desenho
paramétrico que se serve das ferramentas AEC (arquitetura, engenharia e
construção).
A possibilidade de aprender três programas de CAD representados por
interfaces diferentes, descritos acima, pode ser considerado também outro
fenômeno. Obviamente no sexto semestre não haveria nem cinqüenta por cento dos
estudantes providos de ótima habilidade nos três programas. Mas, com certeza,
81
noventa por cento dos estudantes dominariam bem ao menos um deles, fato não
constatado por números verídicos, mas apenas por intuição alimentada por muitos
anos ministrando a mesma disciplina. A pergunta é como orientar para que a
convergência entre o comprometimento e a representação gráfica seja satisfatória
para bons resultados de projetos em CAD? A resposta tem sido buscada desde 2006,
quando um novo conteúdo programático para a disciplina de informática começou a
ser aplicado em apenas um semestre, utilizando-se o programa Autocad. O conteúdo
passou a ser dividido em três fases: habilidade inicial; representação gráfica
bidimensional e simulação em protótipos digitais tridimensionais.
Os gráficos a seguir mostram o comportamento linear dos três grupos de
disciplinas.
DESENHO LIVRE
0
100
200
300
400
500
600
DESENHO LIVRE
DESENHO LIVRE
480 180 170
1990 1994 2004
82
DESENHO INSTRUMENTAL
0
50
100
150
200
250
300
DESENHO INSTRUMENTAL
DESENHO INSTRUMENTAL
240 180 238
1990 1994 2004
MODELAGEM
0
20
40
60
80
100
120
MODELAGEM
MODELAGEM
105 68
1994 2004
83
DESENHO POR COMPUTADOR
0
50
100
150
200
250
300
DESENHO POR COMPUTADOR
DESENHO POR COMPUTADOR
270 135 170
1990 1994 2004
Apresentar uma pesquisa regada de gráficos resultantes de dados estatísticos
sobre o desafio de readequação das faculdades de arquitetura com a aparição dos
computadores em salas de aula seria em vão. É preciso modelos da prática do ensino
e aprendizado revelando, provavelmente, a trajetória das mudanças da assimilação do
computador como ferramenta de desenho e de outros recursos ainda mais poderosos
do que as simples projeções ortogonais, que representam a “coisa” completa, com
todas as soluções resolvidas e testadas digitalmente, antes mesmo de tornar-se uma
intervenção no cenário real urbano.
O conteúdo programático da disciplina está dividido em cinco partes, sendo a
primeira com um prazo curto destinado á habilidade do uso do programa; a segunda
é a aplicabilidade na produção de desenhos técnicos; a terceira decodifica os
desenhos digitais e os transmite graficamente resolvidos; a quarta marca o início dos
modelos tridimensionais, em que os primeiros exercícios dados para a habilidade do
bidimensional serão resgatados para o treino de habilidade, agora, em modelos
tridimensionais; a quinta, e última, trata da construção de protótipos digitais
pressupondo a prática indireta da simulação de processos construtivos.
84
Discutir metodologias de ensino não vem ao caso, pois o aprendizado é o que
interessa. O aprendizado do aluno justifica a boa metodologia e o grau de interesse,
ou seja, a maturidade. Suponha-se que ao explicar funções matemáticas se usem
objetos, desenhos e performances como ferramentas didáticas e o aprendizado é
satisfatório, concluindo-se pelo sucesso do método e caso contrário, pelo fracasso.
Observou-se que é fundamental o posicionamento diante das condições do
aprendizado e uso dos recursos para tal. A primeira condição é alertar para a
metodologia dos programadores ao desenvolver um sistema CAD; a segunda é
dominar o comportamento padrão ao requisitar os comandos básicos; a terceira segue
a forma individual do professor no preparo de exercícios para munir o estudante de
habilidade básica de manuseio; a quarta demonstra a aplicabilidade para projetos e a
quinta legitima a autonomia do aprendiz em utilizar os recursos computacionais em
favor de seu processo cognitivo.
Várias reflexões da habilidade sobre o desenho já foram apresentadas e
continuam sendo discutidas no meio acadêmico. O termo habilidade está
diretamente relacionado à prática de alguma ação. A prática do desenho, por
exemplo, é extremamente importante como um meio de compreensão do espaço
físico e, obviamente, de desenvolvimento da observação sobre o mundo. Assim,
ocorre o mesmo com a prática da escrita, da fotografia e de várias outras
especialidades relacionadas aos meios de expressão.
O computador tem sido um dos protagonistas das novas atitudes do ser
humano perante tudo, como afirma em sua tese de doutorado o arquiteto e professor
Caio A
Caio ACaio A
Caio A. Vassão
VassãoVassão
Vassão. Adquirir o poder de síntese não é uma tarefa fácil para o ser humano
acostumado viver de modo não linear, mas o computador colabora de maneira muito
rápida para a consolidação de dados no seu papel de assistente número um.
Os estudantes de arquitetura e desenho industrial passam por um período
inicial de aquisição de conhecimento do uso de instrumentos de desenho. A técnica
começa a amadurecer ao mesmo tempo em que a representação gráfica é praticada,
até que o desenho do arquiteto brote como resultante da convergência de ambos,
85
habilidade da técnica e o conhecimento sobre desenho técnico. Uma vez adquirido
maior domínio quanto ao modo de representar um telhado, por exemplo, o
comprometimento com o contexto geral em que o telhado se insere passa a ser
fundamental. Entram em cena os modelos físicos para estimular as investigações e
visualizar o que se quer, superando as dificuldades iniciais. Esse processo inicial é
intrínseco à formação do futuro arquiteto e designer; sem isso não existe a vivência
sensorial e visual, seria pular etapas do aprendizado.
Autor da maquete: Antonio C. Z. Palchetti, estudante de arquitetura da FAAP, 2008.
Não é bem assim para os aficionados pelo desenvolvimento de sistemas
computacionais. Eles procuram por melhores desempenhos, sempre na tentativa de
consolidar todas aquelas etapas trocando a vivência sensorial e visual por algo
praticável, a virtualização por meio digital do tato e da visão.
“No ambiente educacional sabe-se que, além da metodologia adotada, o
aluno está vinculado ao fato de estar se sentindo motivado para que o
processo de ensino e aprendizagem tenha sucesso. Segundo análise feita por
Filatro (2004, p. 58) sobre a Topologia do Conceito de Ensino de Thomas
Green, existem vários subconceitos como: instrução; condicionamento;
86
treinamento; e doutrinação, os quais para Green são tão misturados, que
acabam complicando o como determinar onde começa um e termina o
outro. Mas sua explicação é clara ao afirmar que a instrução está mais
relacionada com a procura de compreensão, enquanto o treinamento implica
mais na formação de hábitos e comportamentos e menos na aquisição de
conhecimentos.” (ROYZEN, 2004)
Gagné
GagnéGagné
Gagné apresentou nove condições externas que facilitam o processo de
aprendizado. São elas: estimular a atenção; informar ao aluno os objetivos; estimular
a recuperação de pré-requisitos; apresentar o material de estímulo; proporcionar
ajudas pedagógicas (guiar a aprendizagem); incitar a execução (fazer a aprendizagem
acontecer); propiciar retroalimentação informativa; avaliar a execução; e, promover a
retenção e a transferência. (FILATRO, 2004)
Coincidentemente o mesmo professor ministra as aulas de desenho
instrumental, no 2º semestre e as aulas de informática no terceiro semestre de
arquitetura. Sem dúvida, é um desafio dar continuidade ao mesmo objetivo, porém
com recursos diferentes. Os estudantes padecem com o ritual de colar a folha na
prancheta e preparar todo o ambiente para produzir pranchas de desenho técnico. A
preparação de margem, carimbo, a repetição de símbolos gráficos, o esforço em
posicionar a planta e o corte como auxiliares para o desenho do segundo corte. Todo
esse processo manual sofre um pouco de resistência por parte de estudantes. Eles
fazem parte da geração do computador, cuja paciência tem limite mínimo. Abrir o
notebook
e operar o sistema CAD lhes parece mais atrativo. Mesmo com essa atração
latente pelas interfaces entre o homem e a máquina, a estrutura didática ainda não
está preparada para substituir o método tradicional da prancheta. Enquanto o
período de transição se mantém, as aulas de desenho técnico na prancheta são o
caminho que obtém melhores resultados nos projetos produzidos pelo CAD da
segunda metade do curso de arquitetura. Sem elas a informática não suprimiria a
etapa do conhecimento inicial de representação gráfica e o comprometimento com
cada linha expressa.
87
A primeira estratégia aplicada na disciplina de informática é a abordagem
inicial dos conceitos básicos do CAD e a sua aplicabilidade no contexto atual. A
apresentação dos trabalhos dos semestres anteriores serve de estímulo para que os
estudantes se sintam capazes de fazer igual ou melhor, além de mostrar o objetivo
final do aprendizado proposto. A segunda é convidar um dos estudantes,
normalmente aquele que tem aversão a computador, para que assuma o computador
do professor, que projete suas imagens para toda a sala e discuta o aprendizado no
primeiro contato com um programa jamais operado por ele antes. Ao se deparar com
o programa pede-se para fazer uma linha qualquer determinando o caminho mais
óbvio para ele. O ícone que corresponde ao comando “linha” é rapidamente
identificado. Sugere-se que tenha um diálogo com o seu “amigo” CAD no espaço
destinado, conhecido como
prompt
. O programa pede o primeiro ponto, em seguida,
o segundo. O estudante percebe a submissão da máquina e ganha confiança em
tentar continuar o desenho com mais segmentos. Essa atitude propicia a abertura de
uma zona de conforto importante para os que se sentem menos habilidosos com o
computador. Estas situações são comuns mesmo considerando os estudantes
pertencerem a uma geração criada na era da informática. A terceira e última é
estabelecer uma analogia das ações perante o desenho técnico manual e aquelas que
são interpretadas por especialistas em programação de CAD. A intenção é entender, a
cada versão do programa CAD lançada no mercado, o que se espera do usuário
quando ele precisa projetar. Nesta etapa costuma-se transferir todo o ritual aplicado
na prancheta em àquilo que seria a versão com o uso do novo meio de expressão. A
transferência comparativa daquilo que é conhecido para o desconhecido incita a
execução e proporciona ajuda pedagógica.
Antes de descrever os exercícios aplicados no semestre da disciplina de
informática é preciso dizer que o objetivo geral dos exercícios é aperfeiçoar o olhar
sobre as condições de comprometimento com o desenho.
88
Fonte: Internet. Foto da autora. MOMA em N.Y. (2008). Jean Arp.
Modelo em 3D.
software
AutoCAD.
Exercício aplicado aos estudantes de arquitetura, em 2000.
89
Fonte: internet. Piet C. Mondrian. Modelo em 3D.
software
AutoCAD.
Fonte: internet. Vincent Van Gogh. Modelo em 3D.
software
AutoCAD.
O primeiro exercício
primeiro exercícioprimeiro exercício
primeiro exercício proposto é desenhar três vistas ortogonais a partir da
representação tridimensional de peças mecânicas. Os objetivos são exercitar a
visualização de modelos tridimensionais para sua representação bidimensional e a
habilidade no uso do programa. Acredita-se que seis horas aula são mais do que
suficientes para a conclusão desse tipo de exercício.
90
Perspectiva de peças mecânicas.
91
As vistas ortogonais e cortes das peças do primeiro exercício.
O segundo exercício
segundo exercíciosegundo exercício
segundo exercício costuma esclarecer na prática e na
teoria o comportamento padrão do programa CAD aplicado ao desenho do objeto de
arquitetura: a organização das camadas (
layers
); configuração das cotas (
dimension
);
biblioteca de símbolos e elementos arquitetônicos (
blocks
); hachuras (
hatchs
);
verificação de área e perímetro dos ambientes (
Inquiry
); textos (
texts
); configuração
da folha (
paperspace/modespace
); organização de “janelas” na folha de impressão
(
viewports
); escalas (
zoom)
; inserção de margem e carimbo com atributos (
insert
block
); configuração para a impressão (
pagesetup
); peso gráfico (
pagesetup_ pen
assingments
) e impressão em A2 (
plot
). Costuma-se classificar os grupos de
comandos do CAD em básicos, intermediários e avançados. Os básicos são os
recursos simples para a composição de elementos geométricos, ou seja, desenho. Os
intermediários são os recursos destinados à complexidade do projeto, é a
92
convergência entre o saber e a técnica. Os avançados são os recursos que configuram
os dados para serem avaliados, por exemplo, a impressão.
As plantas, cortes e elevações de uma residência simples são o conteúdo do
segundo exercício, visando à confirmação da habilidade adquirida no primeiro e
desmistificando a idéia de dificuldades no uso do computador para a elaboração de
desenhos.
Cópia do desenho utilizado por Gildo A Montenegro – “Desenho Arquitetônico”. 3ªEdição.
93
Desenho elaborado por estudantes de arquitetura.
Desenho elaborado por estudantes de arquitetura.
O terceiro exercício
terceiro exercícioterceiro exercício
terceiro exercício é a impressão. Imprimir os desenhos é uma tarefa
necessária e nada fácil. Enquanto o desenho está no seu estado digital tudo parece
bem, porém não é o que acontece quando o desenho é transferido para o papel. A
verdade sobre o conhecimento de desenho técnico fica truncada com a falta de
habilidade em configurar aquilo que se vê nos códigos que traduzirão todo o desenho
para a sua impressão no papel. Portanto, o tempo da prática de impressão de
desenhos de CAD é fundamental para que comece a ter resultados satisfatórios, que
antes eram obtidos mais facilmente no uso da prancheta, mesmo considerando o seu
94
ritual e a demora. Essa constatação é comprovada depois de estabelecido um contado
com os estudantes que começaram a desenvolver projetos no CAD e se frustravam
com as notas de seu desempenho em representação gráfica dos trabalhos da disciplina
de projeto dos semestres seguintes. Todo o conhecimento adquirido e praticado nas
aulas de desenho instrumental é colocado de lado até que o estudante comece a
dominar os recursos avançados. Isto leva um tempo diferente para cada um deles.
O exercício quatro
exercício quatroexercício quatro
exercício quatro ou o primeiro exercício da segunda fase do curso constrói
aquelas vistas ortogonais, retiradas visualmente da representação de peças mecânicas,
em modelos tridimensionais. Ter os desenhos em duas dimensões facilita a extrusão
de perfis determinando as três dimensões: a largura, o comprimento e a altura. Pode-
se dizer que é o exercício mais prazeroso devido às descobertas realizadas,
espontaneamente, expressas pelos estudantes. A revelação da dinâmica dos modelos
em três dimensões no CAD é algo que realmente surpreende. O fato é que em poucos
segundos a teoria da geometria descritiva é revelada de forma dinâmica, sem mesmo
saber o que se está fazendo. O universo do CAD começa a fazer sentido na vida do
futuro arquiteto.
Exercício: “peças”. Exercício de habilidade em 3D.
95
Exercício: “peças”. Exercício de habilidade em 3D.
Tentar simular um canteiro de obras que estaria preparado para a montagem
de uma estrutura pré-fabricada, cujas vedações seriam painéis modulares em
conjunto com vãos propícios para receber esquadrias, faz parte do conteúdo do
quinto exercício
quinto exercícioquinto exercício
quinto exercício. Este exercício viabiliza o início da autonomia relacionada à
habilidade com os recursos de edição em três dimensões dos lidos. A base do
desenho é fornecida em duas dimensões, são componentes da suposta estrutura de
vedação e cobertura do projeto fictício de um galpão. Os
layers
(camadas) estão
nomeados e prontos para representarem o componente correto ao seu significado,
por exemplo, as tesouras. Os perfis estrudados e posicionados sobre os pilares
formando a estrutura da cobertura estarão no
layer
tesoura. Segue o mesmo
raciocínio para as terças, os caibros, a estrutura lateral, frontal e posterior. No quadro
de
layers
ainda temos painéis, esquadrias, caixilhos, batentes, vidro, piso, ripas. Nesse
momento, os estudantes revisam a aula de desenho do semestre anterior de
representar graficamente o projeto de um telhado de madeira simples em modelo
96
tridimensional digital. Esta revisão é gratificante ao visualizar de forma dinâmica o
esforço exercido para um olhar abstrato referente ao madeiramento em projeção
ortogonal. Aquele esforço é necessário para a concretude do conhecimento.
Quinto exercício.
Quinto exercício.
Depois que os componentes estão prontos em modelos tridimensionais, eles
são posicionados e montados como se simulassem a realidade de um canteiro de obra.
97
Na falta de possibilidade real, o computador facilita ao simular o aprendizado por
vivência de experiências. Estão embutidos na essência deste exercício os conceitos de
modularidade e industrialização da construção.
Um exemplo de “mini aula”.
Um exemplo de “mini aula”.
98
Antes
AntesAntes
Antes do sétimo exercício
sétimo exercíciosétimo exercício
sétimo exercício e último, os estudantes simulam a construção de
viga baldrame, pilar com as ferragens, as formas quando necessárias, caso sejam
externas, e a colocação de tijolos cerâmicos de oito furos. Este tipo de aula é
apelidado de mini aula em que normalmente destina-se a compreensão de um
processo construtivo. O objetivo é sensibilizar a percepção do estudante para o
cuidado ao representar o sistema construtivo. O comprometimento com cada linha
desenhada faz a diferença na expressão do desenho, além de vir a entender, no
mesmo exercício, o que é um protótipo digital. Outras mini aulas são construir
modelos diferenciados de escadas e rampas. Este método poderia ser adotado nas
disciplinas de tecnologia dos materiais, entre outras que têm como objetivo
compreender sistemas sejam eles estruturais, construtivos ou modulares.
O sétimo exercício
sétimo exercíciosétimo exercício
sétimo exercício, o último do semestre, normalmente é a construção de
uma maquete eletrônica ou
mock-up
digital. O modelo selecionado é uma residência
simples de dois andares em que a base é igual para todos, porém, a definição dos vãos
de aberturas e modelos de esquadrias fica por conta de cada um. Esse modelo é
construído aula a aula e durante o processo são realizadas incursões que indagam o
que se espera do projeto e como devemos apresentá-lo. Com o modelo pronto é
possível simular as projeções das sombras, a iluminação, a aparência do material
proposto, modelo “explodido” e “cortado”, pressupondo o desejo de melhor
compreensão dos desenhos técnicos.
99
Resgatando a casa em 2D para o 3D por computador.
A mesma casa com materiais e projeção de sombra.
A mesma casa com materiais e projeção de sombra.
100
Recursos para a compreensão do corte.
Recursos para a compreensão do corte.
101
CAPÍTULO VI
CAPÍTULO VICAPÍTULO VI
CAPÍTULO VI
INFLUÊNCIAS DA COMPUTAÇÃO AO DESENHAR, PROJETAR E
INFLUÊNCIAS DA COMPUTAÇÃO AO DESENHAR, PROJETAR E INFLUÊNCIAS DA COMPUTAÇÃO AO DESENHAR, PROJETAR E
INFLUÊNCIAS DA COMPUTAÇÃO AO DESENHAR, PROJETAR E
CONSTRUIR
CONSTRUIRCONSTRUIR
CONSTRUIR
O Desenho assumiu um papel relevante no processo da concepção e produção
do objeto da Arquitetura desde o período do Renascimento, momento marcado na
História da Arquitetura pela construção da Cúpula de Santa Maria Del Fiore, em
Florença, por Filipo Brunelleschi
Filipo BrunelleschiFilipo Brunelleschi
Filipo Brunelleschi. É importante ressaltar que a cidade de Florença,
nesse mesmo período, pode ser considerada como o primeiro Estado moderno,
segundo Jacob Burckhardt
Jacob BurckhardtJacob Burckhardt
Jacob Burckhardt. (GIEDION, 2004 :58,59)
Arquitetura, arte e engenharia ocupavam os mesmos espaços sem
controvérsias, complementando uma as outras. No início do culo XIX duas escolas
francesas tornam-se referências para novos rumos de uma dicotomia entre a arte e a
técnica: Beaux Arts e a École Polytechnique. Desde então novas profissões
formavam o quadro da empregabilidade no setor da construção civil, engenheiro,
arquiteto, construtor, projetista e desenhistas.
“A extraordinária beleza inata das obras dos engenheiros deve-se à
inconsciência de suas possibilidades artísticas – do mesmo modo que os
criadores das belas catedrais não se davam conta do esplendor de suas
realizações.” (GIEDION, 2004:243).
Neste depoimento, Henri van de Velde
Henri van de VeldeHenri van de Velde
Henri van de Velde relata os momentos dos eclipses entre
a técnica e a arte da construção civil.
Segundo Puntoni
PuntoniPuntoni
Puntoni, o desenho que representa o objeto da arquitetura tem duas
finalidades: uma para a concepção e outra na sua produção.
“Os desenhos são, então, a linguagem atual da produção do objeto da
arquitetura, com regras e sintaxe, uma “gramática” própria de seu uso,
tornando-se os símbolos visuais de representação e transmissão de grande
parte das informações necessárias à sua compreensão, de acordo com a
intenção deliberada do arquiteto, autor do seu projeto. Nesse sentido,
102
inteligibilidade, clareza e objetividade seriam algumas das suas
características.” (PUNTONI , 1997:35)
A partir da Revolução Industrial novos procedimentos em construção civil
foram adotados, possibilitando sua industrialização. Após a cisão entre o arquiteto e o
engenheiro, ou melhor, os rumos divergentes para a arte e a técnica como
especialidades distintas, o objeto da arquitetura tem-se configurado de maneira
estranha procurando adequar-se aos sistemas construtivos oriundos da imposição do
mercado da construção.
Desde a entrada do concreto armado, ferro e aço, os sistemas construtivos não
inovaram tanto assim até os dias de hoje, mesmo analisando as intervenções de Frank
FrankFrank
Frank
Ghery
GheryGhery
Ghery, por exemplo. Segundo o comentário da professora doutora Anália A
Anália AAnália A
Anália Amorim
morimmorim
morim, o
museu de Bilbao
é um conjunto de técnicas de funilaria
. Se no século XIX houve uma
reavaliação dos papéis do arquiteto e do engenheiro, como poderia ser avaliada, no
século XX, a chegada do Designer de produto?
A parceria das duas profissões tem sido rotina em grandes projetos e os
programas de computação gráfica são um dos meios catalisadores dessa parceria. O
computador tem o poder de promover integrações interdisciplinares atingindo cada
vez mais o caminho da substituição de determinados especialistas que compõem o
quadro de profissionais envolvidos com projetos da área de construção civil. Um
exemplo são os bancos de dados gerados a partir dos modelos geométricos
comprometidos em representar o objeto de arquitetura, mecanismos facilitadores do
setor financeiro envolvido em todo o projeto desde sua concepção até sua
concretização.
As técnicas modernas põem à disposição do arquiteto programas de
computador que permitem a elaboração de desenhos, consultas de repertórios,
reproduções, remessas e arquivamentos, tudo isso envolvendo rapidez e precisão.
Assim, a atividade profissional vem sofrendo uma mudança significativa no seu
contexto administrativo, produtivo e, por que não dizer, criativo. Porém, não se
apresenta com clareza o quanto os programas do sistema CAD (desenho auxiliado por
103
computador) participam do processo criativo do arquiteto ou o quanto poderiam
participar da etapa dos estudos preliminares do projeto e vir a ocupar o espaço dos
croquis, que é, praticamente, o estado mental da elaboração dos projetos: o ato
criativo, a idéia manifesta pelo gestual.
Segundo o objeto de pesquisa realizada em 2005, de Righeto
RighetoRigheto
Righeto, a produção de
desenhos de Apresentação do Projeto Arquitetônico dos últimos 20 anos demonstra o
quanto a informática tem mudado o ato de projetar e como a dinâmica de
apresentação dos projetos nos escritórios de arquitetura também tem sofrido
modificações. Outra pesquisa pertinente ao assunto foi realizada dez anos antes, em
1995, período em que havia uma inclusão do sistema CAD nos escritórios de
arquitetura principalmente nas cidades de São Paulo e do Rio de Janeiro, por
Chapuis
ChapuisChapuis
Chapuis. O título é bem claro: “Difusão de sistemas CAD em escritórios de
arquitetura”. Recentemente, em 2008, Vassão
VassãoVassão
Vassão faz uma análise poética sobre as ações
das novas interfaces do mundo digital diante do processo complexo que representa o
projeto hoje. Um trecho pertinente para esta discussão é o momento de suas
conclusões abreviadas aos conceitos de instrumento e ferramenta.
“Ferramenta é participativa, interativa, parte de um agenciamento. Eu me
acoplo à ferramenta, e minhas possibilidades de ação dependem desse
acoplamento. (...) Instrumento é um meio para a realização de algo, de
acordo com premissas e objetivos pré-determinados.” (VASSÃO,2008:p.285)
Para Levy
LevyLevy
Levy, além de ser um termo específico para a informática, a interface
opera como “tradutora” de mensagens entre meios heterogêneos. O sucesso da
transmissão da mensagem, ou seja, a conclusão da comunicação deve-se à eficiência
da interface utilizada.
A história das civilizações é contada, também, pelo objeto da Arquitetura,
embora desde o Renascimento tenha deixado de ser o, protagonista para dividir com
o desenho a transição para o Moderno.
104
Ao surgir o computador, novos incentivos para pesquisas sobre o processo do
desenho foram disseminados; é a técnica a favor da evolução da tecnologia, uma
transformação constante em busca de aperfeiçoamento do modo de fazer.
Na entrevista: “Geometria da intervenção”, o arquiteto Paulo Mendes da
Paulo Mendes da Paulo Mendes da
Paulo Mendes da
Rocha
RochaRocha
Rocha fala um pouco sobre o veículo de comunicação que representa o objeto da
Arquitetura. Esta entrevista foi publicada pelo jornal “Folha de São Paulo”.
“(...) Folha - Há relação entre essas memórias e seu projeto de arquitetura?
Mendes da Rocha -
Muita gente pode achar que essas são questões que estão
fora, ou além da arquitetura. Mas não! Elas são anteriores, são fundadoras da
arquitetura. Uma construção que você olha e, de algum modo, se comove
deve conter tudo isso de forma não explícita, pedra por pedra, mas de um
modo um tanto indizível, lírico, não é?
Um escritor está sempre preocupado com a sedução, ou seja, com o fato de
que aquele que ler o primeiro parágrafo do livro não deixe de ler o segundo,
porque o que ele quer dizer necessita que se leia aquilo tudo até o fim. Na
construção é a mesma coisa: como eu vou fazer para entreter esse cara de
modo que eu possa enredá-lo a ponto de, quando chegar ao fim, perceber o
que quis dizer? Portanto, você pode considerar que para a literatura as
palavras são como pedras de catedrais. É uma construção.
Folha - E, por outro lado, a arquitetura é também um discurso, uma
linguagem codificada.
Mendes da Rocha -
Sim, e se pode dizer isso pensando na cidade toda. Só foi
possível construí-la porque ela já existia inteira na mente. Ninguém pode
engendrar uma coisa que não pensou antes, não é? A mulher que borda
conhece a técnica de bordar mas conhece também a flor toda que vai bordar,
antes que o bordado todo fique pronto.
Para nós também é assim: a arquitetura não se faz aos poucos, aos pedaços. A
construção pode ser feita aos poucos, mas não o raciocínio.
O raciocínio citado por Paulo Mendes da Rocha
Paulo Mendes da RochaPaulo Mendes da Rocha
Paulo Mendes da Rocha é um forte pretexto
para adentrar-se na questão do desenho por computador. Antes do desenho
como orientador da construção de uma catedral, as possibilidades de estudos
105
eram menores e o mesmo ocorria com a ingerência entre o sonho e o objeto.
O desenho arquitetônico permitiu um número maior de probabilidades do
raciocínio sobre o objeto, antes de ser executado, e a ingerência sobre o objeto
aumentou. O computador abre, ainda mais, esse número de probabilidades,
porém a ingerência pode ser diminuída, devido aos dados concentrados em
um único projeto digital, é o caso do uso da tecnologia BIM. As técnicas de
simulação digital aplicadas em modelos analógicos, físicos e digitais
complementam o processo do raciocínio e possibilitam direcionar um tempo
maior para as discussões
conceituais envolvidas.
Observa-se a arquitetura antes do computador e depois dele. A idéia não é
ressaltar para a apresentação do projeto, mas sim para a complexidade. A
complexidade da forma associando-se com os sistemas construtivos e a
tecnologia dos materiais. O computador, de fato, tem o poder de
armazenamento de dados e eficiência no cruzamento destes mesmos dados,
sem dúvida isto tem influenciado a produção no espaço natural e o não
natural.
Segundo Charles Jencks,
Charles Jencks, Charles Jencks,
Charles Jencks, três arquitetos, Peter Eisenman, Frank Gehry
e Daniel Libeskind, influenciaram as tendências atuais da Arquitetura: fractal
(Peter Eisenman, Daniel Libeskind); organitech, ecotech ou green
architecture (Ken Yean, Norman Foster); computer science (Rem Koolhaas,
MVRDV); blob (Greg Lynn); landforms, waves (FOA, Enric Miralles); new
cosmogenic (Neil Denari); new form monumental building (Frank Gehry)
14
.
Segundo Loukas Kalisperis
Loukas KalisperisLoukas Kalisperis
Loukas Kalisperis, professor da PennState University, são
quatro as tendências da arquitetura atual: topológica (Grez Lynn); isomórfica
14
http://www.vitruvius.com.br/arquitextos/arq000/esp136.asp “I International Workshop Digital Design
for Architecture – concepção arquitetônica em ambiente computacional”. Autora: Regiane Trevisan Pupo.
106
(Bernhard Franken); metamórfica / animação; paramétrica (smart
Geometry)
15
.
Segundo Bruno Munari
Bruno MunariBruno Munari
Bruno Munari, não se deve projetar sem um método de projeto, nada
mais do que uma série de operações necessárias, dispostas em ordem lógica, ditadas
pela experiência, com o intuito de atingir um melhor resultado com o menor esforço.
Começa-se a partir de um problema até atingir uma solução. Para tanto, tem-se,
inevitavelmente, que o definir e verificar seus componentes, coletar e analisar dados,
relacionar e selecionar os materiais e as técnicas disponíveis, ter e perseguir uma
idéia e visualizar uma forma, ou mais formas, por meio de croquis e, finalmente,
compor e realizar os desenhos destinados à produção do objeto da arquitetura. Vê-se,
então, que projetar não constitui um mero ato de desenhar. É preciso que se separem
os dois momentos da produção da arquitetura, evitando-se, então, que o arquiteto e,
em especial, o estudante de arquitetura venha a ser apenas um “cadista”
16
, e deixar de
ser aquele que projeta e concebe o objeto da arquitetura.
Acresce-se às possibilidades apresentadas pelo programa de desenho por meio
do computador o de vir a ser, também, utilizado como instrumento didático. O
estudante de arquitetura, além de utilizá-lo para produzir os desenhos construtivos
de seus projetos, deveria explorar este recurso para ensaiar modelos arquiteturais e,
principalmente, para poder visualizar os espaços arquitetônicos que estaria
projetando por meio de perspectivas cônicas ou axonométricas.
A prática didática atual trabalha apenas com as projeções ortogonais para
representação do objeto da arquitetura. Elaboram-se plantas, cortes e elevações, o
que permite a visualização de um dos planos estudados de cada vez. com o uso
da perspectiva, cuja introdução como instrumento de composição arquitetônica se
pretende que seja generalizada, possibilitaria, sempre, a visualização concomitante
dos cinco planos: o piso, o forro, a parede frontal, as duas paredes laterais e, ademais,
15
http://www.vitruvius.com.br/arquitextos/arq000/esp414.asp “O novo paradigma na arquitetura: a
linguagem do pós-modernismo”. Autora: Ana Paula Baltazar.
16
Termo inserido após a substituição das pranchetas pelo computador, pelos projetistas, nos escritórios de
arquitetura.
107
conteria os elementos do ambiente perspectivo: linha do horizonte, linha de terra,
pontos de fugas e escala gráfica, que permitiriam, quando se queira, a obtenção das
plantas, dos cortes e das elevações, as projeções ortogonais destinadas à produção do
objeto da arquitetura. Neste sentido, a maquete eletrônica, ou seja, a perspectiva
elaborada por programa de desenho no computador, é um objeto didático de
excepcional interesse para os cursos de arquitetura, que se têm, ainda, os recursos
dos programas que permitem ao aluno percorrer os interiores dos ambientes
projetados, vivenciando, na medida do possível, as aberturas, os cheios e vazios, os
volumes, as incidências de luz nos pisos e vedações, bem como, a relação que se
pretende entre o exterior, o interior e o entorno da edificação. Segundo um relato,
do professor Geraldo V. Puntoni, vale lembrar uma das aulas, do arquiteto Carlos
Millan, no curso de arquitetura da Faculdade de Arquitetura e Urbanismo da
Universidade de São Paulo. Sua proposta aos alunos, quando estavam elaborando suas
plantas, que procurassem percorrer com a vista, um a um, os cantos do ambiente
projetado, isto é, que procurassem elaborar em suas mentes as perspectivas, o que,
hoje, pode ser realizado de modo rotineiro pelos programas de desenho por
computador.
Neste sentido, propor um plano de pesquisa sobre a utilização didática da
modelagem tridimensional por meio do computador “Os recursos da computação
gráfica na elaboração de projetos” vem da convicção de que lhe a abrangência
que o tratamento desta problemática requer.
As disciplinas de expressão e desenho foram introduzidas nos cursos de
arquitetura com o objetivo de desenvolver nos estudantes de arquitetura a
capacidade de observação da realidade, em especial, da realidade construída: os
artefatos humanos.
Todos os artefatos produzidos contêm duas mensagens. Uma, que é aquela que
nos comunica para que foram feitos e, outra, aquela que nos informa o modo como
foram feitos. São informações que induzem aprimoramentos, ou, simplesmente,
querer modificações formais. Espera-se fazer do estudante de arquitetura um
108
observador diferenciado dos artefatos, que apreenda não como são feitos, mas que
seja capaz de agir de modo a propor-lhes transformações para melhorar seus
desempenhos e facilitar e ampliar suas produções.
É sabido que todas as pessoas desenham de um modo ou de outro. É uma das
habilidades humanas, aquela pela qual o homem vem criando e fazendo seus
artefatos. São, em última análise, linguagens tão ou igualmente significativas como as
palavras. Não é preciso, portanto, ensinar as pessoas a desenhar. O estudante de
arquitetura é hábil para tanto. O que é preciso, isto sim, é aprender o que fazer
com os desenhos, que uso pode lhes dar. A propósito do desenho, observava Lúcio
Lúcio Lúcio
Lúcio
Costa
CostaCosta
Costa que, quando é preciso, documentam-se os fatos por meio dos desenhos de
observação; quando é preciso, comentam-se as coisas ou as ações, por meio dos
desenhos de ilustração; quando é preciso, informam-se os modos como as coisas são
feitas, ou podem ser feitas, por meio dos desenhos técnicos; quando é preciso,
embelezam-se os ambientes por meio dos desenhos ornamentais; e, quando é preciso,
expressam-se os sentimentos e emoções por meio dos desenhos de criação. Dentre
essas várias maneiras de dar um destino ao desenho, a elaboração dos desenhos de
observação é o que exige, previamente, pouco conhecimento de técnicas e materiais
para realização. Assim, de imediato, poder-se-ia afirmar que todos se encontram
aptos a fazê-los, sem grandes aparatos, bastando muita concentração, quando se está
observando o que se está pretendendo desenhar. Sente-se, de início, uma certa falta
de treinamento, pois, não se está mais habituado a desenhar. Devido ao maior uso da
linguagem verbal, mais gratificante socialmente. Desenha-se com pouca freqüência,
ou quase nunca, havendo, por isso, pouca familiaridade com os materiais e técnicas
ligados à feitura dos desenhos. Mas, mesmo assim, não se pode esquecer que, quando
se está escrevendo, antes de tudo se está desenhando. Desse modo, percebe-se que a
questão não está em desenhar, mas na falta e na oportunidade de desenhar, no desejo
do desenho. Acredita-se, então, que é preciso treinar as pessoas no exercício dos
desenhos, para que voltem a usá-los como linguagem, para que venham a recuperar o
gosto de desenhar e, assim, sejam resgatados como instrumentos de representar e
109
pensar as questões de ordem espacial e como instrumentos de expor e manifestar
emoções e sentimentos. O desenho por computador é uma técnica a mais.
Luis Sullivan
Luis SullivanLuis Sullivan
Luis Sullivan, segundo relato de Hugh Morrison
Hugh MorrisonHugh Morrison
Hugh Morrison, convidado a elaborar o
projeto de uma agência bancária, antes de aceitar o convite, visitou o terreno
destinado à obra, acompanhado dos interessados.
A characteristic picture of his mode of procedure is
contained in na anecdote told by the president of the
People’s Savings and Loan Association Bank at Sidney, Ohio,
which was designed by Sullivan in1917. Sullivan was called
to Sidney, and the directors outlined for him in informal
conference their requirements fo a new building. The site
was then empty corner lot. Sullivan retired to the opposite
corner, sat on a curbstone for the better part of two whole
days, smoking innumerable cigarrets. At the ende of this
time he announced to draw rapid sketch before them, and
announced an estimate of the cost.
(…)” (MORRISON,1962)
Sullivan
SullivanSullivan
Sullivan permaneceu observando o local da obra, dispensando o convite para
almoçar. Mais tarde, ao encontrá-los no restaurante, comunicou-lhes que aceitaria a
encomenda do projeto, forneceu-lhes os custos e o tempo estimado para as obras,
assim como o valor de seus honorários. Como tudo indica, Sullivan
SullivanSullivan
Sullivan, enquanto os
banqueiros estavam no restaurante, havia elaborado mentalmente o projeto do
edifício desejado. Fato idêntico ocorre com Frank Lloyd Wright
Frank Lloyd WrightFrank Lloyd Wright
Frank Lloyd Wright, a propósito do
projeto da Casa da Cascata, segundo relata seu discípulo. O projeto foi desenhado,
praticamente, em três dias, mas, estava inteiramente resolvido na cabeça do
arquiteto. Poder-se-iam citar outros tantos fatos dessa natureza, em que o desenho
se encontra mentalmente elaborado, só aguardando sua realização como registro
gráfico. Há no Antigo Testamento relatos de projetos, tais como o do templo de Davi,
110
em que inexistem desenhos, mas não a idéia detalhada daquilo que se deseja
construir e, como tal, acabaram sendo construídos. Estes fatos levam-nos a acreditar
que ao arquiteto não é preciso que elabore registros gráficos, ou que seja um
habilíssimo desenhista, mas sim que use o desenho, quer seja mentalmente ou na sua
concretização em registros gráficos. Não importam, portanto, quais os meios e
materiais que venham a utilizar ao exprimir o seu desejo de desenho. São os modelos.
Tem-se como certo, desse modo, que o processo de produção do objeto da
arquitetura pode ser composto por uma complexa variedade de modelos. Veja
Echenique
EcheniqueEchenique
Echenique, por exemplo. Ele tratou esta questão dos modelos, exaustivamente,
chegando a apresentar, segundo atributos identificáveis, uma sua classificação em
modelos descritivos, modelos predictivos, modelos explorativos e modelos de
planejamento, o que, na verdade, apenas amplia o âmbito das considerações sobre
desenhos de Lúcio Costa. Assim, a representação gráfica do espaço, por sua vez, nesta
linha de raciocínio, é subdividida em modelos físicos, icônicos, analógicos, estáticos,
dinâmicos e descritivos, caso venham a ser levantamentos fotográficos, maquetes
eletrônicas, plantas, cortes e elevações, orçamentos, partidos conceituais etc.
(SERRA, 2006). Porém, a integração de todos esses objetos direciona o projeto na sua
concepção gestual. Mas, segundo Mies Van Der Rohe
Mies Van Der RoheMies Van Der Rohe
Mies Van Der Rohe, “Arquitetura é Construção”,
pelo que o resultado pode ser, ou não, a própria obra acabada.
De acordo com Vitruvius
VitruviusVitruvius
Vitruvius, os modelos teóricos seriam obras como as obras da
arquitetura grega e romana (Acrópoles e Panteão), e a classificação dar-se-ia a partir
de suas estabilidades, dos seus predicados estéticos e do quanto são funcionais. O
mesmo se diria da obra de Palladio e Bramante que foram, respectivamente, os
modelos teóricos para as obras renascentistas e barrocas. Por muito tempo,
persistiram esses modelos teóricos, que se tornaram estudos obrigatórios, nas escolas
de arquitetura, como embasamentos conceituais da organização e concepção do
espaço arquitetônico e, conseqüentemente, do modo de sua representação.
Visitar as obras de um arquiteto é imperioso. Fazer o percurso do espaço
arquitetônico criado, com uma análise crítica, seria o ideal para conhecer o que foi
111
projetado. Gordon Cullen
Gordon CullenGordon Cullen
Gordon Cullen, por exemplo, defende isto ao apresentar três maneiras de
interagir com o meio ambiente: uma meramente óptica, uma relativa ao lugar e uma
relativa à existência de um conteúdo explicitado. Assim, cada indivíduo se
relacionaria de uma maneira particular com o espaço urbano, dependendo do
percurso e das reações às imagens percebidas. As cidades devem, então, provocar
surpresas e revelações e, por isso, não podem obedecer a uma regra. Cada qual tem
sua personalidade que a individualiza.
Arquitetura, para Le Corbusier
Le CorbusierLe Corbusier
Le Corbusier é circulação e piso iluminado.
Ao analisar, em linha geral, o atual conteúdo programático dos cursos de
arquitetura, verifica-se ser complexa uma integração entre as disciplinas ditas
teóricas e as disciplinas ditas práticas, frente ao computador, no que diz respeito à
representação do objeto da arquitetura, nas suas fases de concepção e produção.
Uma coletânea de desenhos de observação, produzidos por estudantes do curso de
arquitetura da Faculdade de Arquitetura e Urbanismo da Universidade de São Paulo
na década de setenta, que se encontra depositada na biblioteca da Rua Maranhão,
emociona pela tamanha qualidade de representação gráfica e domínio de cnica de
grafite e papel “canson”. Sabe-se que, naquela época, dava-se mais importância à
linguagem gráfica, de modo que os colégios propiciavam aos alunos uma boa base de
desenho, o que não mais ocorre. Hoje em dia, os alunos chegam às universidades sem
noção básica de geometria e sem nenhum treinamento de desenho. Porém, por outro
lado, eles se apresentam com um domínio razoável na manipulação do computador,
ainda que sem muito embasamento teórico. Não se trata, portanto, de indagar se seria
o uso do computador e dos programas de computação gráfica uma vantagem para o
curso de arquitetura. Trata-se, sim, de uma realidade, a informática presente cem por
cento na rotina da sociedade, sendo necessário torná-la uma aliada ao processo entre
o desenho e a construção. Processo que tem sofrido mudanças desde o Renascimento,
em que o arquiteto começou a deixar de ser o próprio artesão, construtor, para atuar
por trás de uma prancheta. Os recursos computacionais são eles, hoje, muitos e,
talvez, um vetor convergente entre a Arquitetura e o Design.
112
O projeto é por definição um planejamento de ação. Ao planejar definem-se
os recursos disponíveis para um levantamento geral que envolve o projeto. O
levantamento bem feito significa um ótimo começo para a etapa organizacional da
estratégia a ser definida. Nem sempre a estratégia se mantém até o fim, pode ser
reformulada. O computador tem condições de participar de todas as etapas, pois ele é
por excelência um processador de informações. Para o projeto de arquitetura os
recursos computacionais terão diferentes atuações dependendo da escala. Cabe neste
trabalho levar em conta algumas das inúmeras possibilidades, porém as que são
factíveis nos cursos de arquitetura e desenho industrial.
Quanto à questão da compreensão e representação do espaço, imprescindível,
para a concepção e produção do objeto da arquitetura, o estudante de arquitetura,
por exemplo, ao modelar algum sólido geométrico, no computador, defronta-se com
o universo da percepção tridimensional, que até aquele momento era um obstáculo
no processo individual de projetar.
O processo de vetorização da imagem, gerar perspectivas volumétricas para
estudos sobre a impressão das mesmas a mão livre, “fatiar” os modelos
tridimensionais, construir modelos volumétricos para ensaios da projeção de
sombras, prototipagem rápida, ensaios sobre a forma foram experiências com os
estudantes de ambos os cursos como avaliação dos recursos para o ato de concepção
do projeto.
A compreensão da passagem da imagem digital representada por
pixels
(picture element)
para o gráfico vetorial representado por valores em x,y,z pode ser
útil para transferir imagens de uma determinada zona da cidade, de um objeto e de
fachadas. A imagem é importada para um programa vetorial e com segmentos de reta
ou curva é vetorizada e colocada na escala correta. Para ficar mais fácil de entender o
que é vetorizar uma imagem no computador, é como colocar uma folha de papel
manteiga uma foto e com uma lapiseira desenhar todos os contornos das figuras.
A imagem digital ou
bitmap
é uma malha de pequenos quadrados conhecidos
como
pixels
, convenção para a menor unidade de medida de uma imagem digital.
113
Cada
pixel
possui uma quantidade de informação, número de
bits
(
binary digit
),
conhecido como a menor unidade da informação, isso caracterizará a qualidade da
imagem. Uma imagem branca e preta tem dois
bits
, ou seja, 2². O número de
pixels
dos eixos x e y delimita o tamanho da imagem em centímetros ou qualquer outra
unidade de medida linear. Para se ter uma noção, uma imagem de 1 x 1 polegada tem
72 x 72
pixels
, portanto uma imagem de 600 x 800
pixels
tem aproximadamente 21,0
x 28,0 cm, o tamanho de uma A4. A imagem digital tem a desvantagem da precisão
em relação ao gráfico vetorial, mas por outro lado é a melhor opção para desenhos
ilustrativos.
A particularidade do gráfico vetorial são os cálculos matemáticos que
processam as formas geométricas no espaço de coordenadas configurado na tela do
computador.
Os croquis feitos a mão livre representam o ato de pensar sobre o conceito a
ser adotado ou estudos que determinarão os objetivos do projeto. Ser um bom
desenhista requer muita prática e nem sempre os estudantes estão preparados para
essa tarefa. Um meio de colaborar para a prática de fazer croquis é explorar o modelo
volumétrico gerado no CAD e salvar várias perspectivas e imprimi-las. Desenhar por
cima dos desenhos impressos e, ao mesmo tempo, usá-los como base de evolução da
criação do projeto aperfeiçoa o olhar do estudante além da planta baixa. Os modelos
volumétricos são representados em três situações, com as linhas não visíveis
escondidas (
hide
), com todas as linhas (
wireframe
) e sombreado (
shaded
).
As perspectivas deixaram de ser construídas a partir de um conhecimento
profundo da geometria e muitas vezes são selecionadas sem um conceito prévio de
seleção. A compreensão da épura é intuitiva e sem vida imposta pela metodologia
do programa. A integração desses programas CAD nos cursos de geometria deveria
ser implantada em busca da compreensão entre exercícios realizados na prancheta
manuseando as ferramentas tradicionais e com as ferramentas oferecidas pelo
computador. A prática comparativa das ferramentas de apoio para o desenho por
114
computador associadas com os métodos manuais estimularia os estudantes a serem
mais críticos quanto ao uso de qualquer programa CAD.
Exercício aplicado às aulas de computação gráfica II do curso de desenho industrial.
A partir de duas esferas...
modelar um “pato” de brinquedo...
“fatiar” em secções transversais e longitudinais...
115
fragmentar em “retalhos” e trabalhar as espessuras...
cortar lâminas, em madeira, de 10mm a partir dos perfis “fatiados” e impressos...
116
acabamento das lâminas...
Lâminas em camadas. Processo inspirador à prototipagem rápida.
Fotos do aluno Rafael Miranda, 2006.
117
Pesquisas foram realizadas pelo grupo Smart Geometry sobre apresentação de
projetos em Arquitetura utilizando recursos da computação gráfica.
Protótipo digital.
http://ddf.mit.edu/projects/CABIN/index.html
Protótipo para análise dos encaixes.
118
Protótipo em escala reduzida.
Lâminas em madeira para construção do protótipo em escala 1:1.
Modelo 3D (CAD) > Control numeric command (CNC) > laminas cortadas.
119
120
(M.I.T.) Larry Sass (na porta à esquerda).
Pesquisador responsável do projeto
Istant House
.
O modelo tridimensional representado por gráfico vetorial oferece
possibilidades de cópias e ensaios com cada uma delas. O método de “fatiar” o
modelo em seções de cortes longitudinais e transversais estimula o raciocínio para
melhores soluções funcionais e formais do projeto. Tem sido útil para a
industrialização de seções em forma de estruturas amorfas.
Estes mesmos modelos são objetos que possibilitam ensaios visuais das
sombras projetadas no seu entorno.
A prototipagem rápida na fase do projeto contribui muito para o
planejamento da montagem em obra, ou avaliação de encaixes e articulações,
fundamental para a montagem de pequenos protótipos para o tipo necessário de
análise.
Os que fizeram parte da vida universitária na passagem da década de oitenta à
década de noventa presenciaram uma transformação de um estado que já estava
121
carregado de deficiências, por efeito da ditadura militar, para outro conhecido como
a “era da informação”. Poucos escritórios de arquitetura, nesse período, nas cidades
de São Paulo e Rio de Janeiro, arriscavam entrar cem por cento na automação de seus
desenhos. Os motivos eram óbvios, o custo e certa resistência ao novo.
Escritórios de arquitetura como Setsuo & Kamada Arquitetos Associados,
Aflalo & Gasperini, Bratke, Julio Neves, Boti Rubin, Ana Niemeyer Arquitetura e
Consultoria, Edison Musa, entre outros, colaboraram para a formação de jovens
arquitetos operadores em desenhos eletrônicos, que naquela época repercutia como
um diferencial. (CHAPUIS, 1995)
Vivenciar uma transição de técnicas e de comportamento tão significativa
corrobora para atitudes contestadoras e desconfortáveis diante de uma geração
apática e conformada, no que se refere à política, indústria e modismo, é uma
sensação de impotência. A sociedade é regida pelo capital financeiro e por regras
ditadas pelas grandes empresas, um modelo capitalista que oferece a sensação de
liberdade, muitas vezes, sem condições de assimilação fazendo com que se viva sem
tempo para novas indagações.
O viés é justamente como abordar os recursos da computação gráfica para o
aprendizado de jovens arquitetos, em favor de uma produção arquitetural alinhada à
indústria da construção em que o arquiteto possa estreitar seu diálogo direto com o
fornecedor, possibilitando assim, uma menor distância entre o pensar e o fazer.
O papel do arquiteto sofre mudanças perante o projeto e a obra, propiciando o
surgimento de máscaras sobre o sistema construtivo, ou seja, a indústria impõe sem a
participação de quem tem o olhar poético sobre um objeto concreto, a produção de
elementos de composição da arquitetura.
Nota-se a quantidade de lançamentos de condomínios e residências, na cidade
de São Paulo, fundamentados em conceitos de venda do mercado imobiliário como
se fossem produtos de prateleira. A confusa posição do arquiteto diante do enorme
sistema de comércio imobiliário atual não dará tempo necessário para reflexões. Fato
que ocorre em muitas outras profissões, como, por exemplo, a medicina.
122
Puntoni
PuntoniPuntoni
Puntoni, em sua investigação sobre as obras literárias, no período bíblico,
como a representação de métodos construtivos, esclarece alguns pontos importantes
da trajetória dessa figura chamada arquiteto. O arquiteto ou mestre-de-obras
gerenciava uma equipe que sabia fazer com arte e habilidade por meio de materiais e
recursos técnicos disponíveis na época. Puntoni
PuntoniPuntoni
Puntoni cita o antigo testamento, referindo-
se à passagem dos quarenta anos no deserto, com Moises, as tendas no formato de
prisma, que provavelmente eram cópias do modelo egípcio. Pode considerar como
um documento que relata um objeto de arquitetura pré-fabricada, com armação e
recursos materiais e meios técnicos disponíveis”. (PUNTONI, 1997)
Criou-se uma fragmentação entre o projeto e a execução da obra, causando
confusões na inteligibilidade da idéia previamente elaborada na mente do autor do
projeto. O arquiteto dificilmente voltará a ser um mestre de obras, mas cabe aos
responsáveis coordenadores dos cursos de arquitetura formar um grupo de
representantes de cada área para planos diretores pedagógicos e, junto aos
coordenadores de outras faculdades, que fariam o mesmo, unirem-se para uma causa
em comum a formação dos arquitetos da atualidade: o resgate do arquiteto
construtor.
A informática, desde que bem orientada, seria uma aliada para essa causa
devido à vasta possibilidade de manipulação das informações representadas por um
conjunto de geometrias, simples e complexas. O potencial didático da computação
gráfica pode servir como um meio de comunicação entre a equipe profissional
executiva e com a equipe trabalhadora. O efeito produzido pela computação gráfica
esclareceria aos trabalhadores, antes do início da obra, as etapas que eles deverão
cumprir. Não apenas para os executivos e compradores, mas principalmente como
mais uma ferramenta para o mestre de obra.
“O arquiteto deixou, portanto, de ser o construtor do objeto da arquitetura e
tornou-se o seu autor. O seu saber construir, conseqüentemente, passou a ser
cada vez mais teórico e sem a vivência do canteiro de obras.”
(PUNTONI,1997:48)
123
Os estudantes de arquitetura, na Europa, são bem mais preparados devido à
construção do conhecimento ter sido elaborada desde a infância. Claro que é
incomparável a tradição e o peso do conhecimento impregnado no comportamento
do europeu, porém, não deixa de ser um modelo a ser adaptado de forma inteligente
e intuitiva no Brasil no que se refere às condições propiciadas pelas universidades
para a permanência dos alunos no campus voltados às práticas das teorias.
O
Trivium
, gramática, dialética e retórica, eram as disciplinas obrigatórias nas
universidades medievais. A primeira trata dos mecanismos da língua, a segunda os
mecanismos do pensamento, a lógica, e por último os mecanismos de persuasão e
instrução por meio da fala. Concluído o
trivium
os alunos estavam aptos para o
quadrivium
: aritmética, música, geometria e astronomia.
Não compete a esta pesquisa aprofundar a análise da “evolução” das
civilizações, mas sim alertar para uma conscientização da necessidade de
convergência entre a sabedoria antiga e o conhecimento tecnológico atual.
A idéia do
trivium
aflorou após a leitura das palestras proferidas na UniSantos
por Aziz ab’Saber
Aziz ab’SaberAziz ab’Saber
Aziz ab’Saber, João Filgueiras Li
João Filgueiras LiJoão Filgueiras Li
João Filgueiras Lima
mama
ma e Paulo Mendes da Rocha
Paulo Mendes da RochaPaulo Mendes da Rocha
Paulo Mendes da Rocha. Constata-se o
tamanho comprometimento que um estudante de arquitetura deve ter no seu
período acadêmico, porém, sem ignorar sua fase de transformação e amadurecimento
para um ser que a sociedade considera adulto, antes de atuar como arquiteto.
Os assuntos abordados pelos palestrantes, o meio ambiente, os sistemas
construtivos e o como construir, são as três primeiras áreas de capacitação do jovem
estudante de arquitetura e deveriam ser levadas a sério no plano diretor pedagógico,
o que nesse momento é ainda uma hipótese.
Segundo observa o professor Aziz
AzizAziz
Aziz: “Nunca fale daquilo que vocês não viram”.
Ele referia-se ao método de abordagem dos estudos de uma área a ser intervinda pelo
grande paisagista Garret Eckbo
17
. Foi, no mínimo, um comentário que causou
17
“um grande paisagista norte-americano, o maior talvez do século 20 nos Estados Unidos, Garrett
Eckbo.” 10 de novembro de 2005 no Conselho de Economia, Sociologia e Política da Federação do
Comércio do Estado de São Paulo, onde proferiu uma palestra sobre planejamento.
124
desconforto para os jovens e, porque não, adultos que praticam normalmente um
discurso sobre aquilo que nunca viram.
A forma de ocupação do Espaço Total, de Aziz, é algo muito rio, além de causar
inquietação sobre a ação na produção do espaço construído. Não a produção do
espaço, mas quase tudo está sofrendo uma adaptação às mudanças que envolvem
novas maneiras de enxergar a realidade e novas percepções.
O estudante de arquitetura sai da universidade e normalmente cabe-lhe a
carapuça do “se vira nos trinta”, que é uma expressão que ficou popular oriunda do
programa de televisão, aos domingos, que caracteriza a situação de insegurança
quanto à sua atividade profissional. Um curso de extensão para a prática da teoria do
período acadêmico dar-lhe-ia condições de atuação, capacitando-o como construtor.
Isso talvez mudasse as influências sobre a produção do espaço, que é orientada,
atualmente, por agentes publicitários de incorporadoras, ao invés de fazer com que se
torne mais próximo da indústria da construção. É preciso ter tempo e interesse para
assimilar as mudanças.
No livro O ponto da Mutação” Capra
CapraCapra
Capra, convence o leitor a refletir sobre os
novos conceitos de espaço, matéria e tempo que estão aflorando da resultante de
ciclos vividos pela humanidade durante milênios.
“O antigo conceito da Terra como mãe nutriente foi radicalmente
transformado nos escritos de Bacon e desapareceu por completo quando a
revolução científica tratou de substituir a concepção orgânica da natureza
pela metáfora do mundo como máquina. Essa mudança, que viria a ser
suprema importância para o desenvolvimento subseqüente da civilização
ocidental, foi iniciada e completada por duas figuras gigantescas do século
XVII: Descartes e Newton.” (CAPRA,1982:52)
http://www.sescsp.org.br/sesc/revistas_sesc/pb/artigo.cfm?Edicao_Id=239&breadcrumb=1&Artigo_ID=3756&IDCategoria=4131&
reftype=1
125
“Descartes criou a estrutura conceitual para a ciência do século XVII, mas
sua concepção da natureza como uma máquina perfeita, governada por leis
matemáticas exatas, permaneceu como simples visão durante sua vida. Ele
não pôde fazer mais do que esboçar as linhas gerais de sua teoria dos
fenômenos naturais. O homem que deu realidade ao sonho cartesiano e
completou a revolução científica foi Isaac Newton, nascido na Inglaterra em
1642, ano da morte de Galileu. Newton desenvolveu uma completa
formulação matemática da concepção mecanicista da natureza e, portanto,
realizou uma grandiosa síntese das obras de Copérnico e Kepler, Bacon,
Galileu e Descartes. A física newtoniana, a realização culminante da ciência
seiscentista, forneceu uma consciente teoria matemática do mundo, que
permaneceu como sólido alicerce do pensamento científico até boa parte do
século XX.” (CAPRA,1982:58)
Os residentes em medicina passam por períodos de experiências da realidade
nos postos de atendimento de uma estrutura politicamente criada como produção de
mão-de-obra barata, mas que ao mesmo tempo é importante como uma prévia
formação. Uma proposta semelhante poderia ser pensada para os arquitetos. É preciso
dar oportunidade, não ao olhar poético, mas também à habilidade da técnica,
resultando no vetor da convergência de ambos à industrialização da construção.
As três vias da produção do espaço arquitetural colocam o pensamento de
Sergio Ferro
Sergio FerroSergio Ferro
Sergio Ferro como um meio aos questionamentos sobre as adaptações necessárias dos
cursos de arquitetura para o futuro arquiteto, ou seja, para uma profissão destinada à
operação de programas que modelam as informações da construção.
Ferro
FerroFerro
Ferro procura dimensionar as causas da nítida ruptura havida entre a
arquitetura e a produção da mesma. Seu raciocínio permeia por uma reflexão sobre a
política capitalista como protagonista dessa ruptura e a expressão “irracionalidade da
atividade arquitetural” é o cerne de sua inquietação. Por outro lado, ele aponta para
uma causa que é a taxa de lucro provocada pela industrialização. A confusa
determinação entre os conceitos do que é a prática da manufatura da construção
amplia a complexidade do sistema que, na visão de Ferro, procura manter uma
política de interesses em que a força de trabalho é altamente explorada. Dentro deste
126
contexto, como capacitar os estudantes de Arquitetura para o uso dos novos recursos
tecnológicos a favor da harmonia entre o saber e o fazer.
O papel do arquiteto entra em crise por conta da
separação do fazer e do
pensar
e seu distanciamento do sistema de produção fica cada vez mais claro,
transformando-o em um ser perdido entre o usuário, empreiteiro e a indústria de
materiais de construção. Segundo Ferro
FerroFerro
Ferro, a habitação, um bem, com valores
agregados como materiais (com ou sem ostentação);
status
; estética; função; não passa
de um jogo de ilusões em que o projeto representa a fantasia das necessidades
requeridas e o canteiro, a realidade de poder realizá-las.
O primeiro passo seria descobrir as necessidades para uma nova forma de
conduzir a produção arquitetural e, em paralelo, na visão do que o autor chama de
racionalidade, preservar e aperfeiçoar os meios dessa produção; aprofundar a crítica;
tentar por meio da arquitetura provocar um novo comportamento social; são
critérios sugeridos como base de um futuro melhor para uma nova sociedade
capitalista, em que, a previsão feita por Ferro, em 1972, vingou-se nos dias de hoje.
O cenário, atual, foi de certa forma previsto pelo autor e traz profundas
cicatrizes de um abismo político e social que houve entre 1970 e 1990. Estão
estampadas nas grandes cidades suas hipóteses quanto à patologia do sistema e,
talvez, a falta de discussões e crítica sobre o papel do arquiteto e o modo de produção
arquitetural. Existe uma tentativa forçada de fazer do imóvel uma mercadoria da
moda, algo sem identidade, sem história. A irracionalidade tem transitado no
canteiro que, por sua vez, é influenciado pelo desenho que é influenciado pelo
cliente, a incorporadora.
O jogo de interesses está em constante movimento dificultando cada vez mais
enquadrar critérios e metodologias sobre uma possível mudança da produção
arquitetural. Achar que um modo de produção arquitetural mudaria a produção
social é um pensamento ingênuo. Por outro lado, a tentativa de abrir espaço para
debates e criar condições para canteiros de obra, como laboratórios experimentais em
127
universidades, como meios de plantar uma nova cultura de consciência sobre o
sistema da construção, seria o ponto de inversão da prática da “má-fé
18
”.
Uma possível célula embrionária para um projeto ambicioso de canteiros de
obras virtuais, disponíveis nas faculdades de Arquitetura, é a caverna digital
19
, situada
na Politécnica da Universidade de São Paulo, inaugurada em 2001. Além das
universidades, as escolas de ensino médio deveriam trabalhar nesse segmento com o
objetivo de ensinar a teoria e prática da percepção, seja por meio de desenhos,
maquetes e objetos tridimensionais, ou melhor, por meio da sensibilização para o
desenho urbano, já que se fala tanto em meio ambiente e sustentabilidade.
A mudança da produção arquitetural não se pode esperar do resultado de
cinco anos de escola de arquitetura.
Em disciplina ministrada pela professora Elide Monziéglio
Elide MonziéglioElide Monziéglio
Elide Monziéglio houve a
apresentação dos desenhos dos alunos do primeiro ano da FAUUSP de 1970. Os
desenhos eram impecáveis. Todos, sem exceção, tinham uma nítida bagagem trazida
dos tempos do colégio. Vale citar que o próprio Sergio Ferro
Sergio FerroSergio Ferro
Sergio Ferro, ainda estudante de
arquitetura na Faculdade de Arquitetura e Urbanismo da Universidade de São Paulo,
já produzia projetos e os construía.
No texto “Arquitetura Nova”, escrito em 1967, procura alinhavar com muito
comprometimento com as palavras as questões do projeto, obra e técnica. Porém, sua
abordagem é direcionada para o momento em que a política do país está em mudança
radical e o anúncio do progresso influencia as novas esperanças de uma nova
arquitetura. Naquela época, os jovens arquitetos estavam preparados para aplicar o
conhecimento em favor de uma arquitetura social, mas a ditadura militar castrou.
Segundo Fer
FerFer
Ferro
roro
ro, estas expectativas tornaram a arquitetura brasileira ampla de
contradições. Contradições entre os arquitetos, alienados de sua função real, e suas
obras de cunho particular, tais como residências, clubes e lojas, que as expressavam
como denúncias.
18
Expressão utilizado por Ferro.
19
http://www.usp.br/agen/bols/2004/rede1347.htm#primdestaq Boletim
de 15/01/2004.
128
Diante de todo esse discurso, em defesa de uma avaliação sobre o destino da
arquitetura brasileira para um ideal social é que se indaga como o ensino tem
colaborado para isto até esse momento.
Os estudantes de arquitetura eram preparados para construir, além de fazer
projetos. Sua formação era para o desenvolvimento paralelo ao progresso, inclusive
da indústria da construção.
No texto sobre Carlos Barjas Millan, de Mônica Junqueira de Camargo
Mônica Junqueira de CamargoMônica Junqueira de Camargo
Mônica Junqueira de Camargo,
professora do departamento de História da Faculdade de Arquitetura e Urbanismo da
USP, está relatada a aproximação da arquitetura com os materiais e sistemas
construtivos disponíveis naquela época em que o arquiteto desenhava para o
construtor que construía e agia como tal.
Em 1961, junto à fábrica Eternit, o escritório do arquiteto desenvolve “um
protótipo de construção industrializável”. (MATERA, 2005:253)
“Carlos Barjas Millan, formado em 1951 pela Faculdade de Arquitetura
Mackenzie, montou em 1952 com seus colegas Chen y Hwa, Jacob Ruchti,
Miguel Forte, Plínio Croce e Roberto Aflalo, a loja Branco& Preto, um
empreendimento pioneiro na produção de móveis modernos, que passam a
integrar a maioria das casas modernas dos anos 1950. Em 1957 foi convidado
a dar aulas na cadeira de composição arquitetônica na Faculdade de
Arquitetura e Urbanismo da Universidade Presbiteriana Mackenzie e, em
1958, na Faculdade de Arquitetura e Urbanismo da Universidade de São
Paulo. Ainda estudante abriu seu próprio escritório, depois de um estágio
com o arquiteto Rino Levi, com quem aprendeu o rigor do detalhamento.
Seus primeiros projetos revelam afinidade com a arquitetura americana de
Frank Lloyd Wright e a arquitetura da Califórnia, particularmente, a de
Richard Neutra; apresentam plantas funcionais, soluções estruturais
simplificadas, amplas aberturas com clara preocupação de integração interior
e exterior; soluções que prezam a horizontalidade e a valorização dos
aspectos construtivos. São projetos exaustivamente detalhados. A residência
Fujiwara de 1954, por exemplo, tem seu projeto executivo com 170
pranchas.
129
As obras de Le Corbusier, pós 1945, e os projetos de Mies Van der Rohe
despertaram o interesse de Millan para a exploração da racionalidade na
busca da simplificação. O domínio que tinha da construção, em toda a sua
complexidade, e a perseverança no detalhamento exaustivo lhe
possibilitaram atingir soluções absolutamente sintéticas, nas quais nada falta
e nada está em demasia, como comprovam as três residências, ainda hoje
inalteradas: a de Roberto Millan (1960); a de Nadir Figueiredo (1960) e a de
Antônio D’Elboux (1962). Tal como sua arquitetura, de presença discreta,
porém intensa, Millan teve efetiva participação nos rumos da arquitetura
paulista, sendo referência constante pela sua singularidade.
“Reconhecidamente didático, entre os que com ele conviveram e os seus
estudiosos, Millan deixou um legado obras e desenhos que constitui,
mais do que um patrimônio arquitetônico, aulas de como se fazer
arquitetura.” (CAMARGO
20
)
“A História nos mostra que, na década de 30, arquitetos como Gregory
Warchavichik, Lina Bo Bardi, Giancarlo Gasperini, Rino Levi e outros,
trouxeram conhecimentos técnicos e artísticos para um período que
favorecia a construção civil e verticalização, em São Paulo, e muitos
contribuíram para a indústria mobiliária paulistana.” (MATERA,2005:37)
A implantação do canteiro experimental, na Faculdade de Arquitetura e
Urbanismo da Universidade de São Paulo, pode ser considerada como um alerta para
a importância da vivência da prática construtiva do estudante de arquitetura, mas
esse alerta, infelizmente, não acontece em outros cursos de arquitetura.
Ferro, em textos de difícil compreensão na primeira leitura, nos passa um
total comprometimento, quase um juramento de fidelidade, às suas propostas. Sua
sensibilidade em perceber, naquela época, o futuro, o quanto o contexto social e
político estavam causando desvio para uma nova arquitetura e função do arquiteto, é
marcante na história do ensino da arquitetura.
20
http://www.carlosmillan.com.br/lateral_esquerda.htm Texto escrito pela Professora, FAU/USP,
Mônica Junqueira de Camargo
130
Da mesma forma que ele destaca o surgimento do desenho como documento
de produção, faz duras críticas ao movimento que estava surgindo em razão da
revolução industrial, rotulando-o como um instrumento de separação do saber do
artesão e a maneira de produzir da burguesia. Ferro
FerroFerro
Ferro aprofunda-se no tema e mostra
com muita propriedade que por trás desse progresso existe um verdadeiro massacre
da mão de obra, no que diz respeito, ao seu potencial.
Vale citar alguns outros discursos de arquitetos sobre o tema como, por
exemplo, o de Villanova Artigas
Villanova ArtigasVillanova Artigas
Villanova Artigas, que em uma aula inaugural, em 1967, tece
considerações sobre o desenho e manifesta o entusiasta que era pelo assunto.
“Com ele (Leonardo da Vinci) e os demais artistas do Renascimento o
desenho se impôs. Passou a ser linguagem da técnica e da arte – como
interpretação da natureza e como desígnio humano, como intenção ou arte
no sentido platônico. Desenharam contra a insuficiência das ferramentas
disponíveis, impacientes com a lentidão do trabalho manual.” (ARTIGAS,
2004:111)
E prossegue o professor Artigas
ArtigasArtigas
Artigas, afirmando que o desenho além do risco,
traçado, mediação para expressão de um plano a realizar, seria um desígnio, intenção,
projeto humano no sentido de proposta do espírito.
Na visão de Bruno Zevi
Bruno ZeviBruno Zevi
Bruno Zevi (1918), o desenho é um instrumento incapaz de
representar o espaço arquitetônico.
“A evolução da escultura moderna, as experiências construtivistas,
neoplásticas e em parte futuristas, as pesquisas sobre o acoplamento, a
justaposição e a interpenetração dos volumes nos fornecem os instrumentos
necessários para a representação. Ela é completamente satisfatória? Não
diríamos tal coisa: a modelagem revela-se muito útil, deveria ser
amplamente aplicada no ensino da arquitetura, mas não pode satisfazer
plenamente porque omite um fator-chave de toda concepção espacial: o
parâmetro humano.” (ZEVI,1996:49)
131
No discurso de Ferro
FerroFerro
Ferro, em contraponto com os outros mestres, verifica-se, na
representação da arquitetura, a influência do contexto político social em que o autor
está vivendo. A harmonia da arquitetura por intermédio do bom senso do uso da
escala faz transparecer o quanto o canteiro significa como uma espécie de espaço da
revelação.
Ferro procura uma “coreografia”, harmônica e perfeita, entre os termos para
melhor explicar as discussões entre conceitos como a teoria e a prática, ou melhor,
entre o desenho e o canteiro; o confuso processo de produção e o partido
aparentemente bem definido; a leitura de códigos do desenho e o analfabetismo dos
trabalhadores; toda essa “coreografia”, para o leitor especifico da área, torna-se um
tanto fatigante, porém ao mesmo tempo aponta para um amplo campo de reflexão
sobre as novas funções do arquiteto, além de todos os objetos e situações que o faz em
arquiteto.
“A simulação é o passo seguinte, consistindo em aplicar variações aos
modelos, em colocá-los sob diferentes pontos de vista, diferentes condições
“físicas”, criando modificações possíveis, anamorfoses, distorções,
replicações. É o processo de dar origem ao maior número de possibilidades e
variações, potencializando os objetos virtuais além dos modelos digitais. A
simulação como uma energia modelada: fragmentos de oscilações
energéticas, matemáticas, formais que têm, em grande parte dos casos –
neste trabalho há maior interesse-, a interface de intelecção humana, as
imagens de síntese. “A imagem traz possibilidades imensas de correlações, de
extrapolações, de reagrupamentos sinópticos que capitalizam o saber e
totalizam o real, sistematizando-o, depurando-o para reduzi-lo ao
essencial”
21
(DUARTE, 1999:160)
Os laboratórios e oficinas são essenciais nas universidades e faculdades
em geral; no caso da Arquitetura, não é normal um canteiro de obra experimental e
nem oficinas e laboratórios de modelos físicos ou técnicas para tal. No entanto os
laboratórios de computação têm condição de substituí-los a propósito da simulação
21 Texto retirado por DUARTE do artigo de Philippe QUÉAU. 1987. Du Langage à Image, Paris.
132
digital. Orientar o estudante sobre implementações do sistema CAD/CAM para
modelos físicos tanto para o aspecto de comunicação como para o desenvolvimento
de sistemas de montagem deve ser incluído na prática dos laboratórios de
computação em parceria com máquinas de prototipagem rápida.
“A very interesting system which illustrates some of the practical potentials
of CAD-CAM in building design and construction has been implemented by
the U.K. window manufacturing firm of Crittals, Ltd.(Hale 1968) It is
designed to interface with production information for building in the SEAC
(South Eastern Architects Collaboration) and SCOLA (Second Consortium
of Local Authorities) industrialized building programs.”(MITCHELL,
1977:373)
Pesquisas comprovam novos métodos de representação do espaço por meio de
instrumentos diretamente ligados à computação, um dos quais abordado neste
trabalho, é utilizar a impressão 3D para a prototipagem rápida de modelos em menor
escala para testes de encaixes ou o mesmo pode ser realizado com intenções de criar
o próprio sistema construtivo.
A simulação da construção deveria ser apresentada para todos os participantes
da produção do projeto, inclusive aos operários que compõem o canteiro de obra.
“O nível de desenvolvimento tecnológico da indústria da construção civil, a
despeito dos avanços verificados com o emprego recente de painéis e
módulos pré-fabricados, ainda é incomparavelmente mais atrasado que o dos
demais setores da indústria convencional, além de não poder ser considerado
homogêneo. No entanto, ao se observar alguns dos conceitos introduzidos
no âmbito da construção industrializada no início do século XX, tais como os
de tolerância e intercambiabilidade, quando pioneiros como Walter Gropius
e Wachsmann (1930) aplicavam em seus projetos as experiências de
racionalização antes experimentadas pelas construções metálicas, é
possível perceber que muitos dos ideais utópicos daquela época são hoje
perfeitamente factíveis. Ou seja, a possibilidade de produção seriada de
edifícios industrializados, quer em suas partes fundamentais, quer na sua
133
totalidade, é uma realidade e a indústria da construção civil está apta a dar
um grande salto, superando num curto espaço de tempo a defasagem
tecnológica do setor e alcançando um nível de industrialização equivalente
àquele que já é visível nos países desenvolvidos.” (CAMPOS
22
)
Considerando que esse é um assunto que pode entrar no âmago da
inteligência artificial em que experiências virtuais da prática são possíveis, fica em
aberto para dar continuidade em outro trabalho.
22
http://www.fernandoavilasantos.kit.net/barreiras_culturais_premoldados.htm
“Sem restrições tecnológicas, os pré-fabricados precisam romper obstáculos culturais”. Autor: Paulo
Eduardo Fonseca de Campos.
134
CONSIDERAÇÕES FINAIS
CONSIDERAÇÕES FINAISCONSIDERAÇÕES FINAIS
CONSIDERAÇÕES FINAIS
A discussão de que toda arquitetura sugere uma estrutura, mas nem toda
estrutura, uma arquitetura é no mínimo curiosa para as inovações computacionais no
setor da construção civil. As superfícies complexas simuladas no computador fazem
com que o foco dos cálculos dos esforços entre vigas e pilares mude para um dos
componentes da superfície, o vértice. Apesar das arestas também serem importantes,
é no vértice que está a articulação entre cada uma das fragmentações que compõem a
superfície total do edifício.
Muito mais variáveis são solicitadas para uma boa avaliação mediada pela
complexidade de combinações entre teorias da geometria e matemática, as quais se
fundem para resolver as soluções de uma nova geometria das edificações, a geometria
complexa. Em arquitetura os esforços despendidos para edifícios grandes são
totalmente diferentes para edifícios menores. As expectativas de gerenciamento geral
desde a concepção muda muito devido à escala.
A técnica construtiva de projetos grandes, que marcam a época atual, é um
fator definitivo para solucionar, em alto estilo, o conceito da arquitetura envolvida
com a elegância da estrutura, o que é possível pela eficiência da computação.
Este trabalho deixa em aberto pesquisas sobre modelos de aprendizado para a
formação de arquitetos e maiores condições para a investigação de novos
detalhamentos de técnicas construtivas. A aproximação do arquiteto com a indústria
da construção demonstra uma tendência da arquitetura, hoje.
O aprendizado ainda está orientado para que os desenhos por computador
sejam apenas modelos de representação da geometria do edifício. Mas é preciso
introduzir a lógica da aproximação da matemática e da programação computacional,
derivada dos sistemas paramétricos e associativos do novo
designer
para os cursos de
arquitetura. O
designer
de produto está mais próximo da arte, técnica e manufatura.
O arquiteto também precisa trabalhar em soluções de detalhamentos construtivos
que implicam em criar produtos industrializados para realçar intervenções de bom
senso nos espaços urbanos.
135
É preciso incentivar o uso dos recursos do sistema CAD no ambiente acadêmico e a
integração das disciplinas como uma estratégia que deve ser avaliada, de modo a
ampliar as condições de uso do computador conscientemente, o que trará benefícios
para a produção e “reprodução” do espaço no que se incluem a prototipagem rápida
(PR), a modelagem de informações (BIM) do edifício e o sistema de informação
geográfica (GIS).
136
REFERÊNCIAS BIBLIOGRÁFICAS
REFERÊNCIAS BIBLIOGRÁFICASREFERÊNCIAS BIBLIOGRÁFICAS
REFERÊNCIAS BIBLIOGRÁFICAS
ALEXANDER, Christhoper. Ensayo sobre la Síntesis de la Forma.
Buenos Aires:Ediciones Infinito, 1973.ISBN 987-9393-28-8
ARTIGAS, João Batista Vilanova. Caminhos da
arquitetura/Vilanova Artigas; (organização
José Tavares Correia de Lira, Rosa Artigas). São Paulo: Cosac Naif, 2004.ISBN
85-7503353-0
AURESNEDE, Stephan Pires (coordenador da obra). Dez cases do
design brasileiro os bastidores do processo de criação. São Paulo: Blucher,
2008. ISBN 9788521204619
BURKE, Peter. O Renascimento Italiano – Cultura e sociedade
na Itália. São Paulo: Editora Nova Alexandria, 1999.
ISBN 858607554-X
CAPRA, Fritjof. O ponto de Mutação. São Paulo: Editora
Cultrix, 1982.ISBN 853160309-9
CARRARA, Gianfranco./ KALAY, Yehuda E. Knowlwdge Based
Computer Aided Architectural Design. Berkeley: Elsevier,
1994. ISBN 044481759-X
CHOLLET, Laurence B. The Essential Frank O. Gehry. New York:
Barnes & Noble, 2007. ISBN 9780760785690
CLARK, Roger H. / PAUSE, Michael. Arquitectura: temas de
composición. México: GG,1997. ISBN 9688873381
DEL RIO, Vicente. Introdução ao desenho urbano no processo de
planejamento. São Paulo: Pini. 1990. ISBN: 8572660313
DUARTE, Fábio. Arquitetura e tecnologias de informação: da
Revolução Industrial à revolução digital. São Paulo:
Fapesp – Editora da Unicamp, 1999.
ISBN 8574190624
FERRO, Sérgio, 1938. Arquitetura e trabalho livre. São Paulo:
Cosacnaify, 2006.ISBN 8575034200
137
FILATRO, Andréa. Design instrucional contextualizado –
educação e tecnologia. São Paulo: Editora Senac São Paulo, 2004. ISBN
8573593709
FREIRE, Paulo. Pedagogia da Autonomia: saberes necessários à
prática educativa. São Paulo: Paz e Terra, 1996. ISBN 9788577530151
GIEDION, Sigfried. Espaço, tempo e arquitetura: O
desenvolvimento de uma nova tradição. São Paulo: Editora Martins Fontes,
2004 ISBN 8533620209
GIESECKE, Frederick E. Comunicação gráfica moderna. Porto
Alegre: Bookman, 2002. ISBN 0138638381
KOURY, Ana Paula. Grupo Arquitetura Nova: Flávio império e
Sérgio Ferro. São Paulo: Romano Guerra Editora USP FAPESP, 2003.
ISBN 8588585057
CORBUSIER, Lê . Precisões sobre um estado presente da
arquitetura e do urbanismo / Corbusier; São Paulo: Cosac & naif, 2004
ISBN 8575032909
LEVY, Pierre. As tecnologias da Inteligência: O futuro do
pensamento na era da
informática. São Paulo: Editora 34, 1993 ISBN 8585490152
______. O que é Virtual. São Paulo: Editora 34, 1996. ISBN 857326036-X
______.Cibercultura.São Paulo: Editora 34, 1999. ISBN 857326126-9
LYNN, Greg. Predator_Greg Lynn Form/USA. Damdi Publising Co.
Korea, 2006. ISBN 8991111165
MEIRELLES, Fernando de Souza. Informática novas aplicações
com microcomputadores.São Paulo: Makron Books, 1994.
ISBN 8534601860
MITCHELL, William John. Computer aided architectural design.
New York: Petrocelli / Charter, 1977. ISBN 0884053237
MONTGOMERY, Mary. Aprendendo e ensinando geometria. São
Paulo: Editora Atual, 1994. ISBN 857056595-X
MORRISON, Hugh. Louis Sullivan – Prophet of modern
architecture. New York: W.W.Norton&Company, Inc., 1962. ISBN 978-
0393730234
138
SERRA, Geraldo G. Pesquisa em Arquitetura e Urbanismo: guia
prático para o trabalho de pesquisa em s-graduação. São Paulo: Edusp
Mandarim,2006.ISBN 8531409780
SCHUMACHER, Patrik. Digital Hadid. Landscapes in Motion.
Birkhäuser Switzerland,2004 ISBN 3764301724
VOLPATO, Néri. Prototipagem Rápida. São Paulo: Editora Edgard
Blucher, 2007.ISBN 8521203888
WIERNER, Norbert. Cibernética e Sociedade – o uso humano de
seres humanos, São Paulo: Cultrix, 1954.
ZEVI, Bruno. Saber ver a Arquitetura. São Paulo: Martins
Fontes,1996. ISBN 8533605412
139
BIBLIOGRAFIA geral
BIBLIOGRAFIA geralBIBLIOGRAFIA geral
BIBLIOGRAFIA geral
ALEXANDER, Christhoper. Três Aspectos de Matemática y Diseño
La Estructura Del Médio Ambiente. Barcelona: Tusquets
Ediciones, 1980. ISBN 8472234053
ASIMOV, Isaac. Eu, Robô. Rio de Janeiro: Editora Expressão e
Cultura,1969. ISBN 9780194792288
BAKER, Geoffrey H. Análisis de la forma: Urbanismo y
Arquitectura. México: GG, 1998. ISBN 8533608322
BENDER, Richard. Uma visión de la construcción
industrializada. Barcelona: GG ,1976.
BRUNA, Paulo Júlio Valentino. Arquitetura, Industrialização e
desenvolvimento. São Paulo: Editora Perspectiva, 1976
ELAM, Kimberly. Geometry of design: studies in proportion and
composition New York: Princenton Architectural Press, 2001. ISBN
1568982496
FULLER, Buckminster R. Manual de Operação para a Espaçonave
Terra. Brasília: Editora UNB, 1985
_____________________. Concebendo uma nova industria. São
Paulo: GFAU - USP,1963.
GOTTDIENER, Mark. A produção social do espaço urbano. São
Paulo: EDUSP, 1993.
GREGOTTI, Vittorio. Território da Arquitetura. São Paulo, Ed.
Perspectiva, 1978.
JODIDIO, Philip. Architecture Now! Singapura. Taschen, 2001.
ISBN 3822840912
LEUPEN, Bernard et al. Proyecto y análisis: evolución de los
principio en arquitectura. Barcelona: GG, 1999.
ISBN 842521761X
MERLEAU-PONTY, M. (1999). Fenomenologia da percepção. São
Paulo: Martins Fontes,2006. ISBN 8533622937
140
MORIN, Edgar. Os Sete Saberes necessários à Educação do
Futuro. São Paulo: Cortez; Brasília, DF : UNESCO,2003. ISBN 852490741-X
NEGROPONTE, Nicholas. A vida digital. São Paulo: Cia das
Letras, 1995. ISBN 8571644551
PAPERT, Seymour. A máquina das crianças: repensando a escola
na era da informática. Porto Alegre: Artes Médicas, 1994. ISBN
9788536310589
PEREIRA, Paulo César Xavier. A construção da cidade. São
Paulo: Rima, 2004.ISBN 8586552941
PIAZZALUNGA,Renata. A Virtualização da Arquitetura. Campinas:
Editora Papirus,2005. ISBN 8530807863
POGRÉ, Paula. O ensino para a compreensão: a importância da
reflexão e da ação no processo de ensino-aprendizagem.
Vila Velha: Hoper, 2006. ISBN 8598687057
SANTAELLA, Lucia. Navegar no ciberespaço: o perfil cognitivo
do leitor imersivo.
Editora Paulus. São Paulo-SP, 2004 ISBN 8534922675
TEIXEIRA, Anísio. Pequena Introdução à Filosofia da Educação.
Rio de Janeiro: DP&A,2000.
ISBN 8574900052
TOFFLER, Alvin. A terceira onda. Rio de Janeiro – RJ. Record,
1980. ISBN 8501017973
VIRILIO, Paul. O espaço crítico. São Paulo - Editora 34,
1999. ISBN 8585490160
141
REFERÊNCIAS
REFERÊNCIAS REFERÊNCIAS
REFERÊNCIAS -
--
- artigos
artigos artigos
artigos publicados
publicadospublicados
publicados
HESSELGREN, Lars. Architectural Structure: Computational
Strategies. RIBA Press, book SpaceCraft.
http://www.smartgeometry.org/book/export/html/26
KOWALTOWSKI, Doris Catharine Cornelie Knatz. Reflexão sobre
metodologias de projeto arquitetônico. Faculdade de
Engenharia Civil e Arquitetura e Urbanismo. Universidade Estadual de Campinas,
2006.
http://www.seer.ufrgs.br/index.php/ambienteconstruido/article/view/3683/2049
OOSTERHUIS, Kás. Intuitive 3d Sketching. 1995.
http://www.oosterhuis.nl/quickstart/index.php?id=278
___________________Experimenting with Architectural Design,
advances in technology and changes in pedagogy, 2007.
http://www.oosterhuis.nl/quickstart/index.php?id=521
PUPO, Regiane Trevisan. I International Workshop Digital
Design for Architecture – concepção arquitetônica em ambiente computacional.
http://www.vitruvius.com.br/arquitextos/arq000/esp414.asp
SASS, Lawrence. Rapid Prototyping Techniques For Building Program Study.
Massachusetts Institute of Technology, 2004.
http://ddf.mit.edu/papers/03_lsass_cadria_2004.pdf
_____________. Design Production: Constructing freeform designs with rapid
prototyping. ECAADE 2005.
http://cumincad.scix.net/data/works/att/2005_261.content.pdf
_____________. THE INSTANT HOUSE: Design and digital fabrication of housing
for developing environments.
CAADRIA, 2006.
http://cumincad.scix.net/data/works/att/caadria2006_209.content.pdf
142
WISNIK, Guilherme. Arte e arquitetura ao alcance da mão
06/03/2006 Folha de São Paulo.
STREICH, Bernd. Creating Architecture Models by
Computer_Aided Prototyping. CAAD
Futures Digital Proceedings, 1991.
http://cumincad.scix.net/data/works/att/4c21.content.pdf
143
BIBLIOGRAFIA
BIBLIOGRAFIA BIBLIOGRAFIA
BIBLIOGRAFIA –
Teses e Dissertações
Teses e Dissertações Teses e Dissertações
Teses e Dissertações
CHAPUIS, Florência. A difusão de sistemas CAD em escritórios
de Arquitetura.Dissertação de Mestrado – UFRJ Rio de
Janeiro, 1995.
FERREIRA, Rita Cristina. Uso do CAD 3D na compatibilização
espacial em projetos de produção de vedações verticais em edificações.
Dissertação de Mestrado. Escola Politécnica da Universidade de São Paulo,
2007. POLI – USP.
FLORIO, Wilson. O uso de ferramentas de modelagem vetorial na
concepção de uma arquitetura de formas complexas. Tese
de Doutorado. São Paulo – SP, 2005.FAUUSP
PAZINI, Dulce Leia Garcia e Enaldo Pires Montanha.
Geoprocessamento no ensino fundamental: utilizando SIG
no ensino de Geografia para alunos de 5.a a 8.a série.
Anais XII Simpósio Brasileiro de Sensoriamento Remoto,
Goiânia, Brasil, 16-21 abril 2005, INPE.
http://marte.dpi.inpe.br/col/ltid.inpe.br/sbsr/2004/11.22.19.05/doc/1329.pdf
PUNTONI, Geraldo Vespasiano. Ensino de desenho: um
treinamento da habilidade de fazer desenhos. São Paulo,
1992. Dissertação Mestrado. FAUUSP
_________________________. O desenho técnico e o ato criador
do arquiteto. São Paulo,1997. Tese de Doutorado. FAUUSP
RIGHETO, Sandra Volpon Diogo. Do desenho ao Modelo: A
apresentação do projeto arquitetônico. Tese de
Doutoramento FAUUSP. São Paulo,2005.
ROYZEN, Beatriz G B. Etapas da construção de uma residência:
um apoio virtual para o curso de arquitetura. (protótipo
de um
website
) Trabalho de Conclusão de Curso. Curso de
especialização Máster em Tecnologia Educacional da FAAP, 2004.
SILVA, Julio César da. Aprendizagem mediada por computador:
uma proposta para desenho técnico mecânico. Tese de
Doutorado da Faculdade de Engenharia de Produção da Universidade Federal
de Santa Catarina, 2001.
144
STEFFEN, Heloisa Helena. Robotica Pedagógica Na Educação: Um
Recurso De Comunicação, Regulagem e Cognição. Tese
Mestrado ECA_USP, 2002.
TAMASHIRO, Heverson Akira. Desenho Técnico Arquitetônico:
constatação do atual ensino nas escolas brasileiras de
arquitetura e urbanismo. Dissertação de Mestrado.
Universidade de São Carlos, 2003.
VASSÃO, Caio Adorno. ARQUITETURA LIVRE: Complexidade,
Metadesign e Ciência Nômade. Tese de Doutoramento. Faculdade de
arquitetura e urbanismo da Universidade de São Paulo, 2008.
VINCENT, Charles de Castro. Processos de Projeto e Computação
Gráfica: Uma abordagem didática. Tese de Doutoramento. São Paulo_2002.
FAUUSP.
145
REFERÊNCIAS da WEB
REFERÊNCIAS da WEBREFERÊNCIAS da WEB
REFERÊNCIAS da WEB
Design and computation. M.I.T – Department of Architecture.
http://descomp.scripts.mit.edu/www/ (21/01/09)
The Emergent Design Group (EDG) was founded in 1997 at the School of
Architecture & Planning, MIT to research new approaches to design at the
intersection of architecture, engineering, artificial intelligence, and material science.
http://mit.edu/edgsrc/www/ (21/01/09)
Takehiko is an architect from Tokyo. At MIT, he teaches courses related computer-
aided design, and his research focuses on the representation and computation of
architectural space and formal design knowledge. He has founded and led
Architecture, Representation and Computation group (ARC) since 1996.
http://cat2.mit.edu/takehiko/ (21/01/09)
Galeria de trabalhos realizados no M.I.T.
http://cat2.mit.edu/arc/gallery/4203_final3/marco.html (21/01/09)
MEC – Ministério da Educação e Cultura
http://www.mec.gov.br/ 21/01/09
Grupo Smart Geometry – Some of the world's leading architectural and engineering
practices ( Foster+Partners, KPF, Arup, Buro Happold) and educational institutions
(Architectural Association, MIT, Delft Technical University, University of Bath) are
represented in its core organisation.
http://www.smartgeometry.org/ 21/01/09
RIBA Press.
www.smartgeometry.org/book/export/html/26 21/01/2009
Waldemar W. Setzer
http://www.ime.usp.br/~vwsetzer/meios-eletr.html 21/01/2009
Greg Lynn
http://www.glform.com/ 21/01/2009
Zaha Hadid
http://www.zaha-hadid.com/ 21/01/2009
Unicamp
http://www.fec.unicamp.br/ 21/01/2009
Livros Grátis
( http://www.livrosgratis.com.br )
Milhares de Livros para Download:
Baixar livros de Administração
Baixar livros de Agronomia
Baixar livros de Arquitetura
Baixar livros de Artes
Baixar livros de Astronomia
Baixar livros de Biologia Geral
Baixar livros de Ciência da Computação
Baixar livros de Ciência da Informação
Baixar livros de Ciência Política
Baixar livros de Ciências da Saúde
Baixar livros de Comunicação
Baixar livros do Conselho Nacional de Educação - CNE
Baixar livros de Defesa civil
Baixar livros de Direito
Baixar livros de Direitos humanos
Baixar livros de Economia
Baixar livros de Economia Doméstica
Baixar livros de Educação
Baixar livros de Educação - Trânsito
Baixar livros de Educação Física
Baixar livros de Engenharia Aeroespacial
Baixar livros de Farmácia
Baixar livros de Filosofia
Baixar livros de Física
Baixar livros de Geociências
Baixar livros de Geografia
Baixar livros de História
Baixar livros de Línguas
Baixar livros de Literatura
Baixar livros de Literatura de Cordel
Baixar livros de Literatura Infantil
Baixar livros de Matemática
Baixar livros de Medicina
Baixar livros de Medicina Veterinária
Baixar livros de Meio Ambiente
Baixar livros de Meteorologia
Baixar Monografias e TCC
Baixar livros Multidisciplinar
Baixar livros de Música
Baixar livros de Psicologia
Baixar livros de Química
Baixar livros de Saúde Coletiva
Baixar livros de Serviço Social
Baixar livros de Sociologia
Baixar livros de Teologia
Baixar livros de Trabalho
Baixar livros de Turismo